Fiber Optics for Radios
Avec la contribution de Electronic Products
2015-09-17
It has been impressive to watch how semiconductor laser technology has advanced. The older edge-emitting laser diodes have all but given way to Vertical Cavity Surface Emitting Lasers (VCSELs). This has resulted in lower cost and higher reliability because VCSELs do not require a 90-degree re-orientation of the die as does the edge-emitting technology.
VCSEL, coupled with decreased semiconductor geometries, has enabled the fiber-optics world to dramatically increase its portfolio of high-speed transmitters and receivers. The 10 G, 25 G, 40 G, and now 100 Gbit/s single-mode fiber-optics links in modular, hot-swappable, low-power, standard form factors are revolutionizing the design and architectures of data centers and communications hubs.
At the same time large facilities like hospitals, universities, government buildings, TV/radio buildings, and more are requiring higher amounts of data traffic at higher speeds by more users. In addition, the term “users” includes people and—in this age of IoT—other other web- and cloud-enabled devices.
This article looks at ways in which RF data and signals can be sent through fiber-optic media. It will examine the advantages and disadvantages of this approach, as well as methods in which these implementations can address the need for higher speed and flatten out network topology. All parts, datasheets, tutorials, reference designs, and development kits mentioned here can be found online at DigiKey’s website.
Un-modulated distribution
There may be times when a fiber link can carry raw RF data. This raw data is un-modulated with a carrier and a specific data stream will be modulated at the endpoint to create a wireless zone.
The signal data is typically lower bandwidth than a modulating carrier. As a result, many data links which will connect a wired to a wireless network can share a single fiber to a sub hub or data-distribution node such as a top-of-the-rack router.
For example, a large building or campus may have fiber links throughout the building terminating at Wi-Fi multi-port switches and routers. Each zone or partition of the network has its own local switch functionality. This flattens out the network, eliminating the need for so much traffic upstream. With fiber optics coming in directly from the ISPs, a reverse aggregator or hub approach may allow more reliable data connectivity to the wireless endpoints.
In this case, any modular fiber-optic solution would work at a data-link level. With economy of scale helping keep costs low, 1 G or 10 G Ethernet links for fiber connectivity will do just fine. Since single-mode fibers and modules are able to carry even higher rates, 40 G and 100 G upgrades are feasible without touching the infrastructure.
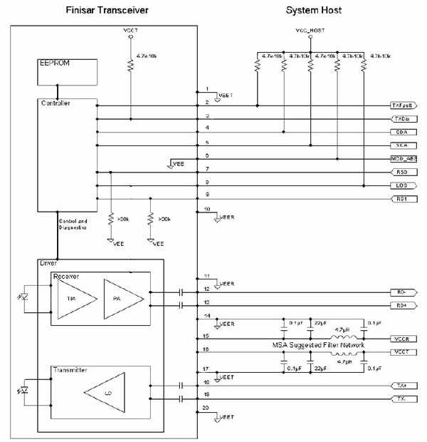
Parts like the modular and hot-pluggable SFP+ footprint Finisar FTLX8571D3BCL can be used to carry framed Ethernet (or virtually any encapsulated protocol) in pure digital modes over an 850 nm single-mode fiber that can either be applied directly to an RF modulator at the endpoint, or reformatted to act as a protocol bridge (Figure 1). It is rated for use with the wireless CPRI standard for base station links up to 2 Km away with data rates of 4.915 and 6.144 Gb/s.

Figure 1: Raw RF data can easily use a standard form-factor, hot-swappable plug in modules for transport of several channels of RF data streams. These can be directly modulated at the endpoint to create partitions or zones.
Realize that a corresponding receiver link is needed at the other end if it is not fiber ready; but expect to see more fiber-ready, high-end wireless servers for just this purpose.
Also realize that it is possible to create your own proprietary fiber-optic links out of the many discrete fiber-optic control devices. Many good off-the-shelf fiber-optic transmitter drive circuits are ready for your designs as are fiber-optic receivers, switches and muxes, and attenuators.
Digital data to the fiber requires a driver to control and protect the laser diodes and most are pure digital. Laser-diode controllers like the Micrel MIC3003GML and laser-diode drivers like the Semtech GN1153CINE3 supporting data rates up to 10 Gbits/s can be used for direct laser drive for raw data connect. These a la carte pieces are useful if you want to roll your own digital solution, but, if you want to drive an RF-output stage directly from fiber, then optical intensity variations controlled from the analog domain are best.
The linear connection
If performance is fast enough in the linear domain, laser-intensity modulation can accurately track the high-frequency carrier waveform along with all signals modulated within it. To satisfy Nyquist requirements, at least 2x the max frequency rate should be implemented. Therefore, for direct 2.4 GHz, the 11- and 14-bit Analog Devices AD9119 and AD9129 RF Digital-to-Analog Converters are a good choice.
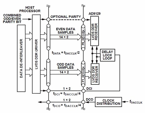
Direct RF DAC update rates up to 5.7 Gb/s can be sustained with proper synthesis and buffering with synthesis rates at 2.85 Gsamples/s. Internals support up to 8 QAM carriers, but note this part needs to be fed consistently with data. An LVDS dual data rate, dual-port architecture allows 2850 Msamples/s throughput via the use of an odd/even sample interleave arrangement (Figure 2).

Figure 2: To support the D/A’s 5.7 Gsamples/s rate requires a double-data-rate style dual-interleaved bus.
An interesting approach to solve these issues comes from Avago Technologies. Avago has come up with a nice solution to use fiber optics as a transfer medium for RF signals directly with its AFBR-1310Z linear fiber-optic transmitter. This uses single-mode 1310 nm fiber to pass analog 200 MHz to 5.5 GHz frequency range signals. Parts designated AZ in the series use a SC/APC pigtail while BZ parts use an LC/PC pigtail which are flex SIP headers that can be inserted into a receptacle (for modular use), or soldered directly to the PC board.
The transmitter combines a 5 Volt, 50 Ohm linear RF amplifier coupled to an InGaAsAl/InP Fabry-Perot laser. For more precise loop control, a floating monitor photodiode is present that permits biasing and control-loop circuitry tailored to your needs (Figure 3). The RF input is self-biased and AC-coupled to block any DC offsets.

Figure 3: AC-coupled RF self-biased 50-Ohm inputs make these fiber transmitters easily couple to RF circuitry allowing wider distribution of RF signals.
The receiving end
The corresponding receiver is the Avago 3.3 Volt AFBR-2310Z fiber-optic receiver for multi-GHz analog links. This part is also rated for 200 MHz to 5.5 GHz ranges, and the receiver part is optimized for the same 1310 nm wavelength, but can also be used from 850 nm to 1600 nm.
A special shroud design allows it to be assembled into a customer box or wall fixture (Figure 4). Like the transmitters, these receiver parts use flexible circuit-board connects for socketing or direct soldering to a PC board, and like the transmitters, these parts exhibit 50 Ohm output impedances for easy coupling into distribution RF amplifiers and antennas.

Figure 4: Completing the fiber-optic RF link, the receiver presents the clean 50-Ohm signal back out. (Note AC coupling is required externally in this case.)
In summary, satellite distribution centers, remote radio stations, and even in-vehicle systems can take advantage of fiber optics to eliminate the threat of ESD, noise, EMI, and RFI. In automobiles this approach solves noise and inference issues caused by radar-proximity emitters found in every corner and side of the vehicle, proximity lift-gate emitters, GPS receivers, and Wi-Fi and Bluetooth wireless sub-systems. When fiber optics carry the RF, there is no interference from induced sources.
Fiber also solves the medium- to long-distance issues associated with coax cabling and SWR while providing a PCB-friendly interface that can replicate the same transmit signals to drive single or multiple transmitters. So while fiber may not be the ideal solution for every distributed RF application, as we have seen parts are readily available and offer numerous benefits and advantages.
For more information about the parts discussed in this article, use the links provided to access product pages on the DigiKey website.
Avertissement : les opinions, convictions et points de vue exprimés par les divers auteurs et/ou participants au forum sur ce site Web ne reflètent pas nécessairement ceux de DigiKey ni les politiques officielles de la société.

