Commande sans fil des circuits d’attaque DEL à gradation linéaire
Avec la contribution de DigiKey
2013-10-17
Malgré l'investissement initial, l'éclairage à semi-conducteurs (SSL) s'est révélé être une alternative viable par rapport aux technologies conventionnelles grâce aux économies combinées en termes de consommation énergétique, de coûts de maintenance et de flexibilité de conception. Des économies d'énergie supplémentaires peuvent en outre être réalisées grâce à l'intelligence active comme les capteurs de lumière ambiante ou de présence, et avec des commandes de gradation externes pour éliminer l'éclairage excessif. Dans la mesure où il existe de très nombreux circuits d'attaque DEL à courant constant exigeant une entrée de 0-10 VCC pour la commande de gradation, cette discussion s'attachera à l'utilisation de ces circuits d'attaque avec une interface sans fil.
Le concept global est relativement simple. Un flux de données contenant la tension de commande souhaitée est transmis puis reçu par un module qui a été configuré pour agir en tant qu'interface RS-232 transparente vers un microcontrôleur. Le microcontrôleur interprète à son tour le flux de données et charge les valeurs appropriées dans les registres de données d'un convertisseur numérique-analogique afin de produire la tension de commande requise.
En raison de l'utilisation étendue de dispositifs tels que des ordinateurs portables, des tablettes et des téléphones portables, le protocole de connexion Bluetooth a été sélectionné pour la transmission du flux de données de tension de commande. Du côté de la réception, la carte d'évaluation 876-1005-ND pour le PAN1555 de Panasonic a été sélectionnée pour sa polyvalence et la simplicité d'utilisation pour le prototypage.
La sélection du microcontrôleur était basée sur un fonctionnement 3,3 V et la nécessité de disposer d'un USART, d'un oscillateur interne programmable et d'E/S suffisantes mais pas excessives. En considérant les futures implémentations exigeant PWM pour la commande et le stockage de données non volatiles, les fonctionnalités PWM et EEPROM ont été ajoutées à la liste des conditions requises. Le PIC12F1822-I/P-ND a finalement été sélectionné.
La sélection du CNA a reposé sur les exigences en matière d'alimentation unique, d'une tension de sortie d'au moins 10 V, d'une interface série, d'une résolution 12 bits et d'une entrée de référence externe. C'est le LTC1257IN8#PBF-ND qui s'est avéré être le meilleur candidat.
Pour que le CNA produise la plage de sorties nécessaire, une référence de tension de 10 V est requise. Le LM4040CIZ-10.0/NOPB-ND a été sélectionné pour sa tolérance de ±0,5 %, son boîtier TO-92 et sa tenue en courant de sortie de 15 mA.
Plusieurs critères ont été pris en compte lors de la sélection de l'alimentation pour le circuit. Tout d'abord, la tension d'alimentation doit être suffisante pour permettre au CNA de fournir une sortie de 10 V. Selon les spécifications du LTC1257, la tension VCC doit être supérieure à la tension de référence (10 V) de 2,7 V, ce qui justifie la sélection d'une alimentation 15 V. La préférence pour une alimentation en boîtier à montage en surface avec une empreinte minimale et un courant de sortie d'au moins 200 mA a résulté dans la sélection du module d'alimentation 945-1068-ND de RECOM Power.
Le CNA est alimenté directement depuis l'alimentation de 15 V, tandis que le module Bluetooth requiert une alimentation de 3,3 V, qui alimentera également le microcontrôleur. Passer de 15 V à 3,3 V avec un régulateur linéaire ne serait pas efficace, c'est pourquoi le 945-1648-5-ND a été sélectionné car il s'agit d'un régulateur à découpage présentant une empreinte compacte, une tension d'entrée maximale de 28 V et une tenue en courant de 500 mA.
Pour faciliter l'alimentation de dispositifs externes tels que des refroidisseurs actifs, le 945-1648-5-ND a été choisi pour produire une alimentation de 5 V. Il s'agit là encore d'un régulateur à découpage présentant une tension d'entrée maximale de 28 V et une tenue en courant de 500 mA. En conjonction avec cette alimentation de 5 V, le « répartiteur » de rails 296-6549-5-ND a été sélectionné pour produire une tension égale à la moitié de la sortie du CNA pour permettre la commande linéaire des dispositifs à alimentation 5 V. Le bloc de jonction, référence 277-1274-ND, a été utilisé pour la connexion à l'alimentation 5 V et au répartiteur de rails.
Pour permettre la connexion à la source d'alimentation CA et aux fils de circuits d'attaque DEL à courant constant, le bloc de jonction, référence 277-1247-ND, a été sélectionné en raison de l'espacement de 5,08 mm (0,200 po), la prise en charge de fils de 14-30 AWG et la capacité à supporter jusqu'à 10 A de courant.
Le schéma complet illustrant les composants mentionnés précédemment et les composants de support est disponible dans la Figure 1.
Comme mentionné précédemment, la carte d'évaluation Bluetooth PAN1555 doit être configurée pour agir en tant qu'interface RS-232 transparente vers le microcontrôleur, et le microcontrôleur doit être programmé pour recevoir le flux de données de tension de commande et charger les registres du CNA en conséquence. De même, une méthode de transmission de la tension de commande au module Bluetooth doit être mise en place.
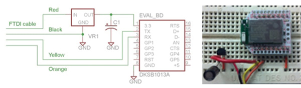
Les paramètres par défaut définis en usine du module Bluetooth PAN1555 de Panasonic sur la carte d'évaluation doivent être reconfigurés pour l'utilisation dans cette application spécifique. Cette opération s'effectue par le biais des commandes AT envoyées via une interface RS-232 câblée. L'utilisation d'un câble USB intelligent tel que le TTL-232R-3V3-WE simplifie cette tâche. Il y a deux points importants à prendre en compte lors de l'utilisation de ce câble. Tout d'abord, afin que le FT232R dans le câble apparaisse en tant que port COM virtuel, il est nécessaire de télécharger les pilotes USB gratuits depuis le site de FTDI. Ensuite, bien que les niveaux TTL sur ce câble soient de 3,3 V, la tension d'alimentation VCC du câble est celle du port USB de 5 V. Afin d'alimenter la carte d'évaluation durant la configuration, cette tension d'alimentation doit être régulée à 3,3 V. La régulation n'exige rien d'autre que deux composants, comme la combinaison du régulateur L4931CZ33-AP de 3,3 V et du condensateur EEA-GA1H2R2 de 2,2 μF, comme illustré dans la Figure 2.

Liste des composants du circuit de configuration
Des instructions complètes détaillées pour configurer le module Bluetooth sont disponibles sur le site eewiki.com en cliquant sur le lien suivant : configuration du module Bluetooth.
Avant d'aller plus en avant dans la programmation du microcontrôleur pour recevoir et interpréter le flux de données de tension de commande, le format du flux de données à transmettre doit être déterminé. Dans cet exemple, le format précédemment utilisé pour la station météorologique de DigiKey a été sélectionné. Le format consiste en un octet de type caractère de transmission, suivi d'un octet de type identificateur, suivi de trois octets de données. Plus spécifiquement, l'octet de type caractère est « D » pour données, l'octet de type identificateur est « 1 » par défaut car seul un pourcentage unique est transmis, et les trois octets de données sont constitués des valeurs de centaine, dizaine et unité de la tension N/A désirée. Par exemple, un pourcentage de 75 % serait transmis comme « D1075 ».
Une fois le format de transmission des données de pourcentage choisi, le microcontrôleur peut être programmé pour gérer le flux de données. La programmation consiste à définir les mots de configuration (bits), les variables et les bits de registres spécifiques, la configuration d'E/S, et à initialiser l'émetteur-récepteur universel asynchrone (UART). Le code source d'assemblage, simple mais fonctionnel pour recevoir le flux de données et utiliser le « bit-banging » pour charger le CNA, est disponible sur le site eewiki.com en cliquant sur le lien suivant : code source d'assemblage et fichier Hex.
À noter que le programme pour cette application a été écrit pour seulement interpréter et charger le CNA avec des pourcentages de 0 % à 100 % par incréments de 10 %.
La transmission du flux de données de tension de commande en utilisant des dispositifs courants tels que les ordinateurs et téléphones portables constitue une tâche relativement simple. Il suffit de trouver une application de profil de port série appropriée. Dans le cas de dispositifs Android, l'application Bluetooth SSP sur Google Play est un excellent choix. Une fois le téléphone portable appairé et connecté avec le module Bluetooth PAN1555, il permet à l'utilisateur final de sélectionner un mode clavier dans lequel 12 touches peuvent être marquées et configurées pour envoyer un flux de données spécifique, par exemple « D1050 » (50 %). Vous trouvez ci-dessous une image illustrant le marquage et la configuration des touches.

La deuxième méthode pour transmettre un flux de données de tension de commande à l'aide d'un ordinateur équipé du Bluetooth utilise Microsoft Visual Studio Express™. Il faut d'abord appairer le module Bluetooth PAN1555 avec l'ordinateur portable, en prenant note du numéro de port COM créé sur l'ordinateur pour la « liaison série standard sur Bluetooth ». La génération de l'interface sans fil se fait en créant une application de formulaires Windows Visual Basic, comme celle illustrée ci-dessous utilisant un port série et contenant des images de ressources et des boutons pour initier la transmission du flux de données de tension de commande.

Le projet Visual Basic complet est disponible sur le site eewiki.com en cliquant sur le lien suivant : exemple d'interface Visual Basic.
Le circuit du récepteur et l'interface de transmission de flux de données sans fil permettent la connexion à tout circuit d'attaque DEL à courant constant exigeant une entrée de 0-10 VCC pour la commande de gradation.
Un circuit d'attaque applicable est le LXMG221W-0700034-D0-ND. Grâce à son format compact, sa plage de tensions d'entrée universelle (90-277 VCA), sa sortie à courant constant de 700 mA, sa vaste plage de tensions de sortie (14-48 VCC), et sa plage de commandes d'entrée de 1-10 V, il constitue un excellent choix. À noter son mode basse consommation permettant de désactiver les DEL lorsque la tension de commande tombe en dessous de 0,6 V (max).
Dans l'intérêt de fournir un pseudo-luminaire complet pour la commande sans fil, les autres critères de conception DEL, le matériau d'interface thermique, le dissipateur thermique, l'optique et les interconnexions ont également été pris en compte.
La préférence personnelle d'utiliser une matrice de DEL blanc froid (5000 K) avec un flux lumineux supérieur à 1000 lumens à un courant de test modeste, et une tension directe proche de l'extrémité supérieure de la tension de sortie du circuit d'attaque a résulté dans la sélection du CXA2011-0000-000P00J050H-ND.
Le 1168-2063-ND a été sélectionné pour répondre au besoin d'un matériau avec conductivité thermique exceptionnelle, tout en conservant les dimensions physiques de la matrice de DEL (22 mm2).
Comme la DEL présente une tension directe d'environ 43,8 V à 700 mA, un dissipateur thermique capable de supporter un minimum de 31 W est requis. Pour répondre au souhait de format rond avec refroidissement actif et assemblage et installation faciles, le 1061-1088-ND, un dissipateur thermique universel de 40 W, a été sélectionné. Pour faciliter le refroidissement actif du dissipateur thermique, le module SynJet 1061-1006-ND, et le faisceau de conducteurs 1061-1050-ND, ont été choisis.
Les deux derniers critères relatifs à l'optique et à l'interconnexion ont été résolus grâce à l'utilisation du support de DEL WM4788-ND. D'un point de vue interconnexion, le support élimine non seulement le recours au soudage à la matrice de DEL, mais en plus il se raccorde directement au modèle d'orifice 4-40 du dissipateur thermique. Même si le volet de la lentille ne peut pas être qualifié d'optique réelle, il offre néanmoins une dispersion lumineuse et une protection pour la matrice de DEL.

Même si l'objectif global du circuit de récepteur et d'interface sans fil est de commander la gradation d'un luminaire spécifique, il peut également servir de plateforme de test pour l'évaluation de différentes combinaisons de DEL, de matériaux d'interface, de dissipateurs thermiques et de circuits d'attaque DEL à différents niveaux de courant d'attaque pour garantir des performances optimales.
Avertissement : les opinions, convictions et points de vue exprimés par les divers auteurs et/ou participants au forum sur ce site Web ne reflètent pas nécessairement ceux de DigiKey ni les politiques officielles de la société.






