Fiche technique pour STM8L05x, 15x, 162, AL31, AL3L Reference Manual de STMicroelectronics
‘ ’l hie.ougmemed





























m AACCUMUWOR
15 E 7 El
mm
mm
15 E 7 El
spsmwomre
WW 8 7 El
WE l m l P$L l PCPROGRAMCOUNTER
7 u
cc CODE CONDlTlON
INTERRUF ENERATIDN [execute plpelmel
complete Instructlon m execute stage 116 cycles latency)
PUSH POL
PUSH PcH
PUSH F'CE
PUSH v
PUSH >< push="" a="" push="" cc="" bbfumcycles="" l="" jllmpjdjnteppuptrdlltweuglvenfivmtl—lejnterpllf—vtmvectdp="" mama="" unstack="" [pom="" stack="" ,(push)="" lanaasm="" pop="" 00="" popa="" pop="">< pon="" pop="" pce="" pop="" pch="" p0p="" pcl="" j.="" bmcpumbycles="" j="" um="" pjojhejaddressmgwenfiyfr’ogr/ammcdu="" n="" tep="" (reluad="" plpellne)‘="">
|:||:|:|:|:|:|:|:|:l
|:||:|:|:|:|:|:|:|:l
|:||:|:|:|:|:|:|:|:l


















lTl





















mam





~>
Va
SYa


























































$$$$$$
$%¥%%$













DMAsus
57 ‘
DMA REGUESTZ
DMA REQUEST 3











































DAC_CHXDORH/L
















33%,















9:? MI



iii:














TRGO w my WM hmers
C‘uck/reseilenab‘e
U
uEL,
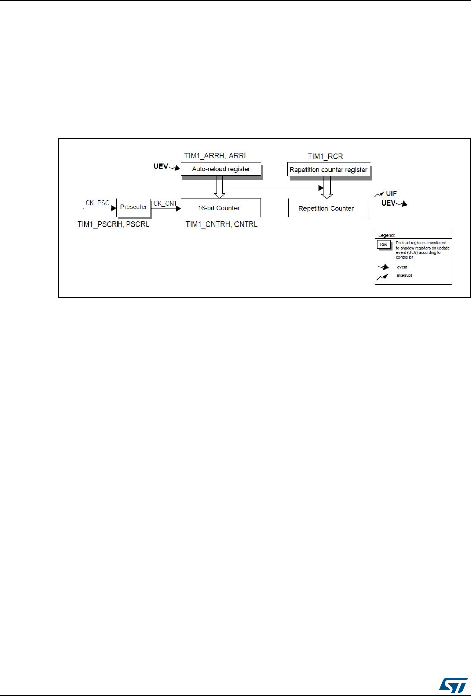
YIMLARRH, ARRL
Aulu»re>osd regwslu
TIMI_RCR
Rapem‘on counter rag-5m
Presm‘el
09ch
1mm Counter
cx Psc
—>
Repelmon Counter
T‘M1_FSCRH.PSCRL
TIM1_CNTRH, CNTRL
flUIF
uiv»
mam
m NEWumv-gn
«Am.
Mum
Mm mummy m:
Begmmng of the sequence
At [0
Read
MS byte
4»
LS byte
‘5 buffered
r 70m? 7
unflvywa
A! no +D1
Read
Ls byte
$
Returns the bulfered
Ls byte value 3110
sequence completed

CKjSC W W
CNT_EN 4‘
TIMER cwcx = cum W
COUNTER REGISTER TM
CouNTER OVERFLOW
UPDATE EvENTIuEv)
UPDATE INTERRUPT FLAG [UIF)
AUTO-RELOAD RRELoAD REGISTER FF 35
AUTO-RELOAD SHADOW REGISTER FF 36
Wme a new value In TIMx_ARR
New vaIue IransIerred ImmedIalely In shadow regIsIer
cK_Psc [LI—L
4‘
TIMER CLOCK
COUNTER REGISTER FA
couNTER OVERFLDW
UPDATE EVENT IUEV)
UPDATE INTERRURT FLAG IuIF)
AUTO-RELDAD PRELOAD REGISTER FF as
AuToRELoAD SHADOW REGISTER FF :5
WM: 3 new vaIue m TIMx_ARR \
New value Iransreneu In shadow regisler
an wumer ovemw

owe HMWWWWWWM
cNT_EN
TIMER CLOCK = cx_cm WW
COUNTER REGlSTER us as “@m an
COUNTER UNDERFLOW
UPDATE EvENTluEvl
UPDATE lNTERRUPT FLAG (UlF)
AUTOVRELOAD PRELOAD REGISTER FF
AUTO-RELOAD SHADOW REGISTER FF
Wme a new value m TlMx_ARR
as
36
New value lranslerred Immedlalely In shadow reglsier
cKj'sc
CN'LEN
TlMER CLOCK : cK_cNT
COUNTER REGISTER us
COUNTER uNDERFLow
UPDATE EVENT (UEV)
UPDATE INTERRUFT FLAG (UIF)
Um
-Ifl‘
l
I
cleared by seem}
EA
36
AuTo-RELOAD PRELOAD REGlSTER FF fl
AUTOVRELOAD SHADOW REGlsTER FF
Wnle a new value m TlMx_ARR
36
New value lranslened m shadow reglsler
on mumer undemow


Center-augned mode
(‘mlmer
TIM( CNT \\?/\/W\/\
TIM1_RCR=D ”EM ++++$++++++
/\/\/\/W
TIM1_RCR=1 UEM +¢+T+¢+¢+T+
/\/V\/\/\
TIMLRCR=2 HEM + + + +
MMA
Twn _RC=R 3 ”EM f
TWH RCR: 3 WW
and
+
ve synmromzauon ”EL;
{by SW)
Edge-aligned mode
Up-counllng
WWW
++++++++++
WW
(by SW)
Down-counllng
WWW
++++++++++
W
+ + + + +
NW
W\
W
+ 4 +
my SW)
uE\L.-; UEV Pre‘omi legislerstmnsferredlo shadow vems‘ers and updme mtelmp‘ genermed
¢ UEV Me repenuon dawnrmunter undelflow means when the mumer IS equal to me amorreload value
w
CK PSC SYSCLK
‘h‘h
Nfl‘
PSC
m
CNLEN
COUNTER CLOCK : CLCNT : cxjsc
COUNYER REG‘STER 34 35 36
Wm: ”:0 /
‘h‘h
A‘N‘
fi
MLETR T‘MLS
sc
NH
coumzn CLOCK = cx_cm = CK_P5C
CouNTER REG‘STER 34 35 35 37
n:
m L[—
US ——\7
couNYEH CLOCK = cum = CK_PSC mm
COUNTER REG‘STER
TIF —]7
TM hi
WNW REG‘STEWCIII(:)IIIIC
Wnle TDF=U /
CouNTER mac
m y—[
CEN —[—
em m
COUNTER CLOCK = CKicNT r CKiPSC
coma Ream—3a 7 35

Mi
2%
ocAREF
4»
TIMERA TIMERB
Clock MMs TS 5M5
\ \
um, MASTER mam "R1 SLAVE cx psc
MODE MODE
PREscALER COUNTER CONTROL CONTROL FRESCALER COUNTER
\NPUT
TRIGGER
SELECTION

if; 7
EX

747
\fi
/'
Read ccmH
Read ccmL
read_m_vmgress
cctsm
mode
cctsm]
"”957
T>Mx_EGR
am 7
5 me CCR1H
wnleJnJrogress 7
Cavwve’Compare Pre‘oad Reamer R We CCR‘L
' ‘ ' ampul cmsm
as Mrs trans er comparejanser mode
p ‘ d cmsw}
OWE
Capture/Compare shadow Register , 001 p
c ‘ mi?“ TIMx_CCMR1
m r r
“W"? ° ”5 8 ° base umu
cm>ccm
fi’
“W“ CNT=CCR1
fiv
r Ems? j
LlnsluclonsJ
Begrnmng a! the sequence
shadow register
is buflerad inln
the preload regrstet
Read Preload register
At to Ms Byte 4’ ls frozen
_V _
r other 7
Llnsluciona
Read Preload regrster
At to th Ls Byte ' 5 no longerfrozen
Sequence mmpletea
V
r other 1
Lmsguctgng
shadow reglster
Is buttered Into
the preload regtstet
\_l

PWM Inpul
SIgna‘
HMLARR
value
Cmmkev
vame
m1 Pennd measuremenl
m TIMI_CCR1 regls|ev
Resel counter
H52. die/1y];
1 measuremem in
‘ TIMLCCR2 register
nme
TWH_CNT cum Xenon Xoum X0002 Xuons X 0004 X uaou
)C
nmgzcm 0004
TIMLCCRZ 0002
\m oapmm \cz capmre
perm measuremem Pu‘se mam measuremsm
reset coumev
‘
‘ 4' OCI
4H]
‘ I”:
‘ 4' 0C2
\ 4H]
\
\
‘ OCSREF
4»:
‘
a
fl
I :
A \_l
E
7;
f
|:|:|
Wnle E2mh m we CC1R regxseer
TIMLCNT onsa 0035 52m)
TIMLCCRI DDSA ‘X 5201
OCiREF=DC| \ /
Mamh «ensued an 0ch
Imenum generaled w enabled

COUNTER REGBTER
OCrREF J—‘—li
CCRx = 4
00M —]—
OCrREF
00wa
00m = a
OCrREF 1
ccRx > a
00wa
OCrREF 3‘
00wa
ccRx = o
couNTERREGIsTER]u’T‘E‘T‘1415X:XTH7H)523 211“:
,Ui
OCIREF
COR“ (:0er
OCIREF
ccRx:7
(:an
coups OCIREF
(:an
ccRx>n (mm
(:0er
Omar
cckx:n
our
1
cmsmnw n [—7
chm
chm
chH
cMs=m
cMs:1n
CMS:H
XXX
cMs=m
CMS=I|1
CMSZI \
\‘\A
XX
COUNTER
n2
OC1REF
om
nMxJRR
TIA’ILCCR‘
4‘1—
6 ‘DEW a<—>
‘mss
—>
OCREF
DC, —|—[—
" ueway
om J
0 de‘ay
one; \—‘
Um —\—I—
‘—> de‘ay
oc‘u
OCIREF
oc.
ocw igl—
H
(May

coun|er (cm)
ocmEF
Commulalion (DOM)
EXAMPLE 1 00'
00M
00.
EXAMPLE 2
OCIN
cc.
EXAMPLE 3
com
(coax)
2/le
\_l
sz COMG (o I
U
0CE:1 Write cm; to o ccnza
COMBO
ocmamwwmp § ocM:mu
omEA the CCINEhHV
00M mo "and mac|iw) \
fi
—1—
00:4 Wrne CCE and mm: to o conga
OCIN :1 Gama»
00mm“) .pwm. k Gammon
m
1—\ ¥—\

BREAK wag 1)
cans: —‘_l4§—
0c. ‘ ‘
(CCIPsoplsn) —‘_,‘—
m —‘_n—‘—
10mm, olsm} ‘ ‘ ‘
oc. _'—‘_[—
(DCP:I,O|S':I) ‘ ‘ ‘
00' Ig—
(cops, ols'zo)
BREAK (MOE 1)
\
OD]
100M not implemented. cop DISH»
00' —|—l—I—
can delay flaky delay
{COPMCCIEQDISJE ,ccwg:1,
cc“ ,0 ensue”
on:
OCH 0 0 4»
(DOE LDC/13:0. 0|S::1.CC/NE:I, “SW—Idem de‘ay
can ,olsm:n
DC] m—
0
new —delay[—
10m: 1,CCP=0,OISI:D,CCINEAJ,
ch ,OISIN:I)
0c:
ocIN delay
100E1. OCH, DIS:1,
cc“ , [XE/NPJ‘OIS ,
00' —|_l—|—
OCN
1co&1.ccp=o,cc:NE .CCINIED.
0|Si:0ls:N:o nrOlSpO‘S: , )


hmld jmsr backward ‘Iflar Inward
m w
COUNTER
up down up
COUNTER
am up down

////////






































K6
T—IMZ men m mm w mm; .x ADC
mu men m mm w my;
ms men m mm w mm; .x me
Oct nsr
so
Presmle
mumscn
TIMLARRH Am
AulorRemad Remsle.
«3 m Cwnlsv
nMLcmRn, CNTRL
uav»
M an:
uzv»
«A
,4
\_l

































T‘szm
MlllllllflflfllfllflllflfllllWlfllllWllllfllllllflll
IFmM
TtMCLCHI
\FmMJJUT
M
|_‘_I









































{}
T:T >






<fiifi$fi>fiifi$fi>
flflflflgflfl
flflaU
Ufléfl
WVBW‘
flflflfl«fln
flflzfl‘
I—XI—H—H—X jz I—II—H—U—X
X X X ‘X X X X X
I—U—H—H—X a I—Vl—H—H—X
‘X X X X X X X X
‘3. S. ‘X X X S 5. 3.







U
U
i;
H































fsvsc LK





\+\HHHH
‘\\\
*—
1—D
4P
WW‘HLW
H
L¢¢¢
\
\\\H
l;
1 STOP bit
2 STOP bits
1.5 STOP bits
\S‘E"\\\\\\\\\‘
RX slaxe
RX \me
Idea‘
sample
Cluck
Real
sample
clack
Commons
(6 vahdate
me s|an 1m
Idle Stan m l
T srr
T T T T1T2 T3 T4 T5 T6 T7 T/6—\T9 T10T11T12T13T14T15T16
samp‘ed va‘ues
T T T T( TX TX TX TX T< tx="" tx="" t9="" t10t11t12t13t14t15t16="" t="" “4—6/1—=""><—‘7ms—> n—7/16——~
— One m “me —
1110xoxoxouooxxxxxx
\—/ \—/
Faumg edge m \east 2 blts m ‘5351 2 has
detechon out of 3 at u out of 3 at 0 mm
—‘7ms—>
1 STOP bit
. STOP bits (Smartcard mode 0an
2 STOP bits









Mm\HHiHHHHMHHHHH
‘ in in V\
XI? i?
in i‘n
‘ ‘ 1L












ADDRESS AND DATA BUS
§>
4A
4v
‘ i
T |T
MASTER
MsBm <¥ lsbm="" s«bit="" shift="" register="" slave="" msm="" g;="" lsbu="" e-eit="" shift="" register="" 5m="" ck="" sck="" clock="" generator="" nss="" vm="" nss="" k,="" na="" used="" szs="" \s="" managed="" v="" by="" somme="">¥>
CPHA =1
CPOL:I }
CPOL: 0 1
MISO WX M$B«X: MS Xi3q15 [an EMS X BIIZX 3,11] L$EiIX
CAPTURE STRDBE
/,
CPOL = 1
CPOL: 0
Mlso Wilmi:;ai1X3its X 3%15X Bn4X E613 X 3|12X 31111XL$B|1X
MOSI
NSS
(u) slave)
CAPTURE STROBE l l




Example m Master Mode wum CPOL:1, CPHA:1
5““ WWW—
DATAT xFI DATAz : w: DAIA} : om
MlSO/MosHoUl) hfl h1|b2|h3|u|h bi‘hz b3|b4|b5|hs|b7 wb1|h2|b3ll>4|b5|h8|b7
set by m sel by "W _
TXE mg _ 1chde mum“ V—mmw
(Weééf’fs's; 3 H ”I I ”3
f \
55v flag / 541 by hw ‘ _ men” hw
/ J WA ‘ mm W
MISOIMDSIUH) f hn|m|b2|ha|u|h b6|h7 w‘LT‘hz|b3|b4|bs|hs|m wlbilhzleIMlethl 7
RXNE flag ’ 52‘ by n \ Time In 5w \ '
R a n , x —
(read 5%ng ‘1“ . D A2 )‘ “3
J / /
male mm"; m: Wave wmb wflmare m: urml mum wads unhl Miran: wais unhl
mes MFI m|IITXE:1 and um RXNE:I TXE:1 and wmes RXNE:I and reads DXAZ RXNE:I and leads
"SPLDR mes flxFZ m nd mas um XFS m SPLDR ram SPL DR 140 Tram SPLDR
3m DR horn SPI DR
Example In Slave Made wnn CPOL:1, CF'HA:1
5°“ J'Ll'lJll'lJll'lJ'Ll' HflJ—U'IJ'LI'IJIF
DATA v 7 anl DATA flxfB
MISOMOSHOUI) wb1|b2|ba|b4|bs|bs|b7 IbilhzlelMlelel 7
_ se| by m
TXE mg ( _ '\ clnared hysw M by m
(wnle $33135 H DXFZ
T f
35v flag [I in by hw _ _ reset by hw
DATA 1 ; 0wa \ DATA 2 = DxAZ _ DATA 3 = 0AA:
M‘SOIMDSHIH) / bp|m|b2|ba|m|b me‘tQ‘b’JIbAIbSIbSIW bn|b1|h2|b3|hA|bS|b6| 1
RXNE flag x ’ my n \‘f flawed Tm \ '
R B it t x _
(rend sé-Lumgj/ jx ‘ mm /X D A2 PM
male Wale wm|s
nIesDxFI un|IITXE:I:md
nSFLDR m2: flxFZIn
PW DR
whwar: Wm: nwale walls
nnl RXNE:I nm TxE:1 and
and reads mm wn|es DxF3 m
ram SPI DR Pl DR
allwale wins un|ll
RXNE:I and mad: mm
mm SPL DR
Miran: wais unlll
RXNE:I and reads
m ham SPLDR
K17
Emmammamevmo:ew.xncPoL:1 t: Pva
S K EDWWUUWWIUW
mm rum mung»: mm xn
wmosuam» m m lmlhalmlhfiluslm nu mlmlualmlaslbslm nu MM”; balhslhv
_ set by "W 521W nw
TXE m ‘ '\ menu by w '\ neared m 5“ sex by "W
I _
TX Butter um um mra V
Iwme SFLDRw / —f / /
55v nug/_j elbvnw ‘ r252!
ulmare
wles am In
PLDP
2m re vmns mml
TXE 1 and “Wes
xFZ m SPLDR
onwaremns nnm
TXE:\ and wmes mm
H SPLDR
oflware mus unm
TXE:V
ulmare waits unm st:n
Examp‘e m Slave mode wuh CPOL: L CPHA:1
LI'IJ'IJ'IJ'IJ'IJ'IJ'IJ'
LI'IJ'IJ'IJ'IJ'IJ'IJ'LI'
um m mm an1 mm mm
Mwso‘M 5mm M Mlhzlhsl Inslhslm ho mlh2|m Mlhsl In W m Ibzlna balmlbalw
_ 5?. by my <21 iw="" m="" txem="" _="" mmmw="" -\="" neareubvsw="" setbvnw="" ,="" u="" mar="" an1="" 0sz="" am="" [wrne="" sf‘ldw="" f="" f="" stnag="" ygemw="" z="" resemvnw="" aflware="" dflw="" are="" wan;="" \="" aflwme="" waws="" unhl="" vmesdyfhn="" txe:1and\vntes="" tx="" qpldr="" m="" m="" epldr="" and="" wwes="" xrs="" m="" spldr="" sahara="" wens="" unul="" txe:1="" omwe="" waits="" unm="" st:n="">21>
Emma mm CPOL:
scx
M50 MCSI um
RXNE «4g
Rx smer
u’wad SPLDRw
CPHP:V RXONLV:1
mm ‘ : mm mm 2 : m2
bum n2 n3 mus b9 Wham n2 n3 mus n6 mun
mm 3 : uan
ha m
1 us m
smhym. deavedbysw
um um
‘nflwme wzms nmll
NE:\ and was 0wa
an EFLDR
0mm» wnl umll
NEH ma leads DxAZ
m s m 70::
"ware wmm mm
NE:\ and veal]: 0x43
wsPLDR
Examme wan CPOL:1.CPHA I
SCK I I I
. pm 1 : um am 2 , an2 am a : um
Mus‘tuuv m m|n2|ba MM” m m mlmlualml m ml 4mm us be m
TXE nag
TX mmer EIXFV DIFZ UXFS
mm sworn ‘
nag j I / ._
/ 1
ONWZUS WHIeS UXF‘ onwme WDI‘S unm TXE:I unwuve WDliS Hllm TXEZI DWI/Ne Wm‘fi SDVW/flfe \‘VGHS \m‘l“
MO KPLDR m l’3 ‘0“ ‘0 “mm UXFZ mm m W. “‘9 m \vmes HXF 1 mm TX EHV l]
QF‘LDR mo SPLDR




J'IJ'IJ'IJ'IJ'IJ'IJ'LHJ'IJ'IJ'IJ'IJ'IJ'IJ'IJ'
K_U'|_|'|_|'|_|'|_|'|_|'|_|'|fl
||||||| ||||||| |||||||
T
\
{
I
/ w/n
Q























