
TMC5072 DATASHEET (Rev. 1.21 / 2016-APR-22) 106
www.trinamic.com
29 Table of Figures
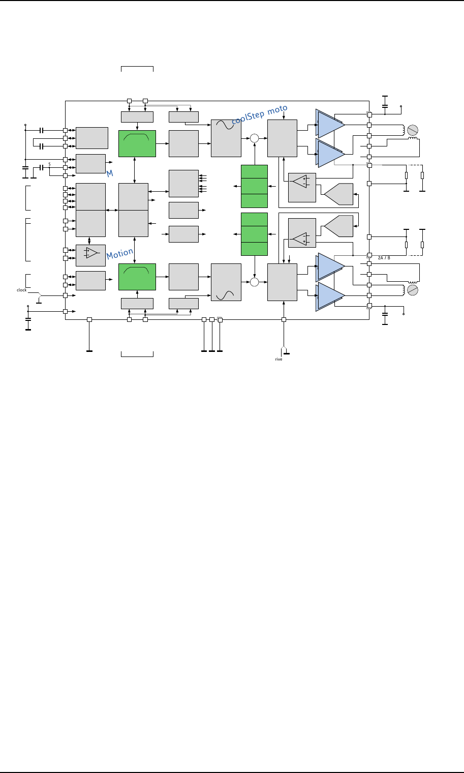
Figure 1.1 Basic application and block diagram .......................................................................................................... 5
Figure 1.2 Energy efficiency with coolStep (example) ............................................................................................... 8
Figure 2.1 TMC5072 pin assignments. ............................................................................................................................. 9
Figure 3.1 Standard application circuit ......................................................................................................................... 12
Figure 3.2 5V only operation ........................................................................................................................................... 13
Figure 3.3 Driving a single motor with high current............................................................................................... 14
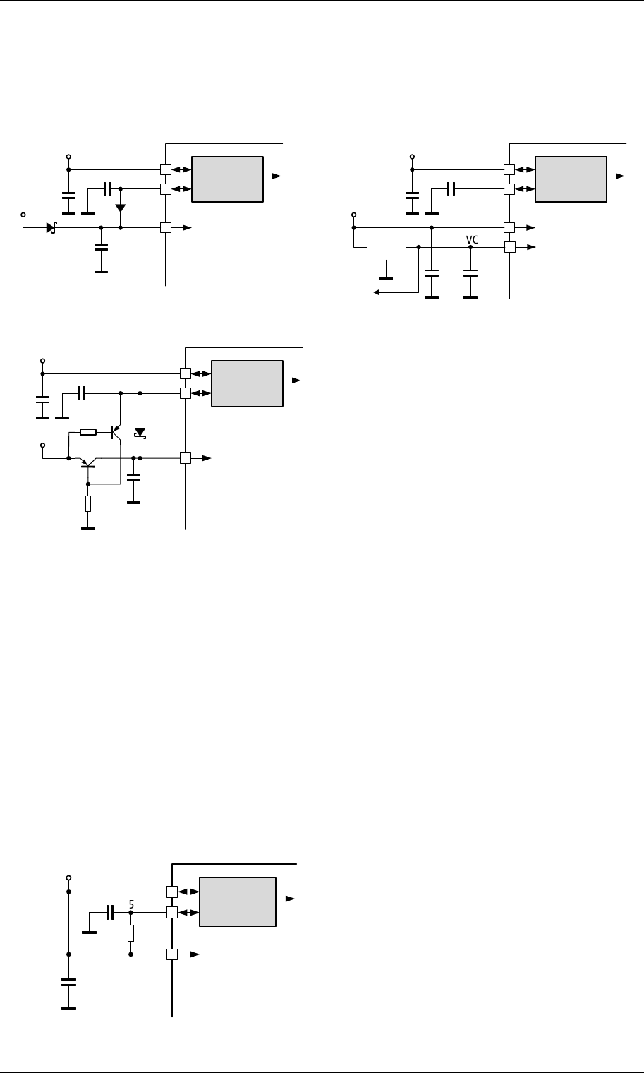
Figure 3.4 Using an external 5V supply for digital circuitry of driver (different options) ............................. 15
Figure 3.5 Using an external 5V supply to bypass internal regulator ................................................................ 15
Figure 3.6 RC-Filter on VCC for reduced ripple .......................................................................................................... 16
Figure 3.7 Simple ESD enhancement and more elaborate motor output protection .................................... 17
Figure 4.1 SPI timing ......................................................................................................................................................... 20
Figure 5.1 Addressing multiple TMC5072 via single wire interface using chaining ....................................... 24
Figure 5.2 Addressing multiple TMC5072 via differential interface, additional filtering for NEXTADDR ... 25
Figure 5.3 Ring Mode Example ....................................................................................................................................... 26
Figure 8.1 Motor coil sine wave current with stealthChop (measured with current probe) ....................... 49
Figure 8.2 Scope shot: good setting for PWM_GRAD............................................................................................... 50
Figure 8.3 Scope shot: too small setting for PWM_GRAD ...................................................................................... 50
Figure 8.4 Good and too small setting for PWM_GRAD .......................................................................................... 51
Figure 9.1 Chopper phases .............................................................................................................................................. 57
Figure 9.2 No ledges in current wave with sufficient hysteresis (magenta: current A, yellow & blue:
sense resistor voltages A and B) ................................................................................................................................... 59
Figure 9.3 spreadCycle chopper scheme showing coil current during a chopper cycle ............................... 60
Figure 9.4 Classic const. off time chopper with offset showing coil current................................................... 61
Figure 9.5 Zero crossing with classic chopper and correction using sine wave offset................................. 61
Figure 11.1 Ramp generator velocity trace showing consequent move in negative direction................... 65
Figure 11.2 Illustration of optimized motor torque usage with TMC5072 ramp generator ......................... 66
Figure 11.3 Ramp generator velocity dependent motor control .......................................................................... 67
Figure 11.4 Using reference switches (example) ....................................................................................................... 68
Figure 12.1 Function principle of stallGuard2 ............................................................................................................ 70
Figure 12.2 Example: Optimum SGT setting and stallGuard2 reading with an example motor ................. 72
Figure 13.1 coolStep adapts motor current to the load ......................................................................................... 75
Figure 14.1 dcStep extended application operation area ....................................................................................... 77
Figure 14.2 Velocity profile with impact by overload situation ........................................................................... 78
Figure 15.1 LUT programming example ....................................................................................................................... 80
Figure 16.1 STEP and DIR timing, Input pin filter .................................................................................................... 82
Figure 16.2 microPlyer microstep interpolation with rising STEP frequency .................................................... 84
Figure 17.1 Outline of ABN signals of an incremental encoder ........................................................................... 85
Figure 18.1 Current setting and first steps with stealthChop ............................................................................... 88
Figure 18.2 Tuning stealthChop and spreadCycle ..................................................................................................... 89
Figure 18.3 Moving the motor using the motion controller ................................................................................. 90
Figure 18.4 Enabling coolStep (only in combination with spreadCycle) ............................................................ 91
Figure 18.5 Setting up dcStep ......................................................................................................................................... 92
Figure 24.1 Layout example ........................................................................................................................................... 103
Figure 25.1 Dimensional drawings .............................................................................................................................. 104