Fiche technique pour BQ24001,2,3 de Texas Instruments
*9 TEXAS
INSTRUMENTS
SINGLE-CELL Li-ION
AND
*9 TEXAS
INSTRUMENTS
Am
740‘5 to (ZSCC
Operamg Juncmn temperature range TJ
*5 TEXAS
INSTRUM ENTS
Standby current {sum of currems mlo OUT
VOLTAGE REGULATION, 0“C 5 TJ
‘0 : 1,2 A, VouT+VDo meMAX
*9 TEXAS
INSTRUMENTS
*5 TEXAS
INSTRUM ENTS
c g T J
vac VSENSE
\SNS AGND
N/C N/C
APG/THERM STAT1
EN TMR SEL
VSEL CR
GND/HEATS‘NK N/C
if} TEXAS
INSTRUMENTS
o C «W E C a,
U WW wwwwwww 3 U
W W
U W W U
W W
U W W U
W W
U W W U
W
U Wr “““““ W U
L r 3 3 3
WOW W9W WSW W W W W
0 Q a a C ‘
U WW wwwwwww 3 U
W W
U W W U
W W
U W W U
W W
U W W U
W
U Wr “““““ W U
L r 3 3 3
*5 TEXAS
INSTRUMENTS
1777 if if if if 7 if if 7771
1 1
q o
1 1
1 1
1 .
TaperDel
1 _JI
l 4%
ISNS <1 vilim="" vcc="" 9*="" 1i="" 1="" a="" 1="" uvs="" 1="" chargeok="" g="" 1="" 1="" l7="" precharge="" 1="" 1="" vuvlo="">1><7 lowv="" 1="" g="" +="" i,="" 1="" 1="" 4%="" chipen="" li="" *="" 1="" 1="" _="" 1="" 1="" 1="" en="" 1="" 1="" h:="" vreg="" 4.2="" ween="" bias="" and="" j;="" 1="" 1="" l:="" vreg="4.1" v/cell="" rel="" 1="" vsel="" 9="" generator="" 1="" 1="" r9="" i="" as="" 1="" 1="" power="" on="" vre.="" vum="" —="" 1="" 1="" t="" t="" delay="" jt+="" 1="" 1="" l="" 1="" apg/="">7><5 r="" *="" c="" flt="" 1="" therm="" 1="" hi="" }="" 1="" 1="" 1="" 1="" 1="" 1="" 1="" 1="" 7.="" 1="" 1="" 1="" 1="" thermal="" uvs="" r="" ,,,,,="" 1="" 1="" 1="" shutdown="" 1="" vcc="" 1="" 1="" l="" 1="" h="" ‘="" ‘="" 1="" 1="" 1="" 1="" ta="" erdei="" _="" }—10="" sun="" 1="" p="" pwrdwn="" 1="" 1="" 1="" l="" 51="" ‘="" l="" 1="" pwrdwn="" use="" 1="" f="" 1="" 1="" 1="" 1="" vcc="" 1="" 1="" 1="" charge="" control,chargetimer="" 1="" 1="" 1="" tmr="" sel="">5><9 and="" 1="" 13="" 1="" 1="" 1="" display="" logic="" 1="" 1="" h="" sum="" 1="" res="" 1="" 1="" 1="" 1="" el="" 1="" 1="">9>
if} TEXAS
v0 — ompu1VoI1age — v
INSTRUMENTS
4.24 1 4.24 ‘
VIN = 5 V V." : 5 v
4.22 , TA = 25°C 4.22
VSEL = Vcc
4.20 4.20
> >
' 4.13 ‘ 4.13
3 3
g E
>9 4.16 >5 4.16
s
3. 4.14 g 4.14
= =
O O
' 4.12 ‘ 4.12
O O
> VSEL = Vss >
4.10 4.10
4.03 4.00
4.05 4.06
0 200 400 500 300 1000 1200 _50 0 50 100 15
1° — 0u1pu1 Currenl — mA TJ — Juncfion Temperalure — °c
Figure 1 Figure 2
4.24 103
|o=|00mA Io:1DflmA
4.22 , TA = 25°C TA = 2510
VSEL = Vcc 102
4.20
>
E
4.13 ; 101
a /
4.16 i /
Z 100
4.14 m
5 /
4.12 g 99
4.10 8
03
4.03
4.06 97
5 6 7 a 9 10 5 6 7 a 9 10
v. — Input Voltage » v v. — Inpul Voltage » v
Figure 3 Figure 4
*4" TEXAS
INSTRUMENTS
103 0.5
IQ = 100 mA
TA = 250
102 0.4
>
E / < i="" v="" :="" 10="" v="" e="" a="" cc="" .="" 3="" 101="" e="" 0.3="" —o="" 2=""> ._
i / a
:7! 100 E 0.2
v : 5 v m
E C“ 5
a / O
99 0.1
93 0.0
—50 0 50 ID!) 150 5 s 7 a 9 10
TJ — Junmion Temperaiure » °c vl » Inpul Voltage — v
Figure 5 Figure 6
600
30 _ a
u = 250 TA ' 25 C
25 500
( >
T 20 1'; 400
E 3
§ / g m \'\\
u 15 >°
.- \
'0 / o 200
.2 10 a i
=
O
i
5 ID!) ‘
0 ° ‘
5 6 7 8 9 10 4.5 5.5 6.5 7.5 8.5 9.5
VI _ mp“. Vokage _ v v. — Input Voltage » v
Figure 7 Figure 8
if} TEXAS
INSTRUMENTS
Dropout Voltage - mV
In — Reverse Current — “A
500 r 300
TA : 25%:
500 700
500
400 E
.
vcc : 5 v 3 500
m
300 =
g
/ 5 400
a
200 § /
vcc = 10 v a 300
100 200
/
0 100
o 200 400 600 300 1000 1200 —50 0 50 100 IE
lo — ompui Currenr — mA TJ — Junction Temperature — cc
Figure 9 Figure 10
6 4.0
v0.” = 4.3 v
3.5
5 4
1
‘ 3.0
S
4 2
g 2.5
.r
E
3 g 2.0
=
U
/ 3 1.5
2 E /
g 1.0 /
.
1 E
0.5
o 0.0
—50 0 50 100 150 5 6 7 a 3 10
1,. - Junction Temperature — cc
Figure 11
VD — Voltage on om Fin - v
Figure 12
*5 TEXAS
INSTRUMENTS
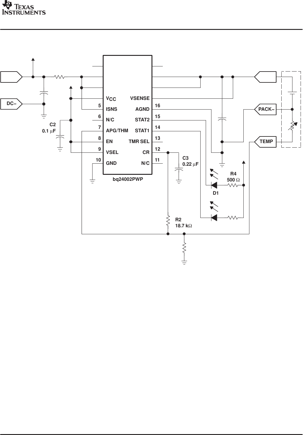
F771
_I ‘ 1
\
\ :7}
vcc VSENSE \ ‘
DC" 5 1s \
ISNS AGND PACK» ‘ 1
T is N/c STAT2 ‘5 ‘ \
c2 7 ‘ gm
0.1 “F APG/THM STAT1 1 ‘
3 EN TMRSEL TEMP ‘ 1
“H
VSEL CR
GND N/C
bq24002PWP
18.7 kn
if} TEXAS
INSTRUMENTS
*5 TEXAS
INSTRUM ENTS
*9 TEXAS
INSTRUMENTS
‘“‘°°“‘°“"‘““
vcc VSENSE
ISNS AGND
N/C STAT2 i
APG/THM STA“
EN TMR SEL
VSEL CR
GND N/C
‘ W
bq24002PWP
< pack»="">
*5 TEXAS
INSTRUM ENTS
Figure 17. Temperature Threshold
where VApG
Figure 18. AP
*9 TEXAS
INSTRUMENTS
where IREG
f
‘9 TEXAS
INSTRUM ENTS
*9 TEXAS
INSTRUMENTS
E
*5 TEXAS
INSTRUM ENTS
Nalulal Con
50 film
////
X
250 fl/min
/ ////
// ///
//
if} TEXAS
INSTRUMENTS
son fl/min
‘50 m :00 "min
150 fl/min 7
/muual Convection
Nalural Conveclion
anon/min ’—
/ Natural Convemion
I TEXAS
INSTRUMENTS
TEXAS
INSTRUMENTS
I TEXAS
INSTRUMENTS
‘3‘
V.'
I TEXAS
INSTRUMENTS
T
I
I -
is w 17L ¢
CCEE
w im " fl
2 \M‘“ ‘ ‘14!“ ‘ ‘m‘
”J U W H
W im , H
L 33333
+HJ W J
HIT
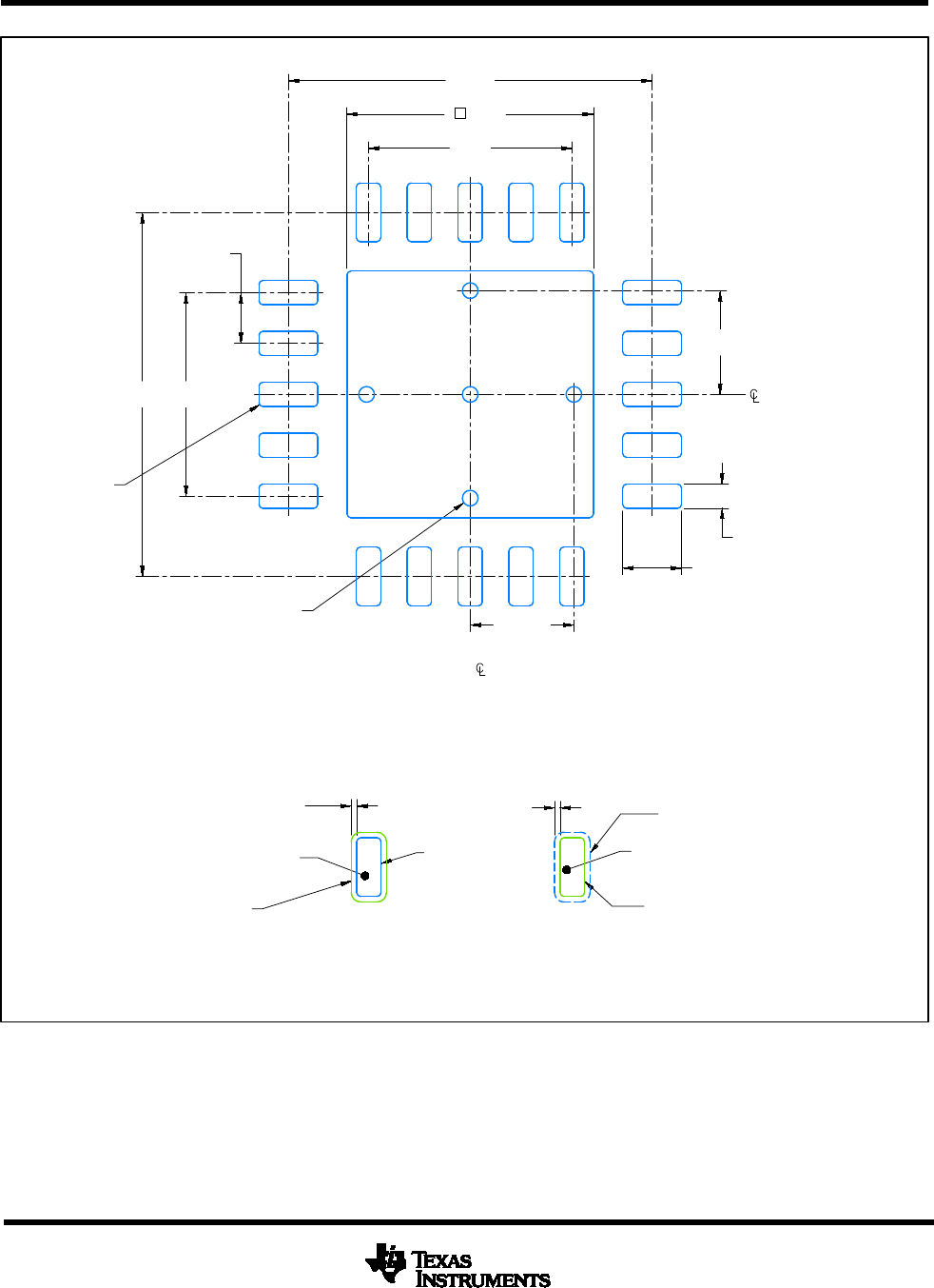
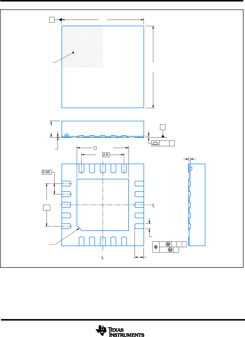
MECHANICAL DATA
M 1“ AST‘C WAN OUT N’
NOTES,
com»
AH Hnec' d'vnensmrs c'e m m'hmekers
Tm drawer ‘5 subje», ,0 change wnrau: name,
Body dimensmns do nut mm mm flcsh m aroms‘ms Mam am an: Drotrns'an she“ no: exceed ms pe' side
”‘3 pomagc \s CCS‘QHCd to be SO‘GL‘YQG to a “WWW pad on the boom Refer k) cchmm‘ HHcf, ’owc'Pad
Tr'eurtu Erhuncec Fucmge‘ Texts \nst'mreuts Utemlue No S VAUOZ my Wow-um)" veguvcmg
vecovrmenced buuvd \uyuLl Th5 duumen: Es uvu ub‘e u: wwwL r <‘vttu www="" uto'vv="">
See me accmonm hqure 'v the Jmmfl Dam Swee! ‘nr cams reqmdwg Me exaosed Mer'mfl pad features and mmensmns
Fc‘s wwtmr JEDEC M0 153
PawevPAD is a trademalk 0! Texas \nurumems.
{I} TEXAS
INSTRUMENTS
www.ti.com
‘vttu>
LAND PATTERN DATA
PWP (R—PDSO—GZO) PowerPADW PLASTlC SMALL OUTLINE
Example Board Layout Stencil Openln s_
Via pattern and copper pad size Based on a slencl‘t Ickness
may vary dependlng on layout constraints 0' -tZ7mm (-005Inch)-
Reference table below tor other
l“”“5'“ae‘°we’ W“ W'” solder stencil thicknesses
enhance t rmal performance
(See Note D)
,3 4>T l—il8x0,65 20x0.25—— ‘—
-—HHTHHHHTH
5.6 2,4 3.4 (See Note E) Y 2.4
_l x l
3.7
Solder: Mask Example Solder Mask _—|:| H :| H H H H [ H H
as upper -
<52:"l2tepé‘,dal l8x0.65»l="" l6="" 1/="" example="" i="" non="" saldermask="" defined="" pad="" '="" ‘/="" \‘\.="" example="" solder="" mask="" opening="" (see="" nme="" f)="" center="" power="" pud="" solder="" stencil="" opening="" stencil="" thickness="" x="" y="" 0.1mm="" 3.9="" 2.7="" 0.127rnrn="" 3.7="" 2.4="" pad="" geometry="" 0.152mm="" 3.5="" 2.2="" o="" 07="" 0.178mm="" 3.3="" 2.1="" 4207609s8/w="" 09/15="" notes:="" all="" llnear="" dimensions="" are="" ln="" millimeters="" thls="" drawing="" is="" subject="" to="" change="" without="" notice.="" customers="" should="" place="" a="" note="" on="" the="" circuit="" board="" raan'calian="" drawing="" not="" ta="" alter="" the="" center="" solder="" musk="" defined="" pad.="" this="" package="" is="" deslgned="" to="" be="" soldered="" to="" a="" lnennal="" pad="" on="" the="" baard,="" reler="" to="" technical="" brier,="" powerpod="" thermally="" enhanced="" package.="" texas="" instruments="" literature="" no.="" slmaooz,="" slmaom,="" and="" also="" the="" product="" data="" sheets="" (or="" specific="" thermal="" information.="" via="" requirements.="" and="" recommended="" board="" layout.="" these="" documents="" are="" available="" at="" wwwtieam="">52:"l2tepé‘,dal>


