Accéléromètre triaxial numérique KXTJ3-1057
ROHM Semiconductor présente l'accéléromètre triaxial numérique KXTJ3-1057 pour les applications basse consommation
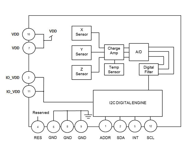
Le KXTJ3-1057 de ROHM Semiconductor est un accéléromètre triaxial silicium micro-usiné de ±2 g, ±4 g, ±8 g ou ±16 g. L'élément de détection est fabriqué selon la technologie de micro-usinage plasma propriétaire de Kionix. La détection d'accélération est basée sur le principe d'une capacité différentielle découlant du mouvement induit par l'accélération de l'élément de détection, qui utilise ensuite l'annulation de mode commun pour réduire les erreurs causées par la variation de processus, la température et le stress environnemental. L'élément de détection est hermétiquement scellé au niveau plaquette en reliant une deuxième plaquette de couvercle silicium au dispositif avec un joint organique. Un dispositif ASIC distinct, disponible avec l'élément de détection, permet la mise en forme des signaux et les communications numériques.
L'accéléromètre est fourni dans un boîtier LGA en plastique de 2 mm x 2 mm x 0,9 mm fonctionnant à partir d'une alimentation de 1,71 VCC à 3,6 VCC. Des régulateurs de tension sont utilisés pour maintenir des tensions de fonctionnement internes constantes sur la plage de tensions d'alimentation d'entrée. Cela résulte en des caractéristiques de fonctionnement stables sur la plage de tensions d'alimentation d'entrée et en une erreur ratiométrique presque indétectable. Le protocole numérique I2C est utilisé pour communiquer avec la puce pour configurer le composant et surveiller les sorties.
Proposition de valeur :
- Idéal pour les applications portables et fonctionnant sur batterie dans lesquelles les coûts, la consommation énergétique et la taille sont critiques
| Fonctionnalités et avantages | Applications | |
|
|
|
|
|
KXTJ3-1057 Digital Tri-Axis Accelerometer
| Image | Référence fabricant | Description | Plage d'accélération | Sensibilité (LSB/g) | Sensibilité (mV/g) | Quantité disponible | Prix | Afficher les détails | |
|---|---|---|---|---|---|---|---|---|---|
![]() | ![]() | KXTJ3-1057 | ACCELEROMETER 2-16G I2C 12LGA | ±2g, 4g, 8g, 16g | 1024 (±2g) ~ 128 (±16g) | - | 8505 - Immédiatement | $1.67 | Afficher les détails |



