Carbure de silicium pour la charge rapide des véhicules électriques
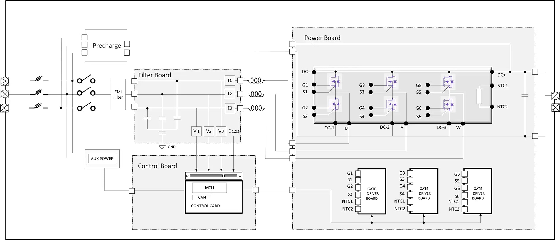
Les stations de charge rapide en courant continu permettent de recharger les véhicules électriques (VE) en 30 minutes seulement, en contournant le chargeur embarqué (OBC) pour une charge rapide et directe de la batterie.
En remplaçant les composants traditionnels en silicium par des mises à niveau en carbure de silicium de Wolfspeed, les conceptions de chargeurs rapides en courant continu permettent de réaliser des gains significatifs en termes de rendement, de densité de puissance et de fiabilité du système. Ces chargeurs rapides sont généralement construits avec des groupes empilés de blocs de conversion de puissance, de 20 kW à 60 kW chacun.
 
                 
                 
                 
 
 
 
 Paramètres
        Paramètres
     Livraison rapide
                                    Livraison rapide
                                 Livraison gratuite
                                    Livraison gratuite
                                 Incoterms
                                    Incoterms
                                 Types de paiement
                                    Types de paiement
                                





 Produit marketplace
                                    Produit marketplace
                                 
  
  
  
  
  
  
  
                     
                                 
                                 
                                 
                         
                                 
                                 
                                 
                                 
                                 
                                 
                                 Suisse
Suisse