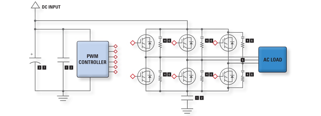
Onduleur à pont en H
Présentation de l'application
Cette topologie d'onduleur est principalement utilisée dans les circuits de variateur moteur.
Les commandes sont généralement livrées en Suisse sous 48 heures, selon le lieu de livraison.
Livraison gratuite vers la Suisse pour les commandes de 54 CHF ou plus. Des frais de livraison de 20 CHF seront facturés pour toute commande inférieure à 54 CHF.
UPS, FedEx ou DHL, frais de transport prépayés : DDP (droits et douanes payés par DigiKey)
Compte de crédit pour les institutions et les entreprises qualifiées
Paiement à l'avance par virement bancaire
![]()
![]()
![]()
![]()


Plus de produits de partenaires agréés
Délai moyen de livraison de 1-3 jours, des frais d'expédition supplémentaires peuvent s'appliquer. Veuillez consulter la page produit, le panier ou la commande pour plus d'informations sur le statut d'expédition.
Incoterms : CPT (droits, douanes et TVA/taxes applicables exigibles à la livraison)
Pour plus d'informations, consultez la page Aide et support
Cette topologie d'onduleur est principalement utilisée dans les circuits de variateur moteur.
Co-Browse
En utilisant la fonction Co-Browse, vous acceptez de permettre à un représentant du support de DigiKey de visualiser votre navigateur à distance. Lorsque la fenêtre Co-Browse s'ouvre, donnez au représentant l'ID de session qui se trouve dans la barre d'outils.
DigiKey respecte votre droit à la vie privée. Pour plus d'informations, veuillez consulter notre Avis de confidentialité et notre Avis relatif aux cookies.
Oui, continuer avec Co-BrowseObtenez des réponses rapides et précises des techniciens et ingénieurs expérimentés de DigiKey sur notre TechForum.
Consultez la section Aide et support de notre site Web pour trouver des informations sur le processus de commande, l'expédition, la livraison et plus encore.
Les utilisateurs enregistrés peuvent suivre leurs commandes via la liste déroulante de leur compte, ou cliquer ici. *La mise à jour du statut de commande peut prendre 12 heures après la commande initiale.
Les utilisateurs peuvent lancer la procédure de retour via notre page dédiée aux retours.
Les utilisateurs enregistrés peuvent générer des devis dans myLists.
Visitez la page d'enregistrement et entrez les informations requises. Vous recevrez une confirmation par e-mail lorsque votre enregistrement sera terminé.
Les commandes sont généralement livrées en Suisse sous 48 heures, selon le lieu de livraison.
Livraison gratuite vers la Suisse pour les commandes de 54 CHF ou plus. Des frais de livraison de 20 CHF seront facturés pour toute commande inférieure à 54 CHF.
UPS, FedEx ou DHL, frais de transport prépayés : DDP (droits et douanes payés par DigiKey)
Compte de crédit pour les institutions et les entreprises qualifiées
Paiement à l'avance par virement bancaire
![]()
![]()
![]()
![]()


Plus de produits de partenaires agréés
Délai moyen de livraison de 1-3 jours, des frais d'expédition supplémentaires peuvent s'appliquer. Veuillez consulter la page produit, le panier ou la commande pour plus d'informations sur le statut d'expédition.
Incoterms : CPT (droits, douanes et TVA/taxes applicables exigibles à la livraison)
Pour plus d'informations, consultez la page Aide et support
Merci.
Gardez un œil sur votre boîte de réception pour être informé des dernières nouvelles et mises à jour de DigiKey !
Veuillez entrer une adresse e-mail






