Using RS-485 and Current Loop Interfaces for Robust Industrial Connectivity
Contributed By DigiKey's North American Editors
2018-05-30
While Bluetooth, Ethernet, and other connectivity options are widely available and support high data rates, designers of industrial applications still need assurance that they have the most reliable connection at the lowest possible cost. They must also work within the confines of the installed base of connectivity options.
For these and other reasons, the legacy 4 - 20 mA current loop and RS-485 interfaces are still widely used, continue to improve, and are being designed into new installations. These two formats have more than a substantial base. When used in appropriate situations, they solve the interface problem effectively and with minimal headache.
The virtues of current loop and RS-485 include simplicity of design-in, set-up, and troubleshooting. Further, the current loop and RS-485 only define the lowest, physical interface layers of the seven layer network model, with neither standard defining a specific handshaking protocol or data format. As a result, users can choose to employ them with as little or as much complexity as they need for an effective solution to their specific transducer interface issue, with minimum system burden.
To allow designers to take advantage of the characteristics of 4 - 20 mA current loop and RS-485 transducer interface formats, IC vendors have worked to extend the reach and versatility of these legacy interfaces. They are also adding functions, features, and capabilities which simplify their use, enhance their performance, and increase their reliability.
This article will review the basics of RS-485 and 4 - 20 mA current loop transducer interface formats. It will then introduce interface solutions, explain their enhanced features and performance characteristics and how they can be used to address real-world designs.
Review of interface basics
The 4 - 20 mA current loop and RS-485 are very different approaches to interfacing, though both are used extensively in industrial supervisory control and data acquisition systems (SCADA). They provide the electrical connection for transducers which report on physical factors such as temperature, switch position, and motor conditions, or which direct actions such as adjusting a valve setting and motor speed.
The 4 - 20 mA analog current loop (also called a 20 mA loop or 0 - 20 mA loop) is a very old standard, dating to the earliest days of using electrical circuitry as a replacement for pneumatic signals. Its principle is very straightforward: a current of 4 mA represents “no signal” while 20 mA is a full-scale signal (Figure 1). The signal is a conditioned and scaled reading from a thermocouple, for example, or one directing the opening/closing action of a valve.
Figure 1: The principle of the 4 - 20 mA current loop is basic: an analog current represents the signal from the sensor, with 4 mA as zero output and 20 mA as full-scale output; it can also be used to drive a transducer. (Image source: National Instruments)
The current loop, as its name indicates, is not a bus-like standard; instead, each transducer has its own loop. Since current loops are low impedance circuits (unlike voltage interconnections), the loop is relatively insensitive to pickup of interfering noise and EMI/RFI, both of which are common in industrial settings.
Although using one loop per transducer is costly in terms of physical wires, it also means that each transducer interface is independent of the others; therefore, a problem such as a short or open circuit with any given loop will have no effect on the other loops, and thus it offers a high level of confidence. Further, the system can easily detect a loop-wire break, since the current drops to 0 mA, while the lowest valid transducer signal is 4 mA.
Finally, it is possible to use the loop current itself to power the transducer and its interface, using just the 4 mA of current that the loop does not use for its signal range. This yields a very low-cost system implementation since there is no need for a separate loop power source for each transducer.
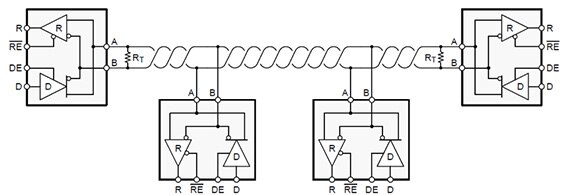
In contrast, the RS-485 voltage interface standard (now formally called TIA/EIA-485A) allows multiple transceivers on a single bus (Figure 2). It’s typically used with up to 30 transceivers but can be used with many more. It is a multidrop superset of the legendary RS-232 and associated RS-422 and RS-423 standards, and can be set up for half-duplex or full-duplex operation. The interconnection cabling uses low-cost differential (balanced) twisted pair wiring to minimize noise pickup, with one pair for half-duplex and two pairs for full-duplex operation.
Figure 2: The RS-485 standard supports multiple transceivers on a multidrop bus, using two wires for half-duplex and four wires for full-duplex operation. (Image source: Texas Instruments)
All receivers can be listening at the same time, but only one RS-485 transmitter can be active at a given time. The others are in a “tri-state” mode and appear as a high impedance and are thus “invisible” to the bus. To eliminate line reflections, each cable end is terminated with a resistor of a value which matches the characteristic impedance of the cable. This parallel termination method allows for higher data rates over longer length cables.
To accommodate the multiple potential transmitters, the system must implement an arrangement to ensure there are no data collisions, using either sequential polling or via a request for control. While this may limit throughput, that is generally not a major issue since the overall data load for such a system is relatively moderate. It can support raw data rates to several megabits per second (Mbps) and 4,000 feet (although not at the same time, as there is a speed vs. distance tradeoff), and is efficient in its use of wiring since a single pair of wires is all that is needed to connect all users.
Enhancing the current loop and RS-485
Despite the long history and apparent maturity of both the current loop and the RS-485 interfaces, and the long list of components which support them, they are being used both for new designs as well as for upgrading existing installations. New design wins are occurring in instances where their simplicity of use, flexibility in format/protocol, cost-effectiveness, and low power make sense.
As a result, ICs are now available which add additional functions and features to extend their use and meet the demands of today’s installations. Among these are lower power operation, improved ESD protection, higher speeds, and even galvanic (ohmic) isolation.
Lower power operation: Low-power operation is needed to meet system goals of improved efficiency, of course, but it also reduces component thermal load and cooling needs, and thus enhances overall reliability.
To meet these needs, look at the MAX12900AATJ+ from Maxim Integrated. This is an ultra-low-power, highly integrated 4 - 20 mA sensor transmitter with the primary function of converting pulse width modulated (PWM) data from a transducer’s microcontroller into current spanning 4 - 20 mA. For complete and flexible signal conditioning, it incorporates ten functions including PWM inputs, two low-drift general purpose op amps, one zero-offset low-drift operational amplifier, two comparators, a power-up sequencer, a low-drift voltage reference, and a wide input supply voltage LDO.
Despite all these functions, the MAX12900AATJ+ requires less than 200 microamps (µA) of supply current so it can easily be powered by the “unused” 4 mA of loop current. Being an industrial-focused component, designers should take advantage of its important diagnostic features such as supply rail monitoring, output current readback, and open circuit and failure detection. It’s also tiny, measuring 5 mm × 5 mm in a 32-pin TQFN package, allowing it to be mounted with the transducer.
While the 4 - 20 mA loop is simple in its basic operation, the MAX12900AATJ+ is not a simple IC; perhaps for this reason, the data sheet has over 90 static and dynamic performance graphs, scope photos, operating characteristics, and application design-in schematics. The IC is stable over temperature and supply compliance voltage, both important characteristics in industrial settings (Figure 3).
Figure 3: One of the characteristic features of the Maxim MAX12900AATJ+ current loop transmitter is its stability with regard to supply current versus temperature (left) and supply current versus supply voltage (right). (Image source: Maxim Integrated)
Another low-power device is the SN65HVD37 RS-485 full-duplex driver/receiver from Texas Instruments. This IC operates from a 3.3 volt supply and features a low current standby mode, requiring under 1 μA (typical) and operational quiescent current below 1 mA. One of the concerns with low-voltage operation of transceiver ICs is their low noise margin and noise immunity, but the SN65HVD37 combines a robust differential driver with a receiver which has high noise immunity of 60 millivolts (Figure 4).
Figure 4: The SN65HVD37 RS-485 full-duplex driver/receiver from Texas Instruments operates from a low voltage rail but features enhanced noise immunity, a consideration in industrial systems. (Image source: Texas Instruments)
The glitch-free power-up and power-down design provides protection for hot-plug applications, an increasingly important repair consideration when there are many other active units on the common bus and their shutdown would be a major headache. It is also designed for “fail safe” receiver operation against invalid bus states.
These may be caused by open bus conditions such as a disconnected connector; shorted bus conditions such as cable damage shorting the twisted-pair together; or idle bus conditions that occur when no driver on the bus is actively driving. In these cases, the differential receiver output is guaranteed to be a logic high state, ensuring the output of the receiver is not in an indeterminate state.
ESD and transient protection: While all 4 - 20 mA and RS-485 ICs incorporate some degree of protection, the tighter process geometry of tiny, high functionality ICs means designers using them are increasingly concerned about ESD/transient induced failures, so vendors are adding additional internal protection structures.
For example, the Maxim Integrated MAX22502E is a 100 Mbit/s, full-duplex RS-485/RS-422 transceiver for long cables. It achieves this speed by including user-settable pre-emphasis of the transmitted waveform which compensates for line induced distortion, and so reduces intersymbol interference (ISI) and the associated bit error rate (BER) (Figure 5). All this comes in a 3 × 3 mm package.
Figure 5: The Maxim Integrated MAX22502E RS-485 transceiver includes pre-emphasis at the driver to minimize ISI due to long cables, thus ensuring low BER. (Image source: Maxim Integrated)
However, its applicability to long lines also means that it is very likely to be the “victim” of ESD and transients. To overcome this, the MAX22502E integrates additional ESD protection beyond the 3 to 5 kilovolt levels that are standard for such ICs. This protection increases robustness, beginning with a basic -15 volt to +15 volt common-mode range, plus driver outputs that are protected against short circuits. It then adds adherence to various enhanced ESD standards including ±15 kilovolt ESD protection (Human Body Model, HBM); ±7 kilovolts IEC61000-4-2 air gap ESD protection; and ±6 kilovolts IEC61000-4-2 contact discharge ESD protection.
For RS-485 applications, Texas Instruments offers the THVD1500 low-power, 3.3 volt full-duplex driver/receiver, targeting electricity meters, inverters, HVAC systems, and video surveillance systems. The device operates from a single 5 volt supply, yet has wide common-mode voltage range and low input leakage on bus pins making it suitable for multi-point applications over longer cable runs.
While it is a low-speed device (256 Kbits/s maximum), its low unit load on the bus allows connection of up to 256 transceivers for a large network. It offers extensive protection to ±16 kilovolts HBM ESD; ±8 kilovolts IEC 61000-4-2 contact discharge; ±10 kilovolts IEC 61000-4-2 air gap discharge; and ±2 kilovolts IEC 61000-4-4 fast transient burst.
While RS-285 transceivers such as the THVD1500 operate at relatively low data rates, the combination of the bit rate, cable length, and harsh industrial environment means that design layout and choice of associated components are critical factors to successful application (Figure 6). Effective use requires particular attention to printed circuit board (pc board) layout, the use of discrete transient protection devices (in addition to its substantial internal protection), and low inductance ground planes. In addition, it’s wise to direct the flow of transient induced currents, use bypass capacitors close to the IC, and use additional pull-up and pull-down resistors to limit noise currents (Figure 6).
Figure 6: When using the THVD1500 in industrial environments, pay close attention to proper pc board layout and include protection circuitry close to the bus connector (1); place bypass capacitors as close as possible to the VCC pins of transceiver (4); use two vias for VCC and ground connections of bypass capacitors and protection devices to minimize effective via inductance (5); and apply pull-up and pull-down resistors to “enable” lines to limit noise currents during transient events (6). (Image source: Texas Instruments)
Galvanic isolation: There are cases where galvanic input/output isolation is needed, meaning there is no ohmic conductive path between input and output, yet the data must get across this isolation barrier. Isolation is needed to protect the system and its users against input faults which may put excessive voltages on a node output. It’s also needed to protect in the reverse case where a fault on the bus side may damage the input transducer. In addition, isolation of the various transducer grounds from each other, eliminates ground loops and the subtle, often frustrating problems they cause.
Perhaps most important, isolation also means that input side node faults, such as short circuits to ground or power rails, will not affect the rest of the bus and its nodes.
A good example of an isolated device is the Analog Devices ADM2795E, an RS-485 transceiver with up to ±42 volts of AC/DC peak bus overvoltage fault protection on its bus pins, plus 5 kilovolts (rms) input to output isolation (Figure 7).
In addition to addressing the various IEC 61000 ESD mandates with comparable or greater ratings than devices which focus primarily on ESD, the ADM2795E also meets: IEC 61000-4-x immunity across isolation barrier; IEC 61000-4-2 ESD, IEC 61000-4-4 EFT, IEC 61000-4-5 surge; and IEC 61000-4-6 conducted RF immunity, IEC 61000-4-3 radiated immunity, and IEC 61000-4-8 magnetic immunity standards, and provides common-mode transient immunity of greater than 75 kV/microsecond (µs).
Figure 7: Multiple Analog Devices ADM2795E transceivers can be used to implement a half-duplex RS-485 communication network where each node is fully isolated and thus will not interfere with the bus despite transducer faults. (Image source: Analog Devices)
The ADM2795E comes in a 16-pin wide SOIC and operates over a wide power supply range of 1.7 volts to 5.5 volts, allowing it to interface to low voltage logic supplies. The internal isolation function requires no design-in effort, and the device is fully compliant with TIA/EIA RS-485/RS-422 requirements.
While galvanically isolated devices might carry additional BOM cost and footprint, and need an isolated power supply, they offer major advantages where transducer side faults cannot be allowed to “bring down” the bus.
Conclusion
Despite their age, the RS-485 interface and 4 - 20 mA current loop are still widely used in industrial settings. Both new and upgraded systems are placing additional performance demands on their interface components with respect to lower power, range, higher ESD immunity, and galvanic isolation. As shown, vendors are responding to address these needs, and in doing so are extending the viability of these legacy interface standards.

Disclaimer: The opinions, beliefs, and viewpoints expressed by the various authors and/or forum participants on this website do not necessarily reflect the opinions, beliefs, and viewpoints of DigiKey or official policies of DigiKey.