SPOC - BTS5672E Datasheet by Infineon Technologies

(imeon Never stop thinking
SPOC - BTS5672E
SPI Power Controller
Data Sheet, Rev. 1.0, Jan. 2008
Automotive Power
@neon
Data Sheet 2 Rev. 1.0, 2008-01-22
SPOC - BTS5672E
Table of Contents
1 Overview . . . . . . . . . . . . . . . . . . . . . . . . . . . . . . . . . . . . . . . . . . . . . . . . . . . . . . . . . . . . . . . . . . . . . . . 3
2 Block Diagram . . . . . . . . . . . . . . . . . . . . . . . . . . . . . . . . . . . . . . . . . . . . . . . . . . . . . . . . . . . . . . . . . . . 5
2.1 Terms . . . . . . . . . . . . . . . . . . . . . . . . . . . . . . . . . . . . . . . . . . . . . . . . . . . . . . . . . . . . . . . . . . . . . . . . . . 6
3 Pin Configuration . . . . . . . . . . . . . . . . . . . . . . . . . . . . . . . . . . . . . . . . . . . . . . . . . . . . . . . . . . . . . . . . 7
3.1 Pin Assignment SPOC - BTS5672E . . . . . . . . . . . . . . . . . . . . . . . . . . . . . . . . . . . . . . . . . . . . . . . . . . . 7
3.2 Pin Definitions and Functions . . . . . . . . . . . . . . . . . . . . . . . . . . . . . . . . . . . . . . . . . . . . . . . . . . . . . . . . 8
4 Electrical Characteristics . . . . . . . . . . . . . . . . . . . . . . . . . . . . . . . . . . . . . . . . . . . . . . . . . . . . . . . . . . 9
4.1 Absolute Maximum Ratings . . . . . . . . . . . . . . . . . . . . . . . . . . . . . . . . . . . . . . . . . . . . . . . . . . . . . . . . . 9
4.2 Thermal Resistance . . . . . . . . . . . . . . . . . . . . . . . . . . . . . . . . . . . . . . . . . . . . . . . . . . . . . . . . . . . . . . 10
5 Power Supply . . . . . . . . . . . . . . . . . . . . . . . . . . . . . . . . . . . . . . . . . . . . . . . . . . . . . . . . . . . . . . . . . . 11
5.1 Power Supply Modes . . . . . . . . . . . . . . . . . . . . . . . . . . . . . . . . . . . . . . . . . . . . . . . . . . . . . . . . . . . . . 11
5.2 Reset . . . . . . . . . . . . . . . . . . . . . . . . . . . . . . . . . . . . . . . . . . . . . . . . . . . . . . . . . . . . . . . . . . . . . . . . . 12
5.3 Electrical Characteristics . . . . . . . . . . . . . . . . . . . . . . . . . . . . . . . . . . . . . . . . . . . . . . . . . . . . . . . . . . 13
5.4 Command Description . . . . . . . . . . . . . . . . . . . . . . . . . . . . . . . . . . . . . . . . . . . . . . . . . . . . . . . . . . . . 14
6 Power Stages . . . . . . . . . . . . . . . . . . . . . . . . . . . . . . . . . . . . . . . . . . . . . . . . . . . . . . . . . . . . . . . . . . 15
6.1 Output ON-State Resistance . . . . . . . . . . . . . . . . . . . . . . . . . . . . . . . . . . . . . . . . . . . . . . . . . . . . . . . 15
6.2 Input Circuit . . . . . . . . . . . . . . . . . . . . . . . . . . . . . . . . . . . . . . . . . . . . . . . . . . . . . . . . . . . . . . . . . . . . . 15
6.3 Power Stage Output . . . . . . . . . . . . . . . . . . . . . . . . . . . . . . . . . . . . . . . . . . . . . . . . . . . . . . . . . . . . . . 16
6.4 Electrical Characteristics . . . . . . . . . . . . . . . . . . . . . . . . . . . . . . . . . . . . . . . . . . . . . . . . . . . . . . . . . . 18
6.5 Command Description . . . . . . . . . . . . . . . . . . . . . . . . . . . . . . . . . . . . . . . . . . . . . . . . . . . . . . . . . . . . 21
7 Protection Functions . . . . . . . . . . . . . . . . . . . . . . . . . . . . . . . . . . . . . . . . . . . . . . . . . . . . . . . . . . . . 22
7.1 Over Load Protection . . . . . . . . . . . . . . . . . . . . . . . . . . . . . . . . . . . . . . . . . . . . . . . . . . . . . . . . . . . . . 22
7.2 Over Temperature Protection . . . . . . . . . . . . . . . . . . . . . . . . . . . . . . . . . . . . . . . . . . . . . . . . . . . . . . . 23
7.3 Reverse Polarity Protection . . . . . . . . . . . . . . . . . . . . . . . . . . . . . . . . . . . . . . . . . . . . . . . . . . . . . . . . 24
7.4 Over Voltage Protection . . . . . . . . . . . . . . . . . . . . . . . . . . . . . . . . . . . . . . . . . . . . . . . . . . . . . . . . . . . 25
7.5 Loss of Ground . . . . . . . . . . . . . . . . . . . . . . . . . . . . . . . . . . . . . . . . . . . . . . . . . . . . . . . . . . . . . . . . . . 25
7.6 Loss of VBB . . . . . . . . . . . . . . . . . . . . . . . . . . . . . . . . . . . . . . . . . . . . . . . . . . . . . . . . . . . . . . . . . . . . . 25
7.7 Electrical Characteristics . . . . . . . . . . . . . . . . . . . . . . . . . . . . . . . . . . . . . . . . . . . . . . . . . . . . . . . . . . 26
7.8 Command Description . . . . . . . . . . . . . . . . . . . . . . . . . . . . . . . . . . . . . . . . . . . . . . . . . . . . . . . . . . . . 27
8 Diagnosis . . . . . . . . . . . . . . . . . . . . . . . . . . . . . . . . . . . . . . . . . . . . . . . . . . . . . . . . . . . . . . . . . . . . . . 28
8.1 Diagnosis Word at SPI . . . . . . . . . . . . . . . . . . . . . . . . . . . . . . . . . . . . . . . . . . . . . . . . . . . . . . . . . . . . 29
8.2 Load Current Sense Diagnosis . . . . . . . . . . . . . . . . . . . . . . . . . . . . . . . . . . . . . . . . . . . . . . . . . . . . . . 30
8.3 Switch Bypass Diagnosis . . . . . . . . . . . . . . . . . . . . . . . . . . . . . . . . . . . . . . . . . . . . . . . . . . . . . . . . . . 32
8.4 Electrical Characteristics . . . . . . . . . . . . . . . . . . . . . . . . . . . . . . . . . . . . . . . . . . . . . . . . . . . . . . . . . . 33
8.5 Command Description . . . . . . . . . . . . . . . . . . . . . . . . . . . . . . . . . . . . . . . . . . . . . . . . . . . . . . . . . . . . 35
9 Serial Peripheral Interface (SPI) . . . . . . . . . . . . . . . . . . . . . . . . . . . . . . . . . . . . . . . . . . . . . . . . . . . 37
9.1 SPI Signal Description . . . . . . . . . . . . . . . . . . . . . . . . . . . . . . . . . . . . . . . . . . . . . . . . . . . . . . . . . . . . 37
9.2 Daisy Chain Capability . . . . . . . . . . . . . . . . . . . . . . . . . . . . . . . . . . . . . . . . . . . . . . . . . . . . . . . . . . . . 38
9.3 Timing Diagrams . . . . . . . . . . . . . . . . . . . . . . . . . . . . . . . . . . . . . . . . . . . . . . . . . . . . . . . . . . . . . . . . . 39
9.4 Electrical Characteristics . . . . . . . . . . . . . . . . . . . . . . . . . . . . . . . . . . . . . . . . . . . . . . . . . . . . . . . . . . 39
9.5 SPI Protocol . . . . . . . . . . . . . . . . . . . . . . . . . . . . . . . . . . . . . . . . . . . . . . . . . . . . . . . . . . . . . . . . . . . . 41
9.6 Register Overview . . . . . . . . . . . . . . . . . . . . . . . . . . . . . . . . . . . . . . . . . . . . . . . . . . . . . . . . . . . . . . . 42
10 Application Description . . . . . . . . . . . . . . . . . . . . . . . . . . . . . . . . . . . . . . . . . . . . . . . . . . . . . . . . . . 43
11 Package Outlines SPOC - BTS5672E . . . . . . . . . . . . . . . . . . . . . . . . . . . . . . . . . . . . . . . . . . . . . . . 44
12 Revision History . . . . . . . . . . . . . . . . . . . . . . . . . . . . . . . . . . . . . . . . . . . . . . . . . . . . . . . . . . . . . . . . 45
Table of Contents
@ fl“ ROHS Ouahhed
PG-DSO-36-36
Type Package Marking
SPOC - BTS5672E PG-DSO-36-36 BTS5672E
Data Sheet 3 Rev. 1.0, 2008-01-22
SPI Power Controller
for Advanced Light Control
with Integrated LED Mode
SPOC - BTS5672E
1Overview
Features
8 bit serial peripheral interface (daisy chain capable SPI) for control
and diagnosis
CMOS compatible parallel input pins for each channel provide direct
PWM operation
Selectable AND- / OR-combination for parallel inputs (PWM control)
Very low stand-by current
Enhanced electromagnetic compatibility (EMC) for bulbs as well as
LED
Stable behavior at under voltage
Device ground independent from load ground
Green Product (RoHS-Compliant)
AEC Qualified
Description
The SPOC - BTS5672E is a six channel high-side smart power switch in PG-DSO-36-36 package providing
embedded protective functions. It is specially designed to control standard exterior lighting in automotive
applications. In order to use the same hardware, the device can be configured to bulb or LED mode. As a result,
both load types are optimized in terms of switching and diagnosis behavior.
It is designed to drive lamps up to 3*27W + 2*10W + 5W.
Product Summary
Operating Voltage Power Switch VBB 5.5 … 28 V
Logic Supply Voltage VDD 3.8…5.5V
Over Voltage Protection VBB(AZ,min) 40 V
Maximum Stand-By Current at 25 °CIBB(OFF) 3µA
Maximum On-state Resistance at Tj = 150 °C
channel 0, 1, 2
channel 3, 4
channel 5
RDS(ON,max)
100 m
260 m
460 m
SPI Access Frequency fSCLK(max) 2MHz
@neon
SPOC - BTS5672E
Overview
Data Sheet 4 Rev. 1.0, 2008-01-22
Configuration and status diagnosis are done via SPI. An 8 bit serial peripheral interface (SPI) is used. The SPI can
be used in daisy chain configuration.
The device provides a current sense signal per channel that is multiplexed to the diagnosis pin IS. It can be
enabled and disabled via SPI commands. An over load and over temperature flag is provided in the SPI diagnosis
word. A multiplexed switch bypass monitor provides short-circuit to VBB diagnosis.
In order to use the same hardware, channels OUT0, OUT1 and OUT2 can be configured to bulb or LED mode.
The SPOC - BTS5672E provides a fail-safe feature via a limp home input pin.
The power transistors are built by N-channel vertical power MOSFETs with charge pumps. The device is
monolithically integrated in SMART technology.
Protective Functions
Reverse battery protection with external components
Short circuit protection
Overload protection
Multi step current limitation
Thermal shutdown with latch and dynamic temperature sensor
Overvoltage protection
Loss of ground protection
Electrostatic discharge protection (ESD)
Diagnostic Functions
Multiplexed proportional load current sense signal (IS)
Enable function for current sense signal configurable via SPI
High accuracy of current sense signal at wide load current range
Current sense ratio (kILIS) configurable for LEDs or bulbs
Very fast diagnosis in LED mode (>2% duty cycle at 100 Hz)
Feedback on over temperature and over load via SPI
Multiplexed switch bypass monitor provides short circuit to VBB detection
Application Specific Functions
Fail-safe activation via LHI pin and control via input pins
Load type configuration via SPI (bulbs or LEDs) for optimized load control
Applications
High-side power switch for 12 V grounded loads in automotive applications
Especially designed for standard exterior lighting like tail light, brake light, parking light, license plate light,
indicators and equivalent LEDs
Replaces electromechanical relays, fuses and discrete circuits
@neon
Data Sheet 5 Rev. 1.0, 2008-01-22
SPOC - BTS5672E
Block Diagram
2BlockDiagram
Figure 1 Block Diagram SPOC - BTS5672E
5
4
3
2
1
VBB
channel 0
power
supply
driver
logic
gate control
&
charge pump
clamp for
inductive
load
load current
lim itation
load current
sense
temperature
sensor
ESD
protection
IN2
IN3
IN4
IN0
IN1
OUT3
OUT2
OUT1
OUT0
OUT4
GND
IN5
OUT5
SPI
current sense multiplexerIS
SO
SCLK
SI
CS
LHI limp home control
switch bypass
monitor
PWM control
VDD
SPOC - BTS5672E
Block Diagram
Data Sheet 6 Rev. 1.0, 2008-01-22
2.1 Terms
The following figure shows all terms used in this data sheet.
Figure 2 Terms
In all tables of electrical characteristics is valid: Channel related symbols without channel number are valid for each
channel separately (e.g. VDS specification is valid for VDS0VDS5).
All SPI register bits are marked as follows: ADDR.PARAMETER (e.g. HWCR.CTL). In SPI register description, the
values in bold letters (e.g. 0) are default values.
I
IN 0
V
IN 0
I
IN 1
V
IN 1
V
SO
I
IN 2
V
SI
I
IN 3
V
BB
V
CS
I
IS
I
BB
IN0
IN1
IN2
IN3
IS
VBB
I
CS
CS
SCLK
V
IN 2
V
IN 3
V
IN 4
V
DD
I
DD
I
SO
VDD
SO
I
IN 4
IN4
V
IS
I
LHI
LHI
I
SI
SI
V
LHI
OUT0
I
L0
OUT1
OUT4
OUT5
I
L1
I
L4
I
L5
OUT2
I
L2
GND
I
GND
I
SC L K
V
SC LK
V
IN 5
I
IN 5
IN5
OUT3
I
L3
V
OUT3
V
OUT2
V
DS3
V
DS2
V
OUT1
V
OUT0
V
DS1
V
DS0
V
OUT5
V
DS4
V
DS5
V
OUT4
Ineon jjjjjjjjjjjjjjjjjj IIIIIIIIIIIIIIIIII
Data Sheet 7 Rev. 1.0, 2008-01-22
SPOC - BTS5672E
Pin Configuration
3 Pin Configuration
3.1 Pin Assignment SPOC - BTS5672E
Figure 3 Pin Configuration PG-DSO-36-36
WRSYLHZ
287
287
287
9%%








QF
287
287
287
287
287
QF
287















287
287
287
287
QF
9%%
 

QF
287
&6
6&/.
6,
62
287
,1
,1
,1
,1
,1
,1
287

9%%
H[SRVHGSDGERWWRP
/+,
,6
9''
*1'
@neon
SPOC - BTS5672E
Pin Configuration
Data Sheet 8 Rev. 1.0, 2008-01-22
3.2 Pin Definitions and Functions
Pin Symbol I/O Function
Power Supply Pins
19, 36, 37 1)
1) The exposed pad (pin 37) has to be connected to the power supply with a low impedance connection. The exposed pad
must be connected with a low thermal resistance.
VBB Positive power supply for high-side power switch
2 VDD Logic supply (5 V)
1 GND Ground connection
Parallel Input Pins (integrated pull-down, leave unused input pins unconnected)
7 IN0 I Input signal of channel 0
8 IN1 I Input signal of channel 1
9 IN2 I Input signal of channel 2
10 IN3 I Input signal of channel 3
11 IN4 I Input signal of channel 4
12 IN5 I Input signal of channel 5
Power Output Pins
32, 33, 34 2)
2) All outputs pins of each channel have to be connected.
OUT0 O Protected high-side power output of channel 0
29, 30, 31 2) OUT1 O Protected high-side power output of channel 1
22, 23, 24 2) OUT2 O Protected high-side power output of channel 2
27, 28 2) OUT3 O Protected high-side power output of channel 3
25, 26 2) OUT4 O Protected high-side power output of channel 4
16, 17, 18 2) OUT5 O Protected high-side power output of channel 5
SPI & Diagnosis Pins
6 CS I Chip select of SPI interface (low active), Integrated pull up
5 SCLK I Serial clock of SPI interface
4 SI I Serial input of SPI interface
3 SO O Serial output of SPI interface
14 IS O Diagnosis output signal
Limp Home Pin (integrated pull-down, leave unused limp home pin unconnected)
13 LHI I Limp home activation signal; Active high
Not connected Pin
15, 20, 21, 35 n.c. not connected, internally not bonded
@neon
Data Sheet 9 Rev. 1.0, 2008-01-22
SPOC - BTS5672E
Electrical Characteristics
4 Electrical Characteristics
4.1 Absolute Maximum Ratings
Absolute Maximum Ratings 1)
Tj = -40 °C to +150 °C; all voltages with respect to ground
(unless otherwise specified)
Pos. Parameter Symbol Limit Values Unit Conditions
min. max.
Supply Voltage
4.1.1 Power supply voltage VBB -0.3 28 V –
4.1.2 Logic supply voltage VDD -0.3 5.5 V –
4.1.3 Reverse polarity voltage according Figure 23 -Vbat(rev) –16VTj(Start) = 25 °C
t 2min. 2)
4.1.4 Supply voltage for full short circuit protection
(single pulse)
(Tj(0) = -40 °C … 150 °C)
VBB(SC) 020
VRECU = 20m
RCable= 16m/m
LCable= 1µH/m
l = 0 or 5m 3)
4.1.5 Voltage at power transistor VDS –40V
4.1.6 Supply voltage for load dump protection VBB(LD) –40VRI = 2 4)
t = 400ms
4.1.7 Current through ground pin IGND -100 25 mA t 2min.
4.1.8 Current through VDD pin IDD -25 12 mA t 2min.
Power Stages
4.1.9 Load current IL-IL(LIM) IL(LIM) A5)
Diagnosis Pin
4.1.10 Current through sense pin IS IIS -10 10 mA t 2min.
Input Pins
4.1.11 Voltage at input pins VIN -0.3 8.0 V –
4.1.12 Current through input pins IIN -0.75
-2.0
0.75
2.0
mA –
t 2min.
SPI Pins
4.1.13 Voltage at chip select pin VCS -0.3 5.7 V –
4.1.14 Current through chip select pin ICS -0.75
-2.0
0.75
2.0
mA –
t 2min.
4.1.15 Voltage at serial input pin VSI -0.3 5.7 V –
4.1.16 Current through serial input pin ISI -0.75
-2.0
0.75
2.0
mA –
t 2min.
4.1.17 Voltage at serial clock pin VSCLK -0.3 5.7 V –
4.1.18 Current through serial clock pin ISCLK -0.75
-2.0
0.75
2.0
mA –
t 2min.
4.1.19 Current through serial output pin SO ISO -0.75
-2.0
0.75
2.0
mA –
t 2min.
Limp Home Pin
4.1.20 Voltage at limp home input pin VLHI -0.3 8.0 V –
@neon
SPOC - BTS5672E
Electrical Characteristics
Data Sheet 10 Rev. 1.0, 2008-01-22
Note: Stresses above the ones listed here may cause permanent damage to the device. Exposure to absolute
maximum rating conditions for extended periods may affect device reliability.
Note: Integrated protection functions are designed to prevent IC destruction under fault conditions described in the
data sheet. Fault conditions are considered as “outside” normal operating range. Protection functions are
not designed for continuous repetitive operation.
4.2 Thermal Resistance
4.1.21 Current through limp home input pin ILHI -0.75
-2.0
0.75
2.0
mA –
t 2min.
Temperatures
4.1.22 Junction temperature Tj-40 150 °C–
4.1.23 Dynamic temperature increase while switching Tj–60K
4.1.24 Storage temperature Tstg -55 150 °C–
ESD Susceptibility
4.1.25 ESD resistivity
OUT pins vs. VBB
other pins incl. OUT vs. GND
VESD
-4
-2
4
2
kV HBM 6)
1) Not subject to production test, specified by design.
2) Device mounted on a FR4 2s2p board according to Jedec JESD51-2,-5,-7 at natural convection; The product
(chip+package) was simulated on a 76.4 x 114.3 x 1.5 mm board with 2 inner copper layers (2 x 70µm Cu, 2 x 35µm Cu).
Where applicable, a thermal via array under the package contacted the first inner copper layer.
3) In accordance to AEC Q100-012 and AEC Q101-006.
4) RI is the internal resistance of the load dump pulse generator.
5) Current limitation is a protection feature. Operation in current limitation is considered as “outside” normal operating range.
Protection features are not designed for continuous repetitive operation.
6) ESD resistivity, HBM according to EIA/JESD 22-A 114B (1.5k, 100pF).
Pos. Parameter Symbol Limit Values Unit Conditions
Min. Typ. Max.
4.2.1 Junction to Case 1)
1) Not subject to production test, specified by design.
RthJC ––2K/W
4.2.2 Junction to Ambient 1) RthJA –22–K/W
2)
2) Device mounted on a FR4 2s2p board according to Jedec JESD51-2,-5,-7 at natural convection; The product
(chip+package) was simulated on a 76.4 x 114.3 x 1.5 mm board with 2 inner copper layers (2 x 70µm Cu, 2 x 35µm Cu).
Where applicable, a thermal via array under the package contacted the first inner copper layer.
Absolute Maximum Ratings (cont’d)1)
Tj = -40 °C to +150 °C; all voltages with respect to ground
(unless otherwise specified)
Pos. Parameter Symbol Limit Values Unit Conditions
min. max.
@neon
Data Sheet 11 Rev. 1.0, 2008-01-22
SPOC - BTS5672E
Power Supply
5 Power Supply
The SPOC - BTS5672E is supplied by two supply voltages VBB and VDD. The VBB supply line is used by the power
switches. The VDD supply line is used by the SPI related circuitry and for driving the SO line. A capacitor between
pins VDD and GND is recommended as shown in Figure 23.
There is a power-on reset function implemented for the VDD logic power supply. After start-up of the logic power
supply, all SPI registers are reset to their default values. The SPI interface including daisy chain function is active
as soon as VDD is provided in the specified range independent of VBB. The first SPI transmission after a reset
contains at pin SO the read information from register OUT, the transmission error bit TER is set.
5.1 Power Supply Modes
The following table shows all possible power supply modes for VBB, VDD and the pin LHI.
Stand-by mode is entered as soon as the current sense multiplexer (DCR.MUX) is in default (stand-by) position 1).
Additionally, all thermal latches are cleared automatically. As soon as stand-by mode is entered, register
HWCR.STB is set. To wake-up the device, the current sense multiplexer (DCR.MUX) is programmed different to
default (stand-by) position.
Idle mode parameters are valid, when all channels are switched off, but the current sense multiplexer is not in
default position, and VDD supply is available.
Limp home (LHI = high) will wake-up the device and is working without VDD supply. As a result, all channels can
be activated via the dedicated input pins.
Power Supply Modes Off Off SPI on Reset Off Limp Home
mode
without SPI
Normal
operation
Limp Home
mode with
SPI 1)
1) SPI read only.
VBB 0V 0V 0V 0V 13.5V 13.5V 13.5V 13.5V
VDD 0V 0V 5V 5V 0V 0V 5V 5V
LHI 0V5V0V5V0V5V 0V 5V
PROFET operating ✓✓
Limp home –––––
SPI (logic) reset reset reset reset
Stand-by current 2)
2) When DCR.MUX = 111b .
Idle current –––––– 3)
3) When all channels are in OFF-state and DCR.MUX!= 111b.
Diagnosis –––––– ✓✓
4)
4) Current sense disabled in limp home mode.
1) Not affected by the inputs state
@neon
SPOC - BTS5672E
Power Supply
Data Sheet 12 Rev. 1.0, 2008-01-22
5.2 Reset
There are several reset triggers implemented in the device. They reset the SPI registers and errors flags to their
default values. The power stages are not affected by the reset signals.
The first SPI transmission after any kind of reset contains at pin SO the read information from register OUT,
the transmission error bit TER is set.
Power-On Reset
The power-on reset is released, when VDD voltage level is higher than VDD(min). The SPI interface can be accessed
after wake up time tWU(PO).
Reset Command
There is a reset command available to reset all register bits of the register bank and the diagnosis registers. As
soon as HWCR.RST = 1, a reset is triggered equivalent to power-on reset. The SPI interface can be accessed after
transfer delay time tCS(td).
Limp Home Mode
In Limp Home mode, the SPI write-registers are reset. Output OUTx will follow the input INx configuration only.
For application example see Figure 23. The SPI interface is operating normally, so the limp home register bit LHI
as well as the error flags can be read, but any write command will be ignored. To activate the Limp Home mode,
LHI input pin voltage must be higher than VLHI(H).
@neon
Data Sheet 13 Rev. 1.0, 2008-01-22
SPOC - BTS5672E
Power Supply
5.3 Electrical Characteristics
Note: Characteristics show the deviation of parameter at the given supply voltage and junction temperature.
Typical values show the typical parameters expected from manufacturing at VBB = 13.5 V, VDD = 4.3 V and
Tj=25°C.
Electrical Characteristics Power Supply
Unless otherwise specified: VBB = 9 V to 16 V, VDD = 3.8V to 5.5V, Tj = -40 °C to +150 °C
typical values: VBB = 13.5 V, VDD = 4.3 V, Tj = 25 °C
Pos. Parameter Symbol Limit Values Unit Test Conditions
min. typ. max.
5.3.1 Operating voltage power switch VBB 5.5 – 281)
1) Not subject to production test, specified by design.
V
5.3.2 Stand-by current for whole device with loads IBB(STB)
0.5
3
3
58
µAVDD = 0 V
VLHI = 0 V
Tj = 25 °C
Tj 85 °C 1)
Tj = 150 °C
5.3.3 Idle current for whole device with loads, all
channels off.
IBB(idle) –38mAVDD = 5 V
DCR.MUX = 110B
5.3.4 Logic supply voltage VDD 3.8 – 5.5 V
5.3.5 Logic supply current IDD –55120µAVCS = 0 V
fSCLK = 0 Hz
5.3.6 Logic idle current IDD(idle) –2050µAVCS = VDD
fSCLK = 0 Hz
Chip in Standby
5.3.7 Operating current for whole device IGND – 1225mAfSCLK = 0 Hz
LHI Input Characteristics
5.3.8 L-input level at pin LHI VLHI(L) -0.3 – 1.0 V
5.3.9 H-input level at pin LHI VLHI(H) 2.6 – 5.5 V
5.3.10 L-input current through pin LHI ILHI(L) 3–85µAVLHI = 0.4 V
5.3.11 H-input current through pin LHI ILHI(H) 73085µAVLHI = 5 V
@neon
SPOC - BTS5672E
Power Supply
Data Sheet 14 Rev. 1.0, 2008-01-22
5.4 Command Description
HWCR
Hardware Configuration Register
W/R1) RB1)
1) W/R Write/Read, RB Register Bank, ADDR Address
ADDR1) 3210
read1100XSTBCTL
write11000RSTCTL
Field Bits Type Description
RST 1 w Reset Command
0Normal operation
1 Execute reset command
STB 1 r Stand-by
0 Device is awake
1Device is in stand-by mode
@neon
Data Sheet 15 Rev. 1.0, 2008-01-22
SPOC - BTS5672E
Power Stages
6 Power Stages
The high-side power stages are built by N-channel vertical power MOSFETs (DMOS) with charge pumps. There
are six channels implemented in the device. Each channel can be switched on via an input pin or via SPI register
OUT. Channels 0, 1 and 2 provides a load type configuration for bulbs or LEDs in register PLCR. The load type
configuration is allowed to be changed in OFF-state only.
6.1 Output ON-State Resistance
The on-state resistance RDS(ON) depends on the supply voltage VBB as well as on the junction temperature Tj.
Figure 4 shows those dependencies. The behavior in reverse polarity mode is described in Section 12.
Figure 4 Typical On-State Resistance
6.2 Input Circuit
There are two ways of using the input pins in combination with the OUT register by programming the HWCR.PWM
parameter.
PLCR.PWM = 0: A channel is switched on either by the according OUT register bit or the input pin.
PLCR.PWM = 1: A channel is switched on by the according OUT register bit only, when the input pin is high. In
this configuration, a PWM signal can be given to the input pin and the channel is activated by the SPI register
OUT.
Figure 5 shows the complete input switch matrix.
T
j
= 25 °C
0
50
100
150
200
250
300
350
400
0 5 10 15 20 25 30
VBB
[V]
RDS(ON)
[m]
Channel 0, 1, 2 (bulb)
Channel 0, 1, 2 (LED)
Channel 3, 4
Channel 5
V
BB
= 13.5 V
0
50
100
150
200
250
300
350
400
-50 0 50 100 150
Tj
[°C]
RDS(ON)
[m]
Channel 0, 1, 2 (bulb)
Channel 0, 1, 2 (LED)
Channel 3, 4
Channel 5
@neon I—V—V—V—V—V—W TY> 1 T/ S5} _. r; L35} T u T ‘3 J 315??? 3 3» Bl: g ——;—
SPOC - BTS5672E
Power Stages
Data Sheet 16 Rev. 1.0, 2008-01-22
Figure 5 Input Switch Matrix
The current sink to ground ensures that the input signal is low in case of an open input pin. The zener diode
protects the input circuit against ESD pulses.
6.3 Power Stage Output
The power stages are built to be used in high side configuration (Figure 6).
Figure 6 Power Stage Output
InputMatrix_6.emf
IN0
IN1
IN2
IN4
IN5
Gate Driver 2
Gate Driver 1
Gate Driver 0
Gate Driver 4
Gate Driver 3
&
OR
OUT2 OUT1 OUT0OUT3
&
OR
&
OR
&
OR
&
OR
PWM
I
IN 0
I
IN 1
I
IN 2
I
IN 4
I
IN 5
&
OR
IN3
I
IN 3
Gate Driver 5
OUT4OUT5
Output .emf
OUT
GND V
OUT
VBB
VDS
V
BB
@neon A \ng <>
Data Sheet 17 Rev. 1.0, 2008-01-22
SPOC - BTS5672E
Power Stages
The power DMOS switches with a dedicated slope, which is optimized in terms of EMC emission.
Figure 7 Switching a Load (resistive)
When switching off inductive loads with high-side switches, the voltage VOUT drops below ground potential,
because the inductance intends to continue driving the current. To prevent avalanche of the device, there is a
voltage clamp mechanism implemented which limits that negative output voltage to a certain level (VDS(CL)). See
Figure 6 for details. The maximum allowed load inductance is limited.
V
OUT
t
SwitchOn.emf
t
ON
t
OFF
t
90%
10%
70%
dV/
dt
ON
30%
70%
dV/
dt
OFF
30%
t
delay (O N)
t
delay(O FF )
IN /
OUTx
@neon
SPOC - BTS5672E
Power Stages
Data Sheet 18 Rev. 1.0, 2008-01-22
6.4 Electrical Characteristics
Electrical Characteristics Power Stages
Unless otherwise specified: VBB = 9 V to 16 V, Tj = -40 °C to +150 °C
typical values: VBB = 13.5 V, Tj = 25 °C
Pos. Parameter Symbol Limit Values Unit Test Conditions
min. typ. max.
Output Characteristics
6.4.1 On-State Resistance RDS(ON) m
channel 0, 1, 2
50
85
170
300
100
375
PLCR.LEDn = 0
1) Tj = 25 °C / IL = 2.6 A
Tj = 150 °C / IL = 2.6 A
PLCR.LEDn = 1
1) Tj = 25 °C / IL = 0.6 A
Tj = 150 °C / IL = 0.6 A
channel 3, 4
110
200
260
1) Tj = 25 °C / IL = 1.3 A
Tj = 150 °C / IL = 1.3 A
channel 5
200
350
460
1) Tj = 25 °C / IL = 0.6 A
Tj = 150 °C / IL = 0.6 A
6.4.2 Output voltage drop limitation at small load
currents
VDS(NL) mV
channel 0, 1, 2
–25
PLCR.LEDn = 0
IL = 35 mA
channel 3, 4, 5 25 IL = 35 mA
6.4.3 Output clamp VDS(CL) 40 47 54 V IL = 20 mA 2)
6.4.4 Output leakage current per channel IL(OFF) µAVIN = 0 V or floating
OUT.OUTn = 0
channel 0, 1, 2
0.1
10
40
stand-by
idle
channel 3, 4
0.1
8
40
stand-by
idle
channel 5
0.1
8
40
stand-by
idle
6.4.5 Inverse current capability per channel -IL(IC) A3)
channel 0, 1, 2 2.5
channel 3, 4 1.0
channel 5 0.5
Input Characteristics
6.4.6 L-input level VIN(L) -0.3 – 1.0 V
6.4.7 H-input level VIN(H) 2.6 – 5.5 V
6.4.8 L-input current IIN(L) 32575µAVIN = 0.4 V
6.4.9 H-input current IIN(H) 10 40 75 µAVIN = 5 V
@neon
Data Sheet 19 Rev. 1.0, 2008-01-22
SPOC - BTS5672E
Power Stages
Timings
6.4.10 Turn-ON delay to
10% VBB
(Logical propagation delay from input INx to
output OUTx)
tdelay(ON) µsVBB = 13.5 V 1)
channel 0, 1, 2
–35
PLCR.LEDn = 0
RL = 6.8
channel 3, 4 20 RL = 18
channel 5 30 RL = 33
6.4.11 Turn-OFF delay to
90% VBB
(Logical propagation delay from input INx to
output OUTx)
tdelay(OFF) µsVBB = 13.5 V 1)
channel 0, 1, 2
–50
PLCR.LEDn = 0
RL = 6.8
channel 3, 4 30 RL = 18
channel 5 40 RL = 33
6.4.12 Turn-ON time to
90% VBB
tON µsVBB = 13.5 V
channel 0, 1, 2
250
100
PLCR.LEDn = 0
RL = 6.8
PLCR.LEDn = 1
RL = 33
channel 3, 4 150 RL = 18
channel 5 170 RL = 33
6.4.13 Turn-OFF time to
10% VBB
tOFF µsVBB = 13.5 V
channel 0, 1, 2
290
100
PLCR.LEDn = 0
RL = 6.8
PLCR.LEDn = 1
RL = 33
channel 3, 4 150 RL = 18
channel 5 170 RL = 33
6.4.14 Turn-ON slew rate
30% to 70% VBB
dV/ dtON V/µsVBB = 13.5 V
channel 0, 1, 2
0.1
0.1
0.2
0.75
0.5
1.9
PLCR.LEDn = 0
RL = 6.8
PLCR.LEDn = 1
RL = 33
channel 3, 4 0.1 0.45 0.9 RL = 18
channel 5 0.1 0.45 0.9 RL = 33
Electrical Characteristics Power Stages (cont’d)
Unless otherwise specified: VBB = 9 V to 16 V, Tj = -40 °C to +150 °C
typical values: VBB = 13.5 V, Tj = 25 °C
Pos. Parameter Symbol Limit Values Unit Test Conditions
min. typ. max.
@neon
SPOC - BTS5672E
Power Stages
Data Sheet 20 Rev. 1.0, 2008-01-22
6.4.15 Turn-OFF slew rate
70% to 30% VBB
-dV/
dtOFF
V/µsVBB = 13.5 V
channel 0, 1, 2
0.1
0.1
0.2
0.75
0.5
1.9
PLCR.LEDn = 0
RL = 6.8
PLCR.LEDn = 1
RL = 33
channel 3, 4 0.1 0.45 0.9 RL = 18
channel 5 0.1 0.45 0.9 RL = 33
1) Not subject to production test, specified by design.
2) The voltage increase until the current is reached.
3) Not subject to production test, specified by design. In case of inverse current (VOUT > VBB), the error flag ERR in the standard
diagnosis of the affected channel is cleared (valid for channel 0, 1, 2, 3, 4). The inverse current capability in ON-state and
OFF-state is defined for Tj < Tj(SC) and channel remains in same state (ON-state or OFF-state). Other channels can be
affected (e.g. OUT latch due to junction temperature increase).
Electrical Characteristics Power Stages (cont’d)
Unless otherwise specified: VBB = 9 V to 16 V, Tj = -40 °C to +150 °C
typical values: VBB = 13.5 V, Tj = 25 °C
Pos. Parameter Symbol Limit Values Unit Test Conditions
min. typ. max.
@neon
Data Sheet 21 Rev. 1.0, 2008-01-22
SPOC - BTS5672E
Power Stages
6.5 Command Description
OUT
Output Configuration Registers
W/R RB543210
read/write 0 OUT5 OUT4 OUT3 OUT2 OUT1 OUT0
Field Bits Type Description
OUTn
n = 5 to 0
nrwSet Output Mode for Channel n
0Channel n is switched off
1 Channel n is switched on
PLCR
PWM and LED-Mode Configuration Register
W/R RB ADDR 3 2 1 0
read/write 1 0 1 PWM LED2 LED1 LED0
Field Bits Type Description
PWM 3 rw PWM Configuration
0Input signal OR-combined with according OUT register bit
1 Input signal AND-combined with according OUT register bit
LEDn
n = 2 to 0
nrwSet LED Mode for Channel n
0Channel n is in bulb mode
1 Channel n is in LED mode
@neon
SPOC - BTS5672E
Protection Functions
Data Sheet 22 Rev. 1.0, 2008-01-22
7 Protection Functions
The device provides embedded protective functions, which are designed to prevent IC destruction under fault
conditions described in this data sheet. Fault conditions are considered as “outside” normal operating range.
Protective functions are neither designed for continuous nor for repetitive operation.
7.1 Over Load Protection
The load current IL is limited by the device itself in case of over load or short circuit to ground. There are multiple
steps of current limitation which are selected automatically depending on the voltage VDS across the power DMOS.
Please note that the voltage at the OUT pin is VBB -VDS. Please refer to following figures for details.
Figure 8 Current Limitation Channels 0, 1, 2 (minimum values)
Figure 9 Current Limitation Channels 3, 4 (minimum values)
Figure 10 Current Limitation Channels 5 (minimum values)
Current limitation to the value IL(LIM) is realized by increasing the resistance of the output channel, which leads to
rapid temperature rise inside.
Curr entLi mitati on012 .emf
5 101520 V
DS
25
I
L
5
10
15
20
25 WDLR.LED = 0
WDLR.LED = 1
CurrentLimitation34 .emf
I
L
5101520 V
DS
25
2
4
6
8
Current Limit ation5 .emf
I
L
5101520 V
DS
25
1
2
3
4
@neon (\
Data Sheet 23 Rev. 1.0, 2008-01-22
SPOC - BTS5672E
Protection Functions
7.2 Over Temperature Protection
Each channel has its own temperature sensor. If the temperature at the channel exceeds the thermal shutdown
temperature Tj(SC), the channel will switch off and latch to prevent destruction (also in case of VDD = 0V). In order
to reactivate the channel, the temperature at the output must drop by at least the thermal hysteresis Tj and the
over temperature latch must be cleared by SPI command HWCR.CTL = 1. All over temperature latches are cleared
by SPI command HWCR.CTL = 1.
Figure 11 Shut Down by Over Temperature
Additionally, channels 0, 1, 2, 3, 4 have their own dynamic temperature sensors. The dynamic temperature sensor
improves short circuit robustness by limiting sudden increases in the junction temperature. The dynamic
temperature sensor turns off the channel if its sudden temperature increase exceeds the dynamic temperature
sensor threshold Tj(SW). Please refer to the following figure for details.
IL
IIS
t
IL(LIM)
t
t
ERR
t
OverLoad .emf
CTL = 1
IN /
OUTx
@neon N N f « / // \ i lk k L
SPOC - BTS5672E
Protection Functions
Data Sheet 24 Rev. 1.0, 2008-01-22
Figure 12 Dynamic Temperature Sensor Operations
The ERR-flag will be set during dynamic temperature sensor shut down. It can be reset by reading the ERR-flag.
If the channel is still in dynamic temperature sensor shut down, the ERR-flag will be set again.
7.3 Reverse Polarity Protection
In reverse polarity mode, power dissipation is caused by the intrinsic body diode of each DMOS channel as well
as each ESD diode of the logic pins. The reverse current through the channels has to be limited by the connected
loads. The current through the ground pin, sense pin IS, the logic power supply pin VDD, the SPI pins and the limp
home input pin has to be limited as well (please refer to the maximum ratings listed on Page 9).
Note: No protection mechanism like temperature protection or current limitation is active during reverse polarity.
t
t
t
t
t
T
jSW
T
jSW
T
jSW
I
L(LIM)
I
IS
T
j
delt aT . emf
ERR
I
L
T
j(SC)
CTL = 1
IN
/
OUTx
@neon
Data Sheet 25 Rev. 1.0, 2008-01-22
SPOC - BTS5672E
Protection Functions
7.4 Over Voltage Protection
In addition to the output clamp for inductive loads as described in Section 6.3, there is a clamp mechanism
available for over voltage protection. The current through the ground connection has to be limited during over
voltage. Please note that in case of over voltage the pin GND might have a high voltage offset to the module
ground.
7.5 Loss of Ground
In case of complete loss of the device ground connections, but connected load ground, the SPOC - BTS5672E
securely changes to or stays in off-state.
7.6 Loss of VBB
In case of loss of VBB connection in on-state, all inductances of the loads have to be demagnetized through the
ground connection or through an additional path from VBB to ground. When a diode is used in the ground path for
reverse polarity reason, the ground connection is not available for demagnetization. Then for example, a resistor
can be placed in parallel to the diode or a suppressor diode can be used between VBB and GND.
@neon
SPOC - BTS5672E
Protection Functions
Data Sheet 26 Rev. 1.0, 2008-01-22
7.7 Electrical Characteristics
Electrical Characteristics Protection Functions
Unless otherwise specified: VBB = 9 V to 16 V, Tj = -40 °C to +150 °C
typical values: VBB = 13.5 V, Tj = 25 °C
Pos. Parameter Symbol Limit Values Unit Test Conditions
min. typ. max.
Over Load Protection
7.7.1 Load current limitation IL(LIM) AVDS = 7 V
channel 0, 1, 2 24 40 PLCR.LEDn = 0 1)
1) For Tj = 150 °C, not subject to production test. Device will shutdown due to the maximum junction temperature sensor.
6–12 PLCR.LEDn = 1 1)
channel 3, 4 8 18 1)
channel 5 4 7
Over Temperature Protection
7.7.2 Thermal shut down temperature Tj(SC) 150 170 190 °C2)
7.7.3 Thermal hysteresis Tj–7–K
2)
2) Not subject to production test, specified by design.
7.7.4 Dynamic temperature increase limitation
while switching
Tjsw –60–K
2)
Over Voltage
7.7.5 Overvoltage protection VBB(AZ) 40 47 54 V Ibb = 4 mA
@neon
Data Sheet 27 Rev. 1.0, 2008-01-22
SPOC - BTS5672E
Protection Functions
7.8 Command Description
HWCR
Hardware Configuration Register
W/R RB ADDR 3 2 1 0
write 1 1 0 0 0 RST CTL
Field Bits Type Description
CTL 0 rw Clear Thermal Latch
0Thermal latches are untouched
1 Command: Clear all thermal latches
@neon
SPOC - BTS5672E
Diagnosis
Data Sheet 28 Rev. 1.0, 2008-01-22
8 Diagnosis
For diagnosis purpose, the SPOC - BTS5672E provides a current sense signal at pin IS and the diagnosis word
via SPI. There is a current sense multiplexer implemented that is controlled via SPI. The sense signal can also be
disabled by SPI command. A switch bypass monitor allows to detect a short circuit between the output pin and the
battery voltage. Please refer to Figure 13 for details.
Figure 13 Block diagram: Diagnosis
channel 0
load
current
sense
Diagnosis_6.emf
R
IS
current sense multiplexer
IS
T
gate
control
load current
lim itation
latch tem per ature
sensor
ERR0
OR
latch
DCR.MUX V
BB
V
DS(SB)
SBM
DCR.
OUT4
OUT3
OUT2
OUT1
OUT0
VBB
OUT5
I
IS 0
@neon
Data Sheet 29 Rev. 1.0, 2008-01-22
SPOC - BTS5672E
Diagnosis
For diagnosis feedback at different operation modes, please see Table 1.
8.1 Diagnosis Word at SPI
The standard diagnosis at the SPI interface provides information about each channel. The error flags, an OR
combination of the over temperature flags and the over load monitoring signals are provided in the SPI standard
diagnosis bits ERRn.
The over load monitoring signals are latched in the error flags and cleared each time the standard diagnosis is
transmitted via SPI. In detail, they are cleared between the second and third raising edge of the SCLK signal.
The over temperature flags, which cause an overheated channel to latch off, are latched directly at the gate control
block. The latches are cleared by SPI command HWCR.CTL.
Please note: The over temperature information is latched twice. When transmitting a clear thermal latch command
(HWCR.CTL), the error flag is cleared during command transmission of the next SPI frame and ready for latching
after the third raising edge of the SCLK signal. As a result, the first standard diagnosis information after a CTL
command will indicate a failure mode at the previously affected channels although the thermal latches have been
cleared already. In case of continuous over load, the error flags are set again immediately because of the over
load monitoring signal.
Table 1 Operation Modes 1)
1) L = low level, H = high level, Z = high impedance, potential depends on leakage currents and external circuit.
x = undefined.
Operation Mode Input Level
OUT.OUTn
Output
Level VOUT
Current
Sense IIS
Error Flag
ERRn2)
2) The error flags are latched until they are transmitted in the standard diagnosis word via SPI.
DCR.
SBM
Normal Operation (OFF) L / 0
(OFF-state)
GND Z 0 1
Short Circuit to GND GND Z 0 1
Thermal shut down Z Z 03) x
Short Circuit to VBB VBB Z 0 0
Open Load Z Z 0 x
Normal Operation (ON) H / 1
(ON-state)
~VBB IL/kILIS 00
Current Limitation < VBB Z1 x
Short Circuit to GND ~GND Z 1 1
Dynamic Temperature Sensor shut down Z Z 1 x
Thermal shut down Z Z 13)
3) The over temperature flag is set latched (in OFF states also) and can be cleared by SPI command HWCR.CTL.
x
Short Circuit to VBB VBB <IL/kILIS 00
Open Load VBB Z0 0
@neon HHH
SPOC - BTS5672E
Diagnosis
Data Sheet 30 Rev. 1.0, 2008-01-22
8.2 Load Current Sense Diagnosis
There is a current sense signal available at pin IS which provides a current proportional to the load current of one
selected channel. The selection is done by a multiplexer which is configured via SPI.
Current Sense Signal
The current sense signal (ratio kILIS = IL / IS) is provided as long as no failure mode occurs.The ratio kILIS can be
adjusted to the load type (LED or bulb) via SPI register PLCR for channels 0 to 2. Usually a resistor RIS is connected
to the current sense pin. It is recommended to use resistors 2.5 kΩ<RIS <7k. A typical value is 3.3 k.
Figure 14 Current Sense Ratio kILIS Channel 0, 1, 2 Bulb and LED mode 1)
0
500
1000
1500
2000
2500
3000
3500
4000
4500
5000
012345
Load current / Proportion of I
Lnom
Normalized k
ilis
value
kilis bulb max
kilis bulb typ
kilis bulb min
kilis led max
kilis led typ
kilis led min
@neon +++ +++
Data Sheet 31 Rev. 1.0, 2008-01-22
SPOC - BTS5672E
Diagnosis
Figure 15 Current Sense Ratio kILIS Channel 3, 41)
Figure 16 Current Sense Ratio kILIS Channel 5 1)
1) The curves show the behavior based on characterization data. The marked points are guaranteed in this Data Sheet in
Section 8.4 (Position 8.4.1).
0
500
1000
1500
2000
2500
3000
3500
4000
0 0,5 1 1,5 2 2,5
Load current / Proportion of I
Lnom
Normalized k
ilis
value
kilis bulb max
kilis bulb typ
kilis bulb min
0
200
400
600
800
1000
1200
1400
1600
1800
2000
0 0,2 0,4 0,6 0,8 1 1,2
Load current / Proportion of I
Lnom
Normalized k
ilis
value
kilis bulb max
kilis bulb typ
kilis bulb min
@neon
SPOC - BTS5672E
Diagnosis
Data Sheet 32 Rev. 1.0, 2008-01-22
In case of over current as well as over temperature, the current sense signal of the affected channel is switched
off. To distinguish between over temperature and over load, the SPI diagnosis word can be used. Whereas the
over load flag is cleared every time the diagnosis is transmitted, the over temperature flag is cleared by a dedicated
SPI command (HWCR.CTL).
Details about timings between the current sense signal IIS and the output voltage VOUT and the load current IL can
be found in Figure 17.
Figure 17 Timing of Current Sense Signal
Current Sense Multiplexer
There is a current sense multiplexer implemented in the SPOC - BTS5672E that routes the sense current of the
selected channel to the diagnosis pin IS. The channel is selected via SPI register DCR.MUX. The sense current
also can be disabled by SPI register DCR.MUX. For details on timing of the current sense multiplexer, please refer
to Figure 18.
Figure 18 Timing of Current Sense Multiplexer
8.3 Switch Bypass Diagnosis
To detect short circuit to VBB, there is a switch bypass monitor implemented. In case of short circuit between the
output pin OUT and VBB in ON-state, the current will flow through the power transistor as well as through the short
circuit (bypass) with undefined ratio. As a result, the current sense signal will show lower values than expected by
the load current. In OFF-state, the output voltage will stay close to VBB potential which means a small VDS.
The switch bypass monitor compares the voltage VDS across the power transistor of that channel which is selected
by the current sense multiplexer (DCR.MUX) with threshold VDS(SB). The result of comparison can be read in SPI
register DCR.SBM.
SenseTiming.emf
IN
V
OUT
I
IS
t
t
t
I
L
t
ON
t
ON
t
sIS(ON)
t
sIS(LC)
OFF
t
OFF
t
dIS (OFF)
OFF
MuxTim ing.em f
CS
I
IS
t
t
000
DCR.MUX 001110 110
t
sIS(EN)
t
sIS(MUX)
t
dIS(MUX )
@neon
Data Sheet 33 Rev. 1.0, 2008-01-22
SPOC - BTS5672E
Diagnosis
8.4 Electrical Characteristics
Unless otherwise specified: VBB = 9 V to 16 V, Tj = -40 °C to +150 °C
typical values: VBB = 13.5 V, Tj = 25 °C
Pos. Parameter Symbol Limit Values Unit Test Conditions
min. typ. max.
Load Current Sense
8.4.1 Current sense ratio kILIS
channel 0, 1, 2 (bulb): PLCR.LEDn = 0
0.600 A
1.3 A
2.6 A
4.0 A
2450
2450
2700
2700
3100
3100
3100
3100
3900
3700
3500
3500
channel 0, 1, 2 (LED): PLCR.LEDn = 1
0.020 A
0.050 A
0.300 A
0.600 A
1.0 A
500
590
680
730
750
950
910
830
830
830
1400
1250
990
930
910
channel 3, 4:
0.020 A
0.050 A
0.150 A
0.300 A
0.600 A
1.3 A
2.0 A
800
1000
1200
1250
1250
1350
1370
1800
1800
1700
1600
1550
1550
1550
2750
2400
2200
1950
1850
1750
1730
channel 5:
0.020 A
0.050 A
0.150 A
0.300 A
0.600 A
1.0 A
330
530
600
620
670
680
800
800
780
770
770
770
1300
1100
980
930
880
860
8.4.2 Current sense voltage limitation VIS(LIM) 0.9VDD VDD 1.1VDD VIIS = 1 mA
@neon
SPOC - BTS5672E
Diagnosis
Data Sheet 34 Rev. 1.0, 2008-01-22
8.4.3 Current sense leakage / offset current IIS(en) ––1µAIL = 0
DCR.MUX = 000B
8.4.4 Current sense leakage, while diagnosis
disabled
IIS(dis) ––1µADCR.MUX = 110B
8.4.5 Current sense settling time after channel
activation
channel 0, 1, 2
tsIS(ON)
––300
µsVBB = 13.5 V
RIS = 3.3 k
PLCR.LEDn = 0
RL = 6.8
––115
PLCR.LEDn = 1
RL = 33
channel 3, 4 180 RL = 18
channel 5 180 RL = 33
8.4.6 Current sense desettling time after
channel deactivation
tdIS(OFF)
––25
µsVBB = 13.5 V 1)
RIS = 3.3 k
PLCR.LEDn = 0
––25 PLCR.LEDn = 1
8.4.7 Current sense settling time after change
of load current
channel 0, 1, 2
tsIS(LC)
––30
µsVBB = 13.5 V
1)
RIS = 3.3 k
PLCR.LEDn = 0
IL = 2.6 A to 1.3 A
channel 3, 4 30 IL = 1.3 A to 0.6 A
channel 5 30 IL = 0.6 A to 0.3 A
8.4.8 Current sense settling time after current
sense activation
tsIS(EN) ––25µsRIS = 3.3 k
DCR.MUX:
110B -> 000B
8.4.9 Current sense settling time after
multiplexer channel change
tsIS(MUX) ––30µsRIS = 3.3 k
DCR.MUX:
000B -> 001B
8.4.10 Current sense deactivation time tdIS(MUX) ––25µsRIS = 3.3 k
DCR.MUX:
1)
001B -> 110B
Switch Bypass Monitor
8.4.11 Switch bypass monitor threshold VDS(SB) 0.7– 2.5V –
1) Not subject to production test, specified by design.
Unless otherwise specified: VBB = 9 V to 16 V, Tj = -40 °C to +150 °C
typical values: VBB = 13.5 V, Tj = 25 °C
Pos. Parameter Symbol Limit Values Unit Test Conditions
min. typ. max.
@neon
Data Sheet 35 Rev. 1.0, 2008-01-22
SPOC - BTS5672E
Diagnosis
8.5 Command Description
DCR
Diagnosis Control Register
W/R RB ADDR 3 2 1 0
read 1 1 1 SBM MUX
write 1 1 1 0 MUX
Input Level
OUT.OUTn
Field Bits Type Description
L / 0
(OFF-state)
MUX 2:0 rw Set Current Sense Multiplexer Configuration
000 IS pin is high impedance
001 IS pin is high impedance
010 IS pin is high impedance
011 IS pin is high impedance
100 IS pin is high impedance
101 IS pin is high impedance
110 IS pin is high impedance
111 Stand-by mode (IS pin is high impedance)
SBM 3 r Switch Bypass Monitor1)
0VDS < VDS(SB)
1VDS > VDS(SB)
1) Invalid in stand-by mode
H / 1
(ON-state)
MUX 2:0 rw Set Current Sense Multiplexer Configuration
000 current sense of channel 0 is routed to IS pin
001 current sense of channel 1 is routed to IS pin
010 current sense of channel 2 is routed to IS pin
011 current sense of channel 3 is routed to IS pin
100 current sense of channel 4 is routed to IS pin
101 current sense of channel 5 is routed to IS pin
110 IS pin is high impedance
111 Stand-by mode (IS pin is high impedance)
SBM 3 r Switch Bypass Monitor1)
0VDS < VDS(SB)
1VDS > VDS(SB)
@neon
SPOC - BTS5672E
Diagnosis
Data Sheet 36 Rev. 1.0, 2008-01-22
Standard Diagnosis
CS76543210
TER 0LHI ERR5 ERR4 ERR3 ERR2 ERR1 ERR0
Field Bits Type Description
ERRn
n = 5 to 0
nrError flag Channel n
0 normal operation
1 failure mode occurred
@neon
Data Sheet 37 Rev. 1.0, 2008-01-22
SPOC - BTS5672E
Serial Peripheral Interface (SPI)
9 Serial Peripheral Interface (SPI)
The serial peripheral interface (SPI) is a full duplex synchronous serial slave interface, which uses four lines: SO,
SI, SCLK and CS. Data is transferred by the lines SI and SO at the rate given by SCLK. The falling edge of CS
indicates the beginning of an access. Data is sampled in on line SI at the falling edge of SCLK and shifted out on
line SO at the rising edge of SCLK. Each access must be terminated by a rising edge of CS. A modulo 8 counter
ensures that data is taken only, when a multiple of 8 bit has been transferred. The interface provides daisy chain
capability.
Figure 19 Serial Peripheral Interface
9.1 SPI Signal Description
CS - Chip Select:
The system micro controller selects the SPOC - BTS5672E by means of the CS pin. Whenever the pin is in low
state, data transfer can take place. When CS is in high state, any signals at the SCLK and SI pins are ignored and
SO is forced into a high impedance state.
CS High to Low transition:
The requested information is transferred into the shift register.
SO changes from high impedance state to high or low state depending on the logic OR combination between
the transmission error flag (TER) and the signal level at pin SI. As a result, even in daisy chain configuration,
a high signal indicates a faulty transmission. This information stays available to the first rising edge of SCLK.
CS Low to High transition:
Command decoding is only done, when after the falling edge of CS exactly a multiple (1, 2, 3, …) of eight SCLK
signals have been detected. In case of faulty transmission, the transmission error flag (TER) is set and the
command is ignored.
Data from shift register is transferred into the addressed register.
SCLK - Serial Clock:
This input pin clocks the internal shift register. The serial input (SI) transfers data into the shift register on the falling
edge of SCLK while the serial output (SO) shifts diagnostic information out on the rising edge of the serial clock.
It is essential that the SCLK pin is in low state whenever chip select CS makes any transition.
SI - Serial Input:
Serial input data bits are shift-in at this pin, the most significant bit first. SI information is read on the falling edge
of SCLK. The input data consists of two parts, control bits followed by data bits. Please refer to Section 9.5 for
further information.
LSB654 321
LSB654 321CS MSB
MSB
SO
SI
CS
SCLK
time
SPI.emf
@neon MCS fiTT
SPOC - BTS5672E
Serial Peripheral Interface (SPI)
Data Sheet 38 Rev. 1.0, 2008-01-22
SO Serial Output:
Data is shifted out serially at this pin, the most significant bit first. SO is in high impedance state until the CS pin
goes to low state. New data will appear at the SO pin following the rising edge of SCLK. Please refer to Section 9.5
for further information.
9.2 Daisy Chain Capability
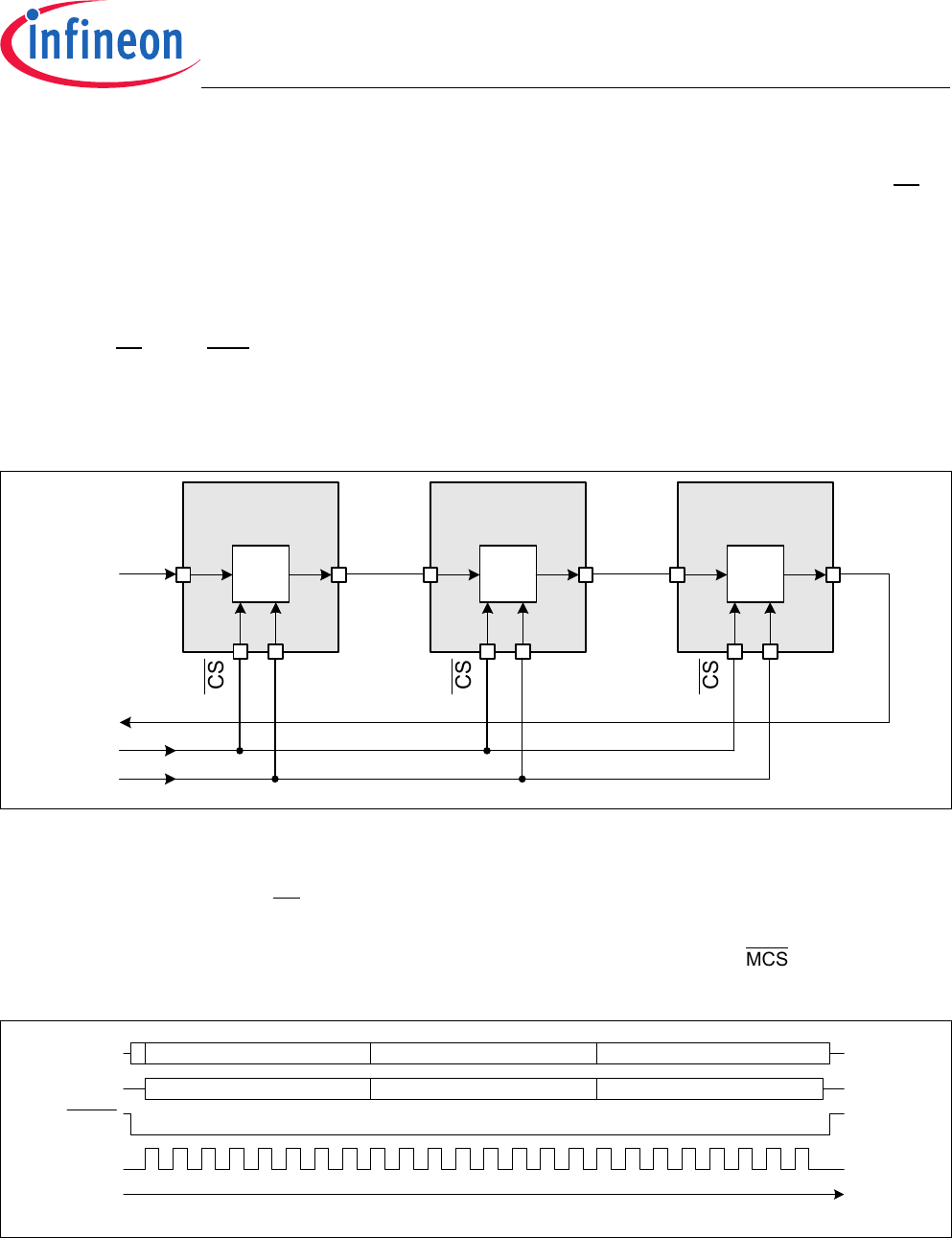
The SPI of SPOC - BTS5672E provides daisy chain capability. In this configuration several devices are activated
by the same CS signal MCS. The SI line of one device is connected with the SO line of another device (see
Figure 20), in order to build a chain. The ends of the chain are connected with the output and input of the master
device, MO and MI respectively. The master device provides the master clock MCLK which is connected to the
SCLK line of each device in the chain.
Figure 20 Daisy Chain Configuration
In the SPI block of each device, there is one shift register where one bit from SI line is shifted in each SCLK. The
bit shifted out occurs at the SO pin. After eight SCLK cycles, the data transfer for one device has been finished.
In single chip configuration, the CS line must turn high to make the device accept the transferred data. In daisy
chain configuration, the data shifted out at device 1 has been shifted in to device 2. When using three devices in
daisy chain, three times eight bits have to be shifted through the devices. After that, the MCS line must turn high
(see Figure 21).
Figure 21 Data Transfer in Daisy Chain Configuration
SI
device 1
SPI
SCLK
SO
CS
SI
device 2
SPI
SCLK
SO
CS
SI
device 3
SPI
SCLK
SO
CS
MO
MI
MCS
MCLK
SPI _DaisyChain . emf
MI
MO
MCS
MCLK
SI device 3 SI device 2 SI device 1
SO devi ce 3 S O devi ce 2 SO devi ce 1
time
SPI _DasyChain2.emf
@neon
Data Sheet 39 Rev. 1.0, 2008-01-22
SPOC - BTS5672E
Serial Peripheral Interface (SPI)
9.3 Timing Diagrams
Figure 22 Timing Diagram SPI Access
9.4 Electrical Characteristics
Unless otherwise specified: VBB = 9 V to 16 V, Tj = -40 °C to +150 °C, VDD = 3.8 V to 5.5 V
typical values: VBB = 13.5 V, Tj = 25 °C, VDD = 4.3 V
Pos. Parameter Symbol Limit Values Unit Test Conditions
min. typ. max.
Input Characteristics (CS, SCLK, SI)
9.4.1 L level of pin
CS
SCLK
SI
VCS(L)
VSCLK(L)
VSI(L)
-0.3
-0.3
-0.3
1.0
1.0
1.0
VVDD = 4.3 V
9.4.2 H level of pin
CS
SCLK
SI
VCS(H)
VSCLK(H)
VSI(H)
2.6
2.6
2.6
5.5
5.5
5.5
VVDD = 4.3 V
9.4.3 L-input pull-up current at CS pin -ICS(L) 10 30 85 µAVDD = 4.3 V
VCS = 0 V
9.4.4 H-input pull-up current at CS pin -ICS(H) 3–85µAVDD = 4.3 V
VCS = 2.6 V
9.4.5 L-input pull-down current at pin
SCLK
SI
ISCLK(L)
ISI(L)
3
3
75
75
µAVDD = 4.3 V
VSCLK = 0.4 V
VSI = 0.4 V
9.4.6 H-input pull-down current at pin
SCLK
SI
ISCLK(H)
ISI(H)
10
10
30
30
75
75
µAVDD = 4.3 V
VSCLK = 4.3 V
VSI = 4.3 V
Output Characteristics (SO)
9.4.7 L level output voltage VSO(L) 0–0.5VISO = -0.5 mA
CS
SCLK
SI
t
CS(lead)
t
CS( td )
t
CS( l a g )
t
SCL K( H)
t
SCL K( L )
t
SCL K( P)
t
SI( su )
t
SI( h)
SO
t
SO( v)
t
SO ( e n )
t
SO( d is)
0.7V
dd
0.2V
dd
0.7V
dd
0.2V
dd
0.7V
dd
0.2V
dd
0.7V
dd
0.2V
dd
SPI Timing.emf
@neon
SPOC - BTS5672E
Serial Peripheral Interface (SPI)
Data Sheet 40 Rev. 1.0, 2008-01-22
9.4.8 H level output voltage VSO(H) VDD -
0.5 V
VDD V ISO = 0.5 mA
VDD = 4.3 V
9.4.9 Output tristate leakage current ISO(OFF) -10 – 10 µAVCS =VDD
Timings
9.4.10 Serial clock frequency fSCLK 0–2MHz
9.4.11 Serial clock period tSCLK(P) 500 – ns
9.4.12 Serial clock high time tSCLK(H) 250 – ns
9.4.13 Serial clock low time tSCLK(L) 250 – ns
9.4.14 Enable lead time (falling CS to rising
SCLK)
tCS(lead) 1––µs–
9.4.15 Enable lag time (falling SCLK to rising
CS)
tCS(lag) 1––µs–
9.4.16 Transfer delay time (rising CS to
falling CS)
tCS(td) 1––µs–
9.4.17 Data setup time (required time SI to
falling SCLK)
tSI(su) 100 – ns
9.4.18 Data hold time (falling SCLK to SI) tSI(h) 100 – ns
9.4.19 Output enable time (falling CS to SO
valid)
tSO(en) ––1µsCL = 20 pF 1)
9.4.20 Output disable time (rising CS to SO
tri-state)
tSO(dis) ––1µsCL = 20 pF 1)
9.4.21 Output data valid time with capacitive
load
tSO(v) 250 ns CL = 20 pF 1)
1) Not subject to production test, specified by design.
Unless otherwise specified: VBB = 9 V to 16 V, Tj = -40 °C to +150 °C, VDD = 3.8 V to 5.5 V
typical values: VBB = 13.5 V, Tj = 25 °C, VDD = 4.3 V
Pos. Parameter Symbol Limit Values Unit Test Conditions
min. typ. max.
@ineon
Data Sheet 41 Rev. 1.0, 2008-01-22
SPOC - BTS5672E
Serial Peripheral Interface (SPI)
9.5 SPI Protocol
Note: Reading a register needs two SPI frames. In the first frame the RD command is sent. In the second frame
the output at SPI signal SO will contain the requested information. A new command can be executed in the
second frame.
CS1)
1) The SO pin shows this information between CS hi -> lo and first SCLK lo -> hi transition.
76543210
Write OUT Register
SI 1 0 OUT5 OUT4 OUT3 OUT2 OUT1 OUT0
Read OUT Register
SI 00xxxxx0
Write Configuration Register
SI 1 1 ADDR DATA
Read Configuration Register
SI 0 1 ADDR x x x 0
Read Standard Diagnosis
SI 0xxxxxx1
Standard Diagnosis
SO TER 0 LHI ERR5 ERR4 ERR3 ERR2 ERR1 ERR0
Second Frame of Read Command
SO TER 1 0 OUT5 OUT4 OUT3 OUT2 OUT1 OUT0
SO TER 1 1 ADDR DATA
Field Bits Type Description
RB 6 rw Register Bank
0Read / write to the OUTx channel
1 Read / write to the other register
TER CS r Transmission Error
0Previous transmission was successful (modulo 8 clocks received)
1 Previous transmission failed or first transmission after reset
OUTx
x = 5 to 0
xrwOutput Control Register of Channel x
0OFF
1ON
ADDR 5:4 rw Address
Pointer to register for read and write command
DATA 3:0 rw Data
Data written to or read from register selected by address ADDR
LHI 6 r Limp Home Enable
0L-input signal at pin LHI
1 H-input signal at pin LHI
ERRx
x = 5 to 0
xrDiagnosis of Channel x
0No failure
1 Over temperature, over load or short circuit
@neon
SPOC - BTS5672E
Serial Peripheral Interface (SPI)
Data Sheet 42 Rev. 1.0, 2008-01-22
9.6 Register Overview
Name W/R RB 5 4 3 2 1 0 default1)
1) The default values are set after reset.
OUT W/R 0 OUT5 OUT4 OUT3 OUT2 OUT1 OUT0 00H
Name W/R RB ADDR 3 2 1 0 default1)
PLCR W/R 1 0 1 PWM LED2 LED1 LED0 00H
HWCR R 1 1 0 0 X STB CTL 02H
W 11000RSTCTL -
DCR R 1 1 1 SBM MUX 07H
W1110 MUX -
@neon
Data Sheet 43 Rev. 1.0, 2008-01-22
SPOC - BTS5672E
Application Description
10 Application Description
Figure 23 Application Circuit Example
*
Limp_Home
µC
e.g. XC2267
VSS
SPI
VBB
LHI
GND
OUT3
OUT2
OUT1
OUT0
OUT4
GND
Limp_home
VCC
Vbat
AD
3.9k
3.9k
3.9k
3.9k
5V
VDD
VDD
100nF
500
8k
8k
3.3k
1k
1nF
GPIO
GPIO
SO
SCLK
SI
CS
IS
IN1
IN2
IN3
IN4
IN0
Circuit_6.emf
SPI
8k
10nF.. 100nF
OUT5
IN5
27 W
27 W
27 W
10 W
10 W
5 W
68nF
* For filtering and
protection purposes
@neon
SPOC - BTS5672E
Package Outlines SPOC - BTS5672E
Data Sheet 44 Rev. 1.0, 2008-01-22
11 Package Outlines SPOC - BTS5672E
Figure 24 PG-DSO-36-36 (Plastic Dual Small Outline Package)
Green Product (RoHS compliant)
To meet the world-wide customer requirements for environmentally friendly products and to be compliant with
government regulations the device is available as a green product. Green products are RoHS-Compliant (i.e
Pb-free finish on leads and suitable for Pb-free soldering according to IPC/JEDEC J-STD-020).
PG-DSO-36-36-PO V01
Exposed Diepad
1) Does not include plastic or metal protrusion of 0.15 max. per side
2) Does not include dambar protrusion of 0.05 max. per side
(spherical shape)
Package
Index Marking Ejector Mark
Leadframe
(flat shape)
Ex Ey
Ex
0.65
Bottom View
0 ... 0.1
Ey
0.35 x 45°
8° MAX.
0.17
M
A-B DC 36x
±0.08
0.33
2)
C0.1
2.45-0.2
2.55 MAX.
-0.2
7.6
1)
±0.2
0.7
±0.3
10.3 D
0.23
+0.09
118
1936
A
B
-0.2
12.8
1)
3619
18 1
Index Marking
(spherical shape)
Exposed Diepad Dimensions
PG-DSO-36-36 C66065-A6940-C016 6.8 4.2
For further information on alternative packages, please visit our website:
http://www.infineon.com/packages.
@neon
Data Sheet 45 Rev. 1.0, 2008-01-22
SPOC - BTS5672E
Revision History
12 Revision History
Revision Date Changes
1.0 08-01-22 Initial revision
Edition 2008-01-22
Published by
Infineon Technologies AG
81726 Munich, Germany
© 2008 Infineon Technologies AG
All Rights Reserved.
Legal Disclaimer
The information given in this document shall in no event be regarded as a guarantee of conditions or
characteristics. With respect to any examples or hints given herein, any typical values stated herein and/or any
information regarding the application of the device, Infineon Technologies hereby disclaims any and all warranties
and liabilities of any kind, including without limitation, warranties of non-infringement of intellectual property rights
of any third party.
Information
For further information on technology, delivery terms and conditions and prices, please contact the nearest
Infineon Technologies Office (www.infineon.com).
Warnings
Due to technical requirements, components may contain dangerous substances. For information on the types in
question, please contact the nearest Infineon Technologies Office.
Infineon Technologies components may be used in life-support devices or systems only with the express written
approval of Infineon Technologies, if a failure of such components can reasonably be expected to cause the failure
of that life-support device or system or to affect the safety or effectiveness of that device or system. Life support
devices or systems are intended to be implanted in the human body or to support and/or maintain and sustain
and/or protect human life. If they fail, it is reasonable to assume that the health of the user or other persons may
be endangered.