Ein- und Ausschalten der Stromversorgung in kontrollierter Reihenfolge
Zur Verfügung gestellt von Nordamerikanische Fachredakteure von DigiKey
2018-11-14
Mikroprozessoren, FPGAs, DSPs, ADCs (Analog-Digital-Wandler) und SoC-Bausteine (System-on-Chip) werden typischerweise über Schienen mit mehreren Spannungen versorgt. Zur Vermeidung von Blockaden, Buskonflikten und hohen Einschaltströmen müssen die Entwickler dafür sorgen, dass die Stromschienen in einer bestimmten Reihenfolge ein- und ausgeschaltet werden. Für diesen als Steuerung der Ein- und Ausschaltreihenfolge oder „Leistungssequenzierung“ bezeichneten Vorgang sind eine Reihe von effektiven Lösungen verfügbar.
Die komplexen Bausteine, deren Spannungsversorgung sequenziell ein- und ausgeschaltet werden muss, verfügen möglicherweise über Stromschienen für den Kern und die Analogblöcke, die vor den digitalen I/O-Schienen eingeschaltet werden müssen. In manchen Fällen ist vielleicht eine andere Reihenfolge erforderlich, aber in jedem Falle ist die richtige Reihenfolge beim Ein- und Ausschalten nötig, um Probleme zu vermeiden.
Die verschiedenen Sequenzierer, Monitore und Überwachungen für die Stromversorgung, die entwickelt wurden, um ein effektives Hoch- und Herunterfahren zu gewährleisten, verfügen auch über Techniken zur Überwachung von Strom- und Spannungspegeln, mit denen Leistungspegel bestimmt werden können, um komplexe integrierte Schaltungen und Baugruppen zu schützen.
In diesem Artikel werden die Einzelheiten der „Leistungssequenzierung“ erläutert, die Spezifikationen und Techniken der Leistungssequenzierung und die Anwendung der Leistungssequenzierung zur Erfüllung von Spezifikationen für das Timing und die Schaltreihenfolge von Stromschienen behandeln.
Warum ist Leistungssequenzierung wichtig?
FPGAs und ähnlich komplexe ICs bestehen intern aus vielen Stromversorgungsbereichen. Die meisten dieser ICs benötigen eine bestimmte Reihenfolge beim Starten oder Herunterfahren. Bei FPGAs werden die Kernlogik, I/O und Hilfsschaltungen im Allgemeinen getrennt versorgt.
Der Kern umfasst typischerweise den Prozessor und die logische Basis des FPGA. Das Profil dieses Bereichs ist durch eine niedrige Spannung und eine hohe Stromstärke gekennzeichnet. Wegen der extrem niedrigen Spannung sind die Anforderungen an die Genauigkeit hoch, und aufgrund der dynamischen Natur der digitalen Last müssen die Transienten-Eigenschaften hervorragend sein. Die I/O repräsentiert die verschiedenen Ein- und Ausgänge des FPGA. Die erforderliche Spannung hängt vom Typ der Schnittstelle ab. Die Spannungspegel sind generell höher als die des Kerns. Die erforderliche Stromstärke hängt von Typ, Anzahl und Geschwindigkeit der I/O ab.
Zu den Hilfsschaltungen gehören die rauschempfindlichen analogen Schaltkreise des FPGA, z. B. PLLs und andere Schaltelemente. Der Strombedarf ist relativ niedrig, aber die Welligkeit der Spannung stellt ein größeres Problem dar und muss minimiert werden. Welligkeit in den analogen Bereichen kann zu erheblichem Jitter und Phasenrauschen bei PLLs und zu störenden Reaktionen von Verstärkern führen.
Das Starten der Stromversorgung für die verschiedenen Bereiche in falscher Reihenfolge kann zu Problemen und zu einer Beschädigung des FPGA. führen. Beachten Sie, dass der I/O-Bereich auf Senden und Empfangen von Daten auf einem Tri-State-fähigen Bus beruht. Die I/O-Steuerung wird vom Core besorgt. Wenn der I/O-Bereich vor dem Kern mit Strom versorgt wird, befinden sich die I/O-Pins in einem undefinierten Zustand. Wenn die externen Bus-Komponenten mit Strom versorgt werden, kann es zu Konkurrenzsituationen auf dem Bus kommen, die zu hohen Stromstärken in den I/O-Treibern führen können. Der Kern sollte also vor dem I/O-Bereich gestartet werden. Es ist wichtig, die Spezifikationen des FPGA-Herstellers zu beachten, um die empfohlene Reihenfolge des Ein- und Ausschaltens der Stromversorgung sowie die maximalen Differenzspannungen zwischen den Stromschienen einhalten zu können.
Ebenso haben Bausteine wie Leistungs-Operationsverstärker zwei Stromversorgungsbereiche: einen analogen und einen digitalen Bereich. Im digitalen Bereich werden die Diagnosestatus-Flags für Übertemperatur und Überstrom der Verstärker mit Strom versorgt. Im digitalen Bereich wird auch die Aktivierungs- und Abschaltfunktion der Verstärker unterstützt. Laut Spezifikation muss der digitale Bereich vor dem analogen Bereich mit Strom versorgt werden, damit die Status-Flags gültig sind, bevor der analoge Bereich mit Strom versorgt wird. Dies geschieht, um eine mögliche Beschädigung des Bausteins zu vermeiden.
Methodologie der Leistungssequenzierung
Es gibt drei verbreitete Arten der Sequenzierung mehrerer Schienen (Abbildung 1). Die am weitesten verbreitete ist sequenziell, wobei zuerst nur eine Versorgungsschiene und nach einer Verzögerung die nächste Schiene eingeschaltet wird. Die Verzögerung wird so festgelegt, dass die erste Schiene eingeregelt ist, bevor die zweite gestartet wird.

Abbildung 1: Diagramm von drei Techniken für die Sequenzierung von Stromversorgungen. Unabhängig von der eingesetzten Technik müssen die Spannungen monoton ansteigen. Ist dies nicht der Fall, so wird der Baustein wegen eines unerwarteten Spannungsabfalls möglicherweise nicht richtig initialisiert. (Bildquelle: DigiKey)
Die zweite Sequenzierungstechnik ist ratiometrisch. Bei dieser Technik starten die Stromschienen gleichzeitig und erreichen ihre Nennspannungen zur gleichen Zeit. Dazu ist es erforderlich, dass die Anstiegszeit der Schienen proportional zur Spannung der Stromschienen ist, um eine gleichzeitige Regelung zu erzielen.
Manche Bausteine vertragen möglicherweise keine zeitweilig auftretenden Spannungsdifferenzen vor dem Erreichen des eingeregelten Zustands. Das kann dazu führen, dass der Baustein während dieses Zeitraums auf einer der Stromversorgungen mehr Strom zieht.
Der dritte Ansatz, ein gleichzeitiger Start, minimiert die vorübergehenden Spannungsdifferenzen. Diese Technik verringert den Umfang und die Dauer dieser Beanspruchung. Eine übliche Implementierung dieser Methode besteht darin, dass alle Stromschienen gleichzeitig hochgefahren werden, wobei der Spannungsanstieg gleichzeitig und in der gleichen Höhe erfolgt, wobei die Schiene mit der höheren Spannung, normalerweise die I/O-Schiene, den Anstieg fortsetzt, nach dem die Schienen mit der geringeren Spannung, z. B. für den Kern, ihren endgültigen Wert erreicht haben.
Unabhängig von der eingesetzten Technik müssen die Spannungen monoton ansteigen. Ist dies nicht der Fall, so wird der Baustein wegen eines unerwarteten Spannungsabfalls möglicherweise nicht richtig initialisiert.
Zusätzlich kann ein Sanftanlauf erfolgen, um Einschaltströme während des Starts zu begrenzen. Diese Technik begrenzt die Stromstärke während des Starts und erlaubt so einen allmählichen Anstieg der Kapazität der Stromschiene beim Start.
Das Herunterfahren der Stromversorgung soll im Allgemeinen in umgekehrter Reihenfolge erfolgen.
Die Wahl der Technik beim Starten und Herunterfahren hängt von der Spezifikation der Bausteine ab.
Beispiele für die Ablaufsteuerung bei der Spannungsversorgung
Ein gleichzeitiger Start ist relativ einfach einzurichten. Die höchste Ausgangsspannung wird an die Eingänge der Regler mit der niedrigeren Spannung angeschlossen (Abbildung 2).

Abbildung 2: Der gemeinsame Start der 5V- und 3,3V-Stromversorgung wird durch Reihenschaltung der Regler bewirkt. (Bildquelle: DigiKey)
In diesem Falle hat die 5V-Stromversorgung die höhere Spannung. Diese wird ebenfalls in den 3,3V-Regler geleitet. Die 5V- und 3,3V-Ausgänge steigen nun in der Darstellung mit minimaler Spannungsdifferenz bis zum Regelungspunkt der 3,3V-Stromversorgung an.
Diese sequenzielle Technik wird am besten mit einem Sequenzierungs-IC wie dem LM3880 von Texas Instruments implementiert. Der LM3880 ist ein einfacher Stromversorgungs-Sequenzierer, der mehrere unabhängige Regler oder Stromversorgungen über ihre Freigabe-Eingänge steuern kann.
Ein aktivierter LM3880 gibt seine drei Ausgangs-Flags mit individuellen Verzögerungen zwischen den Flags nacheinander frei. Dies erlaubt den angeschlossenen Stromversorgungen den Start. Das Herunterfahren erfolgt mit umgekehrter Reihenfolge der Ausgangs-Flags. Ein Beispiel mit dem LM3880 kann mithilfe der WEBENCH Power Designer-Software von Texas Instruments konstruiert werden (Abbildung 3). Dieses kostenlose Software-Tool unterstützt die Entwickler bei der Konstruktion von Versorgungsschaltungen mithilfe von Schaltplänen, Stücklisten und simulierten Ergebnissen. Die Abbildung zeigt den Schaltplan und Diagramme, die Freigabe-Flags und die drei Flag-Ausgänge.
Die Verzögerungszeiten und die Reihenfolge sind beim LM3880 fest, können aber über das integrierte EPROM ab Werk eingestellt werden. Texas Instruments bietet im Sequenzierer LM3881 auch eine per Kondensator programmierbare Verzögerung an.

Abbildung 3: Anzeige des WEBENCH Power Designer mit einem Schaltplan mit LM3880 und Diagramm der Freigabe-Flags für Eingang und Ausgang zur Steuerung externer Regler oder Stromversorgungen. (Bildquelle: DigiKey)
Ein etwas komplizierterer Baustein zur Steuerung der Stromversorgung ist die Sequenzierer-/Spannungsüberwachung LTC2937 von Analog Devices. Ebenso wie der LM3880 kann der LTC2937 die Reihenfolge und Verzögerung von bis zu sechs Stromversorgern oder Reglern steuern (Abbildung 4).

Abbildung 4: Der LTC2937 kann die Reihenfolge von bis zu sechs Stromversorgungen steuern und dabei die Spannungen der Stromschienen überwachen. Mehrere Bausteine können dabei über eine Eindraht-Leitung synchronisiert werden und bis zu 300 Stromversorgungen steuern. (Bildquelle: Analog Devices)
Neben der Sequenzierung von bis zu sechs Stromschienen überwacht der Baustein die Spannungen an diesen Schienen und erkennt Überspannungen, Unterspannungen, Ausfälle und blockierte Einschaltvorgänge. Der Baustein kann so programmiert werden, dass er im Fall eines Fehlers die Stromversorgungen herunterfährt oder neu startet. Die Fehler werden im internen EEPROM protokolliert. Der LTC2937 kann über I2C oder SMBus programmiert und gesteuert werden. Die Programmierung wird von der Software LTpowerPlay GUI von Analog Devices unterstützt. Das EEPROM ermöglicht einen autonomen Betrieb ohne Software. Wenn ein System mehr als sechs Stromschienen benötigt, können mehrere LTC2937s verkettet werden und bis zu 300 Steuerungen steuern.
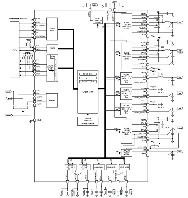
Für komplexe Multi-Core-Prozessoren, FPGAs und andere SoC-Bausteine bietet Texas Instruments die konfigurierbare Energieverwaltungseinheit für mehrere Stromschienen TPS650860 an. Es handelt sich um einen einzigen IC mit einer Eingangsspannung von 5,6 bis 21 V mit drei Abwärtsreglern, einen LDO-Linearregler, drei LDOs für niedrige Eingangsspannungen, Reglern und Lastschaltern (Abbildung 5).
Abbildung 5: Das Funktionsblockdiagramm des TPS650860 von Texas Instruments zeigt 13 geregelte Ausgänge mit kompletter Steuerung der Sequenzierung. (Bildquelle: Texas Instruments)
Dieser Baustein verfügt über 13 geregelte Ausgänge zur Versorgung eines FPGA oder einer anderen Last.
Die Abwärtswandler verfügen über eine integrierte Leistungsstufe, während die Abwärtsregler eine externe Leistungsstufe benötigen. Sowohl Wandler als auch Controller verfügen über integrierte Messeingänge zur Überwachung der Ausgänge der Stromversorgung, deren Sequenzierung überwacht werden kann. Die Lastschalter verfügen über eine Anstiegssteuerung, über die die an diese Schalter angeschlossenen Stromschienen entsprechend den drei Sequenzierungstypen „sequenziell“, „radiometrisch“ oder „gleichzeitig“ programmiert werden können.
Der TPS650860 wird über eine I2C-Schnittstelle gesteuert. Dies ermöglicht eine einfache Steuerung über einen eingebetteten Controller oder über einen angeschlossenen SoC-Manager. Dieser Energieverwaltungs-IC bietet Flexibilität für die Steuerung nach dem neuesten Stand der Technik.
Fazit
Es gibt mehrere Methoden zur Steuerung der Start- und Ausschaltreihenfolge von einfach bis sehr ausgefeilt. Diese unterscheiden sich in der Anzahl der gesteuerten Stromschienen, der Genauigkeit und im Umfang der Steuerfunktionen sowie in den Kosten.
Haftungsausschluss: Die Meinungen, Überzeugungen und Standpunkte der verschiedenen Autoren und/oder Forumsteilnehmer dieser Website spiegeln nicht notwendigerweise die Meinungen, Überzeugungen und Standpunkte der DigiKey oder offiziellen Politik der DigiKey wider.


