Radio Links for Driverless Cars
Zur Verfügung gestellt von Europäische Fachredakteure von DigiKey
2016-12-01
The evolution of radio links for autonomous vehicles has been variable. Specifications such as the Digital Short-Range Communications (DSRC) at 5.9 GHz started out as vehicle-to-infrastructure (V2I) systems for tolls, and have moved to adopt other infrastructure applications such as providing information on speed limits so that cameras are not required to detect road signs.
However, the frequency band allocations have varied around the world and not having widespread V2I infrastructure has limited the use of the radio technology for autonomous operation. Data from roadside units (RSUs) can help the autonomous control system by providing the speed limit data and other useful information such as the location, speed and direction of nearby vehicles, perhaps around a corner where they are not visible by other means. However, the data is not always available from an RSU so other detection systems such as cameras have to be used for vehicles travelling on roads that are not served. This is seen as increasing the cost and complexity of the development.
As a result, the requirement for a wireless link has not been seen as an essential part of the operation of an autonomous vehicle until recently. While initial developments focused on the autonomous control systems, more recent designs have acknowledged the need for wireless links for a number of different applications.
These applications vary from downloading up-to-date map data so that the vehicle knows exactly what is meant to be, to receiving traffic information from other vehicles. Radio links can also be used for ‘platooning’, allowing vehicles, usually trucks, to maintain a constant distance from each other.

Figure 1: General Motors is one of the first carmakers to use Digital Short Range Communications links between vehicles, starting with its Cadillac CTS model at the end of 2016.
While automakers such as General Motors have adopted DSRC for the Cadillac CTS to be launched at the end of 2016, LTE cellular is also being examined as a possible wireless connection technology.
However, the latency of LTE networks remains an issue, particularly for V2V applications. Data from one vehicle travels from the LTE module to the basestation, through the operator network, back through the same basestation to a nearby vehicle. DSRC travels directly between the vehicles.

Figure 2: The different uses of DSRC and cellular for wireless links to autonomous vehicles (Courtesy of NXP).
So instead, LTE-based infotainment sub-systems are being used for delivering information and entertainment services to passengers in driverless cars, while the DSRC-based V2X sub-system is used for delivering safety data. The infotainment sub-system will be built to a price, and the V2X sub-system will be built to a standard with encryption, lower latency and reliability as key features.
For example, Volvo has driven three trucks in a ‘platoon’ across Europe using 802.11p wireless technology to communicate directly from the front vehicle to the other two. The communication system is linked directly to the radar-based adaptive cruise control system to maintain a 1 second gap between the vehicles. This then allows the following trucks to operate autonomously.
The IEEE 802.11p standard uses channels of 75 MHz bandwidth in the 5.9 GHz band (5.850-5.925 GHz), while DRSC uses 5.725 MHz to 5.875 MHz. They both use half the bandwidth, or double the transmission time, of 802.11a Wi-Fi, to allow the receiver to handle signal echoes reflected from other cars or houses more reliably.
| Parameters | 802.11a | 802.11p |
|---|---|---|
| Channel Bandwidth (MHz) | 20 | 10 |
| Bit Rates (Mbps) | 6, 9, 12, 18, 24, 36, 48, 54 | 3, 4.5, 6, 9, 12, 18, 24, 27 |
| OFDM symbol duration (μs) | 4 | 8 |
| Guard duration (μs) | 0.8 | 1.6 |
| Preamble duration (μs) | 20 | 40 |
| Subcarrier Spacing (KHz) | 312.5 | 156.25 |
Figure 3: The difference between 802.11a and 802.11p (Courtesy MathWorks).
While 802.11p is the basis for DSRC, systems in Europe are currently not totally compatible. Therefore, standardization is essential in order to ensure pan-European interoperability.
The DSRC technology is evolving from the existing Wi-Fi 802.11ac technology such as the Cypress BCM89359. This is the first Wi-Fi/Bluetooth Smart 2X2 MIMO combo chip with Real Simultaneous Dual Band (RSDB) support as well as a stand-alone tri-mode Bluetooth Smart (version 4.2) system-on-a-chip (SoC). It has been optimized to meet the rigorous standards of the automotive industry and tested to AECQ100 automotive environmental stress requirements, with full production part approval process (PPAP) support.
The SoC is designed to work with Apple CarPlay and Google Auto Link with multi-band concurrent automotive infotainment and telematics operation using two sets of antennas in a 2 x 2 MIMO architecture for higher performance links.
For reliable links, the 802.11p wireless devices will also need a front end.
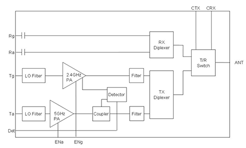
The SE5503A from Skyworks is a complete 802.11a/b/g/n WLAN RF front-end module providing all the functionality of the power amplifiers, filtering, power detector, T/R switch, diplexers and associated matching.

Figure 4: The Skyworks SE5503 provides all the front-end elements for a 5 GHz DSRC data link.
The SE5503A provides a complete 2.4 GHz and 5 GHz WLAN RF solution from the output of the transceiver to the antenna in an ultra compact form factor. All the RF ports are matched to 50 Ω to simplify PCB layout and the interface to the transceiver RFIC. The SE5503A also includes a transmitter power detector with 20 dB of dynamic range for each transmit chain. Each power amplifier has a separate digital enable control for transmitter on/off control. The power ramp rise/fall time is less than 0.7 μs and the front end also provides a notch filter from 3.260-3.267 GHz and 3.28-3.89 GHz prior to the input of each 2.4 GHz and 5 GHz power amplifiers, respectively. These are used to remove interfering harmonics.
This can be used to boost the sensitivity of the receiver and the performance of the transmitter, reducing any latency issues and enhancing the range. If a vehicle can obtain data from another car at a greater distance it has more time to make critical decisions about whether to slow down or brake. This capability can also be used to manage traffic to reduce or eliminate stop-start road conditions by slightly reducing the speed of all the autonomous vehicles on the road.
Encryption
There is also an increasing acknowledgement for the need for encryption of the wireless links, but there are several different architectural choices for the implementation. Protecting the wireless link avoids spoofing of the data, where hackers can provide false data to a vehicle, for example to convince it that there is an accident and it needs to stop. LTE systems are already encrypted from the basestation with decryption handled in the receiver.
Where the encryption takes place in DSRC implementations is a key question for the system developer. The encrypted packets can be decrypted at the DSRC receiver, or sent through to the central controller. Decryption at the receiver takes more processing power to handle millions of packets a second and still maintain a low latency. The advantage is that packets can then be distributed from the receiver to different locations, with map updates sent directly to the map sub-system for example.
The packets can also be sent to the central processing unit to decrypt, assess and distribute. This can create a bottleneck in data I/O and on the bus connections, with encrypted and unencrypted data travelling on the same network. This then requires an additional level of prioritization that adds significant complexity to the system architecture.
An alternative solution is a scheme that identifies high priority packets for immediate decryption and lower priority, less time-dependent packets that can be decoded later. However this is then a system software issue.
Conclusion
Using 802.11p wireless for autonomous vehicles builds on the established technology of 5 GHz Wi-Fi and RF front-end designs. Being able to provide the RF connection to other neighboring vehicles and roadside units with low latency brings a wide range of opportunities for enhancing the safety of driverless cars. Data from other cars and a roadside network can provide key data in a timely and efficient manner, providing additional safety data to support other sensors. LTE can be used for some data applications, but developers are looking at the convergence of LTE and Wi-Fi low latency technologies in the next generation of 5G wireless from 2020 for practical use in autonomous vehicles.
While the technology is maturing, the design options are still being evaluated, particularly for security. Ensuring that all this data travelling between cars and RSUs is secure is a vitally important requirement that is having a major impact on the design and development of the electronic control units, power consumption and performance requirements of the controllers and networks within the vehicle. These are the issues that are being evaluated and resolved at the moment for autonomous vehicles that will be launched in the 2018 to 2020 timeframe.
Haftungsausschluss: Die Meinungen, Überzeugungen und Standpunkte der verschiedenen Autoren und/oder Forumsteilnehmer dieser Website spiegeln nicht notwendigerweise die Meinungen, Überzeugungen und Standpunkte der DigiKey oder offiziellen Politik der DigiKey wider.

