The IoT Dons Sensor-based Wearables
Zur Verfügung gestellt von Electronic Products
2015-01-29
Wearables will represent a substantial segment within the Internet of Things. Sensor-based and wirelessly connected, wearables are moving from Star Trek wannabes to viable smart watches, fitness bands, and connected eyewear (e.g., Google Glass) already on the market. What will it take to create an adoption explosion? Wearables will need a reasonably long battery life, adequate privacy protection, and low cost.
The money is there to take wearable technology from fad to fashion. According to IDTechEx, Microsoft, Google, Cisco, Apple, and Oracle together hold $245 billion in cash and all are intensely interested in wearable technology, IoT and IoP (Internet of People). Announcements of available funds are headlined regularly, including Salesforce Ventures’ $100 million investment fund dedicated to new mobile apps and connected products.
A good indicator that style is on the horizon is also seen in Intel’s recent announcement with Fossil for wearable technology development. During Intel’s latest Intel Developer Forum, Brian Krzanich, the company’s CEO, indicated that it would be continuing down the wearable path by introducing additional Internet of Things platforms and systems. The company’s Edison platform, for example, is a tiny computer that makes use of a 22 nm chip with Wi-Fi and Bluetooth capability designed in part for the next generation of wearable devices. Plans include greater usability and fashion—the latter being a critical factor for adoption by the masses.
While the concept of wearables is not new, their functional use so far has really been more in the industrial sector where a handful of adopters are using such tools as MicroOptical to display service instructions and illustrate parts breakdowns. Google Glass has also been used in plant-asset maintenance as well as in fitness and medical segments.
All of these applications will rely on underlying sensors to bring exciting features to new products. For example, such sensors as those found in the Texas Instruments 2.4 GHz Bluetooth low-energy system-on-a-chip SensorTag development kit and STMicroelectronics’ L3GD20 MEMS Motion Sensors and the company’s BlueNRG are examples of the types of products currently used, as are the Honeywell magnetoresistive sensor ICs. Let’s look at why.
Bluetooth technology offers energy efficiency, low cost, high security, and easy implementation. In other words, it’s a natural for wearable communications. Texas Instruments’ CC2541SensorTag dev kit is designed to simplify Bluetooth low-energy sensor applications development. With Bluetooth, app developers can quickly and easily write smartphone apps for Bluetooth low-energy accessories without the need for additional embedded hardware or software development. The SensorTag kit (Figure 1) includes:
- 1x CC2541 SensorTag with enclosure
- 1x CR2032 battery
- 1x screw (for the enclosure)
- Quick Start Guide

Figure 1: The Texas Instruments SensorTag Development provides six sensors to deliver simplicity and ease of design to developers.
The SensorTag kit includes the following sensors:
- IR temperature sensor (TMP006) from Texas Instruments
- Humidity sensor from Sensirion
- Pressure sensor from Epcos
- Accelerometer from Kionix
- Gyroscope from InvenSense
- Magnetometer (MAG3110) from Freescale

Figure 2: TI SensorTag Block Diagram.
The CC2541 is well suited for systems where ultra-low-power consumption is necessary. The device provides for a short transition times between operating modes further enabling low-power consumption. Applications include 2.4 GHz proprietary and Bluetooth low-energy systems, human-interface devices, consumer electronics, and mobile phone apps.
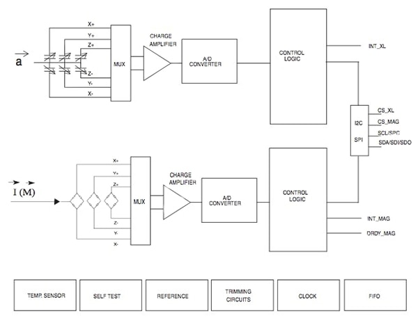
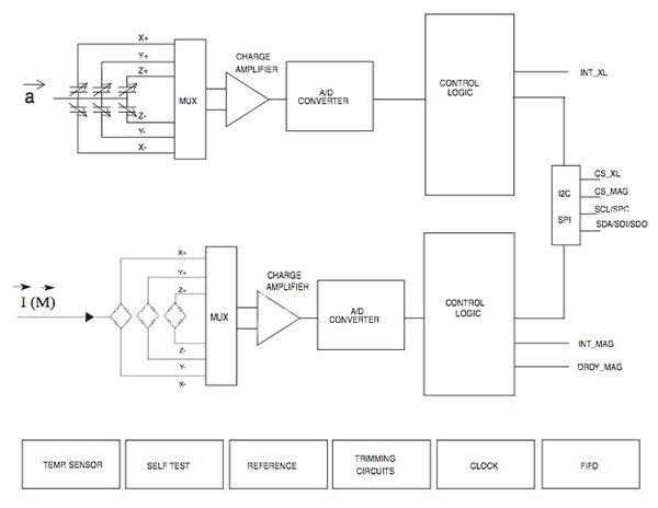
With wearables, it’s important to know where you are and where you’re headed, and the sensor that provides this information must be small, high performance, and reliable. Such is the case with the STMicroelectronics LSM303C e-compass (Figure 3). The device is claimed to be the world’s smallest e-compass, combining a 3-axis accelerometer and 3-axis magnetometer in a single package.

Figure 3: A block diagram of the STMicroelectronics LSM303C e-compass that targets wearables.
Measuring a mere 2 mm x 2 mm, the tiny chip used for advanced navigation and motion-sensitive features, is almost 20 percent smaller than similar devices.
It offers:
- Tilt-compensated compasses
- Map rotation
- Position detection
- Motion-activated functions
- Free-fall detection
- Click/double-click recognition
- Pedometer
- Intelligent-power saving
Naturally, it’s not all about sensors themselves—there are enabling technologies that provide the glue to wearable applications such as the BlueNRG Bluetooth low- energy wireless network processor by STMicroelectronics. Used in such applications as watches, fitness, wellness, and sports, as well as consumer medical, and assisted living, the BlueNRG can act either as master or slave.
The complete Bluetooth low-energy stack runs on the embedded ARM Cortex-M0 core while non-volatile Flash memory allows for on-field upgrading. Designed to meet tight peak-current requirements when using standard coin-cell batteries, the maximum peak current is only 10 mA at 1 dBm of output power. Ultra-low-power sleep modes and very-short transition times between operating modes allow very-low average current consumption, for longer battery life. The BlueNRG also offers the option of interfacing with external microcontrollers using SPI transport layer.
Addressing the need for ultra-sensitivity, low-current operation, and subminiature footprint is Honeywell’s Nanopower series. The Nanopower series is available in two magnetic sensitivities to accommodate a variety of design needs, including the SM351LT for use in applications that need ultra-high magnetic sensitivity and a very-low current draw. The SM353LT, in comparison, fits apps that need very-high magnetic sensitivity with very-low current draw.
The combination of sensor-rich IoT and wearable apps will continue to grow in applications where monitoring of real-time events and communication of the results is important. It will also expand wherever personnel in the field need access to data to either fix problems, or evaluate existing conditions. As the technologies are more frequently adopted, the cost will come down, opening up even greater use across new applications not even imagined today.
For more information on the parts discussed in this article, use the links provided to access product information pages on the DigiKey website.
Haftungsausschluss: Die Meinungen, Überzeugungen und Standpunkte der verschiedenen Autoren und/oder Forumsteilnehmer dieser Website spiegeln nicht notwendigerweise die Meinungen, Überzeugungen und Standpunkte der DigiKey oder offiziellen Politik der DigiKey wider.

