Datenblatt für DAC1282 von Texas Instruments

I TEXAS INSTRUMENTS X Dvuu ,i7—»— vREF u w 5mm g 5mm wmm Gcncvamr AVDD
Digital
Signal
Generator
Serial
Interface
VREFDVDD AVDD
DGND AVSS
CLK
SW/TD
SYNC
CS
DIN
DOUT
SCLK
PWDNRESET/
DAC1282
Voltage
Output
DAC
VOUTN
VOUTP
Switch In
Optional Bitstream Input
Switch Out
Product
Folder
Sample &
Buy
Technical
Documents
Tools &
Software
Support &
Community
DAC1282, DAC1282A
SBAS490B –DECEMBER 2011REVISED MAY 2015
DAC1282 Low Distortion Digital-to-Analog Converter for Seismic
1 Features 3 Description
The DAC1282 is a fully-integrated digital-to-analog
1 Single-Chip Test Signal Generator converter (DAC) providing low distortion, digital
Buffered Voltage Output synthesized voltage output suitable for testing of
High Performance: seismic equipment. The DAC1282 achieves very high
performance in a small package with low power.
THD: –125 dB (G = 1/1 to 1/8) Together, with the high-performance ADS1281 and
SNR: 120 dB (413 Hz BW, G = 1/1) ADS1282 analog-to-digital converters (ADCs), these
Analog and Digital Gain Control devices create a measurement system that meets the
exacting demands of seismic data acquisition
Output Frequency: 0.488 Hz to 250 Hz equipment.
Sine, Pulse, and DC Modes The DAC1282 integrates a digital signal generator, a
Digital Data Input Mode DAC, and an output amplifier providing sine wave, dc,
Low On-Resistance Signal Switch and pulse output voltages.
Sync Input The output frequency is programmable from 0.5 Hz to
Power-Down Mode 250 Hz and the magnitude is scaled by both analog
Analog Supply: 5 V or ±2.5 V and digital control. The analog gain is adjustable in 6-
dB steps and the digital gain in 0.5-dB steps. The
Digital Supply: 1.8 V to 3.3 V analog gain settings match those of the ADS1282 for
Power: 38 mW testing at all gains with high resolution.
Package: TSSOP-24 The DAC1282 also provides pulse outputs. The pulse
Operating Range: –50°C to +125°C amplitude is user-programmed and then selected by
the pin for precise timing. Custom output signals can
2 Applications be generated by applying an external bitstream
Energy Exploration pattern.
Seismic Monitoring Systems A signal switch can be used to connect the DAC
output to sensors for THD and impulse testing. The
High-Accuracy Instrumentation switch timing is controlled by pin and by command.
A SYNC pin synchronizes the DAC output to the
analog-to-digital converter (ADC) sample interval. A
power-down input disables the device, reducing
power consumption to microwatts.
1
An IMPORTANT NOTICE at the end of this data sheet addresses availability, warranty, changes, use in safety-critical applications,
intellectual property matters and other important disclaimers. PRODUCTION DATA.
l TEXAS INSTRUMENTS
DAC1282, DAC1282A
SBAS490B DECEMBER 2011REVISED MAY 2015
www.ti.com
Table of Contents
8.1 Overview ................................................................. 14
1 Features.................................................................. 18.2 Feature Description................................................. 16
2 Applications ........................................................... 18.3 Device Functional Modes........................................ 30
3 Description ............................................................. 18.4 Programming........................................................... 31
4 Revision History..................................................... 28.5 Register Map........................................................... 33
5 Device Comparison ............................................... 39 Application and Implementation ........................ 36
6 Pin Configuration and Functions......................... 39.1 Application Information............................................ 36
7 Specifications......................................................... 49.2 Typical Applications ................................................ 37
7.1 Absolute Maximum Ratings .................................... 410 Device and Documentation Support ................. 39
7.2 ESD Ratings.............................................................. 410.1 Community Resources.......................................... 39
7.3 Thermal Information.................................................. 410.2 Trademarks........................................................... 39
7.4 Electrical Characteristics........................................... 510.3 Electrostatic Discharge Caution............................ 39
7.5 Timing Requirements: Serial Peripheral Interface 10.4 Glossary................................................................ 39
(SPI) Timing............................................................... 811 Mechanical, Packaging, and Orderable
7.6 Typical Characteristics.............................................. 9Information ........................................................... 39
8 Detailed Description............................................ 14
4 Revision History
NOTE: Page numbers for previous revisions may differ from page numbers in the current version.
Changes from Revision A (September 2012) to Revision B Page
Added ADS1282A device to data sheet................................................................................................................................. 1
Changes from Original (December 2011) to Revision A Page
Updated Figure 16................................................................................................................................................................ 10
Added last paragraph to Signal Output section.................................................................................................................... 16
Changed tCSHD minimum specification in Table 11............................................................................................................... 25
Changed min, max, and unit columns in Table 12............................................................................................................... 26
2Submit Documentation Feedback Copyright © 2011–2015, Texas Instruments Incorporated
Product Folder Links: DAC1282
*9 TEXAS INSTRUMENTS 333333333333 O CCCCCCCCCCCC ,
CS
SCLK
DIN
DOUT
DVDD
DGND
CLK
SW/TD
SYNC
RESET/PWDN
DGND
VREF
AVDD
AVSS
CAPP
VOUTP
SWINP
SWOUTP
SWOUTN
SWINN
VOUTN
CAPN
AVSS
AVDD
1
2
3
4
5
6
7
8
9
10
11
12
24
23
22
21
20
19
18
17
16
15
14
13
DAC1282, DAC1282A
www.ti.com
SBAS490B –DECEMBER 2011REVISED MAY 2015
5 Device Comparison
DEVICE DESCRIPTION
ADS1281 High-resolution ADC
ADS1282 High-resolution ADC with PGA
REF5050 Low-drift 5 V reference
6 Pin Configuration and Functions
PW Package
24-Pin TSSOP
Top VIew
Pin Functions
PIN FUNCTION DESCRIPTION
NAME NO.
AVDD 13, 24 Analog supply Analog positive power supply
AVSS 14 Analog supply Analog negative power supply, reference ground
AVSS 23 Analog supply Analog negative power supply
CAPN 15 Analog External capacitor connected to VOUTN
CAPP 22 Analog External capacitor connected to VOUTP
CS 1 Digital input Serial port chip select
CLK 7 Digital input Master clock 4.096 MHz
DGND 6 Ground Key digital ground
DGND 11 Ground Digital ground
DIN 3 Digital input Serial port data input
DOUT 4 Digital output Serial port data output
DVDD 5 Digital supply Digital power supply: 1.65 V to 3.6 V
RESET/PWDN 10 Digital input Reset/power-down input
SCLK 2 Digital input Serial port shift clock
SW/TD 8 Digital input Switch control input or bitstream input
SWINN 17 Analog I/O Switch negative input
SWINP 20 Analog I/O Switch positive input
SWOUTN 18 Analog I/O Switch negative output
SWOUTP 19 Analog I/O Switch positive output
SYNC 9 Digital input Synchronize input
VOUTN 16 Analog output Negative voltage output
VOUTP 21 Analog output Positive voltage output
VREF 12 Analog input Reference voltage input
Copyright © 2011–2015, Texas Instruments Incorporated Submit Documentation Feedback 3
Product Folder Links: DAC1282
l TEXAS INSTRUMENTS
DAC1282, DAC1282A
SBAS490B DECEMBER 2011REVISED MAY 2015
www.ti.com
7 Specifications
7.1 Absolute Maximum Ratings(1)
Over operating free-air temperature range, unless otherwise noted.
MIN MAX UNIT
AVDD to AVSS –0.3 +5.5 V
AVSS to DGND –2.8 +0.3 V
DVDD to DGND –0.3 +3.6 V
Input current continuous –10 +10 mA
Analog input/output voltage AVSS – 0.3 AVDD + 0.3 V
Switch current –60 +60 mA
Digital input voltage to DGND –0.3 DVDD + 0.3 V
Operating temperature range –50 +125 °C
Storage temperature, Tstg –60 +150 °C
(1) Stresses above these ratings may cause permanent damage. Exposure to absolute maximum conditions for extended periods may
degrade device reliability. These are stress ratings only, and functional operation of the device at these or any other conditions beyond
those specified is not implied.
7.2 ESD Ratings
VALUE UNIT
Human-body model (HBM), per ANSI/ESDA/JEDEC JS-001(1) ±2000
Electrostatic
V(ESD) V
discharge Charged-device model (CDM), per JEDEC specification JESD22-C101(2) ±500
(1) JEDEC document JEP155 states that 500-V HBM allows safe manufacturing with a standard ESD control process.
(2) JEDEC document JEP157 states that 250-V CDM allows safe manufacturing with a standard ESD control process.
7.3 Thermal Information
PW (TSSOP)
THERMAL METRIC(1) UNIT
24 PINS
RθJA Junction-to-ambient thermal resistance 78.3
RθJC(top) Junction-to-case (top) thermal resistance 12.1
RθJB Junction-to-board thermal resistance 33.8 °C/W
ψJT Junction-to-top characterization parameter 0.3
ψJB Junction-to-board characterization parameter 33.5
RθJC(bot) Junction-to-case (bottom) thermal resistance N/A
(1) For more information about traditional and new thermal metrics, see the IC Package Thermal Metrics application report, SPRA953.
4Submit Documentation Feedback Copyright © 2011–2015, Texas Instruments Incorporated
Product Folder Links: DAC1282
l TEXAS INSTRUMENTS
DAC1282, DAC1282A
www.ti.com
SBAS490B –DECEMBER 2011REVISED MAY 2015
7.4 Electrical Characteristics
Minimum and maximum specifications are at TA= –40°C to +85°C. Typical specifications are at TA= +25°C, AVDD = +2.5 V,
AVSS = –2.5 V, fCLK = 4.096 MHz, VREF = 5 V, and DVDD = 3.3 V (unless otherwise noted). Refer to Figure 50. DAC1282A
supports gains = 1/1, 1/4, and 1/16 only.
PARAMETER TEST CONDITIONS MIN TYP MAX UNIT
ANALOG OUTPUT (VOUTP, VOUTN)
Full-scale output voltage(1) Gain = 1/1 to 1/64 ±VREF /2 × gain V
Output common-mode voltage(2) –0.1 V
Differential output impedance 1.6
CLOAD Capacitive load 2 nF
RLOAD Resistive load 100 Ω
Output current limit(3) ±60 mA
TA= +25°C 2
High-Z output leakage nA
TA= +85°C 50
DC PERFORMANCE (Excluding Pulse Mode)
Gain error Gain = 1/1 ±0.1% ±0.75%
Gain match Relative to gain = 1/1 ±0.05% ±0.5%
Gain drift 2 ppm/°C
±(75/gain) + ppm
Offset Gain = 1/1 to 1/64 ±(7/gain) + 50 300 FSR(4)
ppm
Offset drift 1.5 FSR/°C
AC PERFORMANCE
Gain = 1/1 –125 –118 dB
Gain = 1/2, 1/4, 1/8 –125 dB
DAC1282 Gain = 1/16 –123 dB
THD Total harmonic distortion(5) Gain = 1/32 –115 dB
Gain = 1/64 –111 dB
Gain = 1/1 –118 –106 dB
DAC1282A Gain = 1/4, 1/16 –118 dB
Gain = 1/1 116 120 dB
Gain = 1/2 119 dB
Gain = 1/4 117 dB
SNR Signal-to-noise ratio(6) Gain = 1/8 114 dB
Gain = 1/16 110 dB
Gain = 1/32 106 dB
Gain = 1/64 100 dB
Output frequency 0.4883 250 Hz
Digital gain 0.5-dB steps Full mute 0 dB
AVDD, AVSS 85 dB
PSR Power-supply rejection 60-Hz ac, gain = 1/8
DVDD 120 dB
(1) Full-scale differential output voltage: VOUT = (VOUTP – VOUTN) = ±VREF/2 × Gain. Gain is the DAC analog gain.
(2) Output common-mode voltage scales with analog supply voltage: VCOM = 0.48 × (AVDD – AVSS) + AVSS.
(3) Sink or source current limit of VOUTP and VOUTN.
(4) FSR – full-scale range = VREF × gain.
(5) THD = total harmonic distortion. THD is measured by the ADS1282, and is the sum of first nine harmonics using complementing gain.
fOUT = 31.25 Hz, VOUT – 0.5 dBFS, no load.
(6) SNR = signal-to-noise ratio. SNR is measured by the ADS1282 over a 413-Hz bandwidth using complementing gain. fOUT = 31.25 Hz
and VOUT – 0.5 dBFS.
Copyright © 2011–2015, Texas Instruments Incorporated Submit Documentation Feedback 5
Product Folder Links: DAC1282
l TEXAS INSTRUMENTS
DAC1282, DAC1282A
SBAS490B DECEMBER 2011REVISED MAY 2015
www.ti.com
Electrical Characteristics (continued)
Minimum and maximum specifications are at TA= –40°C to +85°C. Typical specifications are at TA= +25°C, AVDD = +2.5 V,
AVSS = –2.5 V, fCLK = 4.096 MHz, VREF = 5 V, and DVDD = 3.3 V (unless otherwise noted). Refer to Figure 50. DAC1282A
supports gains = 1/1, 1/4, and 1/16 only.
PARAMETER TEST CONDITIONS MIN TYP MAX UNIT
PULSE MODE
Output levels 31 steps, approximate 3 dB per step ±0.0195 ±2.5 V
Gain error ±0.1% ±0.75%
Gain drift 3 ppm/°C
Offset ±0.5 ±3 mV
Offset drift 3 µV/°C
Output noise(7) 1.5 µVRMS
Slew rate 5 V/µs
Settling time 0.1% final value 25 µs
DC MODE
Resolution 24 Bits
Step response 100 µs
Gain = 1/1 1.3 µVRMS
Gain = 1/2 1.4 µVRMS
Gain = 1/4 1.8 µVRMS
DC noise(8) Gain = 1/8 2.7 µVRMS
Gain = 1/16 4.7 µVRMS
Gain = 1/32 8.5 µVRMS
Gain = 1/64 16 µVRMS
DIGITAL DATA MODE
Data clock rate fCLK/16 Hz
Ones-density full-scale modulation +FS and –FS, respectively 25% 75%
Signal bandwidth –3 dB 8.2 kHz
REFERENCE VOLTAGE INPUT (VREF)
Reference voltage, VREF = VREF – AVSS 2.4 5 AVDD + 0.25 V
Operating 220 kΩ
Reference input impedance Power-down 10 MΩ
SIGNAL SWITCH
Signal range AVSS AVDD V
Current Continuous ±50 mA
Differential on-resistance VSWIN , VSWOUT = 0 V 2.8 Ω
Differential on-resistance flatness VSWIN, VSWOUT = AVDD to AVSS 0.7 Ω
On-resistance match between outputs VSWIN , VSWOUT = 0 V 0.04 Ω
TA= +25°C ±0.1
Off-leakage current(9) nA
TA= +85°C ±5
Off-isolation(10) 120 dB
DIGITAL INPUT/OUTPUT (DVDD = 1.65 V to 3.6 V)
VOH IOH = 1 mA 0.8 × DVDD V
VOL IOL = 1 mA 0.2 × DVDD V
VIH 0.8 × DVDD DVDD V
VIL DGND 0.2 × DVDD V
Input hysteresis 0.5 V
Input leakage ±10 µA
fCLK CLK Input 1 4.096 4.225 MHz
(7) VOUT = 0 V. Pulse mode output noise is measured by the ADS1282, over a 413-Hz bandwidth using ADC gain = 1.
(8) VOUT = 0 V. DC noise is measured by the ADS1282, over a 413-Hz bandwidth using complementing gain. DC noise is referred to a
1.77-V full-scale ADC output. Divide output-referred noise by the ADC gain to yield input-referred noise.
(9) Switch input or output voltage = AVDD – 0.5 V to AVSS + 0.5 V.
(10) f = 31.25 Hz, 1.77 VRMS. Switch output loaded 2 x 10 kΩto mid-supply range.
6Submit Documentation Feedback Copyright © 2011–2015, Texas Instruments Incorporated
Product Folder Links: DAC1282
l TEXAS INSTRUMENTS
DAC1282, DAC1282A
www.ti.com
SBAS490B –DECEMBER 2011REVISED MAY 2015
Electrical Characteristics (continued)
Minimum and maximum specifications are at TA= –40°C to +85°C. Typical specifications are at TA= +25°C, AVDD = +2.5 V,
AVSS = –2.5 V, fCLK = 4.096 MHz, VREF = 5 V, and DVDD = 3.3 V (unless otherwise noted). Refer to Figure 50. DAC1282A
supports gains = 1/1, 1/4, and 1/16 only.
PARAMETER TEST CONDITIONS MIN TYP MAX UNIT
POWER SUPPLY
AVSS –2.6 0 V
AVDD AVSS + 4.75 AVSS + 5.25 V
DVDD 1.65 3.6 V
Gain = 1/1, VOUT = 0 V 7.4 8.5 mA(11)
AVDD, AVSS current Pulse mode, VOUT = 0 V 7 mA
Shutdown 1 10 µA
Operating 180 300 µA
DVDD current Shutdown(12) 1 10 µA
Operating 38 44 mW
Power Shutdown(12) 10 85 µW
TEMPERATURE RANGE
Specified temperature range –40 +85 °C
Operating temperature range –50 +125 °C
Storage temperature range –65 +150 °C
(11) Analog supply current scales with gain as follows:
IAVDD and IAVSS = 0.016 × VREF × (44 × Gain + 1) + 3.8 (mA).
(12) Digital inputs stopped and maintained at VIH or VIL level.
Copyright © 2011–2015, Texas Instruments Incorporated Submit Documentation Feedback 7
Product Folder Links: DAC1282
‘5‘ TEXAS INSTRUMENTS _< ¢="" +h="" ¢="" xxxxxxxx="" xkxxxxkx="">
SCLK
CS
DIN
DOUT
tSCLK
tCSSC
tDIHD
tCSH
tCSDOD
tDIST
tSPWH
tSPWL
tCSDOZ
tDOHD
tDOPD
B7 B6 B5 B4 B3 B2 B1 B0
B7
tSCCS
DAC1282, DAC1282A
SBAS490B DECEMBER 2011REVISED MAY 2015
www.ti.com
7.5 Timing Requirements: Serial Peripheral Interface (SPI) Timing
At TA= –40°C to +85°C and DVDD = 1.65 V to 3.6 V, unless otherwise noted.
MIN MAX UNIT
tCSSC CS low to first SCLK: setup time(1) 30 ns
tSCLK SCLK period 120 ns
tSPWH SCLK pulse width: high 50 ns
50 ns
tSPWL SCLK pulse width: low(2) 218 tCLK
tDIST Valid DIN to SCLK high: setup time 40 ns
tDIHD Valid DIN to SCLK high: hold time 20 ns
tDOPD SCLK low to valid new DOUT: propagation delay(3) 40 ns
tDOHD SCLK low to DOUT invalid: hold time 0 ns
tCSDOD CS low to DOUT driven: propagation delay(3) 40 ns
tCSDOZ CS high to DOUT Hi-Z: propagation delay 20 ns
tCSH CS high pulse 50 ns
tSCCS Last SCLK falling edge to CS high 0 ns
(1) CS can be tied low.
(2) Holding SCLK low longer than 218 fCLK cycles resets the SPI interface.
(3) DOUT load = 20 pF || 100 kto DGND.
Figure 1. Serial Interface Timing
8Submit Documentation Feedback Copyright © 2011–2015, Texas Instruments Incorporated
Product Folder Links: DAC1282
l TEXAS INSTRUMENTS
−200
−180
−160
−140
−120
−100
−80
−60
−40
−20
0
0 50 100 150 200 250 300 350 400 450 500
Frequency (Hz)
Amplitude (dB)
Gain = 1/16
8k FFT
Vo = 31.25 Hz, −0.5 dBFS
THD = −126.1 dB
SNR = 109.8 dB
G000
−200
−180
−160
−140
−120
−100
−80
−60
−40
−20
0
0 50 100 150 200 250 300 350 400 450 500
Frequency (Hz)
Amplitude (dB)
Gain = 1/32
8k FFT
Vo = 31.25 Hz, −0.5 dBFS
THD = −116.7 dB
SNR = 105.7 dB
G000
−200
−180
−160
−140
−120
−100
−80
−60
−40
−20
0
0 50 100 150 200 250 300 350 400 450 500
Frequency (Hz)
Amplitude (dB)
Gain = 1/4
4k FFT
Vo = 31.25 Hz, −0.5 dBFS
THD = −125.9 dB
SNR = 117.8 dB
G000
−200
−180
−160
−140
−120
−100
−80
−60
−40
−20
0
0 50 100 150 200 250 300 350 400 450 500
Frequency (Hz)
Amplitude (dB)
Gain = 1/8
4k FFT
Vo = 31.25 Hz, −0.5 dBFS
THD = −125.4 dB
SNR = 114.5 dB
G000
−200
−180
−160
−140
−120
−100
−80
−60
−40
−20
0
0 50 100 150 200 250 300 350 400 450 500
Frequency (Hz)
Amplitude (dB)
Gain = 1/1
4k FFT
Vo = 31.25 Hz, −0.5 dBFS
THD = −125.8 dB
SNR = 120.1 dB
G000
−200
−180
−160
−140
−120
−100
−80
−60
−40
−20
0
0 50 100 150 200 250 300 350 400 450 500
Frequency (Hz)
Amplitude (dB)
Gain = 1/2
4k FFT
Vo = 31.25 Hz, −0.5 dBFS
THD = −125.6 dB
SNR = 119.0 dB
G000
DAC1282, DAC1282A
www.ti.com
SBAS490B –DECEMBER 2011REVISED MAY 2015
7.6 Typical Characteristics
At TA= +25°C, AVDD = +2.5 V, AVSS = –2.5 V, DVDD = 3.3 V, fCLK = 4.096 MHz, and VREF = 5 V, unless otherwise noted.
DAC1282A supports gains = 1/1, 1/4, and 1/16 only.
Figure 2. Output Spectrum Gain = 1/1 Figure 3. Output Spectrum Gain = 1/2
Figure 4. Output Spectrum Gain = 1/4 Figure 5. Output Spectrum Gain = 1/8
Figure 6. Output Spectrum Gain = 1/16 Figure 7. Output Spectrum Gain = 1/32
Copyright © 2011–2015, Texas Instruments Incorporated Submit Documentation Feedback 9
Product Folder Links: DAC1282
l TEXAS INSTRUMENTS HM Gain Errm (ppm) | ‘ll—H—IHHIH Absolme Gam Ma|ch (ppm) IHIHIF l—‘HH Oflse| Evmr (ppm)
−750
−500
−250
0
250
500
750
−55 −35 −15 5 25 45 65 85 105 125
Temperature (°C)
Offset (ppm)
Gain = 1/1
Gain = 1/2
Gain = 1/4
Gain = 1/8
Gain = 1/16
Gain = 1/32
Gain = 1/64
Pulse Mode
G000
−200
−180
−160
−140
−120
−100
−80
−60
−40
−20
0
0 50 100 150 200 250 300 350 400 450 500
Frequency (Hz)
Amplitude (dB)
Gain = 1/64
8k FFT
Vo = 31.25 Hz, −0.5 dBFS
THD = −112.8 dB
SNR = 100.1 dB
G000
0
250
500
750
1000
1250
1500
1750
2000
−55 −35 −15 5 25 45 65 85 105 125
Temperature (°C)
Gain Error (ppm)
Gain = 1/1
Gain = 1/2
Gain = 1/4
Gain = 1/8
Gain = 1/16
Gain = 1/32
Gain = 1/64
Pulse Mode
G000
DAC1282, DAC1282A
SBAS490B DECEMBER 2011REVISED MAY 2015
www.ti.com
Typical Characteristics (continued)
At TA= +25°C, AVDD = +2.5 V, AVSS = –2.5 V, DVDD = 3.3 V, fCLK = 4.096 MHz, and VREF = 5 V, unless otherwise noted.
DAC1282A supports gains = 1/1, 1/4, and 1/16 only.
Figure 8. Output Spectrum Gain = 1/64 Figure 9. Gain Error vs Temperature
Figure 10. Gain Error Histogram Figure 11. Gain Match Histogram
Figure 12. Offset vs Temperature Figure 13. Offset Histogram
10 Submit Documentation Feedback Copyright © 2011–2015, Texas Instruments Incorporated
Product Folder Links: DAC1282
l TEXAS INSTRUMENTS 1000
−140
−120
−100
−80
−60
−40
−20
0
−120 −100 −80 −60 −40 −20 0
Signal Amplitude (dB)
Total Harmonic Distortion (dB)
Gain = 1/1
Gain = 1/2
Gain = 1/4
Gain = 1/8
Gain = 1/16
Gain = 1/32
Gain = 1/64
G000
0
20
40
60
80
100
120
−120 −100 −80 −60 −40 −20 0
Signal Amplitude (dB)
Signal−to−Noise Ratio (dB)
Gain = 1/1
Gain = 1/2
Gain = 1/4
Gain = 1/8
Gain = 1/16
Gain = 1/32
Gain = 1/64
G000
±130
±125
±120
±115
±110
±105
±100
0.1 1 10 100 1000
Total Harmonic Distortion (dB)
Signal Frequency (Hz)
Gain = 1/1
Gain = 1/16
Gain = 1/2
Gain = 1/32
Gain = 1/4
Gain = 1/64
Gain = 1/8
C001
95
100
105
110
115
120
125
130
0.1 1 10 100 1000
Signal Frequency (Hz)
Signal−to−Noise Ratio (dB)
Gain = 1/1
Gain = 1/2
Gain = 1/4
Gain = 1/8
Gain = 1/16
Gain = 1/32
Gain = 1/64
G000
−130
−125
−120
−115
−110
−105
−100
−55 −35 −15 5 25 45 65 85 105 125
Temperature (°C)
Total Harmonic Distortion (dB)
Gain = 1/1
Gain = 1/2
Gain = 1/4
Gain = 1/8
Gain = 1/16
Gain = 1/32
Gain = 1/64
G000
90
95
100
105
110
115
120
125
−55 −35 −15 5 25 45 65 85 105 125
Temperature (°C)
Signal−to−Noise Ratio (dB)
Gain = 1/1
Gain = 1/2
Gain = 1/4
Gain = 1/8
Gain = 1/16
Gain = 1/32
Gain = 1/64
G000
DAC1282, DAC1282A
www.ti.com
SBAS490B –DECEMBER 2011REVISED MAY 2015
Typical Characteristics (continued)
At TA= +25°C, AVDD = +2.5 V, AVSS = –2.5 V, DVDD = 3.3 V, fCLK = 4.096 MHz, and VREF = 5 V, unless otherwise noted.
DAC1282A supports gains = 1/1, 1/4, and 1/16 only.
Figure 14. THD vs Temperature Figure 15. SNR vs Temperature
Figure 17. SNR vs Signal Frequency
Figure 16. THD vs Signal Frequency
Figure 18. THD vs Signal Amplitude Figure 19. SNR vs Signal Amplitude
Copyright © 2011–2015, Texas Instruments Incorporated Submit Documentation Feedback 11
Product Folder Links: DAC1282
l TEXAS INSTRUMENTS
−130 −125 −120 −115 −110 −105
0
5
10
15
20
25
30
35
40
Total Harmonic Distortion (dB)
Occurrences (%)
Gain = 1/1...1/8
Gain = 1/16
Gain = 1/32
Gain = 1/64
30 Units
G000
0
1
2
3
4
5
6
7
8
−55 −35 −15 5 25 45 65 85 105 125
Temperature (°C)
Quiescent Current (mA)
Gain = 1/1
Gain = 1/2
Gain = 1/4
Gain = 1/8
Gain = 1/16
Gain = 1/32
Gain = 1/64
DVDD
G000
−135
−130
−125
−120
−115
−110
−105
−100
−95
−90
2 2.5 3 3.5 4 4.5 5 5.5
Reference Voltage (V)
Total Harmonic Distortion (dB)
Gain = 1/1
Gain = 1/2
Gain = 1/4
Gain = 1/8
Gain = 1/16
Gain = 1/32
Gain = 1/64
G000
95
100
105
110
115
120
125
130
135
2.5 3 3.5 4 4.5 5 5.5
Reference Voltage (V)
Signal−to−Noise Ratio (dB)
Gain = 1/1
Gain = 1/2
Gain = 1/4
Gain = 1/8
Gain = 1/16
Gain = 1/32
Gain = 1/64
G000
−135
−130
−125
−120
−115
−110
−105
−100
−95
−90
1 1.5 2 2.5 3 3.5 4 4.5
CLK (MHz)
Total Harmonic Distortion (dB)
Gain = 1/1
Gain = 1/2
Gain = 1/4
Gain = 1/8
Gain = 1/16
Gain = 1/32
Gain = 1/64
G000
95
100
105
110
115
120
125
130
135
1 1.5 2 2.5 3 3.5 4 4.5
Clock (MHz)
Signal−to−Noise Ratio (dB)
Gain = 1/1
Gain = 1/2
Gain = 1/4
Gain = 1/8
Gain = 1/16
Gain = 1/32
Gain = 1/64
G000
DAC1282, DAC1282A
SBAS490B DECEMBER 2011REVISED MAY 2015
www.ti.com
Typical Characteristics (continued)
At TA= +25°C, AVDD = +2.5 V, AVSS = –2.5 V, DVDD = 3.3 V, fCLK = 4.096 MHz, and VREF = 5 V, unless otherwise noted.
DAC1282A supports gains = 1/1, 1/4, and 1/16 only.
Figure 20. THD vs Master Clock Frequency Figure 21. SNR vs Master Clock Frequency
Figure 22. THD vs Reference Voltage Figure 23. SNR vs Reference Voltage
Figure 24. THD Histogram Figure 25. Power-Supply Current vs Temperature
12 Submit Documentation Feedback Copyright © 2011–2015, Texas Instruments Incorporated
Product Folder Links: DAC1282
l TEXAS INSTRUMENTS {9 mm IHIW I’HIH Swnch Dlilerenua‘ On Resls|ance 1m
0
0.01
0.02
0.03
0.04
0.05
0.06
0.07
0.08
0.09
0.1
−55 −35 −15 5 25 45 65 85 105 125
Temperature (°C)
Switch On−Resistance Match ()
G000
−1
−0.75
−0.5
−0.25
0
0.25
0.5
0.75
1
−120 −100 −80 −60 −40 −20 0
Digital Attenuation (dB)
Digital Gain Error (dB)
G000
0
1
2
3
4
5
−2.5 −2 −1.5 −1 −0.5 0 0.5 1 1.5 2 2.5
Switch Input/Output Voltage (V)
Switch Differential On−Resistance ()
TA = −40°C
TA = +25°C
TA = +85°C
G000
−135
−130
−125
−120
−115
−110
−105
−100
−95
10 100 1000 10000 100000 1000000
Load Resistance ()
Total Harmonic Distortion (dB)
Gain = 1/1
Gain = 1/2
Gain = 1/4
Gain = 1/8
Gain = 1/16
Gain = 1/32
Gain = 1/64
G000
−130
−120
−110
−100
−90
−80
−70
−60
−50
10 100 1000 10000 100000 1000000
Switch Output Load Resistance ()
Total Harmonic Distortion (dB)
Gain = 1/1
Gain = 1/2
Gain = 1/4
Gain = 1/8
Gain = 1/16
Gain = 1/32
Gain = 1/64
G000
DAC1282, DAC1282A
www.ti.com
SBAS490B –DECEMBER 2011REVISED MAY 2015
Typical Characteristics (continued)
At TA= +25°C, AVDD = +2.5 V, AVSS = –2.5 V, DVDD = 3.3 V, fCLK = 4.096 MHz, and VREF = 5 V, unless otherwise noted.
DAC1282A supports gains = 1/1, 1/4, and 1/16 only.
Figure 26. THD vs Resistive Load Figure 27. Switch THD vs Resistive Load
Figure 28. Digital Gain Linearity Figure 29. Switch On-Resistance vs Signal Voltage
Figure 31. Switch On-Resistance Match vs Temperature
Figure 30. Switch On-Resistance Histogram
Copyright © 2011–2015, Texas Instruments Incorporated Submit Documentation Feedback 13
Product Folder Links: DAC1282
l TEXAS INSTRUMENTS DVDD VREF AVDD TN DéND Avss
Main
DAC
Serial
Interface
CS
SCLK
DIN
DOUT
Sine Wave
Generator
24-Bit
DC Register
Pulse
Registers
Digital
Modulator
CLK
RESET/PWDN
SYNC
SW/TD
Pulse
DAC
Differential
Switch
Synchronization
SYNC
Current
Generator
Analog Gain Control
Switch Control/Bitstream Input
VOUTP
VOUTN
CAPP
SWOUTP
SWOUTN
SWINN
SWINP
DVDD AVDD
DGND
DAC1282
VREF
CAPN
AVSS
Buffer
DAC1282, DAC1282A
SBAS490B DECEMBER 2011REVISED MAY 2015
www.ti.com
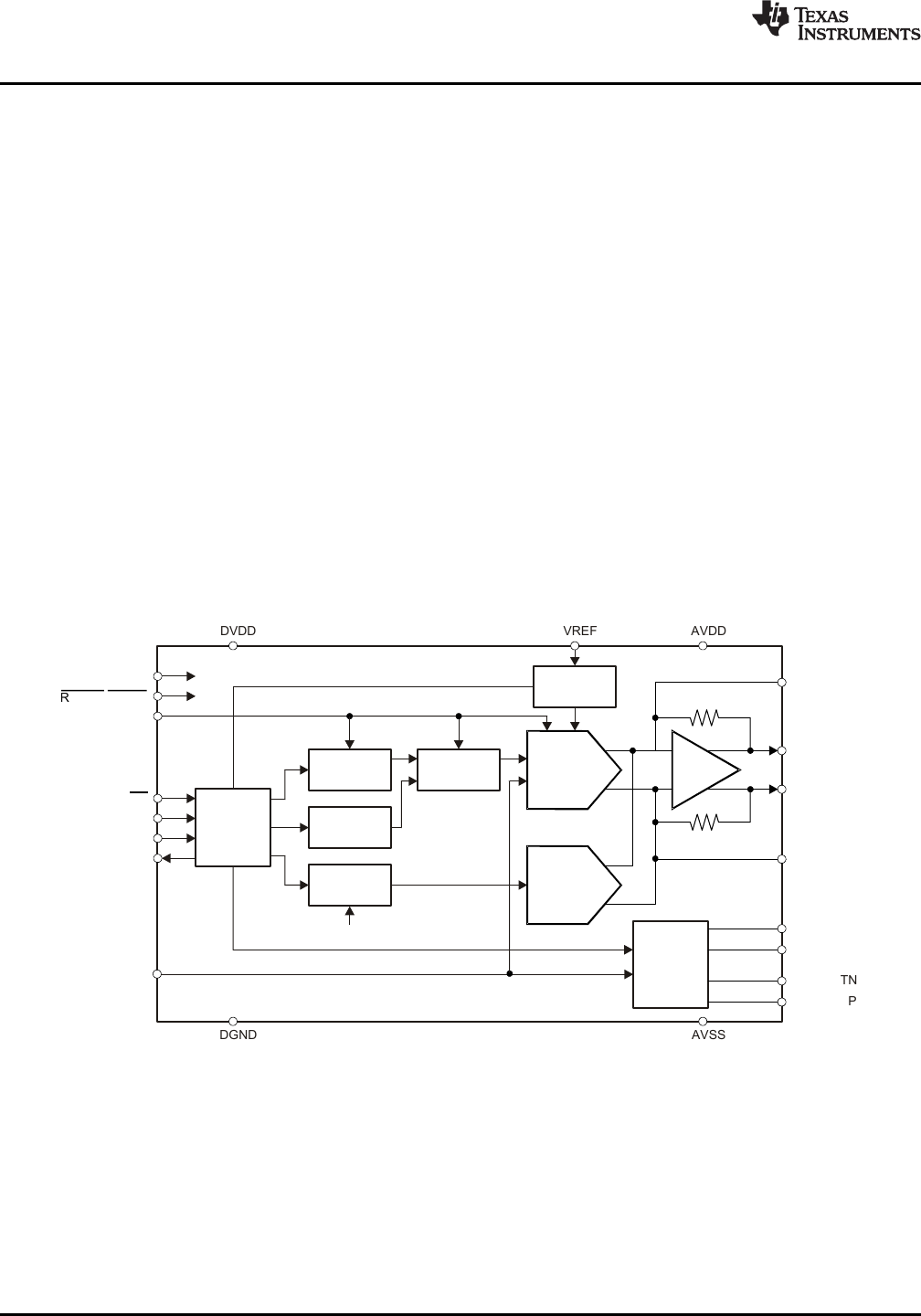
8 Detailed Description
8.1 Overview
The DAC1282 is a single-chip, digital-to-analog converter (DAC) that self-generates low-distortion sine-wave and
pulse-output signals for the demanding testing requirements of seismic recording equipment. Figure 32 shows
the block diagram of the DAC1282.
The DAC1282A device is functionally equivalent to the DAC1282, except that the DAC1282A supports PGA
gains of 1/1, 1/4, and 1/16 only. The DAC1282A also relaxes the THD specification of these gains. See the
Electrical Characteristics section for more details.
The DAC1282 requires two supply voltages: analog and digital. The analog supply can be single 5 V or bipolar
±2.5 V. The digital supply range is 1.65 V to 3.6V. The output signal common-mode voltage is regulated to
100 mV below the midpoint of the analog power-supply voltage. An internal power-on reset (POR) circuit resets
the DAC on power-up.
An SPI™-compatible serial interface is used to access the DAC1282 registers for device configuration and
control. The configuration registers can be read back by clocking the data out on the DOUT pin. The DAC1282
voltage output is fully differential and is taken out on the VOUTP/VOUTN pins. The CAPP/CAPN pins connect to
external filter capacitors to reduce the output noise.
The reference input voltage sets the DAC1282 full-scale output. The DAC reference voltage is applied between
the VREF and AVSS pins. The DAC is optimized to operate with a 5-V reference. The sine-wave generator is
programmable by registers to set the sine frequency and amplitude. The frequency range is programmable from
0.4883 Hz to 250 Hz. The output level is controlled by both analog gain (in 6-dB steps), and digital gain (in 0.5-
dB steps).
Figure 32. DAC1282 Block Diagram
The digital modulator takes the output from the sine-wave generator or the 24-bit dc register to generate the
ones-density bitstream. The bitstream drives the main DAC. Optionally, ones-density data can be input to drive
the DAC directly, bypasses the digital signal generator. The main DAC develops a differential output current that
is converted to a differential output voltage by an internal current-to-voltage (I/V) amplifier. The output range is
set by analog gain that scales the DAC current generator. The output amplifier provides current limit protection.
The dc mode is programmed by a 24-bit register and is used to provide a dc output. The dc mode also has
programmable ranges controlled by the analog gain control.
14 Submit Documentation Feedback Copyright © 2011–2015, Texas Instruments Incorporated
Product Folder Links: DAC1282
l TEXAS INSTRUMENTS VREF AVDD 4 i + s )—> e a >—> > > AVSS
4-Bit
Counter
Reset
D
SYNC
CLK CLK/16
Reset
Digital
Modulator
SW/TD
D
Reset
Current
Generator
Current Taps
Tap
Control
Common-Mode
Current
Amplifier
Summing
Nodes
AVDDVREF
AVSS
Sine Wave
Table
Digital
Data
Mux
...
...
DAC1282, DAC1282A
www.ti.com
SBAS490B –DECEMBER 2011REVISED MAY 2015
Overview (continued)
In Pulse mode, a fast-response, 5-bit pulse DAC is used to provide 31 preset dc levels. The levels span over the
available output ranges. The pulse DAC is optimized to provide fast response with short output rise times. The
pulse DAC is triggered by the SYNC pin for precision control of the pulse time.
The DAC1282 includes a low distortion differential output switch. The output switch can connect the DAC1282
output to sensors for THD and impulse testing. The switch is controlled by either pin or command, thus allowing
precise switch timing.
The SYNC input synchronizes the output signal to a known time reference. In sine mode, SYNC resets the sine
wave to the zero crossing. In Pulse mode, SYNC selects one of two user-programmed dc levels.
The RESET/PWDN pin powers down the device when low. When RESET/PWDN is released high, the DAC1282
is reset.
The SW/TD input is dual function. In digital data mode, the pin is the ones-density data input. In the other modes,
SW/TD controls the opening/closing of the switch.
Figure 33 shows the main details of the main DAC. The main DAC provides the digital-to-analog conversion by
filtering the ones-density digital data. In operation, the current generator establishes the range current that is
mirrored to a multi-tap, current-steering filter stage. The current generator is controlled by the analog gain control
register that scales the weight of the tap currents to one of seven ranges (0 dB to –36 dB).
The current-steering stage switches the tap currents to the positive or negative current summing nodes, as the
digital input is sampled. A higher ones-density directs an increasing average current to one node than the other,
thus increasing the differential current. The differential current is converted to differential voltage by the internal
I/V converter stage. The common-mode current sources balance the current at the amplifier summing node.
Figure 33. Main DAC Block Diagram
Copyright © 2011–2015, Texas Instruments Incorporated Submit Documentation Feedback 15
Product Folder Links: DAC1282
l TEXAS INSTRUMENTS . vW'z m'z w;
VCOM + VDIFF/2
VCOM
VCOM
VOUTP
VOUTN
VCOM + VDIFF/2
VCOM - VDIFF/2
VCOM - VDIFF/2
DAC1282
DAC1282, DAC1282A
SBAS490B DECEMBER 2011REVISED MAY 2015
www.ti.com
8.2 Feature Description
8.2.1 Signal Output (VOUTP, VOUTN)
As shown in Figure 34, the DAC provides a differential voltage (VDIFF = VOUTP – VOUTN) on pins VOUTP and
VOUTN. The output common-mode voltage (VCOM) is regulated to 100 mV below the midpoint of the analog
supply (AVDD – AVSS).
Each signal output swings above and below the common-mode voltage. Best performance is realized when the
DAC output is used differentially. In power-down mode, the outputs enter a high-impedance, 3-state mode.
NOTE: VDIFF = VOUTP – VOUTN = ±2.5 V × Gain (VREF = 5 V).
VCOM = –0.1 V (±2.5-V supplies) or 2.4 V (5-V supply).
Figure 34. DAC Output Signal
The DAC output buffer is rated to drive up to a 2-nF capacitive load (maximum) and a 100-Ωresistive load
(minimum). However, degradation of THD performance results in resistive loads less than 1 kΩ, as shown in
Figure 26
The internal digital modulator generates the signal to drive the DAC. The modulator shapes the in-band noise to
high frequency and the frequency-shaped noise is present on the DAC output. However, the high frequency DAC
output noise is rejected by the digital filter of the ADC and does not affect system performance.
The DAC sampling update noise is also present on the signal output. The sampling noise does not affect the
ADC performance, but when testing the ADC near full-scale input, the noise can cause false indication of the
ADC modulator overrange detection. The ADS1282 overrange output signal indication should be ignored when
testing at or below the ADC full-scale input.
16 Submit Documentation Feedback Copyright © 2011–2015, Texas Instruments Incorporated
Product Folder Links: DAC1282
l TEXAS INSTRUMENTS M[30]+1 2 N[70]+1
Output Frequency (Hz) =
(1) M[3:0] + 1
N[7:0] + 1
x
250
2FREQ
DAC1282, DAC1282A
www.ti.com
SBAS490B –DECEMBER 2011REVISED MAY 2015
Feature Description (continued)
8.2.2 DAC Modes
The DAC1282 has four operational modes of: sine, dc, pulse, and external digital data input. These modes are
programmed by the MODE[1:0] bits in the GANMOD register, as shown in Table 1.
Table 1. DAC Modes
MODE[1:0] BITS DAC MODE
00 Sine
01 DC
10 Digital data
11 Pulse
8.2.2.1 Sine Mode
In sine mode, the DAC1282 provides a sine-wave output. An internal signal generator develops the sine-wave
signal. The M[3:0], N[7:0], and FREQ register bits program the output frequency. The frequency range is
programmable from 0.4883 Hz to 250 Hz, as shown in Equation 1.
where:
M[3:0] N[7:0]
(1) fCLK = 4.096 MHz. The signal frequency scales with fCLK. (1)
Table 2 lists values of registers M and N for selected output frequencies.
Table 2. Register Output Frequencies
SIGNAL FREQUENCY (Hz)(1) M[3:0] REGISTER BITS N[7:0] REGISTER BITS FREQ BIT
0.48828125 0000 1111 1111 1
0.9765625 0000 1111 1111 0
1.953125 0000 0111 1111 0
3.90625 0000 0011 1111 0
7.8125 0000 0001 1111 0
15.625 0000 0000 1111 0
31.25 0000 0000 0111 0
50 0000 0000 0100 0
55 1010 0011 0001 0
60 0101 0001 1000 0
62.5 0000 0000 0011 0
100 1001 0001 1000 0
125 0000 0000 0001 0
250 0000 0000 0000 0
(1) fCLK = 4.096MHz. The signal frequency scales with fCLK.
Copyright © 2011–2015, Texas Instruments Incorporated Submit Documentation Feedback 17
Product Folder Links: DAC1282
l TEXAS INSTRUMENTS
DAC1282, DAC1282A
SBAS490B DECEMBER 2011REVISED MAY 2015
www.ti.com
When the M or N registers are updated, the sine wave resets to the zero-crossing point. The sine wave can also
be reset to the zero-crossing point by taking the SYNC pin high; see the SYNC section.
The amplitude of the sine-wave output is determined by analog and digital gains. The analog gain increments are
6 dB, from 0 dB to –36 dB, and are programmed by the GAIN[2:0] register bits. Table 3 lists the analog gains.
Table 3. Analog Gain
ANALOG GAIN (V/V)(1) ANALOG GAIN (dB)(2) DIFFERENTIAL RANGE (V)(3) GAIN[2:0] REGISTER BITS
1/1 0 ±2.5 000
1/2 –6 ±1.25 001
1/4 –12 ±0.625 010
1/8 –18 ±0.312 011
1/16 –24 ±0.156 100
1/32 –30 ±0.078 101
1/64 –36 ±0.039 110
(1) The DAC1282A supports analog gains of 1/1, 1/4, and 1/16 only.
(2) Relative to 1.77 VRMS full-scale.
(3) VREF = 5 V, digital gain = 0 dB.
The digital gain resolution is in 0.5-dB increments, from 0 dB to full mute and is programmed by the SINEG[7:0]
register bits. Table 4 lists the digital gain setting. Equation 2 is the amplitude setting in sine mode.
Sine Amplitude (dB) = Analog Gain (dB) + Digital Gain (dB) (2)
Best SNR, for a given signal level, is achieved by reducing the analog gain while maximizing the digital gain.
Table 4. Sine Mode Digital Gain
SINE MODE DIGITAL GAIN (dB) SINEG[7:0] REGISTER BITS
0 0000 0000
–0.5 0000 0001
–1.0 0000 0010
— —
–119.5 1110 1111
Full mute 1111 0000
Full mute 1111 xxxx
Full mute 1111 1111
18 Submit Documentation Feedback Copyright © 2011–2015, Texas Instruments Incorporated
Product Folder Links: DAC1282
l TEXAS INSTRUMENTS
DAC1282, DAC1282A
www.ti.com
SBAS490B –DECEMBER 2011REVISED MAY 2015
8.2.2.2 DC Mode
The DAC1282 provides a dc output mode with 24-bit available resolution. The output level is determined by the
analog gain and the 24-bit dc registers.
The GAIN[2:0] register bits set the analog gain (see Table 3). The DCG[23:0] register bits set the 24-bit level
over the selected analog range. Table 5 lists the digital gain settings in dc mode.
Table 5. DC Mode Digital Gain Settings
DIFFERENTIAL OUTPUT DCG[23:0] REGISTER BITS
VOLTAGE (V)(1)
+2.5 x Gain 7FFFFFh
+1.25 x Gain 3FFFFFh
0 0
–1.25 x Gain C00000h
–2.5 x Gain 800001h
(1) VREF = 5 V. Ideal output voltage excluding gain, offset, linearity and noise errors..
8.2.2.3 Pulse Mode
In pulse mode, a fast responding, 5-bit pulse DAC is used to generate the output. The pulse DAC is designed to
approximate a linear-in-dB output function, allowing the generation of pulse test signals across all ranges. Two
registers are used to preset the DAC output. The SYNC pin is used to select one of the two registers. When
SYNC is low, the PULSA register value drives the DAC; when SYNC is high, the PULSB register value drives the
DAC. The pulse registers can be programmed to yield differential outputs from –2.5 V to +2.5 V. Note that the
pulse levels scale with VREF and are independent of the analog gain settings. Table 6 lists the programmable
range of the pulse A and pulse B registers.
Table 6. Pulse Register Values
OUTPUT (V)(1) PULSA[4:0], PULSB[4:0] OUTPUT (V)(1) PULSA[4:0], PULSB[4:0]
+2.50 01111 –0.020 11111
+1.88 01110 –0.029 11110
+1.25 01101 –0.039 11101
+0.938 01100 –0.058 11100
+0.625 01011 –0.078 11011
+0.469 01010 –0.117 11010
+0.312 01001 –0.156 11001
+0.234 01000 –0.234 11000
+0.156 00111 –0.312 10111
+0.117 00110 –0.469 10110
+0.078 00101 –0.625 10101
+0.058 00100 –0.938 10100
+0.039 00011 –1.25 10011
+0.029 00010 –1.88 10010
+0.020 00001 –2.50 10001
0 00000
(1) VREF = 5 V. Ideal pulse mode differential output, values are rounded and exclude noise, offset, gain, and linearity errors.
Note that when pulse testing the ADC, the ADC digital filter time domain response has characteristic overshoot
and ringing. As a result of the ADC filter overshoot, input levels close to ADC full scale may cause clipping of the
ADC output code.
Copyright © 2011–2015, Texas Instruments Incorporated Submit Documentation Feedback 19
Product Folder Links: DAC1282
l TEXAS INSTRUMENTS
DAC1282, DAC1282A
SBAS490B DECEMBER 2011REVISED MAY 2015
www.ti.com
8.2.2.4 Digital Data Mode
In digital data mode, the DAC internal signal generator is bypassed and the DAC is driven instead by applying a
bitstream input. Arbitrary DAC output waveforms can be generated by application of custom digital data patterns.
The data format in this mode is ones-density modulated input at CLK/16 data rate (256 kHz). The input is applied
to the SW/TD input pin. The DAC1282 output in digital data mode is defined in Equation 3.
Digital Data Mode Differential Output = VOUTP – VOUTN = VREF/2 × Gain × (TD – 50%)/25%
where:
VREF is 5-V nominal,
Gain is the analog gain (1/1 to 1/64),
TD is the bitstream ones-density from 25% to 75%. (3)
The DAC1282 filters the digital data (bitstream) input providing a voltage output proportional to the bitstream
ones-density. The GAIN[2:0] register sets the analog gain in 6-dB steps, from 0 dB to –36 dB (1/1 to 1/64); see
the SYNC section for the external timing requirements. Table 7 lists several values of the external bitstream
input.
Table 7. External Bitstream Input
ONES-DENSITY BITSTREAM (%) VOUTP – VOUTN (V)(1)
25 –2.5 × Gain
37.5 –1.25 × Gain
50 0
62.5 +1.25 × Gain
75 +2.5 × Gain
(1) VREF = 5 V. Gain is the analog gain, programmable from 1/1 to 1/64 (0 dB to –36 dB).
20 Submit Documentation Feedback Copyright © 2011–2015, Texas Instruments Incorporated
Product Folder Links: DAC1282
2 k
Output
Amplifier
CAPP
VOUTP
VOUTN
CAPN
Current
DAC
1 nF
1 nF
2 k
5 V
Reference
0.1 µF (1)
VREF
AVSS (14)
+V
-2.5 V
220 kΩ
Power-down
Switch
Internal
Circuitry
AVSS (23)
DAC1282, DAC1282A
www.ti.com
SBAS490B –DECEMBER 2011REVISED MAY 2015
8.2.3 Reference Voltage (VREF)
The DAC1282 requires an external reference for operation. Although reference voltage as low as 2.5 V can be
used, best SNR is achieved with a 5-V reference. The reference input is defined as the voltage difference
between VREF and AVSS (that is, VREF = VREF – AVSS). The DAC1282 output scales with VREF; consequently,
reference noise or drift appears on the DAC output. Excessive reference noise may lead to degraded SNR. A
low-drift and low-noise reference is recommended.
Connect the external reference ground pin directly to the AVSS pins using a star connector to AVSS pin 14. Star
connection minimizes the possibility of power-supply crosstalk. Also, connect a 0.1-µF capacitor close to the
VREF and AVSS terminals to reduce noise susceptibility. Figure 35 shows the reference connection. The
reference input impedance is 220 k. In power-down the switch is off, resulting in very high input impedance. For
single-supply applications, connect AVSS to a clean analog ground point.
(1) Recommended bypass capacitor.
Figure 35. Reference Input Connection
8.2.4 Output Filter (CAPP, CAPN)
The CAPP and CAPN pins are the connections for two external capacitors, one capacitor connects to CAPP and
VOUTP and the other capacitor connects to CAPN and VOUTN. The capacitors are required to filter the DAC
sampling noise. The capacitor values are 1 nF; capacitors with low voltage coefficients should be used (C0G
ceramic or film).
As seen in Figure 36, the external capacitors form an analog low-pass filter with the internal feedback resistors.
After step changes to the data in the sine, dc, and digital data modes, the settling of the DAC and the analog
filter is 100-µs typical, as shown in Figure 46. In pulse mode, the filter is internally disabled, yielding shorter
settling time.
Figure 36. Output Filter
Copyright © 2011–2015, Texas Instruments Incorporated Submit Documentation Feedback 21
Product Folder Links: DAC1282
l TEXAS INSTRUMENTS
SWOUTP
SWOUTN
SWINP
SWINN
S5
S2
S1
S4
S3
DAC1282, DAC1282A
SBAS490B DECEMBER 2011REVISED MAY 2015
www.ti.com
8.2.5 Output Switch (SWINP, SWINN, SWOUTP, SWOUTN)
The DAC1282 has an integrated output switch. The switch can be used to route the DAC output signal to a
sensor for pulse, THD, and common-mode testing. The switch has low on-resistance and matched elements to
minimize signal distortion. The switch input voltage range extends to the analog power supply.
The switch is controlled by three register bits, SW[2:0], and is also controlled by the SW/TD input pin. The switch
integrates break-before-make operation when the register or the SW/TD input control is changed. The SW/TD
input can be used to force the switch open for precise timing control of sensor impulse testing; see the Switch
Control/DAC Data Input (SW/TD) section. Figure 37 and Table 8 describe the switch operation.
Figure 37. DAC1282 Signal Switch
Note that when the DAC is in power-down mode, the switch is forced open.
As shown in Figure 29, the switch on-resistance varies with the switch signal level. When the switch is used to
route the signal and a resistive load is connected to the switch output, the switch on-resistance variations interact
with the load resistance and cause the THD to degrade. Figure 27 illustrates the dependence of THD versus
switch load resistance. The dependence of THD data was taken with a full-scale signal.
Table 8. Switch Connections
DESCRIPTION PIN CONNECTIONS SWITCHES CLOSED SW[2:0] REGISTER BITS
Open (default) Open None 000
Differential SWINP to SWOUTP and SWINN to SWOUTN S1, S3 001
Differential reverse SWINP to SWOUTN and SWINN to SWOUTP S2, S4 010
Common-mode positive SWINP to SWOUTP and SWOUTN S1, S2 011
Common-mode negative SWINN to SWOUTP and SWOUTN S3, S4 100
Single-ended positive SWINP to SWOUTP S1 101
Single-ended negative SWINN to SWOUTN S3 110
Output short SWOUTP to SWOUTN S5 111
22 Submit Documentation Feedback Copyright © 2011–2015, Texas Instruments Incorporated
Product Folder Links: DAC1282
l TEXAS INSTRUMENTS + « mm c
CLK
tCLK
tCPWH
tCPWL
DAC1282, DAC1282A
www.ti.com
SBAS490B –DECEMBER 2011REVISED MAY 2015
8.2.6 Clock Input (CLK)
The CLK pin is the master clock input to the DAC1282, nominally 4.096 MHz. As with any high-performance data
converter, a high-quality clock source is essential. A crystal oscillator or low-jitter PLL clock source is
recommended. Make sure to avoid ringing on the input by keeping the trace short and source-terminating
(typically 50 ). See the CLK specifications shown in Figure 38 and Table 9.
Figure 38. CLK Timing Requirements
Table 9. Requirements for Figure 38
SYMBOL DESCRIPTION MIN MAX UNIT
tCLK CLK period 235 1000 ns
tCPWH, L CLK pulse width high or low 95 900 ns
8.2.7 Switch Control/External Digital Input (SW/TD)
SW/TD is a multi-function digital input pin. The SW/TD function depends on the mode of operation.
8.2.7.1 SW Function
In sine, dc, and pulse mode, SW/TD controls the output switch. When SW/TD is low, all switches are forced
open, overriding the switch register setting (SW[2:0]). When SW/TD is high, the switch is transparent to the value
of register setting. In power-down mode, the switch is forced open.
8.2.7.2 TD Function
In digital input mode, SW/TD is the signal input used to drive the DAC. The data input are modulated by ones-
density and are clocked in by the master clock (CLK). When the ones-density is 75% (that is, on average, three
out of four bits are '1'), the differential output voltage is at the positive maximum value. When the ones-density is
25% (that is, on average, three out of four bits are '0'), the differential output voltage is at the negative maximum
value. When the ones-density is 50% (on average, an equal number of '0's and '1's), the differential output is
zero.
SW/TD is sampled by the DAC1282 at the rate of CLK/16. Therefore, the sampling can have ±8 CLK periods of
uncertainty. SYNC can be used to eliminate the uncertainty by synchronizing the phase of SW/TD to the desired
CLK cycle. Synchronizing the digital input results in a consistent phase of the output signal; see the SYNC
section.
The output range is set by the analog gain bits, GAIN[2:0]; see Table 3.Equation 3 describes the DAC output
versus the bitstream input ones-density. Make sure to avoid ringing on the input by keeping the trace short. In
some cases, source-terminating resistors may be necessary (20 Ωto 50 Ω).
Copyright © 2011–2015, Texas Instruments Incorporated Submit Documentation Feedback 23
Product Folder Links: DAC1282
T. TA
tSW/TD
tTCSU
SW/TD
Sample
Next SW/TD
Sample
tCTHD
tSCSU
tSTDAT
tTSOP
(Initial Output Update)
CLK 128
SW/TD
SYNC
Output
tSYLW
(Output Reset)
912 24 400
(Output Settled)
tSETL
DAC1282, DAC1282A
SBAS490B DECEMBER 2011REVISED MAY 2015
www.ti.com
8.2.8 SYNC
SYNC is a digital input used to synchronize the DAC1282 output.
In the digital data mode, the DAC input is a ones-density bitstream. In this mode, the SYNC pin synchronizes the
sampling of SW/TD digital data to the desired master clock cycle (CLK). When SYNC is low or high, the DAC
operates normally. When SYNC is taken from low to high, the DAC output is reset to zero and the sample instant
of SW/TD is reset to the eighth rising CLK edge that follows. The SW/TD is then regularly sampled on
subsequent 16 CLK intervals. After synchronization, the DAC output is not settled and achieves full settling 400
CLK periods later, as shown in Figure 39.
Figure 39. Digital Data Mode Synchronization
Table 10. Timing Characteristics for Figure 39(1)
SYMBOL DESCRIPTION MIN TYP UNIT
tSCSU SYNC high to CLK high setup time 30 ns
tTCSU SW/TD to CLK high setup time 30 ns
tCTHD CLK high to SW/TD hold time 10 ns
tSYLW SYNC low pulse width 2 tCLK
tSTDAT CLK high after SYNC high to SW/TD sample time 8 tCLK
tTSOP SW/TD sample to output update 4 tCLK
tSW/TD SW/TD period 16 tCLK
tSETL SYNC high to fully-settled output 400 tCLK
(1) DVDD = 1.65 V to 3.6 V.
24 Submit Documentation Feedback Copyright © 2011–2015, Texas Instruments Incorporated
Product Folder Links: DAC1282
l TEXAS INSTRUMENTS 5m:
PULSA PULSAPULSB
Output
SYNC
SYNC
CLK
tSYLO
SCSU
t
CSHD
t
DAC1282, DAC1282A
www.ti.com
SBAS490B –DECEMBER 2011REVISED MAY 2015
In sine mode, the SYNC rising edge resets the DAC output to differential 0 V (sine-wave zero-crossing point).
When SYNC is high or low, the output is unaffected. When SYNC is taken from low to high, the output resets on
the following CLK rising edge. SYNC must be pulsed low for a minimum of 2 CLK cycles. The SYNC input can
be applied simultaneous to the DAC and the ADS1282 (ADC in pulse-sync mode).
To synchronize the DAC, observe SYNC to the CLK timing requirements shown in Figure 40. That is, the SYNC
rising edge should be applied before the set-up time or after the hold time specifications. If the SYNC timing
requirement is not met, the DAC may synchronize with one clock cycle timing error.
Figure 40. Sine Mode Synchronization
Table 11. Timing Characteristics for Figure 40(1)
SYMBOL DESCRIPTION MIN UNIT
tSYLO SYNC pulse width low 2 tCLK
tSCSU SYNC rising edge to CLK rising edge setup time 30 ns
tCSHD CLK rising edge to SYNC rising edge hold time 40 ns
(1) DVDD = 1.65 V to 3.6 V.
In pulse mode, the SYNC pin selects one of two pre-programmed pulse levels. The pulse levels are
programmable from +2.5 V to –2.5 V in approximately 3-dB steps by pulse level registers PULSA and PULSB.
When SYNC is low, the value of the PULSA register drives the DAC; when SYNC is high, the value of the
PULSB register is the code of the DAC, as shown in Figure 41. When the SYNC pin is changed, the DAC output
updates immediately to the new code.
Figure 41. Sync Operation in Pulse Mode
Copyright © 2011–2015, Texas Instruments Incorporated Submit Documentation Feedback 25
Product Folder Links: DAC1282
l TEXAS INSTRUMENTS
CLK
Operational
Status
tRSLO tRSTM
Reset
RESET/PWDN
Operational
DAC1282, DAC1282A
SBAS490B DECEMBER 2011REVISED MAY 2015
www.ti.com
8.2.9 RESET/PWDN
The RESET/PWDN is a digital input used to power-down and reset the DAC1282. To power-down the DAC, take
the pin low. In power-down mode, the power consumption is reduced to a device leakage level (see the Electrical
Characteristics table). The signal output and digital pin DOUT enters 3-state and the output switch is driven off.
Note that the digital inputs must remain defined as either logic low or logic high; do not float the inputs. Disable
the CLK input to minimize leakage. To exit the power-down state, take the pin high. The DAC1282 is reset after
power-down mode is exited.
The DAC1282 is reset by taking the RESET/PWDN pin low for a minimum of two fCLK cycles and is then taken
back high. The DAC1282 is held in reset for 2 fCLK cycles; after this time, DAC communications may begin, as
shown in Figure 42 and Table 12.
Figure 42. DAC RESET/PWDN
Table 12. Timing Characteristics for Figure 42
SYMBOL DESCRIPTION MIN MAX UNIT
tRSLO PWDN/RESET pulse width low for power-down 500 ns
tRSTM PWDN/RESET high to begin operation 500 ns
8.2.10 AVDD, AVSS, and DVDD Power Supplies
The DAC1282 has two power supplies: analog and digital. The analog supply (AVDD, AVSS) is 5 V and can
either be single 5 V or dual (±2.5 V). The analog supply should be clean and free from noise and ripple. The
DAC1282 regulates the output common-mode voltage to 0.1 V below the mid-point of the analog supply.
Because the analog supply pins draw signal-dependent current and AVSS (pin 14) is internally shared with the
reference input low, trace resistance between AVSS (pin 14) and the AVSS power supply should be minimized or
degraded performance may result. Therefore, connect the external reference ground terminal close to the device
AVSS terminal using a star connection. This configuration helps to minimize power-supply coupling to the
reference input.
DVDD is the digital supply used to power both the internal digital and the device I/O pins. The allowable range of
DVDD is 1.65 V to 3.6 V.
The power supplies can be sequenced on or off in any order, but the analog or digital inputs should never
exceed AVDD or AVSS, or DVDD, respectively. In such an event, the internal ESD protection diodes may begin
to conduct. The input current must always be limited as specified in the Absolute Maximum Ratings table.
26 Submit Documentation Feedback Copyright © 2011–2015, Texas Instruments Incorporated
Product Folder Links: DAC1282
l TEXAS INSTRUMENTS 14Vnum
CLK
DVDD
Status
1.3 V nom
AVDD - AVSS 1.4 V nom
2tCLK
16
Operational
Reset
DAC1282, DAC1282A
www.ti.com
SBAS490B –DECEMBER 2011REVISED MAY 2015
At power-on, when the latter of DVDD exceeds approximately 1.3 V, or the difference of AVDD – AVSS exceeds
approximately 1.4 V, an internal power-on reset (POR) occurs. During POR, the device is held in a reset
condition for a period of 216 fCLK periods as shown in Figure 43. During this time, the DAC1282 output is held at 0
V, differential. SPI communications are not possible during this time. After the reset time elapses, the default
settings are loaded: 31.25 Hz, 28 mVRMS amplitude, and output switch off. SPI communications can then be
started.
Figure 43. Power-On Sequence
8.2.10.1 Power Consumption
The power consumed by the DAC1282 depends on the analog gain. Table 13 shows the DAC power
consumption.
Table 13. Power Consumption
ANALOG GAIN POWER (mW)(1)
1/1 38
1/2 28
1/4 23
1/8 21
1/16 20
1/32 20
1/64 20
(1) Typical power consumption with VREF = 5 V and VOUT = 0 V. Excludes pulse mode.
8.2.10.2 Offset and Gain Error
The DAC1282 features a low offset error ( ±7/Gain + 50 ppm FS typical) and low gain error (0.1 % typical). Offset
and gain drift are also very low for the DAC1282. Drift is calculated using the box calculation method of
Equation 4:
Drift Calculation = (Max – Min) / Temperature Range (ppm/°C)
Where:
Max and Min are, respectively, the maximum and minimum offset and gain errors (in ppm) recorded over the
specified temperature range of –40°C to +85°C. (4)
Gain match is the gain error of Gain = 1/1 relative to all analog gains.
8.2.10.3 Signal-to-Noise Ratio (SNR)
The DAC1282 achieves excellent signal-to-noise ratio (SNR) performance. The SNR data are obtained using the
DAC circuit of Figure 50 and data captured by the ADS1282.
SNR is measured with a signal level of –0.5 dBFS and a 31.25-Hz test frequency, then taking the fast fourier
transform (FFT) of 4096 data points from the ADS1282, using complementing gains. The noise power is
calculated over the bandwidth of 413 Hz (1-ms sample period). The dc, fundamental, and harmonic bins are
removed to calculate the SNR. The SNR measurement represents the combination of the ADS1282 SNR and the
SNR of the DAC1282.
Copyright © 2011–2015, Texas Instruments Incorporated Submit Documentation Feedback 27
Product Folder Links: DAC1282
l TEXAS INSTRUMENTS 5U stc mransumn mu mu (W 2
−2
−1
0
1
2
−2 0 2 4 6 8 10 12 14 16 18
SYNC pin transition
Time (µs)
Amplitude (V)
VOUTP, VOUTN
Pulse mode
Full Scale Step
G000
−0.5
−0.4
−0.3
−0.2
−0.1
0
0.1
0.2
0.3
0.4
0.5
−50 0 50 100 150 200 250 300 350 400 450
SYNC pin transition
Time (µs)
Settling to final value (%)
(VOUTP − VOUTN)
Pulse Mode
Full scale step
G000
DAC1282, DAC1282A
SBAS490B DECEMBER 2011REVISED MAY 2015
www.ti.com
8.2.10.4 DC Noise
DC noise data are obtained using the DAC circuit of Figure 50 with data captured by the ADS1282. The noise is
measured in dc mode with the output voltage set to 0 V differential. The ADC gain is set to the complement of
the DAC gain for each output range. The noise is the standard deviation of 4096-point ADC acquisition record
(RMS noise, referred-to-output).
8.2.10.5 Total Harmonic Distortion (THD)
The DAC1282 achieves excellent THD performance. The THD data are obtained using the DAC circuit of
Figure 50 and captured by the ADS1282. The ADC gain is set to the complement of the DAC gain for each
output range.
THD is measured with a –0.5-dBFS output signal level and a 31.25-Hz test frequency, then taking the FFT of the
4096-point ADC acquisition record. The ADC data points are increased to 16,384 for gains of 1/16, 1/32, and
1/64 for improved rendition of harmonics as a result of the higher noise floor. The THD measurement represents
the combination of the ADS1282 THD and the DAC1282 THD.
8.2.11 Step Response
The step response of the DAC depends on the mode. In pulse mode, the DAC disables the external analog filter
formed by capacitors CAPP, CAPN. Disabling the analog filter in conjunction with the fast response pulse DAC
results in noticeably faster rise time and shorter settling time. Note that additional filter components in the signal
path may also affect the response time.
Figure 44 shows the pulse mode step response after the SYNC pin transition. Figure 45 shows the pulse mode
detail settling to 0.1% of final value after the SYNC pin transition.
Figure 44. Pulse Mode Step Response Figure 45. Pulse-Mode, Step-Response Detail
28 Submit Documentation Feedback Copyright © 2011–2015, Texas Instruments Incorporated
Product Folder Links: DAC1282
‘5‘ TEXAS INSTRUMENTS
0
10
20
30
40
50
60
-
-
-
-
-
-
Magnitude (dB)
0 5 10 15 20 25 30 35 40 45 50
Output Frequency (kHz)
CLK = 4.096MHz
Excludes I/V Filter Rolloff
OUTPUT FREQUENCY RESPONSE
−2
−1
0
1
2
−50 0 50 100 150 200 250 300 350 400 450
SYNC pin transition
Time (µs)
Amplitude (V)
VOUTP, VOUTN
DC mode
Full Scale Step
G000
DAC1282, DAC1282A
www.ti.com
SBAS490B –DECEMBER 2011REVISED MAY 2015
Figure 46 shows the step response time of the dc mode. The step response of sine and digital data mode have
similar settling times. Note that additional filter components in the signal path may also affect the response time.
Figure 46. DC-Mode Step Response
8.2.12 Frequency Response
The DAC internal signal generator is capable of output signal frequencies from 0.489 Hz to 250 Hz. Frequencies
outside of this range are also possible by driving the DAC directly with an external digital input (bitstream).
However, the DAC low-pass filters the digital input and results in a sinx/x frequency response. The –3 dB signal
bandwidth of the DAC filter is 8.2 kHz. Figure 47 illustrates the DAC1282 frequency response. Note that high-
order noise-shaped digital inputs may limit the useable frequency range as a result of rising noise.
Figure 47. DAC Frequency Response
Copyright © 2011–2015, Texas Instruments Incorporated Submit Documentation Feedback 29
Product Folder Links: DAC1282
l TEXAS INSTRUMENTS
DAC1282, DAC1282A
SBAS490B DECEMBER 2011REVISED MAY 2015
www.ti.com
8.3 Device Functional Modes
8.3.1 Serial Interface
Configuration of the DAC is by an SPI-compatible serial interface consisting of four signals: CS, SCLK, DIN, and
DOUT; or the interface can consist of three signals in which case CS may be tied low. Tying CS low permanently
selects the device and DOUT remains a driven output. The interface is used to read and write registers and also
is used to send a DAC reset command.
8.3.1.1 Serial Communications
DAC1282 communication occurs by clocking register data into the device (on DIN) and reading back register
data (on DOUT). The SCLK input is used to clock data into and out of the device. Data are input on the serial
clock (SCLK) rising edge and output on the SCLK falling edge. The communication protocol is half-duplex (that
is, data are transmitted to and from the device one direction at a time).
Communications to the device occur on 8-bit boundaries. If an unintentional SCLK transition should occur (such
as is possible from a noise spike), the DAC1282 command decoder can be out-of-sync and the serial port may
not respond properly. The serial port may reset in one of the following ways:
1. Take CS high to reset the interface
2. Hold SCLK inactive (low state) for 218 fCLK cycles to automatically reset the interface (see the SPI Timeout
section)
3. Take RESET/PWDN low then back high to reset the device and the interface
4. Cycle the power supplies for a power-on reset (POR)
8.3.1.2 Chip Select (CS)
CS (chip select) selects the DAC1282 for communication. To select the device, pull CS low. CS must remain low
for the duration of the command sequence. When CS is taken high, the serial interface is reset, input commands
are ignored, and DOUT enters a high-impedance state.
8.3.1.3 Serial Clock (SCLK)
The serial clock (SCLK) is a Schmitt-triggered input used to clock data into and out of the DAC1282. SCLK can
be idled high or low. If SCLK is idled low, the SPI timeout feature is active. If SCLK is idled high, the SPI timeout
feature is disabled.
Despite the built-in Schmitt-trigger, keep SCLK as clean as possible to prevent glitches from accidently shifting
the data. Series-terminated printed circuit board (PCB) traces often help to reduce ringing and overshoot (series
termination resistance is approximately 20 Ωto 50 Ω). If SCLK is held low for 218 fCLK periods, the serial interface
is reset. The timeout feature can be used to automatically recover the SPI port in the event of a noise glitch.
Avoid starting new commands after this time interval to prevent an unexpected serial port reset at the next
command instant.
8.3.1.4 Data Input (DIN)
DIN is the data input pin used to send data to the DAC. The DAC1282 latches DIN input data on the rising edge
of SCLK.
8.3.1.5 Data Output (DOUT)
DOUT is the data output pin used to read register data out of the DAC. The data are shifted out on the falling
edge of SCLK. DOUT enters a 3-state when CS is high.
8.3.2 SPI Timeout
The DAC has an SPI timeout feature that can be used to recover the SPI port if a possible noise pulse should
occur. The noise pulse may lead to a false SCLK detection that can render the DAC serial port unresponsive.
The port is recovered by taking CS high but, in applications where CS is tied low, holding SCLK low for 218 CLK
cycles resets the SPI port automatically. When SCLK is low, the SPI port resets on every 218 CLK cycle interval.
Holding SCLK high disables the automatic SPI reset.
30 Submit Documentation Feedback Copyright © 2011–2015, Texas Instruments Incorporated
Product Folder Links: DAC1282
l TEXAS INSTRUMENTS
1 9 17 25
CS (1)
SCLK
DIN OPCODE 1 OPCODE 2
DOUT REG DATA 1 REG DATA 2
Don’t Care
DAC1282, DAC1282A
www.ti.com
SBAS490B –DECEMBER 2011REVISED MAY 2015
8.4 Programming
8.4.1 Commands
The commands summarized in Table 14 control and configure the DAC1282. The register read and register write
commands are two-byte command arguments plus additional data bytes while the reset command is a one-byte
command. The DAC1282 serial port chip select (CS) can be taken high or held low between commands but must
remain low for the entire command operation.
Table 14. Command Definitions
COMMAND TYPE DESCRIPTION FIRST OPCODE BYTE SECOND OPCODE BYTE
RREG Register Read nnnn register(s) at address rrrr(1) 0010 rrrr 0000 nnnn
WREG Register Write nnnn register(s) at address rrrr 0100 rrrr 0000 nnnn
RESET Control Reset the device 0000 011x (06 or 07h)
(1) rrrr = Starting read or write register address, nnnn= number of registers to read or write minus 1.
8.4.1.1 RREG: Read From Registers
Description: These two opcode bytes read register data. The register read operation is a two-byte opcode input
followed by one or more bytes of register data as the output. The first byte of the command is the opcode and
the register address combined. The second byte of the command specifies the number of registers to read
(minus 1) in a block. Register data are output following the command input. Note that for multiple register read
operations, the register address pointer does not wrap when the last register is exceeded.
First opcode byte: 0010 rrrr, where rrrr is the starting address register address to be read.
Second opcode byte: 0000 nnnn, where nnnn is the number of registers to read – 1.
Following bytes: Register data output in MSB-first format. The 16th SCLK falling edge of the opcode clocks out
the MSB of the register data.
(1) CS may be tied low.
Figure 48. RREG Command Example: Read Two Registers Starting from Register 00h
(Opcode 1 = 0010 0000, Opcode 2 = 0000 0001)
Copyright © 2011–2015, Texas Instruments Incorporated Submit Documentation Feedback 31
Product Folder Links: DAC1282
l TEXAS INSTRUMENTS
1 9 17 25
CS (1)
SCLK
DIN OPCODE 1 OPCODE 2 REG DATA 1 REG DATA 2
DOUT Don’t Care
DAC1282, DAC1282A
SBAS490B DECEMBER 2011REVISED MAY 2015
www.ti.com
8.4.1.2 WREG: Write To Registers
Description: These two opcode bytes write register data. The register write operation is a two-byte opcode
followed by one or more bytes of register data. The first byte of the command is the write opcode and the register
address combined. The second byte of the command specifies the number of registers to write (minus 1) in a
single sequence. The following bytes are the register data bytes. Note that for multiple register write operations,
the register address pointer does not wrap when the last register is exceeded.
First opcode byte: 0010 rrrr, where rrrr is the starting address register address to be written.
Second opcode byte: 0000 nnnn, where nnnn is the number of registers to write – 1.
Following bytes: Register data input in MSB-first format.
(1) CS may be tied low.
Figure 49. WREG Command Example: Write Two Registers Starting from Register 00h
(Opcode 1 = 0100 0000, Opcode 2 = 0000 0001)
8.4.1.3 RESET: Device Reset
Description: This command resets the DAC. The registers are set to power-on default the value; see the
RESET/PWDN section.
32 Submit Documentation Feedback Copyright © 2011–2015, Texas Instruments Incorporated
Product Folder Links: DAC1282
l TEXAS INSTRUMENTS
DAC1282, DAC1282A
www.ti.com
SBAS490B –DECEMBER 2011REVISED MAY 2015
8.5 Register Map
DAC1282 operation is controlled through a set of 8-bit registers. Collectively, the registers contain all the
information needed to configure the DAC, such as output frequency and amplitude, output pulse levels, etc.
Table 15 shows the register map.
The default state of the device at power-up, after the RESET pin is taken high or after a RESET command is as
follows:
Sine mode, frequency = 31.25 Hz, –36-dB output range, 0-dB digital attenuation
Switch state: open
Table 15. Register Map
ADDRESS REGISTER DEFAULT BIT 7 BIT 6 BIT 5 BIT 4 BIT 3 BIT 2 BIT 1 BIT 0
0 GANMOD xxx11000 ID2 ID1 ID0 GAIN2 GAIN1 GAIN0 MODE1 MODE0
1 SING 00000000 SINEG7 SINEG6 SINEG5 SINEG4 SINEG3 SINEG2 SINEG1 SINEG0
2 SWM 00000000 FREQ SW2 SW1 SW0 M3 M2 M1 M0
3 N 00000111 N7 N6 N5 N4 N3 N2 N1 N0
4 DCG0 00000000 DCG7 DCG6 DCG5 DCG4 DCG3 DCG2 DCG1 DCG0
5 DCG1 00000000 DCG15 DCG14 DCG13 DCG12 DCG11 DCG10 DCG9 DCG8
6 DCG2 00000000 DCG23 DCG22 DCG21 DCG20 DCG19 DCG18 DCG17 DCG16
7 PULSA 00000000 0 0 0 PULSA4 PULSA3 PULSA2 PULSA1 PULSA0
8 PULSB 00000000 0 0 0 PULSB4 PULSB3 PULSB2 PULSB1 PULSB0
8.5.1 Register Descriptions
Table 16. GANMOD: Range and Mode Register 0 (address = 0h)
76543210
ID2 ID1 ID0 GAIN2 GAIN1 GAIN0 MODE1 MODE0
Bits[7:5] ID[2:0]: Factory-programmed identification bits (read-only)
These bits may change at any time without notification.
Bits[4:2] GAIN[2:0]: Analog gain (output range)
These bits set the analog gain in the sine, dc, and bitstream modes. The output amplitude is the combination of
the selected range and the digital gain. Sine mode digital gain is programmed by the SINEG register; dc mode
digital gain are the DCG0, DCG1, and DCG2 registers. Pulse mode levels are exclusively controlled by the PULSA
and PULSB registers. Note that the DAC1282A supports analog gains of 1/1, 1/4, and 1/16 only.
GAIN[2:0] DEVICE GAIN OUTPUT RANGE
(V)(1)
000 0 dB 1/1 V/V ±2.5
001 (DAC1282 only) –6 dB 1/2 V/V ±1.25
010 –12 dB 1/4 V/V ±0.625
011 (DAC1282 only) –18 dB 1/8 V/V ±0.312
100 –24 dB 1/16 V/V ±0.156
101 (DAC1282 only) –30 dB 1/32 V/V ±0.078
110 (DAC1282 only, default)(2) –36 dB 1/64 V/V ±0.039
Bits[1:0] MODE[1:0]: Mode control bits
The mode bits set the mode of operation. When the mode bits are changed, the
internal signal generator block is reset.
00 = Sine mode (default)
01 = DC mode
10 = Digital data mode
11 = Pulse mode
(1) (Peak-to-peak) full-scale output range, VREF = 5 V. Digital gain = 0 dB.
(2) Although both devices deafult to GAIN[2:0] = 110, the DAC1282A setting must be changed to one of the supported analog gains listed.
Copyright © 2011–2015, Texas Instruments Incorporated Submit Documentation Feedback 33
Product Folder Links: DAC1282
l TEXAS INSTRUMENTS
DAC1282, DAC1282A
SBAS490B DECEMBER 2011REVISED MAY 2015
www.ti.com
Table 17. SINEG: Sine Mode Digital Gain Register (address = 01h)
76543210
SINEG7 SINEG6 SINEG5 SINEG4 SINEG3 SINEG2 SINEG1 SINEG0
Bits[7:0] SINEG[7:0]: Sine mode digital gain
This register byte sets the sine mode digital gain from 0 dB to –119.5 dB and to full mute, in 0.5-dB steps.
The sine mode digital gain can be expressed as: –DGAIN[7:0]/2 (dB) and are listed in Table 18.
Table 18. Sine Mode Digital Gain
SINEG[7:0] REGISTER SINE MODE DIGITAL GAIN (dB)
0000 0000 (default) 0.0
0000 0001 –0.5
0000 0010 –1.0
… …
1110 1111 –119.5
1111 0000 Full mute
Full mute
1111 1111 Full mute
Table 19. SWM: Switch, Output Frequency 'M', And Range Bit Register (address = 02h)
76543210
FREQ SW2 SW1 SW0 M3 M2 M1 M0
Bit 7 FREQ: Frequency
This bit sets the sine mode output frequency range; see Equation 1.
Bits[6:4] SW[2:0]: Switch control bits
These bits control the switch settings when the SW/TD input is high. When SW/TD is low, the register is
ignored and the switch is forced open. In digital input mode, the switch is controlled only by the register.
SW[2:0] SWITCH DESCRIPTION TERMINAL CONNECTIONS
000 Open (default) All switches open
001 Differential SWINP to SWOUTP and SWINN to SWOUTN
010 Differential reverse SWINP to SWOUTN and SWINN to SWOUTP
011 Common-mode positive SWINP to SWOUTP and SWINP to SWOUTN
100 Common-mode negative SWINN to SWOUTP and SWINN to SWOUTN
101 Single-ended positive SWINP to SWOUTP only
110 Single-ended negative SWINN to SWOUTN only
111 Short SWOUTP to SWOUTN
Bits[3:0] M[3:0]: Sine mode frequency, M bits
These bits control the sine-mode output frequency. The output frequency is given in Equation 1.
34 Submit Documentation Feedback Copyright © 2011–2015, Texas Instruments Incorporated
Product Folder Links: DAC1282
l TEXAS INSTRUMENTS
DAC1282, DAC1282A
www.ti.com
SBAS490B –DECEMBER 2011REVISED MAY 2015
Table 20. N: Sine Frequency N Register (address = 03h)
76543210
N7 N6 N5 N4 N3 N2 N1 N0
Bits[7:0] N[7:0]: N register
These bits control the output frequency; see Equation 1.
Table 21. DCG0: DC Mode Digital Gain Byte 0, Least Significant Byte (address = 04h)
76543210
DCG7 DCG6 DCG5 DCG4 DCG3 DCG2 DCG1 DCG0
Table 22. DCG1: DC Mode Digital Gain Byte 1, Mid Byte (address = 05h)
76543210
DCG15 DCG14 DCG13 DCG12 DCG11 DCG10 DCG9 DCG8
Table 23. DCG2: DC Mode Digital Gain Byte 2, Most Significant Byte (address = 06h)
76543210
DCG23 DCG22 DCG21 DCG20 DCG19 DCG18 DCG17 DCG16
Bits[7:0] DCG[23:0]: DC mode digital gain setting
The DCG0, DCG1, and DCG2 register bytes set the digital gain in dc mode; see Table 5.
Table 24. PULSA: Pulse Level A Byte (address = 07h)
76543210
0 0 0 PULSA4 PULSA3 PULSA2 PULSA1 PULSA0
Bits[7:5] Reserved
Always write '0'.
Bits[4:0] PULSA[4:0]: Pulse level A bits
These bits create pulse level A. (Selected output when SYNC is low.)
The PULSA and PULSB registers set two independent levels that can be used to provide pulse output. The
SYNC pin selects either level PULSA or level PULSB as the DAC output. The pulse amplitude resolution is
programmable in discrete steps, as shown in Table 6. Note that the pulse level value is independent of the
RANGE[2:0] setting.
Table 25. PULSB: Pulse Level B Byte (address = 08h)
76543210
0 0 0 PULSB4 PULSB3 PULSB2 PULSB1 PULSB0
Bits[7:5] Reserved
Always write '0'.
Bits[4:0] PULSB[4:0]: Pulse level B bits
These bits create pulse level B.
The PULSA and PULSB registers set two independent levels that can be used to provide pulse output. The
SYNC pin selects either level PULSA or level PULSB as the DAC output. The pulse amplitude resolution is
programmable in discrete steps; see Table 6. Note that the pulse level value is independent of the RANGE[2:0]
setting.
Copyright © 2011–2015, Texas Instruments Incorporated Submit Documentation Feedback 35
Product Folder Links: DAC1282
l TEXAS INSTRUMENTS AVDD AVDD (2A) (13) m DGND SWOUTN SWOUTP SWINP SWINN u Swuched Output
DGND SWOUTN SWOUTP SWINP SWINN
DVDD AVDD
(24)
AVDD
(13)
VREF
REF5050
REF5045
Controller
4.096 MHz
50 Ω
0.1 µF
100 µF
1 µF
+V
+2.5 V
+3.3 V
Output
CAPN
CAPP
C
1 nF C0G
1
C
1 nF C0G
2
VOUTP
VOUTN
Switched Output
CLK
CS
SCLK
DIN
DOUT
SYNC
SW/TD
RESET/PWDN
50 Ω
50 Ω
50 Ω
R
50 Ω
1
R
50 Ω
2
1 µF
DAC1282
AVSS
(14)
-2.5 V
1 µF
AVSS
(23)
1 µF
NR
4.7 µF
DAC1282, DAC1282A
SBAS490B DECEMBER 2011REVISED MAY 2015
www.ti.com
9 Application and Implementation
NOTE
Information in the following applications sections is not part of the TI component
specification, and TI does not warrant its accuracy or completeness. TI’s customers are
responsible for determining suitability of components for their purposes. Customers should
validate and test their design implementation to confirm system functionality.
9.1 Application Information
Figure 50 shows the basic DAC1282 connection. Bipolar analog supplies are shown (±2.5 V). Single-supply
operation is also possible with AVDD = 5 V and AVSS = GND. The digital supply range is 1.65 V to 3.6 V.
A low-noise, low-drift reference is recommended for best performance, such as the REF5050 (+5 V) and
REF5045 (+4.5 V). Best signal-to-noise ratio is achieved with a 5-V reference, although a 4.5-V reference
(REF5045) can be used with 1-dB loss in SNR. The 4.5-V reference can be operated from a 5-V supply. AVSS
(pin 14) is the key reference ground point and should be connected to the reference ground terminal using a star
connection. C1and C2are the required 1-nF output filter capacitors. The capacitors should be of the low volt-
coefficient type (such as a COG ceramic or similar) and placed close to the device pins. Output resistors, R1and
R2, decouple the DAC to ensure best performnace when driving capacitive loads. The output is shown routed to
the signal switch, providing a second, switched DAC output.
Figure 50. Basic Connection
36 Submit Documentation Feedback Copyright © 2011–2015, Texas Instruments Incorporated
Product Folder Links: DAC1282
l TEXAS INSTRUMENTS moan Smlch om ADsmz
Protection Filtering
Geophone
Switch Out
DAC1282
ADS1282
Switch In
Inp1
Inp2
VOUTP
VOUTN
DAC1282, DAC1282A
www.ti.com
SBAS490B –DECEMBER 2011REVISED MAY 2015
9.2 Typical Applications
9.2.1 Single-Channel Seismic System
Figure 51 illustrates a single-channel data acquisition concept for seismic. The DAC1282 is used to test both the
ADC and geophone. The DAC1282 connects directly to channel 1 of the ADC. Tests of the ADC include THD,
pulse, input noise, common-mode, etc. The DAC output and ADC sample timing are controlled by the SYNC
input pins.
The geophone connects to channel 2 of the ADC through input protection and optional filter networks. The DAC
connects to the geophone using the integrated signal switch. Series resistors isolate the geophone from the DAC
output. Geophone test capabilities include impulse, THD, leakage, and common-mode.
Figure 51. Single-Channel Seismic System
Copyright © 2011–2015, Texas Instruments Incorporated Submit Documentation Feedback 37
Product Folder Links: DAC1282
l TEXAS INSTRUMENTS DAC1282 swam Ompm AD31282 A051232 AD31282 AD31282
DAC1282
ADS1282
ADS1282
ADS1282
ADS1282
Protection +
Filtering
Geophone
Switched Output
Geophone
Geophone
Geophone Protection +
Filtering
Protection +
Filtering
Protection +
Filtering
DAC1282, DAC1282A
SBAS490B DECEMBER 2011REVISED MAY 2015
www.ti.com
Typical Applications (continued)
9.2.2 Four-Channel Seismic System
Figure 52 illustrates a four-channel system. The switched DAC1282 output is routed to the ADC inputs. The
signal from the DAC switch is used to perform sensor impulse testing by opening the switch while digitizing the
response.
Figure 52. Four-Channel Seismic System
38 Submit Documentation Feedback Copyright © 2011–2015, Texas Instruments Incorporated
Product Folder Links: DAC1282
l TEXAS INSTRUMENTS Am
DAC1282, DAC1282A
www.ti.com
SBAS490B –DECEMBER 2011REVISED MAY 2015
10 Device and Documentation Support
10.1 Community Resources
The following links connect to TI community resources. Linked contents are provided AS IS by the respective
contributors. They do not constitute TI specifications and do not necessarily reflect TI's views; see TI's Terms of
Use.
TI E2E™ Online Community TI's Engineer-to-Engineer (E2E) Community. Created to foster collaboration
among engineers. At e2e.ti.com, you can ask questions, share knowledge, explore ideas and help
solve problems with fellow engineers.
Design Support TI's Design Support Quickly find helpful E2E forums along with design support tools and
contact information for technical support.
10.2 Trademarks
E2E is a trademark of Texas Instruments.
SPI is a trademark of Motorola.
All other trademarks are the property of their respective owners.
10.3 Electrostatic Discharge Caution
This integrated circuit can be damaged by ESD. Texas Instruments recommends that all integrated circuits be handled with
appropriate precautions. Failure to observe proper handling and installation procedures can cause damage.
ESD damage can range from subtle performance degradation to complete device failure. Precision integrated circuits may be more
susceptible to damage because very small parametric changes could cause the device not to meet its published specifications.
10.4 Glossary
SLYZ022 TI Glossary.
This glossary lists and explains terms, acronyms, and definitions.
11 Mechanical, Packaging, and Orderable Information
The following pages include mechanical, packaging, and orderable information. This information is the most
current data available for the designated devices. This data is subject to change without notice and revision of
this document. For browser-based versions of this data sheet, refer to the left-hand navigation.
Copyright © 2011–2015, Texas Instruments Incorporated Submit Documentation Feedback 39
Product Folder Links: DAC1282
I TEXAS INSTRUMENTS
PACKAGE OPTION ADDENDUM
www.ti.com 10-Dec-2020
Addendum-Page 1
PACKAGING INFORMATION
Orderable Device Status
(1)
Package Type Package
Drawing Pins Package
Qty Eco Plan
(2)
Lead finish/
Ball material
(6)
MSL Peak Temp
(3)
Op Temp (°C) Device Marking
(4/5)
Samples
DAC1282AIPW ACTIVE TSSOP PW 24 60 RoHS & Green NIPDAU Level-2-260C-1 YEAR -40 to 85 DAC1282A
DAC1282AIPWR ACTIVE TSSOP PW 24 2000 RoHS & Green NIPDAU Level-2-260C-1 YEAR -40 to 85 DAC1282A
DAC1282IPW ACTIVE TSSOP PW 24 60 RoHS & Green NIPDAU Level-2-260C-1 YEAR -40 to 85 DAC1282
DAC1282IPWR ACTIVE TSSOP PW 24 2000 RoHS & Green NIPDAU Level-2-260C-1 YEAR -40 to 85 DAC1282
(1) The marketing status values are defined as follows:
ACTIVE: Product device recommended for new designs.
LIFEBUY: TI has announced that the device will be discontinued, and a lifetime-buy period is in effect.
NRND: Not recommended for new designs. Device is in production to support existing customers, but TI does not recommend using this part in a new design.
PREVIEW: Device has been announced but is not in production. Samples may or may not be available.
OBSOLETE: TI has discontinued the production of the device.
(2) RoHS: TI defines "RoHS" to mean semiconductor products that are compliant with the current EU RoHS requirements for all 10 RoHS substances, including the requirement that RoHS substance
do not exceed 0.1% by weight in homogeneous materials. Where designed to be soldered at high temperatures, "RoHS" products are suitable for use in specified lead-free processes. TI may
reference these types of products as "Pb-Free".
RoHS Exempt: TI defines "RoHS Exempt" to mean products that contain lead but are compliant with EU RoHS pursuant to a specific EU RoHS exemption.
Green: TI defines "Green" to mean the content of Chlorine (Cl) and Bromine (Br) based flame retardants meet JS709B low halogen requirements of <=1000ppm threshold. Antimony trioxide based
flame retardants must also meet the <=1000ppm threshold requirement.
(3) MSL, Peak Temp. - The Moisture Sensitivity Level rating according to the JEDEC industry standard classifications, and peak solder temperature.
(4) There may be additional marking, which relates to the logo, the lot trace code information, or the environmental category on the device.
(5) Multiple Device Markings will be inside parentheses. Only one Device Marking contained in parentheses and separated by a "~" will appear on a device. If a line is indented then it is a continuation
of the previous line and the two combined represent the entire Device Marking for that device.
(6) Lead finish/Ball material - Orderable Devices may have multiple material finish options. Finish options are separated by a vertical ruled line. Lead finish/Ball material values may wrap to two
lines if the finish value exceeds the maximum column width.
Important Information and Disclaimer:The information provided on this page represents TI's knowledge and belief as of the date that it is provided. TI bases its knowledge and belief on information
provided by third parties, and makes no representation or warranty as to the accuracy of such information. Efforts are underway to better integrate information from third parties. TI has taken and
I TEXAS INSTRUMENTS
PACKAGE OPTION ADDENDUM
www.ti.com 10-Dec-2020
Addendum-Page 2
continues to take reasonable steps to provide representative and accurate information but may not have conducted destructive testing or chemical analysis on incoming materials and chemicals.
TI and TI suppliers consider certain information to be proprietary, and thus CAS numbers and other limited information may not be available for release.
In no event shall TI's liability arising out of such information exceed the total purchase price of the TI part(s) at issue in this document sold by TI to Customer on an annual basis.
l TEXAS INSTRUMENTS REEL DIMENSIONS TAPE DIMENSIONS ’ I+K0 '«PI» Reel Diame|er AD Dimension deSIgned Io accommodate me componem wIdIh E0 Dimension deSIgned Io eecommodaIe me componenI Iengm KO Dlmenslun desIgned to accommodate me componem Ihlckness 7 w OvereII wmm OHhe earner cape i p1 Pitch between successwe cavIIy cemers f T Reel Width (W1) QUADRANT ASSIGNMENTS FOR PIN 1 ORIENTATION IN TAPE O O O D O O D O SprockeIHoles ,,,,,,,,,,, ‘ User Direcllon 0' Feed Pockel Quadrams
TAPE AND REEL INFORMATION
*All dimensions are nominal
Device Package
Type Package
Drawing Pins SPQ Reel
Diameter
(mm)
Reel
Width
W1 (mm)
A0
(mm) B0
(mm) K0
(mm) P1
(mm) W
(mm) Pin1
Quadrant
DAC1282AIPWR TSSOP PW 24 2000 330.0 16.4 6.95 8.3 1.6 8.0 16.0 Q1
DAC1282IPWR TSSOP PW 24 2000 330.0 16.4 6.95 8.3 1.6 8.0 16.0 Q1
PACKAGE MATERIALS INFORMATION
www.ti.com 5-Jan-2022
Pack Materials-Page 1
l TEXAS INSTRUMENTS TAPE AND REEL BOX DIMENSIONS
*All dimensions are nominal
Device Package Type Package Drawing Pins SPQ Length (mm) Width (mm) Height (mm)
DAC1282AIPWR TSSOP PW 24 2000 350.0 350.0 43.0
DAC1282IPWR TSSOP PW 24 2000 350.0 350.0 43.0
PACKAGE MATERIALS INFORMATION
www.ti.com 5-Jan-2022
Pack Materials-Page 2
l TEXAS INSTRUMENTS T - Tube height| L - Tube length l ,g + w-Tuhe _______________ _ ______________ width 47 — B - Alignment groove width
TUBE
*All dimensions are nominal
Device Package Name Package Type Pins SPQ L (mm) W (mm) T (µm) B (mm)
DAC1282AIPW PW TSSOP 24 60 530 10.2 3600 3.5
DAC1282IPW PW TSSOP 24 60 530 10.2 3600 3.5
PACKAGE MATERIALS INFORMATION
www.ti.com 5-Jan-2022
Pack Materials-Page 3
I ,/ x /. \_ , ‘ .\ ,, /x ,, S 1 EL fig
www.ti.com
PACKAGE OUTLINE
C
22X 0.65
2X
7.15
24X 0.30
0.19
TYP
6.6
6.2
1.2 MAX
0.15
0.05
0.25
GAGE PLANE
-80
B
NOTE 4
4.5
4.3
A
NOTE 3
7.9
7.7
0.75
0.50
(0.15) TYP
TSSOP - 1.2 mm max heightPW0024A
SMALL OUTLINE PACKAGE
4220208/A 02/2017
1
12 13
24
0.1 C A B
PIN 1 INDEX AREA
SEE DETAIL A
0.1 C
NOTES:
1. All linear dimensions are in millimeters. Any dimensions in parenthesis are for reference only. Dimensioning and tolerancing
per ASME Y14.5M.
2. This drawing is subject to change without notice.
3. This dimension does not include mold flash, protrusions, or gate burrs. Mold flash, protrusions, or gate burrs shall not
exceed 0.15 mm per side.
4. This dimension does not include interlead flash. Interlead flash shall not exceed 0.25 mm per side.
5. Reference JEDEC registration MO-153.
SEATING
PLANE
A 20
DETAIL A
TYPICAL
SCALE 2.000
gmmmflgmmfij ‘w“““‘+“‘w““‘ Emma—5% R
www.ti.com
EXAMPLE BOARD LAYOUT
0.05 MAX
ALL AROUND 0.05 MIN
ALL AROUND
24X (1.5)
24X (0.45)
22X (0.65)
(5.8)
(R0.05) TYP
TSSOP - 1.2 mm max heightPW0024A
SMALL OUTLINE PACKAGE
4220208/A 02/2017
NOTES: (continued)
6. Publication IPC-7351 may have alternate designs.
7. Solder mask tolerances between and around signal pads can vary based on board fabrication site.
LAND PATTERN EXAMPLE
EXPOSED METAL SHOWN
SCALE: 10X
SYMM
SYMM
1
12 13
24
15.000
METAL
SOLDER MASK
OPENING METAL UNDER
SOLDER MASK SOLDER MASK
OPENING
EXPOSED METAL
EXPOSED METAL
SOLDER MASK DETAILS
NON-SOLDER MASK
DEFINED
(PREFERRED)
SOLDER MASK
DEFINED
fiflmmmmmfimmmfi$% Emma—5%g
www.ti.com
EXAMPLE STENCIL DESIGN
24X (1.5)
24X (0.45)
22X (0.65)
(5.8)
(R0.05) TYP
TSSOP - 1.2 mm max heightPW0024A
SMALL OUTLINE PACKAGE
4220208/A 02/2017
NOTES: (continued)
8. Laser cutting apertures with trapezoidal walls and rounded corners may offer better paste release. IPC-7525 may have alternate
design recommendations.
9. Board assembly site may have different recommendations for stencil design.
SOLDER PASTE EXAMPLE
BASED ON 0.125 mm THICK STENCIL
SCALE: 10X
SYMM
SYMM
1
12 13
24
IMPORTANT NOTICE AND DISCLAIMER
TI PROVIDES TECHNICAL AND RELIABILITY DATA (INCLUDING DATA SHEETS), DESIGN RESOURCES (INCLUDING REFERENCE
DESIGNS), APPLICATION OR OTHER DESIGN ADVICE, WEB TOOLS, SAFETY INFORMATION, AND OTHER RESOURCES “AS IS”
AND WITH ALL FAULTS, AND DISCLAIMS ALL WARRANTIES, EXPRESS AND IMPLIED, INCLUDING WITHOUT LIMITATION ANY
IMPLIED WARRANTIES OF MERCHANTABILITY, FITNESS FOR A PARTICULAR PURPOSE OR NON-INFRINGEMENT OF THIRD
PARTY INTELLECTUAL PROPERTY RIGHTS.
These resources are intended for skilled developers designing with TI products. You are solely responsible for (1) selecting the appropriate
TI products for your application, (2) designing, validating and testing your application, and (3) ensuring your application meets applicable
standards, and any other safety, security, regulatory or other requirements.
These resources are subject to change without notice. TI grants you permission to use these resources only for development of an
application that uses the TI products described in the resource. Other reproduction and display of these resources is prohibited. No license
is granted to any other TI intellectual property right or to any third party intellectual property right. TI disclaims responsibility for, and you
will fully indemnify TI and its representatives against, any claims, damages, costs, losses, and liabilities arising out of your use of these
resources.
TI’s products are provided subject to TI’s Terms of Sale or other applicable terms available either on ti.com or provided in conjunction with
such TI products. TI’s provision of these resources does not expand or otherwise alter TI’s applicable warranties or warranty disclaimers for
TI products.
TI objects to and rejects any additional or different terms you may have proposed. IMPORTANT NOTICE
Mailing Address: Texas Instruments, Post Office Box 655303, Dallas, Texas 75265
Copyright © 2022, Texas Instruments Incorporated