
List of figures UM1557
6/111 Doc ID 023521 Rev 2
List of figures
Figure 1. Latch functionality – behavior in overload condition . . . . . . . . . . . . . . . . . . . . . . . . . . . . . . . 9
Figure 2. VND5T035AK – latch functionality check (output shorted to GND) . . . . . . . . . . . . . . . . . . . 9
Figure 3. Stand-by mode activation . . . . . . . . . . . . . . . . . . . . . . . . . . . . . . . . . . . . . . . . . . . . . . . . . . 10
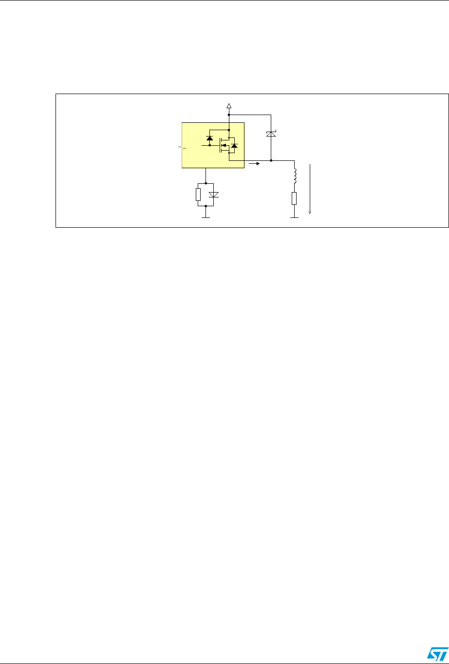
Figure 4. Monolithic analogue HSD–application schematic. . . . . . . . . . . . . . . . . . . . . . . . . . . . . . . . 11
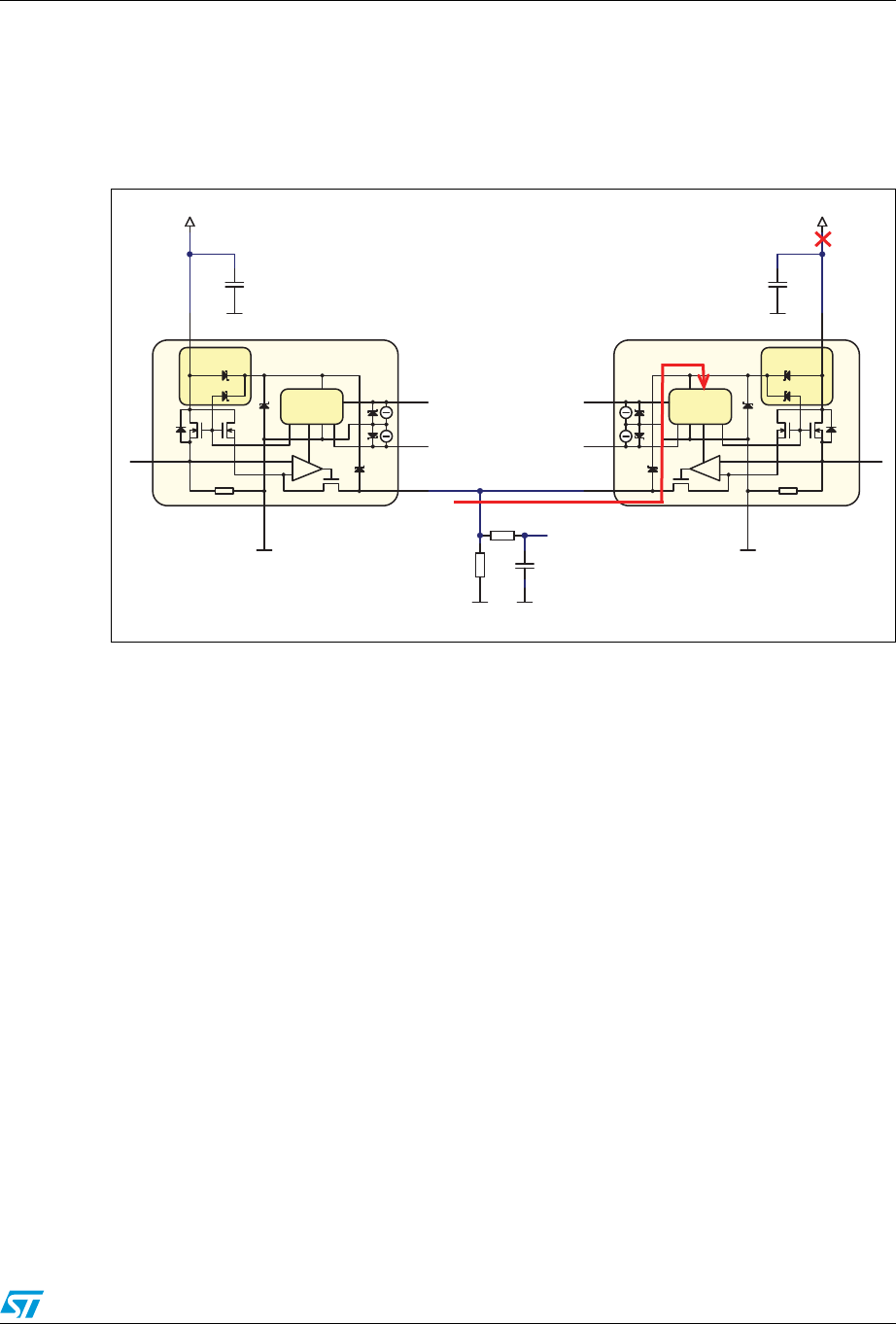
Figure 5. Hybrid analogue HSD–application schematic. . . . . . . . . . . . . . . . . . . . . . . . . . . . . . . . . . . 12
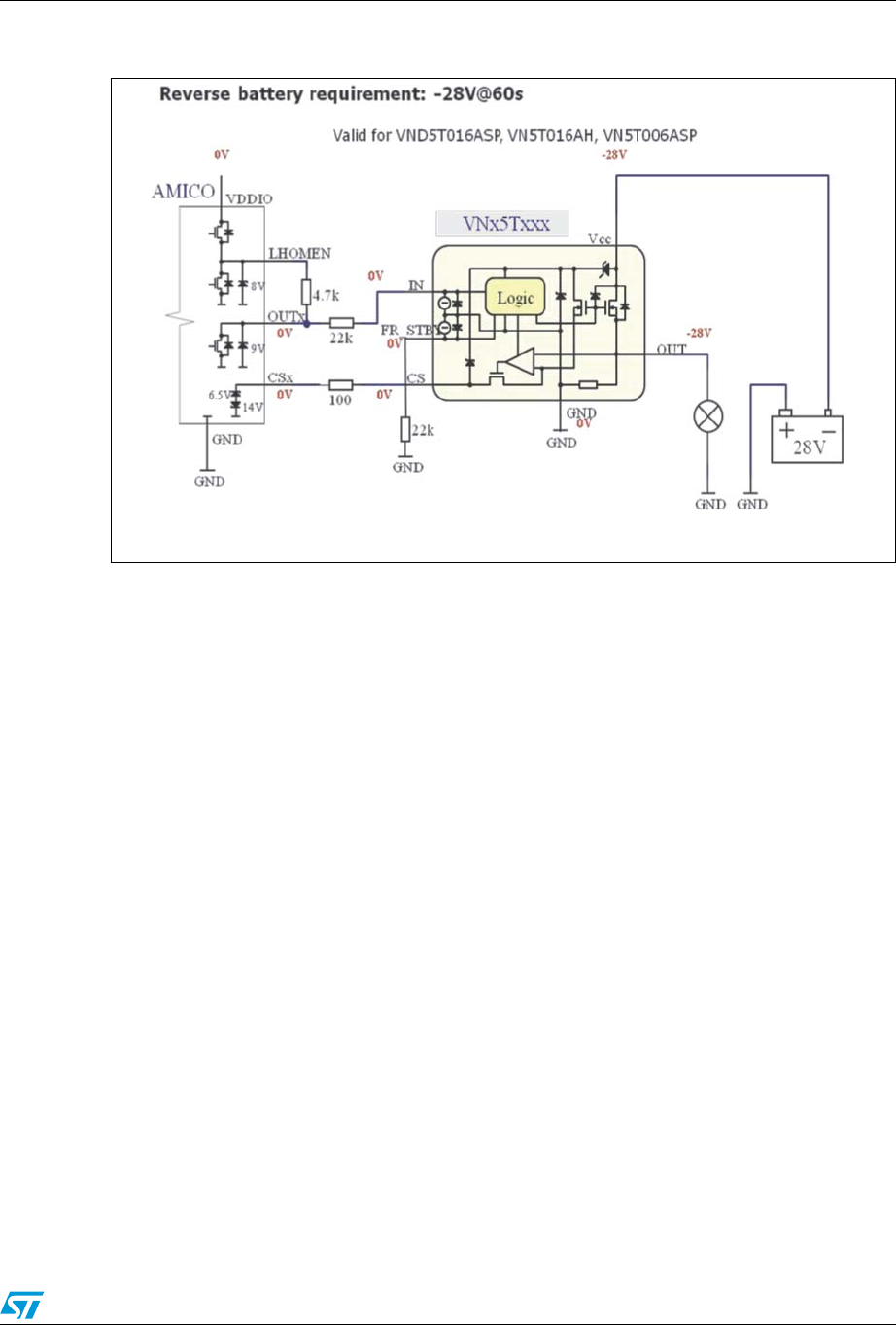
Figure 6. Voltage levels during reverse battery using diode-resistor protection . . . . . . . . . . . . . . . . 13
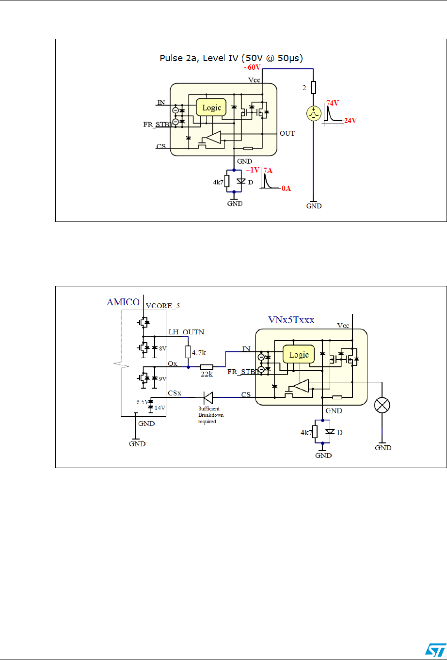
Figure 7. Positive ISO pulse . . . . . . . . . . . . . . . . . . . . . . . . . . . . . . . . . . . . . . . . . . . . . . . . . . . . . . . 14
Figure 8. Negative ISO pulse. . . . . . . . . . . . . . . . . . . . . . . . . . . . . . . . . . . . . . . . . . . . . . . . . . . . . . . 15
Figure 9. Negative GND shift (T
DEMAG
> t
stby
). . . . . . . . . . . . . . . . . . . . . . . . . . . . . . . . . . . . . . . . . . 16
Figure 10. Measurement example – T
DEMAG
> t
stby
(R
GND
= 6.8 k, relay 880 mH/280 Ω) . . . . . . . . . 16
Figure 11. Voltage levels during reverse battery – MOSFET protection . . . . . . . . . . . . . . . . . . . . . . . 17
Figure 12. Hybrid HSD – reverse battery protection with self switch-on of the MOSFET . . . . . . . . . . 19
Figure 13. Example–self switch-on of the MOSFET eliminated by Dgnd . . . . . . . . . . . . . . . . . . . . . . 19
Figure 14. ISO-pulse transfer to I/O pin . . . . . . . . . . . . . . . . . . . . . . . . . . . . . . . . . . . . . . . . . . . . . . . . 20
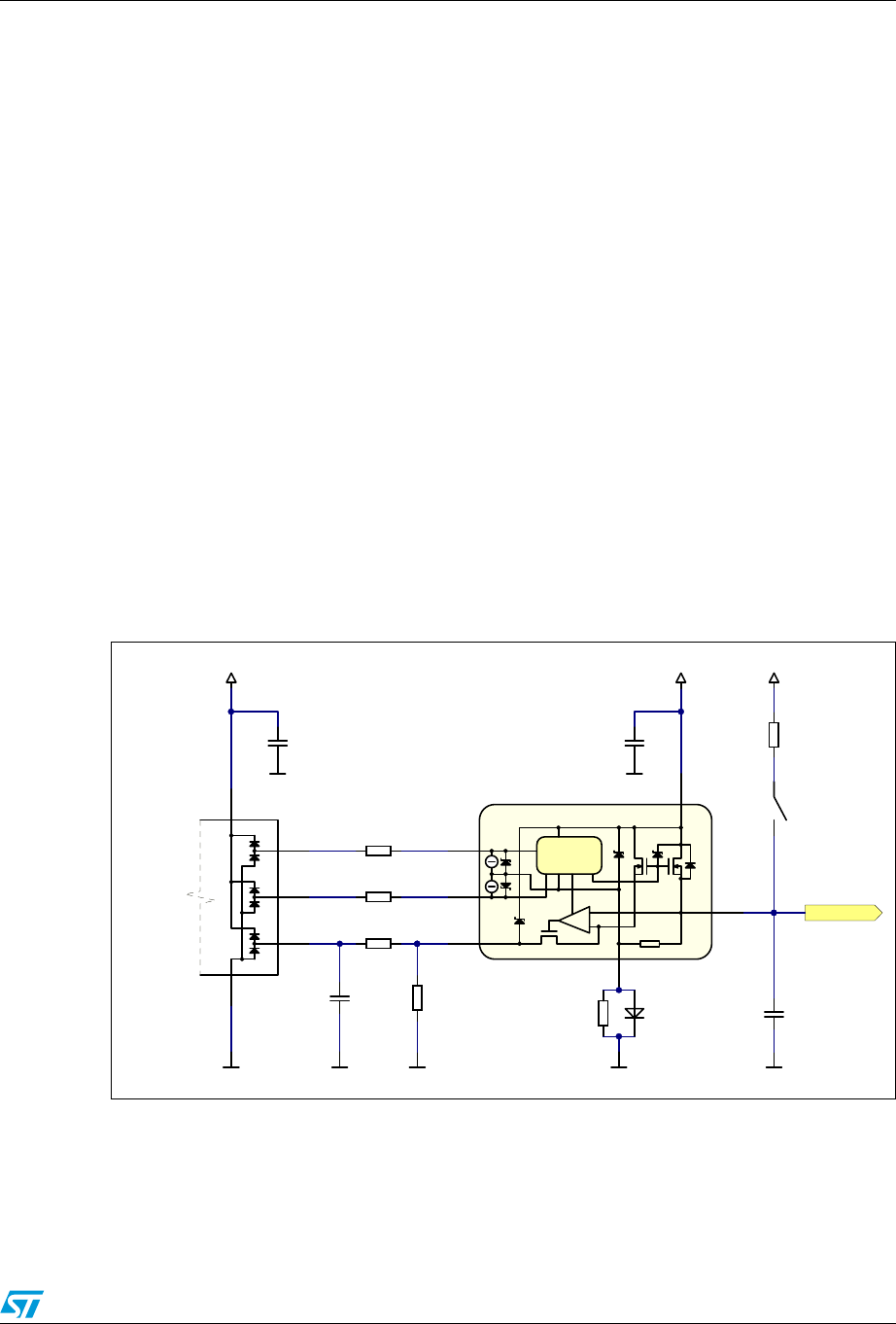
Figure 15. 24 V high-side driver with analogue current sense–block diagram. . . . . . . . . . . . . . . . . . . 21
Figure 16. Analog current sense simplified block diagram . . . . . . . . . . . . . . . . . . . . . . . . . . . . . . . . . 22
Figure 17. V
SENSE
vs I
OUT
. . . . . . . . . . . . . . . . . . . . . . . . . . . . . . . . . . . . . . . . . . . . . . . . . . . . . . . . . . 23
Figure 18. V
SENSE
vs V
OUT
@ I
OUT
=I
LIMH
. . . . . . . . . . . . . . . . . . . . . . . . . . . . . . . . . . . . . . . . . . . . . . 24
Figure 19. Example–overload (350 mΩ to GND) . . . . . . . . . . . . . . . . . . . . . . . . . . . . . . . . . . . . . . . . 25
Figure 20. Example–hard short to GND. . . . . . . . . . . . . . . . . . . . . . . . . . . . . . . . . . . . . . . . . . . . . . . . 26
Figure 21. Current sense resistor . . . . . . . . . . . . . . . . . . . . . . . . . . . . . . . . . . . . . . . . . . . . . . . . . . . . 27
Figure 22. Switchable current sense resistor–example . . . . . . . . . . . . . . . . . . . . . . . . . . . . . . . . . . . . 29
Figure 23. Vsense measurement. . . . . . . . . . . . . . . . . . . . . . . . . . . . . . . . . . . . . . . . . . . . . . . . . . . . . 30
Figure 24. Analogue HSD–open load detection in off-state. . . . . . . . . . . . . . . . . . . . . . . . . . . . . . . . . 31
Figure 25. Open load/short to Vcc condition . . . . . . . . . . . . . . . . . . . . . . . . . . . . . . . . . . . . . . . . . . . . 32
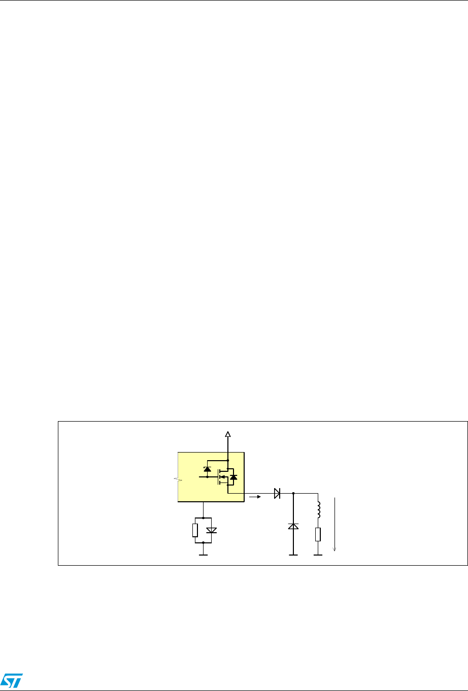
Figure 26. Inductive load – HSD turn-on phase. . . . . . . . . . . . . . . . . . . . . . . . . . . . . . . . . . . . . . . . . . 36
Figure 27. Inductive load–turn-on example: VND5T035AK, L=880 mH, R=370 Ω . . . . . . . . . . . . . . . 37
Figure 28. Inductive load – HSD turn-off phase. . . . . . . . . . . . . . . . . . . . . . . . . . . . . . . . . . . . . . . . . . 37
Figure 29. Inductive load - Turn off example: VND5T035AK, L=880 mH, R=370 Ω . . . . . . . . . . . . . . 41
Figure 30. Maximum turn-off current versus inductance–VND5T100AJ datasheet. . . . . . . . . . . . . . . 43
Figure 31. Demagnetization energy measurement–VND5T100AJ, relay 880 mH. . . . . . . . . . . . . . . . 44
Figure 32. External clamping – transil and diode. . . . . . . . . . . . . . . . . . . . . . . . . . . . . . . . . . . . . . . . . 50
Figure 33. Transil – V/A characteristic . . . . . . . . . . . . . . . . . . . . . . . . . . . . . . . . . . . . . . . . . . . . . . . . . 51
Figure 34. Peak pulse power vs pulse time (for transil 600 W@10/1000 µs series) . . . . . . . . . . . . . . 52
Figure 35. Equivalent pulses giving the same power dissipation. . . . . . . . . . . . . . . . . . . . . . . . . . . . . 52
Figure 36. Maximum peak power as function of the initial temperature of the transil . . . . . . . . . . . . . 53
Figure 37. Maximum turn-off current versus inductance – VND5T035AJ datasheet. . . . . . . . . . . . . . 56
Figure 38. Appropriate protection circuitry for VND5T035A with DC motor. . . . . . . . . . . . . . . . . . . . . 57
Figure 39. Single demagnetization in stall condition – VND5T035AK, Freewheeling diode . . . . . . . . 58
Figure 40. Repetitive demagnetization in stall condition – VND5T035AK, Freewheeling diode . . . . . 59
Figure 41. Direct connection of FR_Stby pins (not recommended) . . . . . . . . . . . . . . . . . . . . . . . . . . . 61
Figure 42. Proper connection of FR_Stby pins . . . . . . . . . . . . . . . . . . . . . . . . . . . . . . . . . . . . . . . . . . 62
Figure 43. Direct connection of FR_Stby pins (not recommended) . . . . . . . . . . . . . . . . . . . . . . . . . . . 63
Figure 44. Direct connection of FR_Stby pins (not recommended) . . . . . . . . . . . . . . . . . . . . . . . . . . . 64
Figure 45. Direct connection of CS pins (not recommended) . . . . . . . . . . . . . . . . . . . . . . . . . . . . . . . 65
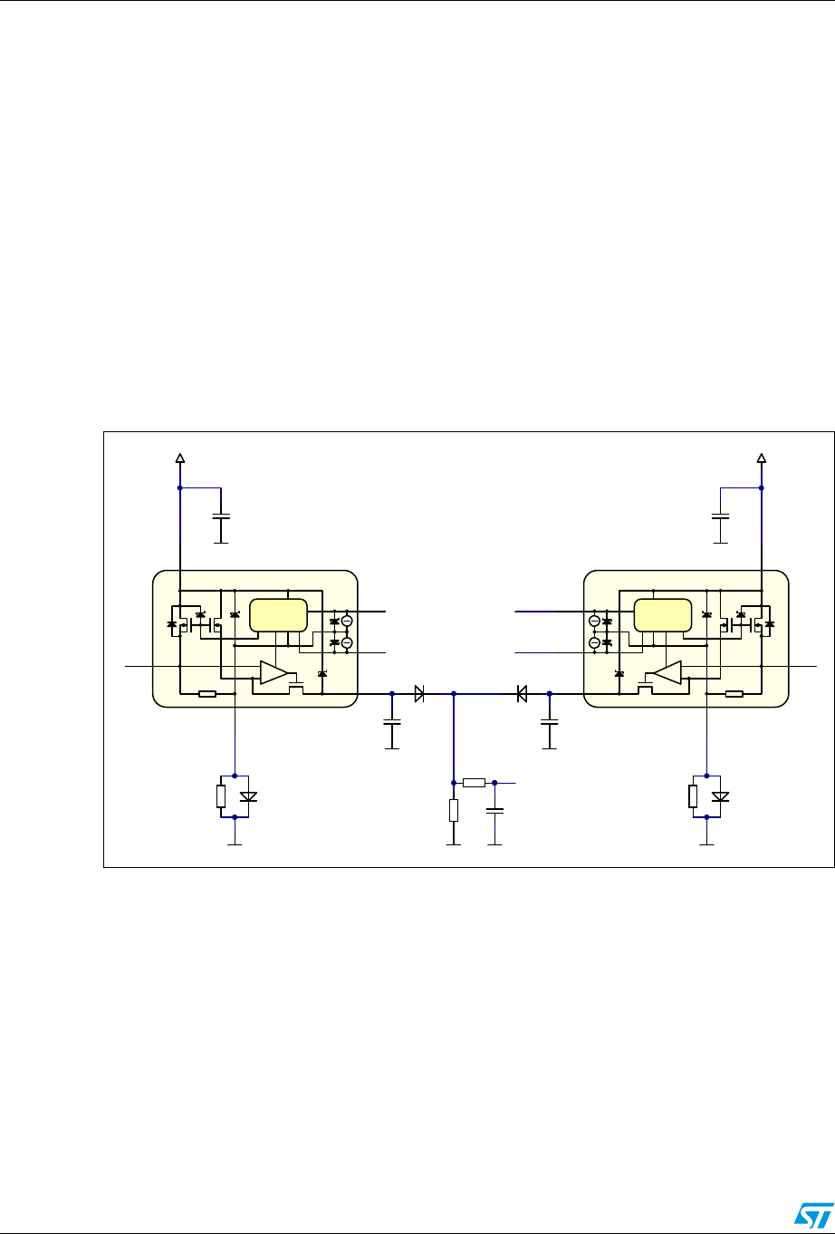
Figure 46. Robust solution for paralleling CS pins. . . . . . . . . . . . . . . . . . . . . . . . . . . . . . . . . . . . . . . . 66
Figure 47. Direct connection of CS pins (not recommended) . . . . . . . . . . . . . . . . . . . . . . . . . . . . . . . 67
Figure 48. Direct connection of CS pins (not recommended) . . . . . . . . . . . . . . . . . . . . . . . . . . . . . . . 68