
Revision history L6229
32/33 DocID9455 Rev 5
13 Revision history
Table 12. Document revision history
Date Revision Changes
September
2003 1 First Issue
January 2004 2 Migration from ST-Press dms to EDOCS.
October 2004 3 Updated the style graphic form.
06-Mar-2014 4
Updated Section : Features on page 1 (removed section number from: Features,
minor modifications).
Updated Section : Description on page 1 (removed section number from:
Description, removed “MultiPower-” from “MultiPower-BCD technology”).
Added Contents on page 2.
Updated Section 1: Block diagram on page 3 (added section title, renumbered
Figure 1: Block diagram ).
Added title to Section 2: Maximum ratings on page 4.
Added title to Section 3: Pin connections on page 6, renumbered Figure 2: Pin
connections (top view), renumbered note 1 below Figure 2.
Added title to Section 4: Electrical characteristics on page 8, renumbered notes 1
to 4 below Table 6, renumbered Figure 3 and Figure 4.
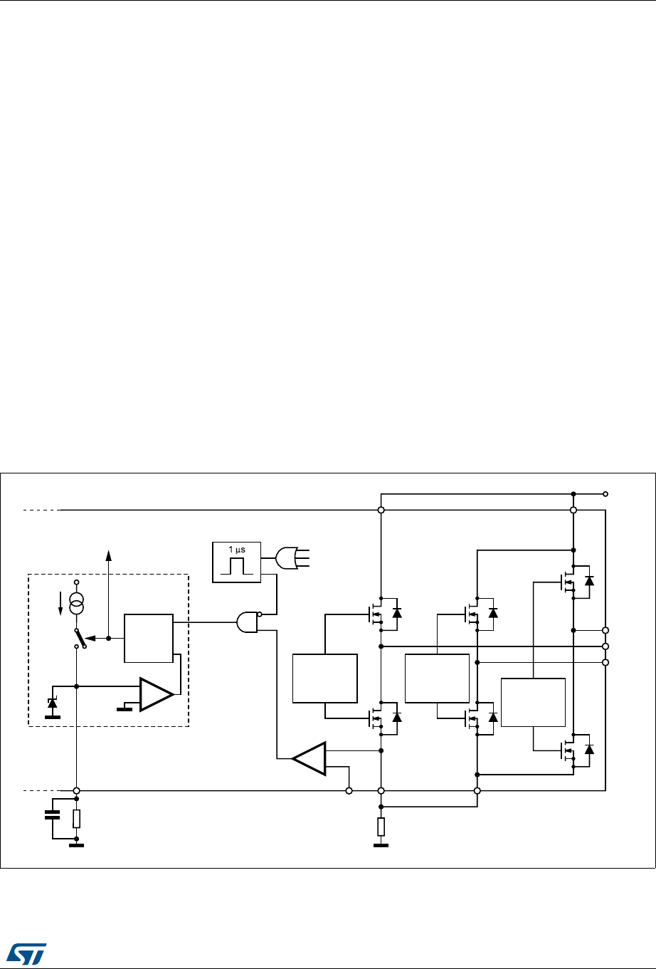
Renumbered Section 5: Circuit description on page 11, Section 5.1 and
Section 5.2. Removed “and C” from first sentence in Section 5.2. Added header to
Table 7. Renumbered Figure 5 to Figure 8.
Renumbered Section 6: PWM current control on page 13. Renumbered Figure 9 to
Figure 12. Numbered Equation 1 to Equation 4.
Renumbered Section 7: Slow decay mode on page 17 and Figure 13.
Renumbered Section 8: Decoding logic on page 18, Figure 14 and Figure 15.
Renumbered and renamed Section 9: Tachometer on page 20, renumbered
Figure 16 to Figure 18. Numbered Equation 5 and Equation 6.
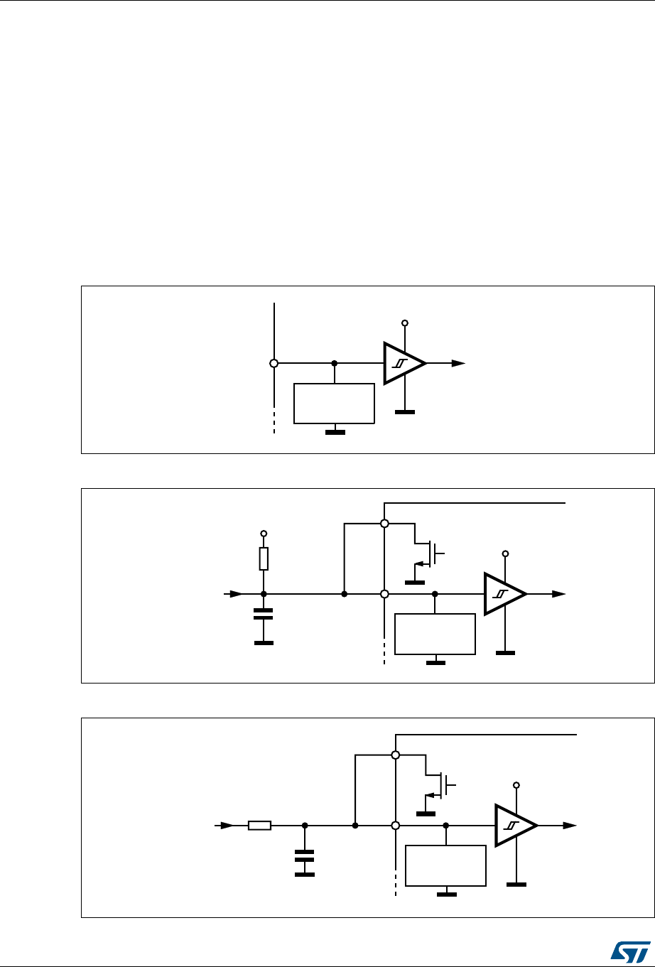
Renumbered Section 10: Non-dissipative overcurrent detection and protection on
page 22, Figure 19 to Figure 22.
Renumbered Section 11: Application information on page 25, Section 11.1 and
Section 11.2. Added header to Table 9. Renumbered Figure 23 to Figure 28.
Updated Section 12: Package information on page 29 (added main title and
ECOPACK text. Added titles from Table 10: PowerSO36 package mechanical data
to Table 12: SO24 package mechanical data and from Figure 29: PowerSO36
package outline to Figure 31: SO24 package outline, reversed order of named
tables and figures. Removed 3D figures of packages. Replaced 0.200 by 0.020
inch of max. B value in Table 12).
Added cross-references throughout document.
Added section number and title to Section 13: Revision history.
Minor modifications throughout document.
04-Oct-2018 5
Removed PowerDIP24 package from the whole document.
Removed “Tj“ from Table 3 on page 4.
Minor modifications throughout document.