Datenblatt für SN75161B-62B von Texas Instruments

*9 TEXAS
INSTRUMENTS
A1" a
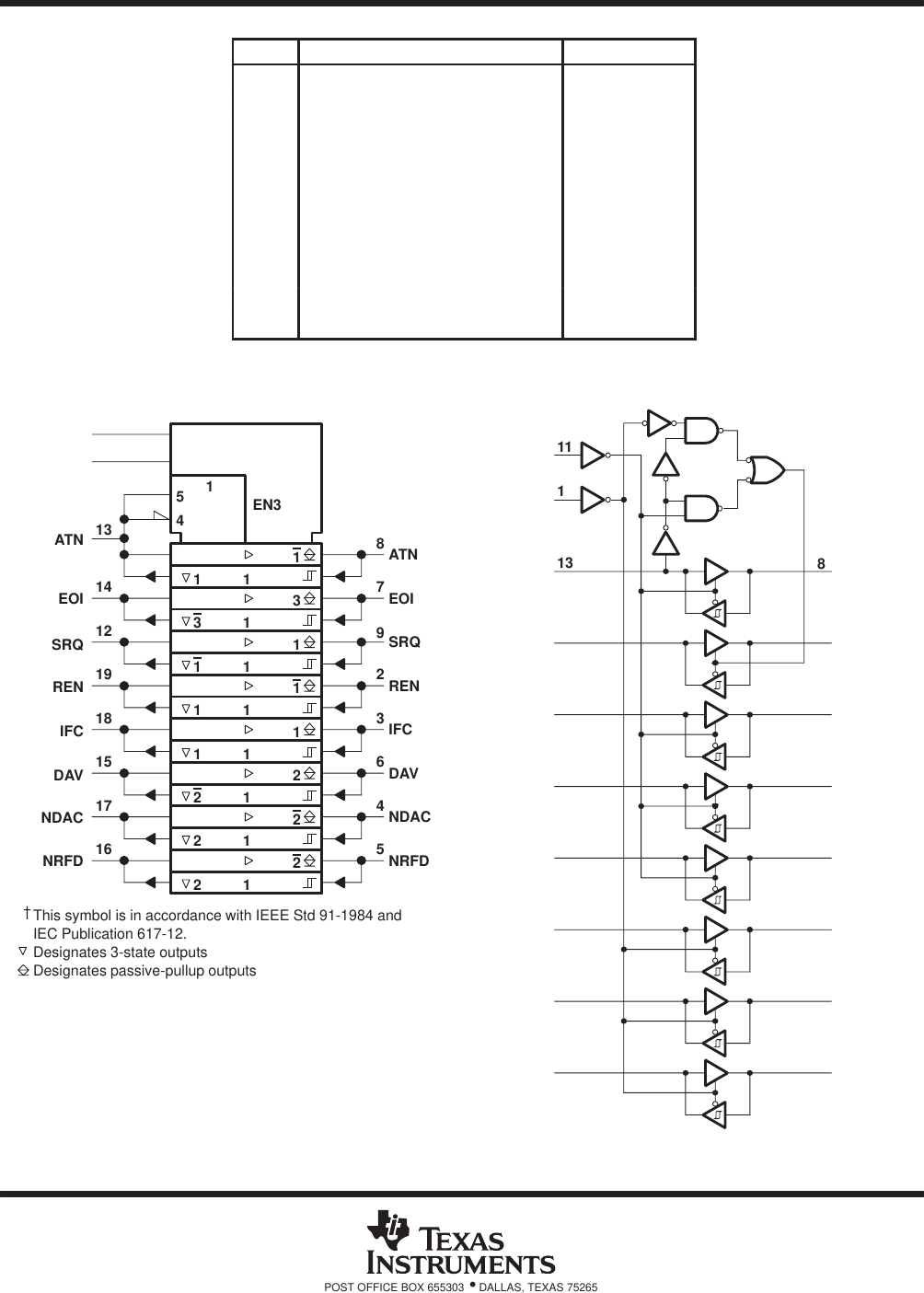
ATN 1a
7
EOI EOI
sac 9 sac
2
REM REN
a
IFC 1 9 'FC
J 6
DAV 2Q DAV
J 4
NDAC E Q NDAC
JI
5
NHFD 59 NHFD
v2 JI
TTms symbo‘ \s In accardance w11h IEEE Sm 9171984 and
\EC Pubhcamn 617712.
v Desugnates Esme oulpms
Q Desugnates passwerpulmp oulpms
*9 TEXAS
INSTRUMENTS
9057 omca aox $55303 - DALLAS IEXAS 752s5
#574k’57éefi7éefi74rx éxévékvégw
TE EN2/Gs
sc
ATN
ATN
l5
EOI EOI
l3
SRO SRO
REN 20 HEN
IFC '9 IFC
DAV '6 DAV
NDAC '8 59 NDAC
E
6
NRFD '7 29 NRFD
V2 JI
TTms symnm \s m accordance wnh \EEE sm 9171954 and
\EC Pubhcahon 517712
v Deswgnales same Du‘puts
e Deswgnales passwerpmlup outpms
Pm numbers shown are car «he N package.
97W
4 9057 omca aox $55303 - DALLAS IEXAS 752s5
%&7%&7%&7%~R7M7éfi [$472947
M
E IKE :
11a
..1 at” 1*
*9 TEXAS
INSTRUMENTS
VIH
V‘L
ngh \e-el min-101mm 1w
Lo-wlevrew Du1p‘10'rrem I~
*9 TEXAS
INSTRUMENTS
Hrgh \e‘ e? output vanage
Lam ?e~'et n‘ 'tpul vnflage
Termma‘
Voflage at US port Dwer dlsab1ed
Power Dn Dn“erdlsab1ed > , 2 5 V to 3 7 V
Shun mrcum amp-I current
Bus pancapacmance
*9 TEXAS
INSTRUMENTS
tPLZ
Termma‘ Bus L ns
Bus Terrmnab L ns
‘PZH Bus (ATN
‘PHZ .. ~ » See Flg“re 3 ns
‘PZL 5: .
(PZH
(PHZ or Termma? See Flg‘we 4 ns
‘PZL sc
I
LOAD CIRCUIT
Terminal | 5 v
I c '
"p” \ See Male 3 \
‘PLH At—H‘ |PHL+H
7 }7 7 7
Bus 2.2 v \
Output 1
VOLTAGE WAVEFO
ompm Under
Test
“3?: 1.5 v 1
p \ See Note B \
‘PLH J W Hunk—>4
\ + 7 7
1.5 v
Output fl
VOLTAGE WAVEFOR
*9 TEXAS
INSTRUMENTS
p057 omca aox $55303 - DALLA
Test
LOAD CIRCUIT
Conlrol —\/— {.—
'"_P“_‘ TCV SeeNoleB
Bus ‘
Output
51 Open \
VOLTAG E WAVEFOHMS
NOTES A. CL Indudes probe and pg capacnance.
a. The mpm pulse ‘5 supphed by a generamr havmg me laHowmg char
1. 56 ns‘ 20 : so 9.
*9 TEXAS
INSTRUMENTS
9057 omca aox $55303 - DALLAS IE
Tesl
Input '
-- \
|P2H41 ‘W 'PHZ 4‘ W
Output ‘ 790%”
Terminal
51 Open
\
. \
Termlnal
51 Closed
VOLTAGE WAVEFORM
*9 TEXAS
INSTRUMENTS
p057 OFFICE aox $553133 - DALLAS IE
vOH — High-Level Oulpul Vollage —
Lu
P
uI
=
0
it
>
0
-I‘
s
a
.I
I
—5 —10 —15 —20 —25 —30 —35 —40
no" — High-Level ompuI Current — mA 'OL ‘ L°W
Figure 5
7TA = 25“C
>
I
0
Is.
3
B
>
'3
5 'VIT— A
O
I
r
*9 TEXAS
INSTRUMENTS
p057 OFFICE aox $55303 - DALLAS IEXAS 752s5
v0" 4 High—Level Oulpul Valiage 4 v
E
>
4? /
s
a
.a
I
0 —1o —20 —40 —3o —5o —60
IOH — High-Level Oulpul Cum-ml — mA IOL — Low
Figure 5
‘K
E
1
E
2
‘5
U
\
1 1.2 I3 1.4 1.5 1.6 L7
v. — Input Voltage — v
Figure 10
*9 TEXAS
INSTRUMENTS
9057 omca aox $55303 - DALLAS IEXAS 752s5
I TEXAS
INSTRUMENTS
TEXAS
INSTRUMENTS
l TEXAS
INSTRUMENTS
REEL DIMENSIONS TAPE DIMENSIONS
’ I+K0 '«PI»
Reel
Diame|er
AD Dimension deSIgned Io accommodate me componem wIdIh
E0 Dimension deSIgned Io eecommodaIe me componenI Iengm
KO Dlmenslun desIgned to accommodate me componem Ihlckness
7 w OvereII wmm OHhe earner cape
i p1 Pitch between successwe cavIIy cemers
f
T Reel Width (W1)
QUADRANT ASSIGNMENTS FOR PIN 1 ORIENTATION IN TAPE
O O O D O O D O SprockeIHoles
,,,,,,,,,,, ‘
User Direcllon 0' Feed
Pockel Quadrams
l TEXAS
INSTRUMENTS
TAPE AND REEL BOX DIMENSIONS
l TEXAS
INSTRUMENTS
T - Tube
height| L - Tube length
l
,g +
w-Tuhe _______________ _ ______________
width
$
— B - Alignment groove width
MECHANICAL DATA
DW «#:5075220 JLASW‘ SMALL 0U J\L
HHHHHHHHHHHH’fi
N
A AH Hnec' d'vnensm m ‘mmes (mammaers) D'ws'nmng md tu‘ermc'mq per ASME w 5M 1994,
B TH: drawmq ‘5 Sn :0 change wan: nohce.
a Body dimensmns ca nut inc‘ude mom flcsh ur mum" rut m exceed 0035 (055)
D
FONS WMHH JEDEC MSiOH vermin" ADV
NOTES:
{if TEXAS
INSTRUMENTS
wwvmi .com
MECHANICAL DATA
N (R—PDlP-T“) PLASTIC DUAL—IN—LINE PACKAGE
16 P15 SHOWN
PWS "
A L .
[NM 15 a 20
16 9 0 775 U 777 0 SZU '1 USE
3 ,
1H HH HH r% r’H r"—1 r’H H1 1 A VAX “9‘69? (191591 (23,37) (25,92)
0 250 (6,50‘ A MN [1145‘ 0142‘ 0.350 new
3 O 240 (6.10), 15 92/ (1832/ (2 .59) (23,58)
MSiUO‘
(A AA AA Ari AA AA AA R1 &. VAR1AT1CN M RR AC AD
1 B
0070( (17s)
0015 (111) A
0045 (1,111 g n
> , ‘ -) 3.020 (0,51) MW w
o 5 (0 35)
0200( 38) MAX f,
), Gnu E Home
1 1‘ 9
fix—1%)” 1
0125’ 1/111 4% 0010 (v.37 ) NOM
31a)
U
L»-
J 0450 (13,92) MAX L
202‘ (0,53)
» e c 015 (0,35) / \
a; 00‘s (0,Zb)® / \
1 1
\\¥,// 11/18 Pm (My > @
20 Pm vendor upho'v
mom/r 17/7037
NO'FS A AH Mnec' mmensmr‘fi:
B 1m: drawmq 1s sume
m muss (m1111mevem)
0 change mm): nofice
/c\ FuHs wumn JEDEC M57001, except 15 an: 20 p171 'r1111mLm body 1mm (01m A)
A The 70 p171 and 15m} shmflder Md” 15 a ve'vdnr 0311071, eher NIH Dr 111 wkflh
INSI'RUMENTS
www.1i.com
DW0020A I
DW0020A
DW0020A
$$$$$fififiifi%

