Datenblatt für PIC24FJ256GB210 Family von SparkFun Electronics
6‘
MICROCHIP
QUALITY MANAGEMENT SYSTEM
CERTIFIED BY DNV
= ISO/TS 16949:2002 =
Q
‘MICFIOCHIP

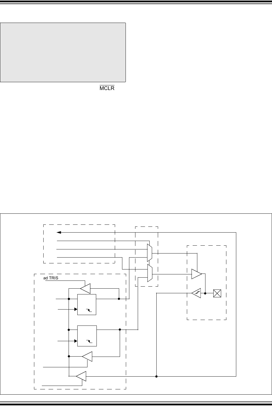
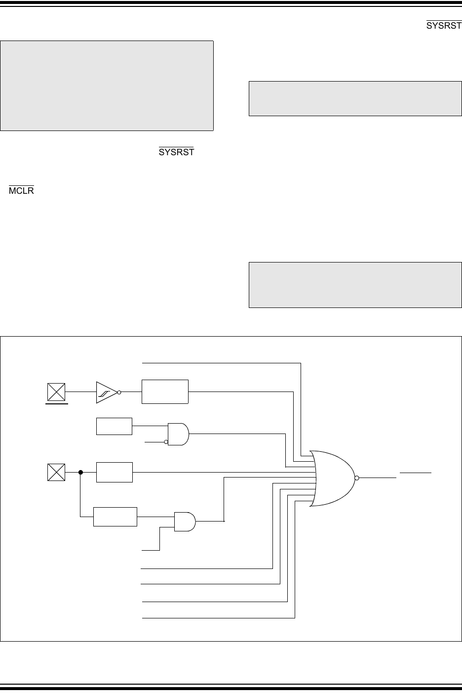
MCLR
ALTVREF

Pm Se‘em
ALTVREF
EALTPMP
Pm Se‘em
ALTVREF
EALTPMP




::











M
m V
#mifi
W W
MCLR
MCLR
MCLR
MCLR
“HP

sc0\
MM
—> ENE



12D (1) 12’
IBorrow
3m
Borrow Digi‘ Borrow
























m4
Xm
[1)
(1]
{*4
{*4


MCLR

m pgm m m



SVSRST
SYSRST
MCLR
VREGSW
"‘2’ \ \ \ \ \
MCLR
SYSRST
SYSRST
SVSRST
R
L
C
M
SVSRST
SYSRST

Reset , InslmctIon
Reset 7 Address
Reserved
OscIlIator FaII Trap Vector
Address Error Trap Vector
Stack Error Trap Vector
Matn Errdr Trap Vector
Reserved
Reserved
Reserved
Interrupt Vector o
Interrupt Vector T
Interrupt Vectdr 52
Interrupt Vectdr 53
Interrupt Vectdr 54
Interrupt Vector tt6
Interrupt Vectdr tt7
Reserved
Reserved
Reserved
OscIlIator FaII Trap Vector
Address Error Trap Vector
Stack Error Trap Vector
Matn Errdr Trap Vector
Reserved
Reserved
Reserved
Interrupt Vector o
Interrupt Vector T
Interrupt Vectdr 52
Interrupt Vectdr 53
Interrupt Vectdr 54
Interrupt Vectdr tt6
Interrupt Vectdr tt7
Stan of Code


DC“)
(1,3)
[13)
RA“)
N11)
0v“)
(1)
cm
‘ 113’
3m










Em
Em


(1)
Em


























1m Omar Madules

[1)
HSCm
HSC“)
xm
(1]
[1)
cm
00K”)
If FSCM is enab‘ed FCKSM1 :
If FSCM is disab‘ed FCKSM1 : 0
ZENW
NM"
TUNs‘“
(1]
(1]
(1)







Vii?
MCLR

ANSCAW





C
m
C
_.
m





UZCTS
UBCTS




m 4(1) (1) m m Rom

5(1) (1) (1) [1) [1’ 0(1)





When TCS :
When TCS : 0
When TCS :
When TCS : o



(1)
05(1)
When TxCON<3> : 1
When TxCON<3> : 0
When TCS : 1
When TCS : o
3>3>
(1)
11)
Em
TCKPSW
TCKPSO”)
05‘”)
When TCS :
When TCS :


(1] 1(1) (1]


iiiiiii
L777774
3‘ Lw
" i

iiiiiii
7777777

(2) 1(2)
0(2) (2] (2) 0(2) 2(1) [1) 0M0“)

[3) [3)


E
E
SSX


Master mode
Slave mode
\n S‘andard Buffer mode.
\n Enhanced Buffer mode.
\n S‘andard Buffer mode.
\n Enhanced Buffer mode.
‘ m 012) Em
‘ SSENW
Master mode.
Slave mode.
g
SSX
Q
Q
fl
fl T+7
3%?—
s 4
H i i H
H i i H



V
V
Wme
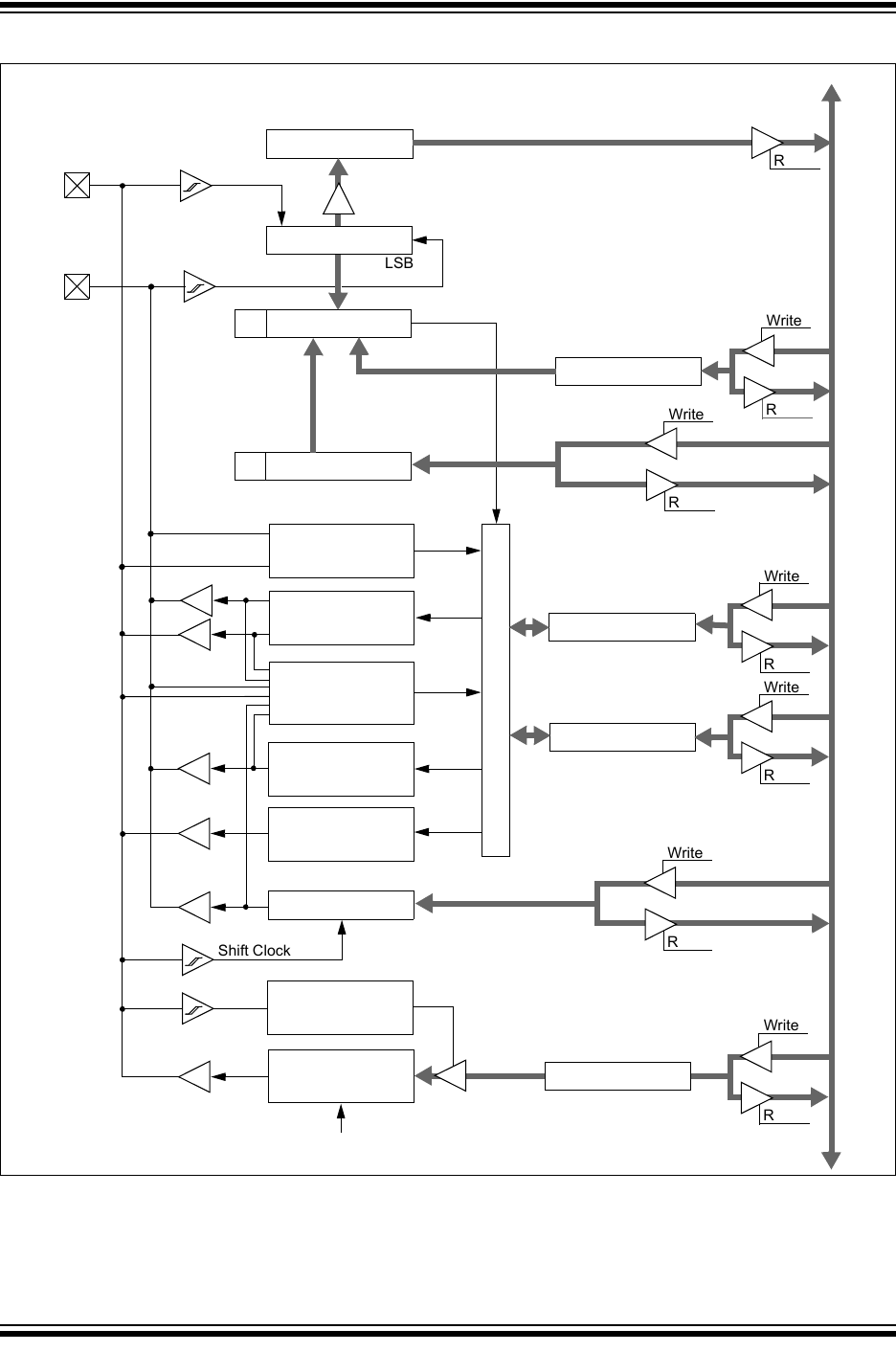
Shift Clock
V7 V7
Wme
IO‘OOUfiOO
FSCL |0‘()00.000
\f STREE:
/W
N STREN : 0

Add ress
Wri‘e

UXCTS UXRTS
UXCTS
UXRTS
4’
4’ —>X
g
4» 4—{X
4» —>X

UXCTS
UXRTS
UXRTS
‘ EN“) IRENW
UXRTS
UXRTS
UXRTS
UXCTS
RX, UXCTS UXRTS
d UXRTS UXCTS
UXCTS UXRTS

m NW
\REN : .
\REN : .


www. m \crochigLom/usb
“HF
D
MH%‘
“1
«\HH


In Device mode.
In Hos‘ mode.
DTSW






DPPULDWN‘“ DMPULDWN”) VBUSON‘” OTGENW VBUSCHG”) VBUSDIS‘“

PPBIm



ronlronl






For Devuce mode.
For Host mode.
For Device mode.
For Host mode.
‘ D“) RETRYDIS‘“
\f EPTXEN and EPRXEN : 1
For aH other combinahons of EPTXEN and EPRXEN.


Wnle
ALTPMP
Um
RD/PMWR
(1]
PMALL PMALH d PMALU

2m
[1)
11)
(1)
(1]
7m
(1)

PMCSX
PMBEO PMBE1
For Slave modes and Masler mode when SM : o.
(PMWR
For Master mode when SM
PMENB
For Slave modes and Masler mode when SM : o.
PMRD
For Master mode when SM : 1.
PMWR
PMRD
MRD/PMWR
PMACK1
11D
[1)
Wm
(1)
[1)
Wm
Wm
11’
11D
[1)
For Wri‘e ogera‘ions.
For Read ogerations.
For Wri‘e ogera‘ions.
For Read ogerations.

RTSECSEL“)


(1’ HALFSECW
RTCVAL<15.8>
RTCVAL<7.0>.
7.0>15.8>
RTSECSEL‘“
ALRMVAL<15 8="">.
ALRMVAL<7 0="">.
7>15>




|:l|:l|:l|:l|:l|:l|:l|:ll:l
DD/DD
DD/DD
DD/DD
DD/DD
DD/DD
DD/DD
DD/DD
DD/DD
DD/DD
DE
DE
DE
DE
DE
DE
DE
DE
DE
:DD:
:DD:
:DD:
:DD:
:DD:
:DD:
:DD:
:DD:
:DD:
DE
DE
DE
DE
DE
DE
DE
DE
DE

W5 #5 ****** fl







<7 10-5“="" sar="" mple="" comm="">7>
ADONm


(1) (1) 055211) (1) 550‘“
(1) (1) 051:2“) m SAoW

11) 2!“ 11) 11’ (1D (1] 7(1) (1]



When CPOL : u
When CPOL : 1
IfCPOL : D nonrmvened golamy .
IfCPOL : 1 mvened go‘amy.
IfCPOL : D nonrmvened golamy .
IfCPOL : 1 mvened go‘amy.




l
GEN“)

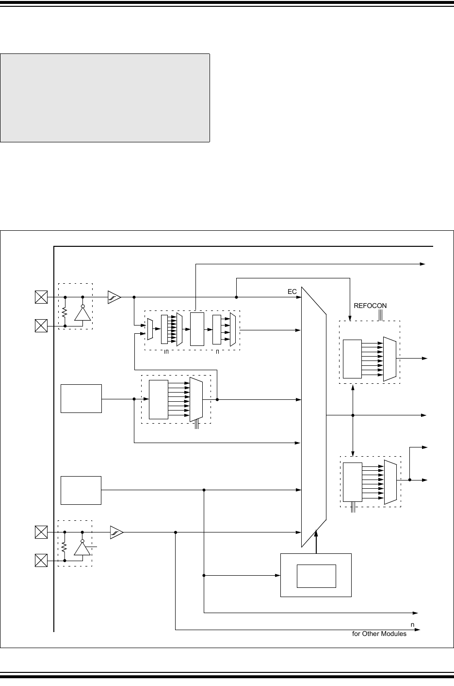
‘ ALTVREF ‘

\f POSCMD<1.0> : 1 or .
\f POSCMD<1.0> : or .
1
1.0>1.0>
\f WPEND : 1
\f WPEND :

Tm?

MCLR
d MCLR










MCLR
VCAP‘Z)
MCLR
MCLR
em
MCLR
em
MCLR
Input Leakage Current“)
MCLR
\ +
I+
I+ H

Load Condi‘ion 1 Load Condition 2
12)
13D
13]

Monolomcilym


8‘
Mlcnocmp
Q
MEHOCHIP
XXXXXXXXXXXX
XXXXXXXXXXXX
YYWWN N N
O
’3‘
MEROCPIF
XXXXXXXXXXXX
XXXXXXXXXXXX
YYWWNN N
O
Q
MICHOCHIP
0
MEROCHIF
P|C24FJ256GB
21 O-IIPT
1020017
0
Q
MEROCHIP
PICZAFJZSGGB
210-I/BG
1020017
0
NNN
HHHHHHHHHHHHHHHH
UUUUUUUUUUUUUUUU
:I :I
Z. S‘LK SCREEN Z.
:I :I
|:I |:I
Y1 HHHHHHHHHHHHHH H-—-
JL M 4 IE E
RECOMMENDED LAND PATTERN
Umts M‘LLIMETERS
Dimensxon mexts MIN \ NOM \ MAX
Comm Pitch E 0.50 BSC
Contact Pad Spacmg CI 11 40
Contact Pad Spacmg (:2 M 40
Contact Pad wmzn (X64) x1 0.30
Contad Pad Lengm (X64) v1 1.50
Dwstance Between Pads (3 o 20
Notes:
1. Dimensmning and lolerancmg per ASME Y14.5M
BSC Basm Dwmension. Tneoreucany exact va‘ue sncwn wunout Io‘erances.
chmchlp Technology Drawmg No COA-ZOSSA
64-Lead Plastic Quad Flat, No Lead Package (MR) — 9x9x0.9 mm Body [QFN]
NOTE1
6/2 H
(DATUM A)
H 64Xb
0.1o® c AIBI
0.05® c
e)
BOTTOM VIEW
Micracmp Technolagy Drawmg 004.1495 Shea: 1 of 2
64-Lead Plastic Quad Flat, No Lead Package (MR) — 9x9x0.9 mm Body [QFN]
Units MlLLlMETERs
Dimension Limits MIN l NOM l MAX
Number oi Pins N 04
Pitch e 0.50 850
Overall Heighl A 0.00 0.90 1.00
Standoli A1 0.00 0.02 0.05
Contact Thickness A3 0.20 REF
Overall width E 9.00 350
Exposed Pad Width E2 7.05 l 7.15 l 7.50
Overall Lenglh D 9.00 350
Exposed Pad Length D2 7.05 7.15 7.50
Contact Width o 0.10 0.25 0.30
Contact Length L 0.30 0.40 0.50
Contact-Io-Exposed Pad K 0.20 — —
Notes:
1 Pin 1 Visual index lealure may vary. but must be located within the hatched area.
2 Package ‘5 saw singulated
3 Dimensionihg and Iolerarlclng perASME Y14.5M.
030: Basic Dimension. Theoretically exact value shown without tolerances.
REF: Relerehce Dimension. usually without tolerance, lor information purposes only.
Microchip Technology Drawing 00471495 Sheel 2 olz
64-Lead Plastic Quad Flat, No Lead Package (MR) — 9x9x0.9 mm Body [QFN]
With 0.40 mm Contact Length
C1
._ W2 _.
t t
—-_r DDDDDDDDDDDDDD]
L % E
rfi i
I:|
|:| |:| i,
|:| |:|
|:| |:|
|:| Cl
C; |:I El 7 e
|:| |:|
|:| |:| i,
T2 |:| |:| if
|:| |:|
|:| |:|
|:| |:|
|:| |:|
|:I |:| V1
T—EHDDDDDDDDDDDDDDEJJ
X1 _.\ L_
SILK SCREEN
RECOMMENDED LAND PATTERN
UNIS M‘LL‘METERS
Dtmensmn letls MIN | NONI | MAX
Contacl Pttch E U 50 BSC
Opltonal Center Pad Wtdth W2 7 35
Opltonal Center Pad Length T2 7 35
Contact Pad Spacmg c1 8 90
Contact Pad Spacmg (:2 s so
Contact Pad Wtdth (X64) X1 0.30
Contact Pad Length (X64) Y1 0.55
Dtstance Between Pads G O 20
Noles.
t Dtntensuanmg and tuterancmg per ASME v14 SM
380. Basic Dimenston Theorehcal‘y exact vame shown wtthoul |oterances
Mtcmchip Technotogy Drawing No.C0472149A
C1
LE 0 E
GTE g
:1—HHH‘HHHHHHHHHHHHHHHHEHHHHH—-—-
RECOMMENDED LAND PATTERN
Unlls MlLLIMETERS
Dimension Ltmtts MIN \ NOM | MAX
Contact Pltch E o 40 BSC
Contact Pad Spaclng C1 13 A0
Contact Pad Spacmg (:2 13 A0
Contact Fad wmtn (x100) xt u 20
Contact Fad Length (xtoo) Y1 t 50
Distance Between Pads :3 0.20
Nules'
1 Dnnenslcmng and tolerancmg per ASME Y1A SM
880 Baslc Dlmenslon Theorellcally exact value shown wttncul lolerances
Mlcrochlp Technology Drawing No COAerOOA
121-Lead Plastic Thin Profile Ball Grid Array (BG) -10x10x1.10 mm Body [XBGA]
A 9
A2 —— --—
‘I
| |
| |
J
DETAIL A j
DETAILS
TOPVTEW
El
(DATUM a) -
4%
I
O O OO [(DATUMA)
ooo'oo GOOD-$-
00 00000
>mn|cmnmILxr
OOO
I
I
|
|
J
OOOOOOOOOOO
00000 00000
00000 00000
D1
123
K
J
4557891011
BOTTOM VTEW
Microcmp Techno‘ogy Drawing commaA Shee| 1 0'2
121-Lead Plastic Thin Profile Ball Grid Array (BG) - 10x10x1.10 mm Body [XBGA]
DETA‘L A
121x (ROTATED 90” CW)
NXZD
¢0.15® c
4’ ¢0.08® c
DETAiL B
Units MiLLIMETERS
Dimension Limits MIN \ NOM \ MAX
Number of Contact: N 121
Contact Pllch e 0 50 BSC
Overaii Height A 1 00 1.10 1.20
Siahccii A1 0 25 0.30 0.35
Moiaed Package Thickness A2 0 55 0.50 0.65
Overali Width E 10.00 030
Array Width E1 8.00 BSC
Overali Length D 10.00 BSC
Array Length D1 8.00 BSC
Contact Diameter 0 0.40 TYP
Notes:
1 Pin 1 Visual index teatiire may vary. but mus| he iocated within the hatched area
2 Dimensiomng and misrancmg per ASME V14 SM
550. Basic Dimension. Theoreticaiiy exact vaiue shewn Without iaieranoee.
REF: Reterence Dimension, usuaiiy withoul toierance, tor intorrnation purposes only.
3 The outer rows and colums a! baHs are iocated Wllh respect to datums A and E
Microchip Technology Drawing (3047148 Rev A Sheet 2 0:2
121-Lead Plastic Thin Profile Ball Grid Array (BG) - 10x10x1.10 mm Body [XBGA]
i—m—i
i $OOOOOOOOOd)
O O O O O O O O O O O
O O O O O O O O O O O
O O O O O O O O O O O
O O O O O O O O O O 0
C2 00000000000
0 O O O O O O O O O 0
00000000000 *Ei
O O O O O O O O O O O
O O O O O O O O O O O
i fiOOfiOOOOOOO
«ax \ E2
SiLKSCREEN
RECOMMENDED LAND PATTERN
UniLS MiLLIMETERS
Dimensmn Limits MIN i NOM i MAX
Camaci Piicn E1 0.30 BSC
Comaci Piicn E2 0.80 BSC
Comact Pad Spacing (:1 8.00
Comact Fad Spacing CZ 8.00
Contact Fad Diameter (x121) X 0.40
Nalas.
i Dimensioning and mlerancing perASME Y14.5M
BSC: Basic Dimension. Tneoieiicaliy exaci value snown without (olerarices.
Microchip Technology Drawlng Nu EDA-2148A











JJ
4
MICROCHIP
AMERICAS ASIA/PACIFIC ASIA/PACIFIC EUROPE

