Datenblatt für Hardware von C&K

rnrr w, .15 sunm mummy :5 (ans) u=ERA'ING FORCE oz 5 ‘7 WNW, m gm nu STEEL , V m m Le x .4 L Wang!» , *6 won mm mm mm mm: mm m 4 “570, m NW5 m mm am 55 ’ LOEKHASHEHS v MWLLL l .025 mm mm m) 412,54) .2357 i (7,24) WM LL m Rrr ma par, .207 4- ‘9 L WAX} W“) :2 75) ( ‘3 YES (LE: (3,0) ' m, LLLXLLLL 22 MML J ms < .32“="" nsuwmz="" 5,5;="" mm;="" (m;="" ma,="" “w="" m="" m="" m="" swim="" :mucvnlsncs="" 3‘="" (3.18)="" opfrahng="" forcf="" d1="" i="" ‘5‘“="" mugs;="" mm="" gm”="" ta="" i="" elle,="" l="" i="" amman="" wu="" m;="" m="" x="" u="" l="" n="" was="" pu.="" ‘="" mama="" 55m;="" wm="" m.="" 55="" mm="" 4="" 335="" hex="" runs="" and="" wv)="" 9"”5="" 55="" (9’73)="" ldckhashers="" dif="ERENY'AL" j="" 0’5="" yravel="" (max)="" w“)="" (0,51)="" m,="" m="" may?="" 2n="" +="" l2="" ww“="" i="" &="" ‘="" (5,!)="" (155)="" mm="" w!="" w="" 15,72)="" ,vbb="" ,="" l="" .22="" flinwm/el="" m="" ‘0'5="" (4,72!="" ‘="" 53'="" flexible="" (5,5)="" mm="" (m7)="" (0.33)="" “w="" lnsulm="" lea;="" roller="" .="" lg="" nu,="" l="" l="" l="" l="" w,="" x="" m,="" ,5?="" ,d,="" sunm="" mm="" emsv="" cs="" u’erihnd="" force="" 3’="" 5="" wm="" emu="" lm="" i="" z.="" cw="" 595="" acwrnw="" m="" m="" n:="" l="" 4.="" l="" mm="" m="" “i="" 4="" (17,53)="" 7t="" hacmne="" scwzus="" him="" min)="" ways="" 55="" hex="" m="" m="" 7="" yravel="" max;="" (“m7="" {0.54)="" 1%="" vqsmva="" i="" ho="" (w="" ,="" "ll,="" ,9="" ,,="" mm="" m,="" (4,3)="" ‘3'“!="" umwum="" l="" 0‘5="" *3="" w="" (w="" m,="" w="" flmale="" (5,5)="" we,="" llsulm="" aws-2="" leaf="" roller="" [law="" mum;="" .="" sunm="" cllwlw-cs="" 24.22,”;="" (2;;="" h="" «7m="" a4="" ,="" “mm="" mm="" l,="" 7="" w’="" sum="" 55="" mm="" gruvs="" l95="an" pas="" 5’55?="" 550="" -="" amman="" m="" as="" m="" x="" u="" l="" llllldl="" hm="" u="" (,1="" a,="" ,="" mus="" sanius="" w="" w="" w5="" .="" mll="" w="" w="" ‘”c"*’="">“”’ DIFFERENHAL fl oz: $1 mm W, (W M So; “2,331 ”mm m 225 RE; m an; 7.2“ ,5 L. .-2 mm m) 15.72) L3,” M m (3,9, ,VEB ‘ UVERWAVEL m i‘)‘ 5 u m ’ >22 m , , e W mm (5'5, m w .W LNsLLm mm
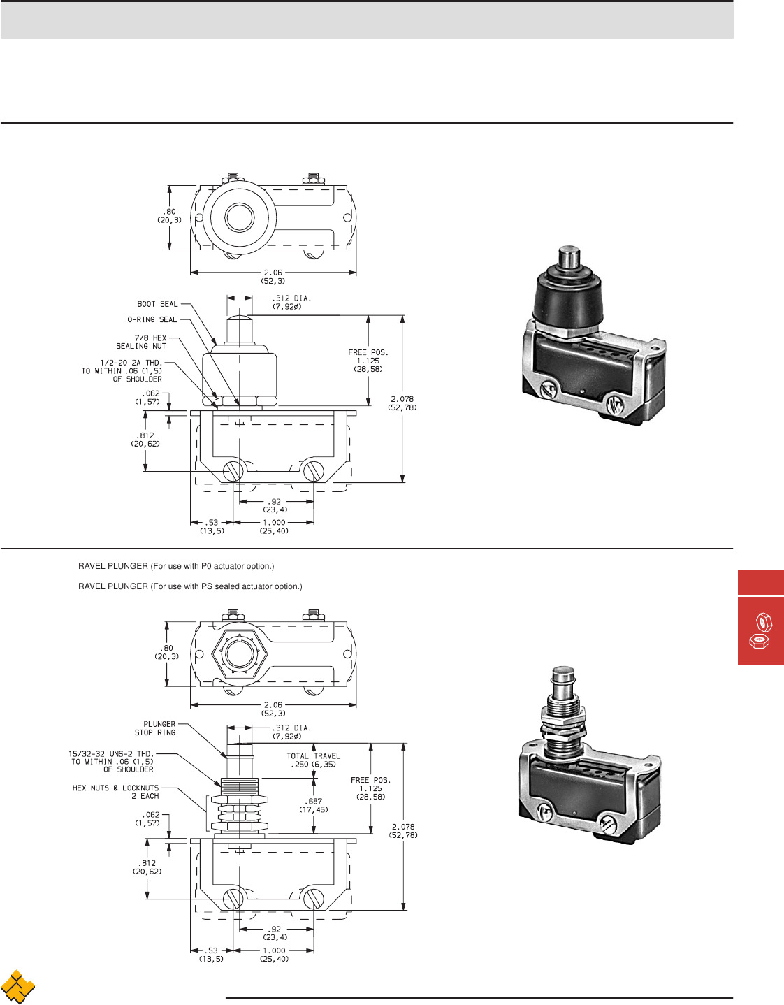
ALS-1 LEAF
ALS-2 LEAF (Low Motion)
AWS-1 LEAF ROLLER
AWS-2 LEAF ROLLER (Low Motion)
AUXILIARY ACTUATORS
L
Miscellaneous Components, Hardware & Technical Data
C&K Hardware
L-6 www.ittcannon.com
ITT Industries Cannon
Easy to assemble auxiliary actuators for the MM Series provides the end-user with the capability to operate the switch with force
not directly in line with the operating button. Actuators are available in either the plain-leaf or roller-leaf style. Each actuator kit
consists of the stainless steel spring-leaf with an integral side mounting plate, flexible insulator, two (2) #2-56 x 7/16” roundhead
screws, with lockwashers and hex nuts. Actuator and hardware are supplied unassembled. Specially formed auxiliary actuators
are available, consult Customer Service Center.
.7295!— (52,3: , . m m “T 3:22; am am 7 W «H mm m , m P05. 1/2720 2A YH} VJZS YO NETHIN '08 {1.5) ‘25»553 0; mm .3527 , 2.972 H‘s} V —' (52,7E) r 512 (20,52) \ l ‘ \ ‘ _ 7 , A \ 7 7 g k .51 a W) SHE, ma m, Wm ML mm W W >0 mm mm ML mm (For W pg m.“ mm. mm .72 $4. (52,3) mm 5an w m; [.4 guy,” I my M w m, wth wwvmfl : a RF SHOULDER 9 D (5,: J m m m M g ‘3anva , '25 2 m m (25,53) Jab ( W (W) ; 2 m (52,75) ‘ A \ 7 7 4 .7 .52 4— :23,» 53 +Fv Dang» 03,3) (23,4m
BB-1 SEALED PLUNGER (For use with P0 actuator option.)
BJ-1 OVERTRAVEL PLUNGER (For use with P0 actuator option.)
BB-2 SEALED PLUNGER (For use with PS sealed actuator option.)
BJ-2 OVERTRAVEL PLUNGER (For use with PS sealed actuator option.)
AUXILIARY ACTUATORS
L
Miscellaneous Components, Hardware & Technical Data
C&K Hardware
L-7 www.ittcannon.com
ITT Industries Cannon
Basic precision HB Series switches, with any terminal style, can be used with these attachable actuators. As supplied, the
actuator is not assembled to the switch; the switch must be ordered separately. The actuator can be assembled to the switch
before mounting, or the actuator can be mounted on the panel or chassis and the switch installed after wiring. Assembly screws,
nuts and lockwashers are furnished.
Actuator assembly sealed to mounting surface
by flexible boot and o-ring seal.
Provides up to .250 in. total travel; mounting
by threaded bushing or two screws.
(a 22m 9% mm gm SERIES» um no, pun no, vnssamna 7527mm] vnssaznna 7527mm vnssaanna 7527aanna W m 1%] ; ma (3 5m Lfi F 25 035 l5 35» um No. war No in. as) 257AOID|10 WH‘TE 393mm 257Aaznna BLACK 3931 n20 ”“1 "0' 257Aaanna RED 3931 no WWW” WH‘TE ran szmzs ran sER BMSOZWO BUCK 85m. 35m 35m. as amsoanao RED Mnfle‘s my my as s‘ ERS 355 an .m an, ,5: "”3“ (amen-a; ' (3,55; l—m] r 7 7 (15,051 3 (we: Yeas (we; j 7 22; (may
PART NO.
708901000
708902000
708903000
PART NO.
752701000
752702000
752703000
PART NO.
801801000
801802000
801803000
.375 DIA.
(9,53 )
.120
(3,05)
.250
(6,35)
.200 DIA.
(5,08 )
.310 DIA.
(7,87 )
.250
(6,35)
.138
(3,51)
.187
(4,75)
.081
(2,03)
.245 DIA.
(6,22 )
WHITE
BLACK
RED
WHITE
BLACK
RED
WHITE
BLACK
RED
PART NO.
785101000
785102000
785103000
WHITE
BLACK
RED
8020, 8060, E010, E020, KM11, L & TP SERIES,
.122 DIA. PLUNGERS
8600 & KM33 SERIES, .106 DIA. PLUNGERS
8020, 8060, E010, E020, KM11, L & TP SERIES
.122 DIA. PLUNGERS
8020, 8060, E010, E020, KM11 & L SERIES,
.122 DIA. PLUNGERS
.120
(3,05)
.155
(3,94)
PART NO.
894001000
894002000
894003000
WHITE
BLACK
RED
8020, 8050, E010, E020 & L SERIES,
.122 DIA. SNAP-FITTING PLUNGERS
PART NO.
894101000
894102000
894103000
WHITE
BLACK
RED
8020, 8050, E010, E020 & L SERIES,
.122 DIA. SNAP-FITTING PLUNGERS
CAPS
TP SERIES, .100 DIA. PLUNGERS
(Recommended for S9 plunger)
538701000
538702000
538703000
WHITE
BLACK
RED
PART NO.
.200 DIA.
(5,08Ø) .155
(3,94)
.081
(2,06)
EP & TP SERIES, .100 DIA. PLUNGERS
465801000
465802000
465803000
WHITE
BLACK
RED
PART NO.
.080
(2,03)
.310 DIA.
(7,87Ø) .152
(3,86)
EP & TP SERIES, .100 DIA. PLUNGERS
508101000
508102000
508103000
WHITE
BLACK
RED
PART NO.
.155
(3,94)
.200 DIA.
(5,08Ø)
.100
(2,54)
.157 DIA. PLUNGERS
267A01000
267A02000
267A03000
PART NO.
FOR SERIES
85X2T, 8534T
Models only
893101000
893102000
893103000
WHITE
BLACK
RED
PART NO.
FOR SERIES
85X1T, 8532T1,
8533T, 8534T1 Models only
.331 DIA.
(8,41Ø)
.300
(7,62)
.150 (3,81)
FOR 267A
.200 (5,08)
FOR 8931
EP11 & EP12 MODELS,
.100 DIA. SNAP-FITTING PLUNGERS
585A01000
585A02000
585A03000
WHITE
BLACK
RED
PART NO.
WHITE
BLACK
RED
EP11 & EP12 MODELS,
.100 DIA. SNAP-FITTING PLUNGERS
785A01000
785A02000
785A03000
WHITE
BLACK
RED
PART NO.
Special colors, custom markings available, consult Customer Service Center.
Nylon. Finish: Gloss.
MATERIAL
L
Miscellaneous Components, Hardware & Technical Data
C&K Hardware
L-8 www.ittcannon.com
ITT Industries Cannon
an an, (3,55: .7; Ga um . ‘50 ,nin (.,EH (2,032 m 034 w ms, (3,55; .573 um a O ‘30 an 4. ¢ 13,21: L .455 mm + m nmqu O ‘50 m 4. (mm % j 579 ums: % F17, if} f O .579 0 M25) 4 ‘51: Du 4. .7 (18me % ¢ 57: » mos) 25‘s 0 am; i 7 4! a: I:u.~> + mast) L my (3.05) s73 Fume: ' 455 (12.34) 1) r ‘ - L «.75: 4—1 F—» m (15.05) mm H754 (12,52) (5,52; .252 (5,51% él> LEA Ly ”9,05: (5.53)
PART NO.
489501000
489502000
489503000
MATERIAL
Polycarbonate-ABS blend; Finish: Matte
WHITE
BLACK
RED
PART NO.
489601000
489602000
489603000
MATERIAL
Polycarbonate-ABS blend; Finish: Matte
WHITE
BLACK
RED
CAPS
PART NO.
489701000
489702000
489703000
MATERIAL
Polycarbonate-ABS blend; Finish: Matte
WHITE
BLACK
RED
PART NO.
489801000
489802000
489803000
MATERIAL
Polycarbonate-ABS blend; Finish: Matte
WHITE
BLACK
RED
PART NO.
552701000
552702000
552703000
MATERIAL
Polycarbonate-ABS blend; Finish: Matte
WHITE
BLACK
RED
MP SERIES, ANTI-STATIC WITH
TRANSPARENT LENS
PART NO.
120100602
MATERIAL
6/6 Nylon; Finish: Matte
BLACK
PART NO.
121000101
121000102
121000103
MATERIAL
6/6 Nylon; Finish: Gloss
WHITE
BLACK
RED
PART NO.
121160100
121160200
121160300
MATERIAL
6/6 NYLON; Finish: Matte
WHITE
BLACK
RED
PART NO.
489301000
489302000
489303000
MATERIAL
Polycarbonate-ABS blend; Finish: Matte
WHITE
BLACK
RED
MP SERIES WITHOUT LED
MP SERIES WITH TWO LED
MP SERIES WITH LED MP SERIES WITH TWO LED
KA SERIES, K1 CRUCIFORM ACTUATORS
699101000
699102000
699103000
WHITE
BLACK
RED
PART NO.
MP SERIES
L SERIESS SERIES, C1-C9 ACTUATORS
S SERIES, 03 ACTUATOR
PART NO.
489401000
489402000
489403000
MATERIAL
Polycarbonate-ABS blend; Finish: Matte
WHITE
BLACK
RED
MP SERIES
Special colors, custom markings available, consult Customer Service Center.
MATERIAL
Nylon; Finish: Matte
MATTEGLOSS
484601000
484602000
484603000
FOR SERIES
8020, 8060, E010, E020,
KM11, L, TP.
.450 SQ.
(11,43)
.195
(4,95) .240
(6,10)
WHITE
BLACK
RED
PART NO.
798201000
798202263
798203000
FOR SERIES
8020, 8060, E010, E020,
KM11, L, TP.
WHITE
BLACK
RED
.122 DIA. PLUNGERS
PART NO.
L
Miscellaneous Components, Hardware & Technical Data
C&K Hardware
L-9 www.ittcannon.com
ITT Industries Cannon
451’s; m fl D m an (4,501 ‘ 354 r j is 00) LE4 255 K '5) v57 SD r j (5.00) mm. mm. 459701000 476801000 WHW 459702000 476802000 ELAC 459703000 476803000 RED 23‘ an 234 w. R 290 - R135 (5,27,) (mm 17.2”) (22,0m G .354 m7 (gag, 43;; (a on) ,7 m» (gzgn 29; Du fi—J , a 5m mm. mm. mm. QBEAGIDDD WHITE 951A0100|1 WHITE QBZAGIDEG WHWE QBEAGZDDD BLACK 951A0200|1 BLACK QBZAGZDEG BLACK QBEAGJDDD RED 951A0100|1 RED QBZAGJDEG RED mm“ mam mm.“ m AES m m was m 50. mums W H». (0,557 mm. QBIAGIDDD WHITE QBIAGZDDD BLACK QBIAGJDDD RED mm“ m mm“ 0 Nylnn rm» Mane nrg‘uss Spemalcu‘ms cuslnm markmgsavauame consull CuslumerSerwce Center
CAPS
Special colors, custom markings available, consult Customer Service Center.
Nylon. Finish: Matte or gloss.
MATERIAL
8020 & 8060 SERIES, .122 DIA. PLUNGERS
459701000
459702000
459703000
PART NO.
476801000
476802000
476803000
WHITE
BLACK
RED
PART NO.
.074
(1,88) .450 SQ.
(11,43)
.212
(5,38)
.220
(5,59)
.175
(4,45)
MATTE GLOSS
8500 SERIES, .157 DIA. PLUNGERS
448901000
448902000
448903000
WHITE
BLACK
RED
PART NO.
.450 SQ.
.240
(6,10)
.195
(4,95)
PN SERIES, .110 SQ. PLUNGERS
PN SERIES, .130 SQ. PLUNGERS PN SERIES, .110 SQ. PLUNGERS PN SERIES, .130 SQ. PLUNGERS
PN SERIES, .130 SQ. PLUNGERS
979A01000
979A02000
979A03000
MATERIAL
ABS
WHITE
BLACK
RED
PART NO.
980A01000
980A02000
980A03000
MATERIAL
ABS
WHITE
BLACK
RED
PART NO.
981A01000
981A02000
981A03000
MATERIAL
ABS
WHITE
BLACK
RED
PART NO.
982A01000
982A02000
982A03000
MATERIAL
ABS
WHITE
BLACK
RED
PART NO.
983A01000
983A02000
983A03000
MATERIAL
ABS
WHITE
BLACK
RED
PART NO.
7000, 9000, E & ET SERIES TOGGLE CAPS
706201000
706202000
706203000
WHITE
BLACK
RED
PART NO.
Material: Vinyl
7000, 9000 & E SERIES TOGGLE CAPS
896801000
896802000
896803000
WHITE
BLACK
RED
PART NO.
Material: Polyethylene
7000 SERIES TOGGLE CAPS
763701000
763702000
763703000
WHITE
BLACK
RED
PART NO.
Material: Vinyl
L
Miscellaneous Components, Hardware & Technical Data
C&K Hardware
L-10 www.ittcannon.com
ITT Industries Cannon
M 'Ag’ ' i
2127 2290
CODED SWITCHES – BLANK (INACTIVE) SECTIONS
123B002000
123B009000
BLACK
GRAY
PART NO.
S2 SERIES BLANK SECTION, .315 THK.
3U SERIES BLANK SECTION, .302 THK.
(Replaces active section.)
663702000
663709000
BLACK
GRAY
PART NO.
212702000
229002000
PLAIN-BLACK
W/RIB-BLACK
PART NO.
3P SERIES BLANK SECTION, .300 THK.
3 SERIES FRONT MOUNT, TYPE 0 & 3,
.315 THK. 3 SERIES FRONT MOUNT, TYPE 0 & 3,
.315 THK.
413602000
413609000
W/RIB-BLACK
W/RIB-GRAY
PART NO.
413502000
413509000
PLAIN-BLACK
PLAIN-GRAY
PART NO.
400502000
400509000
W/RIB & W/OUT SPRINGS-BLACK
W/RIB & W/OUT SPRINGS GRAY
400702000
400709000
PLAIN W/OUT SPRINGS-BLACK
PLAIN W/OUT SPRINGS GRAY
3 SERIES REAR MOUNT, TYPE 1,
.350 THK.
3 SERIES REAR MOUNT, TYPE 2,
.350 THK.
4006 4008
400602000
400609000
W/RIB-BLACK
W/RIB-GRAY
PART NO.
473402000
473409000
W/RIB-BLACK
W/RIB-GRAY
PART NO.
400802000
400809000
PLAIN-BLACK
PLAIN-GRAY
473302000
473309000
PLAIN-BLACK
PLAIN-GRAY
4734 4733
L
Miscellaneous Components, Hardware & Technical Data
C&K Hardware
L-11 www.ittcannon.com
ITT Industries Cannon
CODED SWITCHES – END PLATES
211702000
211709000
BLACK
GRAY
PART NO.
Two required for
complete assembly.
211802000
211809000
BLACK
GRAY
PART NO.
Two required for
complete assembly.
S2 SERIES REAR MOUNT, MOUNTING STYLE S2S
WITH .157 (4MM) FLANGE S2 SERIES REAR MOUNT, MOUNTING STYLE S2R
WITH .315 (8MM) FLANGE
212002000
212009000
BLACK
GRAY
PART NO.
Two required for
complete assembly.
211902000
211909000
BLACK
GRAY
PART NO.
Two required for
complete assembly.
S2 SERIES REAR MOUNT, MOUNTING STYLE S2T
WITH NO FLANGE
S2 SERIES FRONT MOUNT, MOUNTING STYLE S2F
413402000
413409000
BLACK
GRAY
PART NO.
Two required for
complete assembly.
3 SERIES FRONT MOUNT, TYPE 0
400402000
400409000
BLACK
GRAY
PART NO.
Two required for
complete assembly.
3 SERIES REAR MOUNT, TYPE 1
473202000
473209000
BLACK
GRAY
PART NO.
Two required for
complete assembly.
3 SERIES REAR MOUNT, TYPE 2
655702000
655709000
BLACK
GRAY
PART NO.
Two required for
complete assembly.
3 SERIES FRONT MOUNT, TYPE 3
One left and one right
piece required for
complete assembly.
LEFT-with hole RIGHT-with pin
113B02000
113B09000
LEFT-BLACK
LEFT-GRAY
PART NO.
114B02000
114B09000
RIGHT-BLACK
RIGHT-GRAY
3U SERIES
623502000
623509000
LEFT-BLACK
LEFT-GRAY
PART NO.
3P SERIES
623602000
623609000
RIGHT-BLACK
RIGHT-GRAY
One left and one right
piece required for
complete assembly.
LEFT-with hole RIGHT-with pin
L
Miscellaneous Components, Hardware & Technical Data
C&K Hardware
L-12 www.ittcannon.com
ITT Industries Cannon
HARDWARE FOR FIELD ASSEMBLY-3 SERIES ONLY.
SCREWS FOR FIELD ASSEMBLY OF THUMBWHEEL SWITCHES
(2 screws needed per assembly + 403500000 nuts)
See 3 series mounting styles, pages J-11 thru J-14.
Two nuts required per assembly and screws.
Not required for assembly.
Not supplied with sample pieces.
403500000
PART NO.
406100652
PART NO.
NUT NUT DRIVER (For 403500000 nut)
663602000
663609000
BLACK
GRAY
PART NO.
3P SERIES, .100 THK.
(Makes section pitch .400)3 SERIES FRONT MOUNT-FITS TYPE 0 & 3,
.185 THK. (Makes section pitch .500)
410602000
410609000
BLACK
GRAY
PART NO.
3 SERIES FRONT MOUNT, FITS TYPE 0 & 3,
.078 THK. (Makes section pitch 10mm)
410802000
410809000
BLACK
GRAY
PART NO.
3 SERIES REAR MOUNT, FITS TYPE 1,
.150 THK. (Makes section pitch .500)
410702000
410709000
BLACK
GRAY
PART NO.
3 SERIES REAR MOUNT, FITS TYPE 2,
.150 THK. (Makes section pitch .500)
473602000
473609000
BLACK
GRAY
PART NO.
CODED SWITCHES – SPACERS
L
Miscellaneous Components, Hardware & Technical Data
C&K Hardware
L-13 www.ittcannon.com
ITT Industries Cannon
NUMBER OF SECTIONS IN ASSEMBLY
FRONT MOUNTING REAR MOUNTING
SCREW PART NUMBER
(0–80 UNF THD. SIZE) MTG. STYLE – 00, 30 MTG. STYLE – 03, 33 MTG. STYLE – 04, 34 MTG. STYLE – 10, 20 MTG. STYLE – 14, 24
412700000 1 – 2 1 1 1 – 2 1
412701000 3 – 4 2 – 3 2 3 2
412702000 5 – 7 4 – 5 3 – 4 4 – 6 3 – 4
412703000 8 – 10 6 – 8 5 – 6 7 – 9 5 – 6
412704000 11 – 13 9 – 10 7 – 8 10 – 12 7 – 8
412705000 14 – 16 11 – 13 9 – 10 13 – 15 9 – 10
~
FIXING SPANNERS
5.58002.0190000
DESCRIPTION
Tool used to secure switch to panel.
Tightens threaded fixing ring.
5.58002.0270000
DESCRIPTION
Tool used to secure switch to panel.
Tightens threaded fixing ring.
5.58002.0340000
DESCRIPTION
Tool used to secure switch to panel.
Tightens hexagon nut.
PART NO. PART NO. PART NO.
RAFI 15.2mm, Lumotast 75 & 8.1mm RAFIX 16
FRAMES
Special colors, custom markings available, consult Customer Service Center.
7000 & E SERIES
J11, J21 ACTUATORS 7000 & E SERIES
J16, J26 ACTUATORS
764500223
764500252
764500746
764500747
BRIGHT CHROME
SATIN CHROME
BLACK ENAMEL
WHITE ENAMEL
PART NO.
459101000
459102000
459103000
WHITE
BLACK
RED
PART NO.
Material: Spring Steel. Material: Nylon.
Finish: Matte.
764601106 RETAINING SPRING
J19 ACTUATOR 7000 & 9000 SERIES
J37, J47, J57 ACTUATORS
781000223
781000252
781000746
781000747
PART NO.
445400223
445400252
445400746
445400747
PART NO.
Material: Spring Steel. Material: Spring Steel.
BRIGHT CHROME
SATIN CHROME
BLACK ENAMEL
WHITE ENAMEL
BRIGHT CHROME
SATIN CHROME
BLACK ENAMEL
WHITE ENAMEL
7000, 8020, 8060 & 8500 SERIES
J51, J61, J81, J83, J85, J86, J91 ACTUATORS
615601000
615602263
615603000
WHITE
BLACK
RED
PART NO.
Material: Nylon.
Finish: Matte.
7000, 8020, 8060 & 8500 SERIES
J52, J62, J82, J84, J92 ACTUATORS
613301000
613302263
613303000
WHITE
BLACK
RED
PART NO.
Material: Nylon.
Finish: Matte.
486701000
486702000
486703000
PART NO.
J50, J60, J80, J83, J90 ACTUATORS
486801000
486802000
486803000
WHITE
BLACK
RED
PART NO.
Material: Nylon.
Finish: Matte or Gloss.
MATTE GLOSS
7000 SERIES
J76 ACTUATORS
724A01000
724A02000
724A03000
WHITE
BLACK
RED
PART NO.
Material: Nylon.
Finish: Matte.
L
Miscellaneous Components, Hardware & Technical Data
C&K Hardware
L-14 www.ittcannon.com
ITT Industries Cannon
*5 *I 4 E4 # A * LE u. (zoo m #9:} 55mm mm ms: L am . Hmm mm: w 0, us . um am am mm w/o mu, m: P/N was B .515 (5.52}
FRAMES—SEPARATE SNAP-IN
Special colors, custom markings available, consult Customer Service Center.
.495 – .505
(12,57 – 12,83)
.797 – .803
(20,24 – 20,40)
.005 R. MAX.
(0,13) TYP. .495 – .505
(12,57 – 12,83)
.595 – .605
(15,11 – 15,37)
.005 R.
(0,13)
MAX. TYP.
.495 – .505
(12,57 – 12,83)
.620 – .625
(15,75 – 15,88)
.005 R.
(0,13)
MAX. TYP.
452601000
452602263
452603000
WHITE
BLACK
RED
PART NO.
452801000
452802263
452803000
PART NO.
452701000
452702263
452703000
PART NO.
452901000
452902263
452903000
PART NO.
7000 & E SERIES
J1, J2 ACTUATORS
.047 (1,19) PANEL THK. .062 (1,57) PANEL THK. .090 (2,29) PANEL THK. .125 (3,18) PANEL THK.
432801000
432802263
432803000
WHITE
BLACK
RED
PART NO.
432701000
432702263
432703000
PART NO.
432601000
432602263
432603000
PART NO.
432501000
432502263
432503000
PART NO.
7000, 8020, 8060, 8500, E, E010, E020 & TP SERIES
J50, J60, J80, J90 ACTUATORS
.047 (1,19) PANEL THK. .062 (1,57) PANEL THK. .090 (2,29) PANEL THK. .125 (3,18) PANEL THK.
PANEL MOUNTING
4529, 4527, 4528, 4526 4325, 4326 4327, 4328
476601000
476602000
476603000
WHITE
BLACK
RED
PART NO.
894901000
894902000
894903000
PART NO.
PANEL INSERT
WITH HOLE FOR LED BLANK PANEL INSERT
WITHOUT HOLE FOR LED
PANEL INSERTS
(WILL FIT SEPARATE SNAP-IN
FRAMES FOR J50, J60, J90 ACTUATORS).
TYPICAL APPLICATION
L
Miscellaneous Components, Hardware & Technical Data
C&K Hardware
L-15 www.ittcannon.com
ITT Industries Cannon
Frames snap into panel opening and are independent from switch mounting. Accurate positioning of the PC
mounted switch relative to the panel opening is necessary to provide proper clearance between actuator and frame.
Available in two basic styles and four panel thicknesses .047-.125 in. Material: Nylon. Finish: Matte.
Above frames (part nos. 432XXXXXX) are also available with insert which accepts LED for indicator
light assembly. Order insert separately from frame. Blank insert panel (without hole for LED) also
available. LED not included, see page L-17 for LED information and recommendations.
.i 520 4.1 151 on 1111 . . . _ 2m (has; 15,551 .251 cs,ca1 L .131 J 111,511 112,711 - .222 121,111 ”m no. 1111211111 2.11 1,1111 5 e 057190200 Flmsh Mane A1H1W1V 1. VL 52121:: KEV coDE mu 4THMBLER STUMELER PARY NO. [ONE KEV] PAR’I NO. [ONE KEV) 11599112501 w1111E 115221nn1a1 WHITE ATUMBLER 5 TUMBLER IISQEIIZWZ BLACK IISZZIDEIGZ BLACK IISQEIIZWJ RED IISZZIDEIGJ RED PM" No. LONE KEV» PM" NO. (ONE KEV) IISQEIIZWD BEIGE IISZEIDEIGD BEIGE 115I‘fl126 115M1fl0l MAYERIAL MAYERIAL 1111112111111 1111112121“ 51m E11151 NickeI 11:113. Elass E11151 N111111 11-1111. 51115 E11151 NW1 171319 5151111111 11111121 1711112 5/5 N111” 115m ”1111111111311 515 1111111151111 111111131 11211 FOR 52121:: ran 52111:: FOR semzs ran 52121:: my m (ONE KEV) 1111112121“ A. 11 1 w.v.v1 A av av. 11. v. v1 A 11. w. v v1 A av av. 11. v. v1 211: 1111,. Key c1119 A123 Key cm Dam Key cm A126 Key cm mm 11108111 E11151 c1111.“ 11113 PF, PL 1!: PM SERIES VF 1!: YM SERIES 5V1 6V SERIES KEV 13011211241 um No.
KEYS
PART NO. (ONE KEY)
115140126
MATERIAL
Brass; Finish: Nickel plate
PART NO. (ONE KEY)
11599112601
11599112602
11599112603
11599112600
MATERIAL
Brass; Finish: Nickel plate;
6/6 Nylon insert molded head
WHITE
BLACK
RED
BEIGE
FOR SERIES
A, H, P, W, Y, YL
Key Code: A126
FOR SERIES
A, H, P, W, Y, YL
Key Code: A126
PART NO. (ONE KEY)
115441001
MATERIAL
Brass; Finish: Nickel plate
FOR SERIES
A, BY, GY, H, Y, YL
Key Code: D001
PART NO. (ONE KEY)
11622100101
11622100102
11622100103
11622100100
MATERIAL
Brass; Finish: Nickel plate;
6/6 Nylon insert molded head
WHITE
BLACK
RED
BEIGE
FOR SERIES
A, BY, GY, H, Y, YL
Key Code: D001
4 TUMBLER 5 TUMBLER
4 TUMBLER 5 TUMBLER
PART NO. (ONE KEY)
1110801
MATERIAL
Zinc alloy;
Finish: Chrome plate
A, H, W, Y & YL SERIES
KEY CODE: AAAA
PART NO. (ONE KEY)
16916004101
16916004102
16916004103
16916004100
MATERIAL
Brass; Finish: Nickel plate;
6/6 Nylon insert molded head
PF, PL & PM SERIES
KEY CODE: 041
WHITE
BLACK
RED
BEIGE
PART NO. (ONE KEY)
119091029 MATERIAL
Brass; Finish: Nickel plate
YF & YM SERIES
KEY CODE: 0029
PART NO. (ONE KEY)
11630CKBYST
MATERIAL
Zinc alloy;
Finish: Chrome plate
BY, GY SERIES
KEY CODE: 3434
PART NO. (ONE KEY)
16564112601
16564112602
16564112603
16564112600
MATERIAL
Brass; Finish: Nickel plate;
6/6 Nylon insert molded head
WHITE
BLACK
RED
BEIGE
A, BY, H, P, W, Y & YL SERIES
Key Code: A126
PART NO. (ONE KEY)
5.58004.7210000
RAFI LUMOTAST 75
PART NO. (ONE KEY)
5.58007.0010000
RAFIX 16
INSERT
D SERIES
PART NO.
057190200
MATERIAL
Zinc nylon 6/6
Finish: Matte
L
Miscellaneous Components, Hardware & Technical Data
C&K Hardware
L-16 www.ittcannon.com
ITT Industries Cannon
vsa 44,0!) 122 an (3,‘nn Nzwwz m: ~qu mu mum ,V22 nu, my mum um: 1i NEEAHVE LEAD Posn'vz mu 3cm $1 L we mu 47, 52> mum
PART NO.
498703614
498705614
498706614
PART NO.
498703615
498705615
498706615
RED
YELLOW
GREEN
RED
YELLOW
GREEN
MP SERIES
02, R2 & S2 CAP STYLES MP SERIES
01, A1, A2 & S1 CAP STYLES
LEDS & FILAMENT LAMPS
*Must install a suitable external series resistor.
LAMP EXTRACTORS
1.90900.0010000
FOR SERIES
RAFI 8.1 mm Illuminated Pushbutton
DESCRIPTION
Tool used to remove lamps or LEDs from switches.
1.90900.0020000
FOR SERIES
RAFI Lumotast 75
DESCRIPTION
Tool used to remove lamps or LEDs from switches.
1.90900.0030000
FOR SERIES
RAFIX 16
DESCRIPTION
Tool used to remove lamps or LEDs from switches.
PART NO. PART NO. PART NO.
L
Miscellaneous Components, Hardware & Technical Data
C&K Hardware
L-17 www.ittcannon.com
ITT Industries Cannon
LED PART NUMBER DESCRIPTION COLOR BASE VOLTAGE UB
FORWARD
CURRENT IFFOR SERIES LAMP EXTRACTOR
PART NUMBER
1.90691.0260000
1.90691.0270000
1.90691.0280000 1 Chip LED Red
Green
Yellow Bi-pin T1 DC* 10 mA 8.1mm Illuminated
Pushbutton 1.90900.0010000
1.90692.0010000
1.90692.0020000
1.90692.0030000 1 Chip LED Red
Green
Yellow T4.5 DC* 10 mA Lumotast 75 1.90900.0010000
1.90692.0450000
1.90692.0460000
1.90692.0470000 6 chip LED Red
Green
Yellow W 2x4.6 d 24 +10%
AC/DC
max. 12 mA RAFIX 16 1.90900.0030000
FILAMENT
LAMP PART NUMBER DESCRIPTION BASE RATED
VOLTAGE
RATED
CURRENT
(A or mA)
RATED
POWER
(W)
AVERAGE
OPERATING
LIFE (Hrs.) FOR SERIES LAMP EXTRACTOR
PART NUMBER
1.90100.0210000
1.90100.0220000
1.90100.0230000
Miniature
Telephone
Filament Lamp T 4.5 6 V
12 V
24 V
0.05 A
0.04 A
0.02 A
0.3
0.48
0.48
10,000
10,000
8,000 Lumotast 75 1.90900.0020000
1.90120.0130000
1.90120.0120000
1.90120.0110000
1.90120.0090000
Filament
Lamp W 2x4.6 d
6 V
12 V
24 V
60 V
0.20 A
0.08 A
0.04 A
0.02 A
1.2
1.2
1.2
1.2
20,000
15,000
7,000
3,300
RAFIX 16 1.90900.0030000
1.90180.4710000
1.90180.4720000
1.90180.4730000
Indicator
Lamp T1 Bi-pin 6 V
12/14 V
24/28 V
0.05 A
0.03 A
0.016 A
0.3
0.4-.56
0.4-.56
50,000
20,000
5,000
8.1 mm Illum.
Pushbuttons 1.90900.0010000
if J] 055 +4 5* +1 1* 0 55) m1 Mo. m1 Mo. mom NW mm W LEW 455000201 NW mo W m 700701 264 am W WW E2) fl© flip 4,1 1* 4» K W Mo. PART "0- 75370020! NTCKEL PLATED wTTH KvaAv 455101201 NW mo W WW 753700260 BLACK W. mm mm, 0500 L 9000 was man, 0020. m, 0500, m M, 1 a. 1.» ms ms‘mzausnmc msm-Anausnmc W W WM) 040 ,* n m , NH Q E LL 090 .1. (2 251 m1 Mo. mm. 707200201 NW mo W WW 757200201 NW mo W m 707200264 BLACK WITH KEVWAV 75720025.: BLACK WITH FLAT 7000, 0020 L 3050 ms msummmausm m W m. mm “6 mam Tr +6 fiJW 055 + Lt * ‘* 0 55) am No. 791300201 N‘CKEL PLATED W‘TH KEVWAV 791300264 BLACK WITH KEVWAV am No. 757300201 NTCKEL PLATED W‘TH FLAT 757300254 BLACK WITH Fm MAYERIAL Buss. mm mm 50mm O‘hev hmshes avaflab‘e. wnsuh Cus‘nmer Sen/Tee Center 0
LOCKING RINGS
T & TP SERIES
FITS 10-48 BUSHING
PART NO.
465000201 NICKEL PLATED WITH FLAT
7000, 8020, 8060, 8500, 9000, M, T & TP SERIES
FITS 1/4-40 BUSHING
PART NO.
700701201 NICKEL PLATED WITH KEYWAY
700701264 BLACK WITH KEYWAY
.435 DIA.
(11,05Ø) .029
(0,74)
.065
(1,65)
.435 DIA.
(11,05Ø)
.029
(0,74)
.065
(1,65)
PART NO.
465101201 NICKEL PLATED WITH KEYWAY
MATERIAL
Brass, nickel plated standard. Other finishes available, consult Customer Service Center.
7000, 8500 & 9000 SERIES
FITS 15/32 BUSHING
PART NO.
707200201 NICKEL PLATED WITH KEYWAY
707200264 BLACK WITH KEYWAY
.718 DIA.
(18,24Ø) .040
(1,02)
.090
(2,29)
PART NO.
753700201 NICKEL PLATED WITH KEYWAY
753700264 BLACK WITH KEYWAY
PART NO.
757200201 NICKEL PLATED WITH FLAT
757200264 BLACK WITH FLAT
7000, 8020, 8060, 8500, 9000, M, T & TP SERIES
FITS 1/4-40 BUSHING
7000, 8020, 8060, 8500, 9000, M, T & TP SERIES
FITS 1/4-40 BUSHING
.343 DIA.
(8,71Ø)
.468 DIA.
(11,89Ø)
.029
(0,74)
.082
(2,08)
.029
(0,74)
.065
(1,65)
7000, 8020 & 8060 SERIES
FITS M6P2 METRIC BUSHING
PART NO.
791800201 NICKEL PLATED WITH KEYWAY
791800264 BLACK WITH KEYWAY
PART NO.
757300201 NICKEL PLATED WITH FLAT
757300264 BLACK WITH FLAT
7000, 8020, 8060, 8500, 9000, M, T & TP SERIES
FITS 1/4-40 BUSHING
.029
(0,74)
.472 DIA.
(11,99Ø) .034
(0,86)
.065
(1,65)
.343 DIA.
(8,71Ø)
.082
(2,08)
T & TP SERIES
FITS 10-48 BUSHING
.468 DIA.
(11,89) .029
(0,74)
.065
(1,65)
L
Miscellaneous Components, Hardware & Technical Data
C&K Hardware
L-18 www.ittcannon.com
ITT Industries Cannon
v nr; nu mam: Jen nu mean» an (new son an r [15,2413 i J m? 7’ + (1,22; an an mm) .020 (0,501
LOCKWASHERS
FITS 10-48 BUSHING FITS 15/32 BUSHING
FITS 1/4-40 BUSHING
.310
(7,87) .593
(15,06)
.402
(10,21)
.018 THK.
(0,46)
.018 THK.
(0,46)
.021 THK.
(0,53)
465200202 NICKEL PLATED
PART NO. 700302202
700302264
NICKEL PLATED
BLACK
PART NO.
700303202
700303264
NICKEL PLATED
BLACK
PART NO.
PART NO.
175050200
MATERIAL
Steel; Finish: Zinc plate
A, BY, GY, H, W, Y & YL SERIES
FITS 3/4 DIA. BUSHING
NICKEL PLATED
1.010
(25,65)
.615
(15,62)
1.150
(29,21)
.100
(2,54)
.250
(6,36)
.030
(0,76)
PART NO.
175050300
MATERIAL
Steel; Finish: Nickel or bright zinc plate
MOUNTING CLIP
PART NO.
472800202
MATERIAL
Steel; Finish: Zinc plate
A SERIES
FITS 3/8 DIA. THREAD
MATERIAL
Steel, nickel plated standard. Other finishes available, consult Customer Service Center.
A, BY, GY, H, P, W, Y & YL SERIES
L
Miscellaneous Components, Hardware & Technical Data
C&K Hardware
L-19 www.ittcannon.com
ITT Industries Cannon
259 (5,25) f&i\ §:—k\ any}; JNsrza wan ‘ no: nu :25,4nn ssnu A Hum 55‘ Du VHWNS \ :j mama: 2531;? " r 1 .25! NE" (1mm) (2 , 031 wran HNS , 495W . 2,57.» ~ 325 (5,25) J1 9? @[ L4 LJL mm As. j 7’ 5533;? .35c Ln, (9,10) vzn i ms; LBJ mu m: T 1 am (7,67) Erass mcke‘p‘xledslxndxm Olhevhmshesavaflab‘a :nnsuHCuslnmEvSavwcecemev MAYERIAL
NUTS (DRESS)
PART NO.
531300201
531300535
175052745
NICKEL PLATE
POLISHED NICKEL PLATE
GLOSS BLACK PLATE
T & TP SERIES
.280
(7,11)
.312 DIA.
(7,92Ø)
10-48 UNS
.215 DIA.
(5,46)
.070
(1,78)
.040
(1,02)
465701201
465701264
NICKEL PLATED
BLACK
PART NO.
8020, 8060, 8500 & TP SERIES
580700201 NICKEL PLATED
PART NO.
8020, 8060, E010 & TP SERIES
702501201
702501264
NICKEL PLATED
BLACK
PART NO.
7000, 8020, 8060, 8500, 9000, E, E010,
T & TP SERIES 7000, 8020, 8060, 8500, 9000, E, E010,
T & TP SERIES
.372 DIA.
(9,45Ø)
1/4-40 UNS
BLIND THD.
.352
(8,94)
.118
(3,00)
.460 DIA.
(11,68Ø)
.440
(11,18)
1/4-40 UNS
.090
(2,29)
709901201
709901215
709901264
NICKEL PLATED
SATIN CHROME
BLACK
PART NO.
FOR SERIES
7000, 8020, 8060, 8500, 9000,
E, E010, T, TP
776001201
776002231
NICKEL PLATED
BLACK
PART NO.
FOR SERIES
7000, 8020, 8060, 8500,
9000, E, E010, T, TP
Y, H & A SERIES
Brass, nickel plated standard. Other finishes available, consult Customer Service center.
MATERIAL
7000, 8020, 8060, 8500, 9000, E, E010,
T & TP SERIES
.352
(8,94)
.372 DIA.
(9,45Ø)
1/4-40 UNS
.118
(3,00)
780701201
780701215
780701264
NICKEL PLATED
SATIN CHROME
BLACK
PART NO.
8500 SERIES
498800201 NICKEL PLATED
PART NO.
7000 SERIES, T2P ACTUATOR
15/32-32 NS
BLIND THD.
.030
(0,76)
.170
(4,32)
.556
(14,12)
.322 DIA.
(8,18Ø)
.630 DIA.
(16,00Ø)
605300201 NICKEL PLATED
PART NO.
L
Miscellaneous Components, Hardware & Technical Data
C&K Hardware
L-20 www.ittcannon.com
ITT Industries Cannon
J0 41 v:+
Brass, nickel plated standard. Other finishes available, consult Customer Service center.
MATERIAL
NUTS (DRESS)
7000, 8500 & 9000 SERIES
.750
(19,05) .770 DIA.
(19,56Ø)
15/32-32 NS
.120
(3,05)
895101201
895101264
NICKEL PLATED
BLACK
PART NO.
7000, 8020 & 8060 SERIES
709903201
709903264
NICKEL PLATED
BLACK
PART NO.
NUTS (KNURLED)
7000, 8020, 8060, 8500, 9000, T & TP SERIES 7000, 8020, 8060, 8500, 9000, E, E010, T & TP SERIES
Controlled
Knurl
.312 DIA.
(7,92ø)
1/4-40 UNS
.080
(2,03)
.300 DIA.
(7,62Ø)
1/4-40 UNS
.100
(2,54)
778000201
778000264
NICKEL PLATED
BLACK
PART NO.
778600201
778600224
NICKEL PLATED
BLACK
PART NO.
7000, 8020, 8060, 8500, 9000, T & TP SERIES
FITS GULMITE #12 SOCKET & WRENCH 8942-02-201 7000, 8500 & 9000 SERIES
Controlled
Knurl
.362 DIA.
(9,19Ø)
1/4-40 UNS
.062
(1,57)
.638 DIA.
(16,21Ø)
15/32-32 NS BLIND THD.
.174
(4,42)
796901201
796901264
NICKEL PLATED
BLACK
PART NO.
471300201
471300264
NICKEL PLATED
BLACK
PART NO.
7000, 8020 & 8060 SERIES
M6P .75 THD.
Controlled
Knurl
(7,9Ø)
(2,0)
483200201 NICKEL PLATED
PART NO.
Brass, nickel plated standard. Other finishes available, consult Customer Service center.
MATERIAL
L
Miscellaneous Components, Hardware & Technical Data
C&K Hardware
L-21 www.ittcannon.com
ITT Industries Cannon
2‘9 ,3 r \5 (5.551 Mr : A sum SERIES %J:t Mk Ln, 7 t (25.65] 090 MK mm X 75794 ‘5” . . . ‘9‘ 532 Y “F‘ (12,32) Jam :txj
NUTS (MOUNTING)
8600 SERIES T & TP SERIES M SERIES
E & E010 SERIES
.253
(6,43)
.219
(5,56)
8-40 UNS
.324
(8,23)
.281
(7,14)
10-48 UNS
.047
(1,19)
.359
(9,12)
.307
(7,80)
1/4-40 UNS
.093
(2,36)
.355
(9,02)
.307
(7,80)
1/4-28 UNS
.062
(1,57)
775200201
775200264 NICKEL PLATED
BLACK
PART NO.
464900201
464900264
NICKEL PLATED
BLACK
PART NO.
477100201 NICKEL PLATED
PART NO.
540400201
540400264
NICKEL PLATED
BLACK
PART NO.
MATERIAL
Brass, nickel plated standard. Other finishes available, consult Customer Service Center.
7000, 8020, 8060, 8500, 9000, T & TP SERIES 7000, 8500 & 9000 SERIES
.355
(9,02)
.307
(7,80) 1/4-40 UNS
.062
(1,57)
15/32-32 NS
.563
(14,30)
.650
(16,51)
.078
(1,98)
700201201
700201264
NICKEL PLATED
BLACK
PART NO. 707100201
707100215
707100264
NICKEL PLATED
SATIN CHROME
BLACK
PART NO.
PART NO.
495100201
A SERIES
PART NO.
175020201
F SERIES
PART NO.
175000100
MATERIAL
Brass; Finish: Zinc electro &
clear bright chromate
H & R SERIES
7000, 8020 & 8060 SERIES
(10,4)
M6P .75 THD.
(9,0)
(1,6)
791600201
791600264
NICKEL PLATED
BLACK
PART NO.
PART NO.
175050700
MATERIAL
Steel; Finish: Zinc plate
A, BY, GY, H, P, W, Y & YL SERIES
PART NO.
472706201
MATERIAL
Zinc; Finish: Nickel plate
A SERIES
L
Miscellaneous Components, Hardware & Technical Data
C&K Hardware
L-22 www.ittcannon.com
ITT Industries Cannon
m2 x v 25753 Mann , fl \ 1 i ivsw name) ‘57 m, MATERIAL chews nuts \nckwashers Slam‘assslea‘ smug"; wan stanflavd Nummum avafl O
MATERIAL
Brass, nickel plated standard. Other finishes available, consult Customer Service Center.
NUTS (MOUNTING)
PART NO.
179090123
YM SERIES
RECESSED BRACKET
PART NO.
057090100
MATERIAL
6/6 Nylon
D & DM SERIES
MATERIAL
Screws, nuts, lockwashers: Stainless steel. Standoffs: Nylon, standard Aluminum available, consult Customer Service Center.
ROCKER AND LEVER HANDLE SWITCH-PANEL MOUNTING HARDWARE
SCREW
PANEL THICKNESS
STAND-OFF
LOCKWASHER
NUT
TYPICAL ASSEMBLY
L
Miscellaneous Components, Hardware & Technical Data
C&K Hardware
L-23 www.ittcannon.com
ITT Industries Cannon
Panel mounting hardware for rocker and lever handle switches is
available separately. Mounting hardware consists of two screws,
two nuts, two standoffs and two lockwashers per switch, and is
available for panel thicknesses of 1/16, 3/32 and 1/8 inch.
See part numbers below.
7000 Series: J1, J2, J54, J64, J94 actuators.
T Series: J1, J6 actuators.
PART NO. PANEL THK. STANDOFF LENGTH
761101000 1/16 IN. (1,59) .295 (7,49)
761102000 3/32 IN (2,38) .264 (6,71)
761103000 1/8 IN. (3,18) .233 (5,92)
7000 & 9000 Series: J4, J5 actuators.
PART NO. PANEL THK. STANDOFF LENGTH
775001000 1/16 IN. (1,59) .375 99,53)
775002000 3/32 IN (2,38) .344 (8,74)
775003000 1/8 IN. (3,18) .312 (7,92)
9000 Series: J1, J2, J3, J50, J60, J90 actuators.
7000 Series: J3 actuators.
PART NO. PANEL THK. STANDOFF LENGTH
770601000 1/16 IN. (1,59) .295 (7,49)
770602000 3/32 IN (2,38) .264 (6,71)
770603000 1/8 IN. (3,18) .233 (5,92)
7000 & 9000 Series: J10 actuators.
PART NO. PANEL THK. STANDOFF LENGTH
770701000 1/16 IN. (1,59) .295 (7,49)
770702000 3/32 IN (2,38) .264 (6,71)
770703000 1/8 IN. (3,18) .233 (5,92)
ROCKER AND LEVER HANDLE ACTUATORS
ET SERIES
J1 ACTUATOR
MATERIAL
T SERIES
J1 ACTUATOR
Nylon. Finish: Matte. Special colors, custom markings available, consult Customer Service Center.
261A01000
261A02263
261A03000
WHITE
BLACK
RED
PART NO.
468001000
468002263
468003000
WHITE
BLACK
RED
PART NO.
7000, 9000 & E SERIES
J1, J11, J15, J16 ACTUATORS
7000, 9000 & E SERIES
J2, J21, J25, J26 ACTUATORS
760201000
760202263
760203000
WHITE
BLACK
RED
PART NO.
760501000
760502263
760503000
WHITE
BLACK
RED
PART NO.
7000, 9000 & E SERIES
J3, J37 ACTUATORS
766601000
766602263
766603000
WHITE
BLACK
RED
PART NO.
7000, 9000 & E SERIES
J4, J47 ACTUATORS
773301000
773302263
773303000
WHITE
BLACK
RED
PART NO.
ET SERIES,
J6 ACTUATOR
T SERIES
J6 ACTUATOR
791201000
791202263
791203000
WHITE
BLACK
RED
PART NO.
260A01000
260A02263
260A03000
WHITE
BLACK
RED
PART NO.
468101000
468102263
468103000
WHITE
BLACK
RED
PART NO.
628301000
628302263
628303000
WHITE
BLACK
RED
PART NO.
7000, 9000 & E SERIES
J60, J61, J62, J63, J64 ACTUATORS
598101000
613802263
598103000
WHITE
BLACK
RED
PART NO.
7000 SERIES
J76 ACTUATOR
725A01000
725A02263
725A03000
WHITE
BLACK
RED
PART NO.
7000, 9000 & E SERIES
J5, J57 ACTUATORS 7000, 9000 & E SERIES
J50, J51, J52, J53, J54 ACTUATORS
For Hi Temp, Consult Factory)
L
Miscellaneous Components, Hardware & Technical Data
C&K Hardware
L-24 www.ittcannon.com
ITT Industries Cannon
ROCKER AND LEVER HANDLE ACTUATORS
MATERIAL
Nylon. Finish: Matte. Special colors, custom markings available, consult Customer Service Center.
7000, 9000 & E SERIES
J8 ACTUATOR
488701000
488702263
488703000
WHITE
BLACK
RED
PART NO.
7000, 9000 & E SERIES
J90, J91, J92, J93, J94 ACTUATORS
598001000
598002263
598003000
WHITE
BLACK
RED
PART NO.
7000 & 9000 SERIES
J10, J19 ACTUATORS
769501000
769502263
769503000
WHITE
BLACK
RED
PART NO.
7000 & 9000 SERIES
L41 ACTUATOR
481001000
481002263
481003000
WHITE
BLACK
RED
PART NO.
7000 & 9000 SERIES
L42 ACTUATOR
481101000
481102263
481103000
WHITE
BLACK
RED
PART NO.
9000 SERIES
L43 ACTUATOR
481201000
481202263
481203000
WHITE
BLACK
RED
PART NO.
SPLASH CAPS
PART NO.
120100200
MATERIAL
6/6 Nylon
PART NO.
120100300
MATERIAL
6/6 Nylon
L SERIES L SERIES
Fits ‘MS’ mounting style,
LXX1 & LXX2 models only. Fits ‘MV’ mounting style,
LX1X models only.
PART NO.
120100400
MATERIAL
6/6 Nylon
L SERIES
Fits ‘MA’ mounting style,
LXX3 models only.
PART NO.
128000100
MATERIAL
6/6 Nylon
V SERIES
Fits ‘MS’ mounting style.
SD SERIES
678500000
678501000
NATURAL
BLACK
PART NO.
MATERIAL
6/6 Nylon
L
Miscellaneous Components, Hardware & Technical Data
C&K Hardware
L-25 www.ittcannon.com
ITT Industries Cannon
TOP RINGS .032 we nu. "I ‘ (0,9!) mm m» m m _ mam mu m P/N: saswaoaa ua2 m an “'5" uuzn j wmz smv mm pm No. L um mm m w". sammooo 472900an . m J .wa (12,19) (2,45? MAIERIAL Buss‘ Flmsh Nmkex maxed SWITCH ENCLOSURES TC-2 mum Mowms. ummm coNan mm 1sumgmmvem) E: E, TC-4 mummwm.ugmmmwmwmWWW) .' 7f 7 7 7 + 7 \ f | \ 1.00 I ‘ (25,0 7 _ _____ _ 1 * _.|\m 6732 x as LSEREVS m» "a «.33 7>‘7v.unu Nms x mun mu ammo “swans (2m) (25.40) _‘SD * _ c _____ (12,7; V27” mm mu, 52 — m wz-u w mn <5 full="" was="" s="" —\="" w="" 7%="" e9="" ’7="" v="" ,="" m="" (25,57:="" mm="" 1="" l="" (2‘51)="" l="" mj="" .7="" 2="" 730="" 4—1="" was="" (53.3.)="" 2,980="" (75,5!)="" .753="" mm="" (2m)="" (2540)="" “7="" d“="" 2="" ”gi-55="" ms.)="" +="" ,="" 7="" t="" 7="" 7="" 7="" 7="" 7="" \="" 1="" l625="" \="" \="" (".25)="" i="" j="" 7="" 32-503="" 1,25="" i="" ‘="" w="" 1="" .="" )="" (53,98)="" 777777="" |="" 7,="" ¢="" 99="" wos732="" x="" l5="" lserehs="" m="" m="" mus="" a="" pm="" my="" mm="" was="" ._="" .35="" (m,="" —‘so="" i="" 7="" (12,7)="" 52="" —="" “27"="" win="" mu.="" “3’2="" dr="" ”244="" npt="" 'hd.="" §="" —\="" (s="" m="" mum="" m="" 4="" (29.57»="" mm="" ‘3}="" .7="" 2.730="" 4—1="" (3;="" 3,="" 155,34)="" 2.="" saw="" (75,="" as)="">
PART NO.
472900201
MATERIAL
Brass; Finish: Nickel plated
A SERIES
STOP RINGS
SWITCH ENCLOSURES
TC-2 THRU-BOLT MOUNTING, 1/2-14 NPSM CONDUIT THREAD (Straight Thread)
TC-4 THRU-BOLT MOUNTING, 1/2-14 NPT CONDUIT THREAD (Tapered Thread)
638100000
638101000
INNER-W/SHORT TAB
OUTER-W/LONG TAB
PART NO.
One each required for setting stops.
M SERIES
TC-3 FLANGE MOUNTING, 1/2-14 NPSM CONDUIT THREAD (Straight Thread)
TC-5 FLANGE MOUNTING, 1/2-14 NPT CONDUIT THREAD (Tapered Thread)
L
Miscellaneous Components, Hardware & Technical Data
C&K Hardware
L-26 www.ittcannon.com
ITT Industries Cannon
These enclosures make it easy to install HB and HG Series switches with electrical conduit, electrical tubing or armored cable.
The switch is inserted through the open top of the enclosure and is secured by two screws (furnished). The lower section of the
enclosure is completely removable and gives free access to the switch terminals. Switches having either the flat base or step base
can be used. Switches must be ordered separately.
.aa (21 u ,uzr (mm .2‘ so. 2 :Ancrafls v.57 2 as (52.2: t G5 mm m o) Dam) ‘sn (4, as) U *fl3 393 U443?! p” .232 A (3 517 aa (2‘ , u v f ,7\24>‘7 ,ma 113,091 3+ (18,051 a mamas
TC-1
TERMINAL COVERS
WRENCHES
PART NO.
465300201
FITS NUT PART NUMBERS
4649XXXXX, 4657XXXXX
PART NO.
481500201
FITS NUT PART NUMBERS
7780XXXXX, 4832XXXXX
PART NO.
778500201
FITS NUT PART NUMBERS
7002XXXXX, 7099XXXXX
7807XXXXX, 7916XXXXX
PART NO.
894200201
FITS NUT PART NUMBERS
7969XXXXX
L
Miscellaneous Components, Hardware & Technical Data
C&K Hardware
L-27 www.ittcannon.com
ITT Industries Cannon
These terminal covers are available with HB and HG Series switches. They are made of molded phenolic, with knockouts that
permit wires to be brought in at convenient points. They are held in place by the switch mounting screws.
586800000
537202000
MISCELLANEOUS
STOP PINS 3 SERIES CONNECTOR
402900000
657800000
537100000
587300000
3 SERIES
3P SERIES
M SERIES
SF/SR & S2 SERIES
PART NO.
605A00000
605A02000
PART NO.
Fits 0, 1, 4, 5
terminations only.
PC
SOLDER LUG
3P SERIES CONNECTOR
630000000
PART NO. Fits 0, 1
terminations only.
M SERIES WASHERS
RUBBER PANEL SEAL
ADHESIVE MYLAR
RETAINS STOP PINS
PART NO.
Z3 TERMINATION FEMALE CONNECTOR
530100000
PART NO.
KS SERIES LED SUPPORT
540300000
PART NO.
L
Miscellaneous Components, Hardware & Technical Data
C&K Hardware
L-28 www.ittcannon.com
ITT Industries Cannon