Datenblatt für 346-032-558-204 Drawing

w L Em & [LE ] 285[ 4] [é EEEE @333 V.o_ Gum. H _
.600
15.24
2.810 71.37
.350 8.89
A
A
.370
9.4
2.285 58.04
2.125 53.98
2.545 64.64
.125 3.18
.330 8.38
Slot Depth
.160 4.06
Point of Contact
SECTION A-A
INSULATOR MATERIAL: THERMOPLASTIC POLYESTER, UL 94V-0
CONTACT MATERIAL; COPPER, NICKEL, TIN ALLOY CA-725
CONTACT PLATING: GOLD ON THE MATING AREA, TIN-LEAD
ON THE CONTACT TAILS, NICKEL UNDERPLATE
ACAD REFERENCE NO.
TORONTO, ONTARIO
YOUR CONNECTION TO QUALITY & SERVICE
EDAC INC
CANADA
CHECKED:
THESE DRAWINGS AND SPECIFICATIONS
ARE THE PROPERTY OF EDAC INC.,AND
SHALL NOT BE REPRODUCED,OR COPIED
OR USED AS THE BASIS FOR THE
MANUFACTURE OR SALE OF APPARATUS
WITHOUT WRITTEN PERMISSION.
SCALE:
DRAWING NUMBER
DRAWN:
DATE:
ISSUE
SHEET
DATE:
ISSUE NUMBER
ORIGINAL
1
THIS IS A C.A.D. GENERATED DRAWING
DO NOT MAKE MANUAL REVISIONS TO MASTER.
J.LEE
1:1
346-ENG-MASTER
1
1
APR. 22/09
346-ENG-MASTER
PART NUMBER: 346-032-558-204
346/396 SERIES CARD EDGE CONNECTOR
2
OF
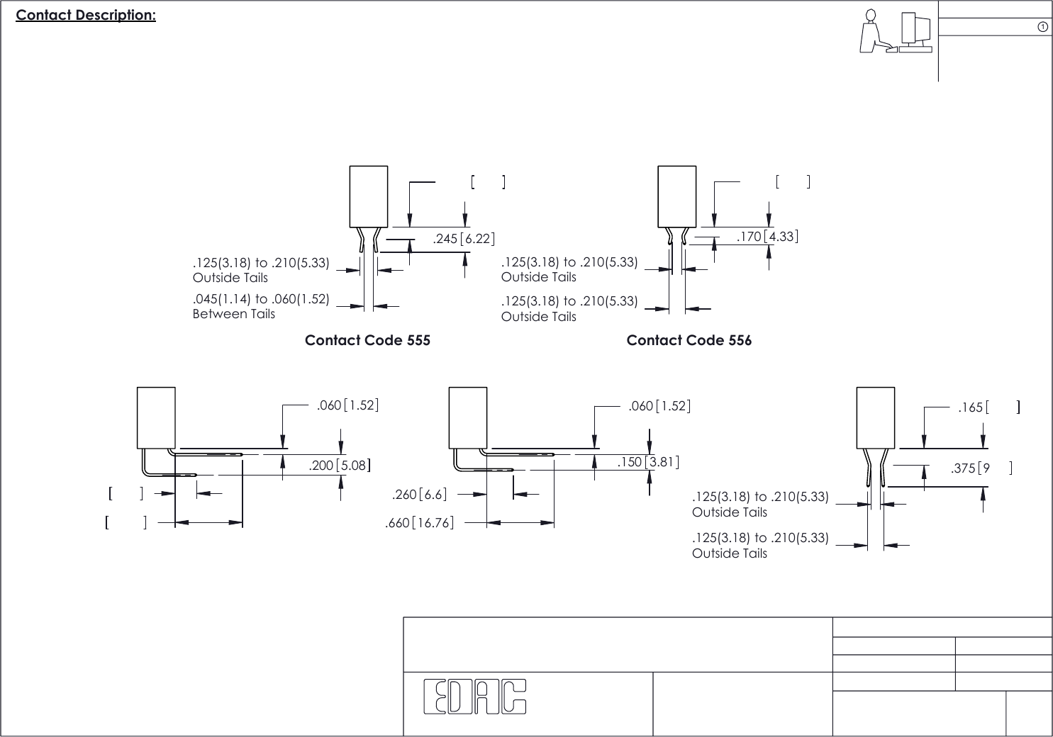
Contact Description: .12513.18] to 21015.33) $1 1+ Outsude 1011s 04511.14) to 05011.52) Between Tai1s —- 245 [522] Contact Code 555 7 .050[1.52] 200[ 5.08] ] i [ ] 7* .170[4.33] .12513.18] to 21015.33) 7% Outsude T0115 .12513.18] to 21015.33) ‘_ Outsude T0115 Contact Code 556 7 .050 [1.52] LL .150 250[5.5] 7 .660[16.76] Outs‘1de Tai1s .12513.18) 10 21015.33) Outs‘1de Tai1s [LE 7 .155[ ] 3.81] 1 K7 .I2513.18) to 21015.33) .375[ EEEE
.120 3.05
.245 6.22
Outside Tails
.125(3.18) to .210(5.33)
Between Tails
.045(1.14) to .060(1.52)
.170 4.33
.095 2.41
Outside Tails
.125(3.18) to .210(5.33)
Outside Tails
.125(3.18) to .210(5.33)
.660
16.76
.210 5.33
.060 1.52
.200 5.08
.660
16.76
.260
6.6
.060 1.52
.150 3.81 .375 9.54
.165 4.19
Outside Tails
.125(3.18) to .210(5.33)
Outside Tails
.125(3.18) to .210(5.33)
Contact Code 558 Contact Code 559
Contact Description:
555-Extender Board Bend (Code 500 Contacts)
Contact Code 560
Contact Code 556Contact Code 555
INSULATOR MATERIAL: THERMOPLASTIC POLYESTER, UL 94V-0
CONTACT MATERIAL; COPPER, NICKEL, TIN ALLOY CA-725
CONTACT PLATING: GOLD ON THE MATING AREA, TIN-LEAD
ON THE CONTACT TAILS, NICKEL UNDERPLATE
ACAD REFERENCE NO.
TORONTO, ONTARIO
YOUR CONNECTION TO QUALITY & SERVICE
EDAC INC
CANADA
CHECKED:
THESE DRAWINGS AND SPECIFICATIONS
ARE THE PROPERTY OF EDAC INC.,AND
SHALL NOT BE REPRODUCED,OR COPIED
OR USED AS THE BASIS FOR THE
MANUFACTURE OR SALE OF APPARATUS
WITHOUT WRITTEN PERMISSION.
SCALE:
DRAWING NUMBER
DRAWN:
DATE:
ISSUE
SHEET
DATE:
ISSUE NUMBER
ORIGINAL
1
THIS IS A C.A.D. GENERATED DRAWING
DO NOT MAKE MANUAL REVISIONS TO MASTER.
J.LEE
1:1
346-ENG-MASTER
1
2
APR. 22/09
346-ENG-MASTER
CONTACT CODE 555,556,558,559,560 DIMENSIONS
346/396 SERIES CARD EDGE CONNECTOR
2
OF