Chemical Analysis and Environmental Monitoring |
||||||||||||||||||||||||||
Chemical AnalysisAnalog Devices, Inc. offer a broad range of low-power, high-performance IC solutions for portable and benchtop chemical analyzers. Our portfolio of leading-edge ADCs, amplifiers, DACs, and processors can help you optimize the performance of your quantitative and qualitative instruments. Select an application and CLICK the light blue part recommendations from ADI.
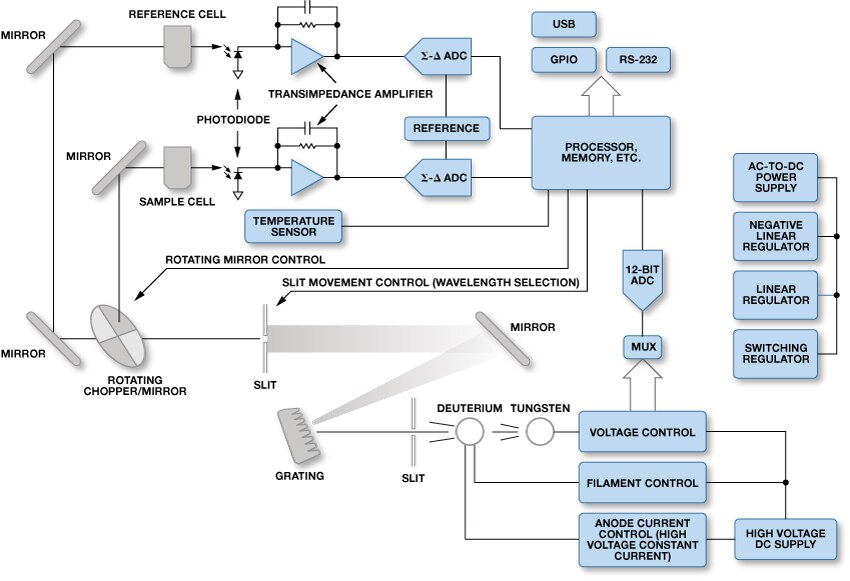
Dual Beam UV-VIS Spectroscopy
UV-VIS - Single Beam Spectroscopy (Photodiode Array)
Spectroscopy: FT-IR Spectroscopy with Photoconductive Detector
Raman Spectroscopy
Environment MonitoringAnalog Devices's broad portfolio of high-performance signal processing solutions enable environmental test equipment OEMs to guarantee that their customers are getting the most accurate and precise measurements possible. ADI products represent the highest in quality and performance standards. Select an application and CLICK the light blue part recommendations from ADI. Nondispersive infrared (NDIR) : Gas Detector
Resources
|
||||||||||||||||||||||||||

