IO-Link-Transceiver LT3669
Analog Devices präsentiert den IO-Link-Transceiver der LT3669-Serie mit integriertem Abwärtsregler und LDO
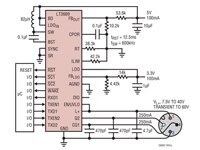
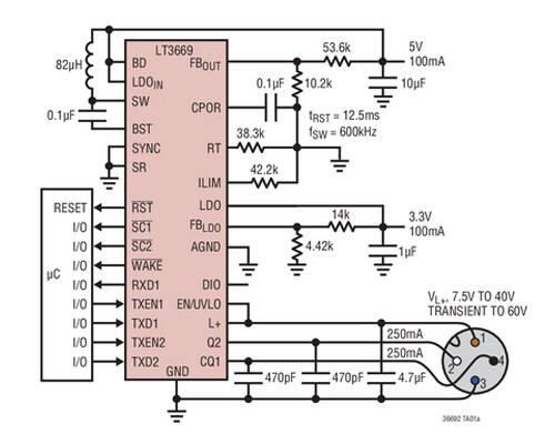
Der LT®3669 von Analog Devices ist ein industrieller Transceiver, der einen Abwärtsschaltregler und einen Linearregler mit niedrigem Dropout enthält. Wake-up-Erfassungsfunktionen, sowie ein programmierbarer Power-on-Reset-Timer sind ebenfalls enthalten. Die Strombegrenzung und die Anstiegsgeschwindigkeit der Transmitter sind für optimale EMV-Performance von außen einstellbar. Die Leitungstreiber können jeweils bis zu 250 mA Strom liefern/aufnehmen (Quelle/Senke) oder 500 mA, wenn sie miteinander verbunden sind, mit einer minimalen Restspannung von weniger als 2,1 V.
Ein internes adaptives Pulsschema ermöglicht den Treibern hohe kapazitive Lasten und Glühlampen sicher zu schalten. Thermo-Abschaltung bietet zusätzlichen Schutz. Ein Leitungsschutz von ±60 V in den Leitungsschnittstellenpins ermöglicht die Verwendung von Standard-TVS-Dioden mit L+-Betriebsspannungen von bis zu 40 V. Der Schaltregler verwendet die integrierte Freilaufdiode im LT3669 (bis zu 100 mA Laststrom) und benötigt eine externe Freilaufdiode für den LT3669-2 (bis zu 300 mA Laststrom). Der LT3669 implementiert einen IO-Link-Gerät-PHY. IO-Link-Master-Designs finden Sie unter den Informationen zum LTC2874.
| Merkmale | |
|
|
Anwendungen
- Industrielle Sensoren und Aktoren
LT3669 IO-Link Transceivers
| Abbildung | Hersteller-Teilenummer | Beschreibung | Verfügbare Menge | Preis | ||
|---|---|---|---|---|---|---|
![]() | ![]() | LT3669EUFD-2#PBF | IC TRANSCEIVER 1/1 28QFN | 1114 - Sofort | $8.81 | Details anzeigen |
![]() | ![]() | LT3669EUFD#PBF | IC TRANSCEIVER 1/1 28QFN | 94 - Sofort | $8.81 | Details anzeigen |
![]() | ![]() | LT3669IUFD#PBF | IC TRANSCEIVER 1/1 28QFN | 73 - Sofort | $9.96 | Details anzeigen |
![]() | ![]() | LT3669IUFD-2#PBF | IC TRANSCEIVER 1/1 28QFN | 73 - Sofort | $9.96 | Details anzeigen |
![]() | ![]() | LT3669HUFD#PBF | IC TRANSCEIVER 1/1 28QFN | 0 - Sofort | $7.24 | Details anzeigen |
![]() | ![]() | LT3669HUFD-2#PBF | IC TRANSCEIVER 1/1 28QFN | 0 - Sofort | $10.53 | Details anzeigen |



