3-stufiger Abwärtsregler RAA48930x mit Durchgangsmodus
Hochleistungsfähiger Abwärtsregler RAA48930x von Renesas ist für USB-C®-Stromversorgungslösungen konzipiert
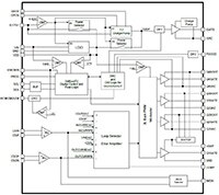
 Der hochleistungsfähige Abwärtsregler RAA48930x von Renesas ist für eine 3-stufige Abwärtsregeltopologie ausgelegt. Diese Topologie bietet einen außergewöhnlichen Wirkungsgrad und reduziert die für die Regelung der Ausgangsspannung erforderliche Induktivität erheblich. Das innovative Design minimiert die Verlustleistung und reduziert die Systemgröße, wodurch es sich ideal für kompakte Hochleistungsanwendungen eignet. Darüber hinaus gewährleistet der Regler einen nahtlosen Übergang des Schaltmodus über den gesamten Ausgangsspannungsbereich.
Der hochleistungsfähige Abwärtsregler RAA48930x von Renesas ist für eine 3-stufige Abwärtsregeltopologie ausgelegt. Diese Topologie bietet einen außergewöhnlichen Wirkungsgrad und reduziert die für die Regelung der Ausgangsspannung erforderliche Induktivität erheblich. Das innovative Design minimiert die Verlustleistung und reduziert die Systemgröße, wodurch es sich ideal für kompakte Hochleistungsanwendungen eignet. Darüber hinaus gewährleistet der Regler einen nahtlosen Übergang des Schaltmodus über den gesamten Ausgangsspannungsbereich.
Die hochentwickelte R3™-Technologie von Renesas steigert die Leistung durch einen hocheffizienten Betrieb bei geringer Last, schnelles Einschwingen und nahtlose Übergänge zwischen lückendem Leitungsmodus (discontinuous conduction mode, DCM) und Dauerleitungsmodus (continuous conduction mode, CCM).
Der RAA48930x eignet sich hervorragend für Anwendungen, die vielseitige Eingangsquellen benötigen, wie z. B. Hochleistungshohlsteckeradapter und USB-Stromversorgungsadapter (USB-PD). Für USB-PD-Anwendungen entspricht er den PD-Spezifikationen und unterstützt den Betrieb mit programmierbarer Stromversorgung (Programmable Power Supply, PPS) und einstellbarer Spannungsversorgung (Adjustable Voltage Supply, AVS). Unabhängige Regelkreise für Ein- und Ausgangsspannungen sowie -ströme gewährleisten Präzision, Sicherheit und Flexibilität.
Der Regler verfügt über einen Durchgangsmodus (passthrough mode, PTM) sowohl in Vorwärts- als auch in Rückwärtsrichtung, der die Effizienz maximiert, wenn die Ein- und Ausgangsspannung identisch sind. Dadurch eignet er sich besonders für Anwendungen, die einen hohen Wirkungsgrad und eine geringe Verlustleistung erfordern.
Über seine Kernfunktionen hinaus bietet der RAA48930x Funktionen auf Systemebene, wie z. B. die Steuerung von Trenn-MOSFETs und eine einstellbare Ausgangsspannung. Seine robusten Schutzfunktionen, einschließlich Überstromschutz, Überspannungsschutz, Unterspannungsschutz und Übertemperaturschutz, gewährleisten einen zuverlässigen und sicheren Betrieb unter allen Bedingungen.
Außerdem unterstützt der Regler die serielle Kommunikation über SMBus/I2C, um die Programmierung kritischer Parameter für eine maßgeschneiderte Stromversorgung zu ermöglichen. Zu den anpassbaren Parametern gehören die minimale Eingangsspannung, die maximale Ausgangsspannung sowie die Ein- und Ausgangsstromgrenzwerte, was Flexibilität und Anpassungsfähigkeit für verschiedene Anwendungen bietet.
- 3-Stufen-Abwärtsregler mit einer Induktivität
- Patentierter Modulator für Ausgleich mit fliegenden Kondensatoren und sanften Betriebsartenwechsel
- Breiter Eingangsspannungsbereich: 4,5 V bis 57,6 V
- Breiter Ausgangsspannungsbereich: 3 V bis 54,912 V
- Programmierbare Schaltfrequenz: bis zu 400 kHz (effektiv 800 kHz am Schaltknoten)
- EXT5V-Pin zur Erzeugung von 5-V- oder 10-V-Gate-Treiberspannung durch interne Ladungspumpe
- Niedrige Abschaltstromstromaufnahme: 25 µA
- PTM sowohl in Vorwärts- als auch in Rückwärtsrichtung
- nterstützung eines vorgespannten Ausgangs mit Sanftanlauffunktion
- Ein- und Ausgangsstromüberwachung
- Schutzfunktionen: Überstrom, Überspannung, Unterspannung und Übertemperatur
- SMBus- und I2C-Kompatibilität
- 32-poliges TQFN-Gehäuse mit 4 mm x 4 mm
- Vorregler für CPU-Versorgungsschienensysteme
- USB-PD-3.0/3.1-Systeme
- Robotik und Drohnen
- Sicherheitsüberwachung
- Medizinische Geräte
RAA48930x 3-Level Buck Controller with Passthrough Mode
| Abbildung | Hersteller-Teilenummer | Beschreibung | Verfügbare Menge | Preis | Details anzeigen | |
|---|---|---|---|---|---|---|
|  |  | RAA489300A3GNP#AA0  | 3-LEVEL BUCK OR 2-LEVEL BUCK VOL | 490 - Sofort | $11.69 | Details anzeigen | 
|  |  | RAA489301A3GNP#AA0  | 3-LEVEL BUCK OR 2-LEVEL BUCK VOL | 0 - Sofort | $10.86 | Details anzeigen | 
|  |  | RAA489301ARGNP#HA0 | 3-LEVEL BUCK OR 2-LEVEL BUCK VOL | 0 - Sofort | $5.86 | Details anzeigen | 
|  |  | RAA489300ARGNP#HA0 | RAA489300ARGNP#HA0 | 0 - Sofort | $6.35 | Details anzeigen | 
|  |  | RAA489300A3GNP#HA0 | RAA489300A3GNP#HA0 | 0 - Sofort | $6.98 | Details anzeigen | 
Evaluation Board
| Abbildung | Hersteller-Teilenummer | Beschreibung | Verfügbare Menge | Preis | Details anzeigen | |
|---|---|---|---|---|---|---|
|  |  | RTKA489300DE0000BU  | EVAL BOARD FOR RAA489300 | 3 - Sofort | $214.65 | Details anzeigen | 
 
                 
                 
                 
 
 
 
 Einstellungen
        Einstellungen
     Schnelle Lieferung
                                    Schnelle Lieferung
                                 Kostenlose Lieferung
                                    Kostenlose Lieferung
                                 Incoterms
                                    Incoterms
                                 Zahlungsmethoden
                                    Zahlungsmethoden
                                





 Marketplace-Produkt
                                    Marketplace-Produkt
                                 
             
            

 
                     
                                 
                                 
                                 
                         
                                 
                                 
                                 
                                 
                                 
                                 
                                 Schweiz
Schweiz