LM48100Q Mono, 1.3 W Audio Power Amplifier
Texas Instruments offers its LM48100Q mono, 1.3 W audio power amplifier with output fault detection and volume control
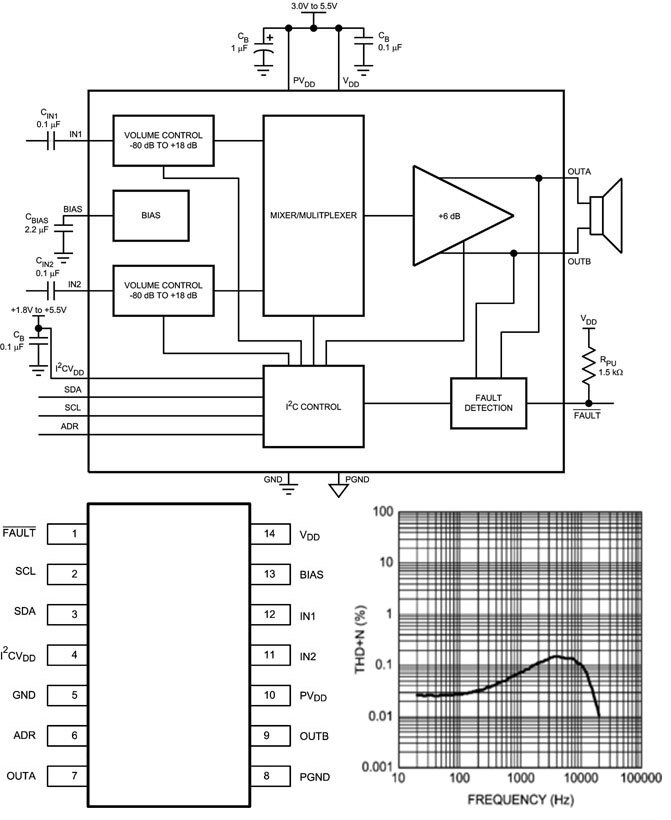
Texas Instruments' LM48100Q is a single supply, mono, bridge-tied load amplifier with I2C volume control, ideal for automotive applications. A comprehensive output fault detection system senses the load conditions, protecting the device during short circuit events, as well as detecting open circuit conditions.
Operating from a single 5 V supply, the LM48100Q delivers 1.3 W of continuous output power to an 8 Ω load with < 1% THD+N. Flexible power supply requirements allow operation from 3 V to 5.5 V. High power supply rejection ratio (PSRR), 74 dB at 1 kHz, allows the device to operate in noisy environments without additional power supply conditioning.
The LM48100Q features dual audio inputs that can be mixed/multiplexed to the device output. Each input path has its own independent, 32-step volume control. The mixer, volume control, and device mode select are controlled through an I2C compatible interface. An open drain FAULT output indicates when a fault has occurred. Comprehensive output short circuit and thermal overload protection prevent the device from being damaged during a fault condition.
A low power shutdown mode reduces supply current consumption to 0.01 µA. Superior click and pop suppression eliminates audible transients on power-up/down and during shutdown. The LM48100Q is available in an 14-pin TSSOP package.
| Features | ||
|
|
| Applications | ||
|
LM48100Q Mono 1.3 W Audio Power Amplifier
| Abbildung | Hersteller-Teilenummer | Beschreibung | Verfügbare Menge | Preis | ||
|---|---|---|---|---|---|---|
![]() | ![]() | LM48100QMHE/NOPB | IC AMP AB MONO 1.6W 14HTSSOP | 369 - Sofort | $2.77 | Details anzeigen |



