Die Lieferung von Bestellungen nach Schweiz erfolgt je nach Bestimmungsort normalerweise innerhalb von 48 Stunden.
Kostenlose Lieferung nach Schweiz für Bestellungen im Wert von 54 CHF oder mehr. Für Bestellungen im Wert von unter 54 CHF werden Versandkosten in Höhe von 20 CHF berechnet.
UPS, FedEx- oder DHL-Fracht im Voraus bezahlt: DDP (Zoll- und Einfuhrgebühren bezahlt von DigiKey)
Rechnungskonto für qualifizierte Institutionen und Unternehmen
Vorauszahlung per Banküberweisung
![]()
![]()
![]()
![]()


Weitere Produkte von vollständig autorisierten Partnern
Die durchschnittliche Dauer bis zum Versand beträgt 1-3 Tage; es können zusätzliche Versandgebühren anfallen. Die tatsächliche Lieferzeit entnehmen Sie bitte der Produktseite, dem Warenkorb und der Kasse.
Incoterms: CPT (Zoll und anwendbare Mehrwertsteuer/Steuer fällig zum Zeitpunkt der Lieferung)
Weitere Informationen erhalten Sie über Hilfe und Kundendienst
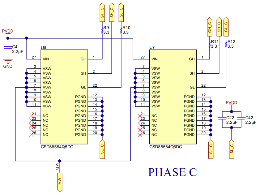
The TIDA-00774 is a 1-kW power stage for a three-phase brushless DC (BLDC) motor in power tools operating from a 5-cell Li-ion battery with a voltage up to 21 V. The design is a 65-mm×60-mm compact drive, implementing sensor-based trapezoidal control. The design takes advantage of TI's MOSFET PowerBlock technology, which integrates two FETs in half-bridge configuration into a single SON 5×6 package, enabling very high power density.
The design uses two power blocks in parallel and delivers 50-ARMS continuous (120-A peak for 3 seconds, 160-A peak for 1 second) winding current. The MOSFET power block with minimum parasitic inductance and the current controlled gate driver with slew rate control helps ineffective MOSFET paralleling and reduces switching spikes. The current sensing is done by monitoring MOSFET VDS. The board provides cycle-by-cycle overcurrent and short-circuit protection.
Features:
Operates at voltage ranging from 6-V to 21-V (5s li-ion battery) delivering 50-ARMS continuous (120A peak for 3s, 160-A peak for 1s) winding current
Inverter drive efficiency > 98.5%
Current sensing by monitoring and amplifying the VDS of MOSFET
Effective MOSFET paralleling with excellent dynamic current sharing
18V/680W, 33 A RMS support without heat sink
Cycle-by-cycle overcurrent and short circuit protection by VDS sensing
| Manufacturer | Texas Instruments |
|---|---|
| Category | Motor Control |
| Eval Board |
Board not Stocked
|
| Voltage In |
6 ~ 21V
|
| Number of Motors and Type |
1, 3-Ph BLDC Motor
|
| Power / Current Out |
50 A (160 A Peak)
1 kW |
| Features |
Current Sensing
Over Current Protection Short Circuit Protection Trapezoidal Output |
| Component Count + Extras |
106 + 11
|
| Application / Target Market |
eBike / eScooter
Power Tools |
| Design Author |
Texas Instruments
|
| Main I.C. Base Part |
CSD88584Q5
|
| Date Created By Author | 2017-05 |
| Date Added To Library | 2024-05 |
Co-Browse
Wenn Sie die Co-Browse-Funktion verwenden, erklären Sie sich damit einverstanden, dass ein Kundendienstmitarbeiter von DigiKey Ihren Browser aus der Ferne betrachten kann. Wenn das Co-Browse-Fenster geöffnet wird, geben Sie bitte die Sitzungs-ID, die Sie in der Symbolleiste finden, an den Kundendienstmitarbeiter weiter.
DigiKey misst dem Schutz Ihrer Privatsphäre große Bedeutung bei. Weitere Informationen finden Sie in unserer Datenschutzerklärung und unserem Cookie-Hinweis.
Ja, weiter zu Co-BrowseIn unserem TechForum erhalten Sie schnelle und präzise Antworten von DigiKeys erfahrenen Technikern und Ingenieuren.
Bitte besuchen Sie den Bereich Hilfe und Support auf unserer Website, um Informationen zu Bestellung, Versand, Lieferung und mehr zu erhalten.
Registrierte Benutzer können ihre Bestellungen über das Dropdown-Menü ihres Kontos verfolgen, oder hier klicken. *Es kann bis zu 12 Stunden dauern, bis der Bestellstatus nach Absenden der Bestellung aktualisiert wird.
Nutzer können den Retourenprozess auf der Seite Rücksendungen initiieren.
Angebote können von registrierten Benutzern unter myLists erstellt werden.
Besuchen Sie die Registrierungsseite und geben Sie die erforderlichen Informationen ein. Sie erhalten eine E-Mail-Bestätigung, wenn Ihre Registrierung abgeschlossen ist.
Die Lieferung von Bestellungen nach Schweiz erfolgt je nach Bestimmungsort normalerweise innerhalb von 48 Stunden.
Kostenlose Lieferung nach Schweiz für Bestellungen im Wert von 54 CHF oder mehr. Für Bestellungen im Wert von unter 54 CHF werden Versandkosten in Höhe von 20 CHF berechnet.
UPS, FedEx- oder DHL-Fracht im Voraus bezahlt: DDP (Zoll- und Einfuhrgebühren bezahlt von DigiKey)
Rechnungskonto für qualifizierte Institutionen und Unternehmen
Vorauszahlung per Banküberweisung
![]()
![]()
![]()
![]()


Weitere Produkte von vollständig autorisierten Partnern
Die durchschnittliche Dauer bis zum Versand beträgt 1-3 Tage; es können zusätzliche Versandgebühren anfallen. Die tatsächliche Lieferzeit entnehmen Sie bitte der Produktseite, dem Warenkorb und der Kasse.
Incoterms: CPT (Zoll und anwendbare Mehrwertsteuer/Steuer fällig zum Zeitpunkt der Lieferung)
Weitere Informationen erhalten Sie über Hilfe und Kundendienst
Vielen Dank!
Behalten Sie Ihren Posteingang im Auge, um Neuigkeiten und Updates von DigiKey nicht zu verpassen.
Bitte geben Sie eine E-mail-Adresse ein
Bitte akzeptieren Sie den Erhalt von Marketing-Informationen per E-Mail