Adafruit PyPortal - IoT for CircuitPython
2019-07-16 | By Adafruit Industries
License: See Original Project Circuit Playground
Courtesy of Adafruit
Guide by Kattni Rembor
Overview
Create all the things for the “Internet of Things” in minutes
PyPortal, is our easy-to-use IoT device that allows you to create all the things for the “Internet of Things” in minutes. Make custom touch screen interface GUIs, all open-source, and Python-powered using tinyJSON / APIs to get news, stock values, weather, cat photos, and more – all over Wi-Fi with the latest technologies. Create little pocket universes of joy that connect to something good. Rotate it 90 degrees, it’s a web-connected conference badge #badgelife.
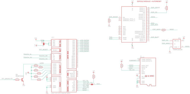
The PyPortal uses an ATMEL (Microchip) ATSAMD51J20, and an Espressif ESP32 Wi-Fi coprocessor with TLS/SSL (secure web) support built-in. PyPortal has a 3.2" 320 x 240 color TFT with resistive touch screen.
PyPortal includes: speaker, light sensor, temperature sensor, NeoPixel, microSD card slot, 8MB flash, plug-in ports for I2C, and 2 analog/digital pins. There are 3D files available for custom enclosures and the board has mounting holes which are also compatible with badge lanyard fasteners.
PyPortal is Open-Source hardware and Open-Source software, and it runs CircuitPython and Arduino code. Using CircuitPython, the device shows up as a USB drive and the code can be edited in any IDE, text editor, etc. You can have your IoT project up and running in minutes!
Pinouts
There are so many great features on the Adafruit PyPortal. Let's take a look at what's available!
Microcontroller and Flash
The main processor chip is the ATSAMD51J20 Cortex M4 running at 120MHz with 3.3v logic/power. It has 1MB of Flash and 256KB of RAM.
We also include 8 MB of QSPI Flash for storing images, sounds, animations, whatever!
WiFi
The WiFi capability uses an Espressif ESP32 Wi-Fi coprocessor with TLS/SSL support built-in.
The ESP32 uses the SPI port for data, and also uses a CS pin (board.ESP_CS or Arduino 8), Ready/Busy pin (board.ESP_BUSY or Arduino 5), and reset pin (board.ESP_RESET or Arduino 7)
- For advanced use or reprogramming, we also connect the main RX/TX UART to the ESP32 - on Arduino that's Serial1 and in CircuitPython use board.RX and board.TX.
- You can also connect to the ESP32 RTS pin (used in some serial contexts) on board.ESP_RTS or Arduino 51.
- The ESP32 GPIO0 pin for bootloader enable is connected to board.ESP_GPIO0 or Arduino 6
Display and Display Connector
On the front is a 3.2" 320 x 240 color TFT with resistive touch screen!
On the back, there is a large connector near the middle, the display connector. It connects the display on the front to the board.
To give you the most data throughput we configure the screen for 8-bit interfacing. That means 8 data lines and a collection of 4 or 5 control lines. If you really want to use the screen in SPI mode, you can do so by soldering closed the SPI jumper and cutting/resoldering the 8/SPI jumper over to the SPI side. That's for advanced users!
The touchscreen is fully analog/resistive. It can be read using our Arduino/CircuitPython drivers. The connections are as follows:
- YD on board.TOUCH_YD or Arduino A4
- XL on board.TOUCH_XL or Arduino A5
- YU on board.TOUCH_YU or Arduino A6
- XR on board.TOUCH_XR or Arduino A7
The 8 bit LCD interface is not exposed in CircuitPython (its managed internally). In Arduino its on Digital 34 thru 41, which is on a PORTA 8-bit boundary (PA16-PA23) and can be used for DMA or fast port writes. This probably doesn't affect you.
There are multiple control pins
- TFT Reset - board.TFT_RESET or Arduino 24
- TFT WR - board.TFT_WR or Arduino 25 (this is also the TFT DC pin if using in SPI mode)
- TFT RD - board.TFT_RD or Arduino 9
- TFT RS - board.TFT_RS or Arduino 10
- TFT CS - board.TFT_CS or Arduino 11
- TFT TE - board.TFT_TE or Arduino 12
There is also a TFT backlight, transistor-connected to board.TFT_BACKLIGHT or Arduino 25. You can PWM control it. There are 6 white LEDs connected in parallel, so having it be full on will draw quite a bit of current (over 100mA!)
Sensors
There are two built in sensors.
On the top is the ADT7410 Analog Devices temperature sensor with 16-bit 0.0078°C temperature resolution and 0.5°C temperature tolerance. The sensor is I2C connected, use the Arduino or CircuitPython libraries to read it.
There is also an ambient light sensor on the side, which points through to the front, as seen in the second image. The light sensor is an analog input, connected to board.LIGHT (CircuitPython) or A2 (Arduino) you can read it as any analog value ranging from 0 (dark) to 1023 (in Arduino) or 65535 (CircuitPython) when bright.
microSD Card Slot
On the left side, there is a microSD card slot. A microSD card is the best way to add extra storage to your project and provide space for streams to be processed!
The SD card is on the main SPI port (shared with the ESP32) and a CS line. In CircuitPython, the CS pin is board.SD_CD. In Arduino its digital 32.
There is also a card detect pin on board.CARDDET (CircuitPython) or Arduino 33.
Speaker and Speaker Connector
There is a speaker and a speaker connector.
The grey squarish bit on the bottom is a speaker. There is a small class D amplifier connected to the speaker so it can get quite loud!
There is also a speaker connector, which is a Molex PicoBlade. You can attach one of the speakers available in the Adafruit shop, or solder a connector to your favorite speaker. If you do, cut the small solder jumper to the left of the buzzer so that you only have one speaker activated (and also it will be louder!)
The speaker is connected to the DAC0 output from the SAMD51, via a class D amplifier. The analog output is known as board.AUDIO_OUT in CircuitPython. In Arduino its A0.
You can disable the speaker amplifier by setting the shutdown pin to output and low. It's on board.SPEAKER_ENABLE and Arduino 50
I2C Connector
If using the I2C connector, you must cut the 5V VCC trace to the left and solder it to the 3V pad instead - the SAMD51 does not like it if there are even light pullups to 5V and may hang on boot otherwise!
There is a 4-pin JST I2C connector in the center on the right, that is STEMMA and Grove compatible. The I2C has pullups to 3.3V power and is connected to the ADT7410 already.
The I2C connector defaults to 5V. There is a jumper you can cut or solder to change it between 5V and 3V.
Digital/Analog Connectors
On the right side are two connectors labeled D3 and D4. These are 3-pin JST digital or analog connectors for sensors or NeoPixels. These pins can be analog inputs or digital I/O.
They have protection 1K resistors + 3.6V zener diodes so you can drive an LED directly from the output. Connect to them via board.D3 and board.D4 or Arduino 3 and 4. For analog reading in arduino use A1 for D3 and A3 for D4 (yeah sorry its not matchy!)
D3/A1 is the second DAC.
Status LED and NeoPixel
There are two LEDs on the board.
On the top, is the RGB status NeoPixel labeled "STATUS". It is connected to board.NEOPIXEL or Arduino 2.
Towards the bottom on the left is the D13 LED. This is attached to board.L and Arduino 13.
USB Connector
There is one USB port on the board.
On the left side, towards the bottom, is a USB Micro port, which is used for powering and programming the board.
Reset Button
The reset button is located on the top in the middle.
Click it once to re-start your firmware. Click twice to enter bootloader mode.
What is CircuitPython?
CircuitPython is a programming language designed to simplify experimenting and learning to program on low-cost microcontroller boards. It makes getting started easier than ever with no upfront desktop downloads needed. Once you get your board set up, open any text editor, and get started editing code. It's that simple.
CircuitPython is based on Python
Python is the fastest growing programming language. It's taught in schools and universities. It's a high-level programming language which means it's designed to be easier to read, write and maintain. It supports modules and packages which means it's easy to reuse your code for other projects. It has a built in interpreter which means there are no extra steps, like compiling, to get your code to work. And of course, Python is Open Source Software which means it's free for anyone to use, modify or improve upon.
CircuitPython adds hardware support to all of these amazing features. If you already have Python knowledge, you can easily apply that to using CircuitPython. If you have no previous experience, it's really simple to get started!
Why would I use CircuitPython?
CircuitPython is designed to run on microcontroller boards. A microcontroller board is a board with a microcontroller chip that's essentially an itty-bitty all-in-one computer. The board you're holding is a microcontroller board! CircuitPython is easy to use because all you need is that little board, a USB cable, and a computer with a USB connection. But that's only the beginning.
Other reasons to use CircuitPython include:
- You want to get up and running quickly. Create a file, edit your code, save the file, and it runs immediately. There is no compiling, no downloading and no uploading needed.
- You're new to programming. CircuitPython is designed with education in mind. It's easy to start learning how to program and you get immediate feedback from the board.
- Easily update your code. Since your code lives on the disk drive, you can edit it whenever you like, you can also keep multiple files around for easy experimentation.
- The serial console and REPL. These allow for live feedback from your code and interactive programming.
- File storage. The internal storage for CircuitPython makes it great for data-logging, playing audio clips, and otherwise interacting with files.
- Strong hardware support. There are many libraries and drivers for sensors, breakout boards and other external components.
- It's Python! Python is the fastest-growing programming language. It's taught in schools and universities. CircuitPython is almost-completely compatible with Python. It simply adds hardware support.
This is just the beginning. CircuitPython continues to evolve, and is constantly being updated. We welcome and encourage feedback from the community, and we incorporate this into how we are developing CircuitPython. That's the core of the open source concept. This makes CircuitPython better for you and everyone who uses it!
Updating Your PyPortal
Your PyPortal that came with AdaBox has older running firmware, libraries and software.
Before you start, you'll NEED to update your PyPortal!
Step 1 - Update Firmware to Latest
Your PyPortal will no longer run the example code once you do this - that's OK! We have to finish the other two steps
Step 2 - Update Example Code to Latest
Your PyPortal may have come with an example Quotes demo, or perhaps its blank. Either way, you can install the latest Quotes demo package by clicking here to download a zip:
First, delete all the files from your CIRCUITPY drive (so you don't have any old lingering files)
Unzip this and go into the boards/pyportal/4.x folder. You will see files such as code.py and pyportal_startup.bmp. Copy over everything in the boards/pyportal/4.x folder. That means code.py and the lib folder will be in the 'root' directory of CIRCUITPY.
Step 3 - Check Display & Add WiFi Secrets
Once everything is fully copied, you will be prompted to edit secrets.py
Do that to enable WiFi support
Step 4 - If you are getting odd errors
If your filesystem somehow got corrupted, or you're getting unusual errors, try erasing the filesystem to clear out any corrupt files, by:
- download the QSPI Eraser UF2 file
- load it onto the PyPortal by entering the bootloader and dragging it onto PORTALBOOT
- wait until the back LED goes from yellow to green
- Go to Step 1 to re-load the firmware and demo code!
Install CircuitPython
CircuitPython is a derivative of MicroPython designed to simplify experimentation and education on low-cost microcontrollers. It makes it easier than ever to get prototyping by requiring no upfront desktop software downloads. Simply copy and edit files on the CIRCUITPY "flash" drive to iterate.
The following instructions will show you how to install CircuitPython. If you've already installed CircuitPython but are looking to update it or reinstall it, the same steps work for that as well!
Set up CircuitPython Quick Start!
Follow this quick step-by-step for super-fast Python power :)
Latest Version of CircuitPython for PyPortal
Click the link above to download the latest version of CircuitPython for the PyPortal.
Download and save it to your desktop (or wherever is handy).
Plug your PyPortal into your computer using a known-good USB cable.
A lot of people end up using charge-only USB cables and it is very frustrating! So make sure you have a USB cable you know is good for data sync.
Double-click the Reset button on the top in the middle (magenta arrow) on your board, and you will see the NeoPixel RGB LED (green arrow) turn green. If it turns red, check the USB cable, try another USB port, etc. Note: The little red LED next to the USB connector will pulse red. That's ok!
If double-clicking doesn't work the first time, try again. Sometimes it can take a few tries to get the rhythm right!
You will see a new disk drive appear called PORTALBOOT.
Drag the adafruit-circuitpython-pyportal-<whatever>.uf2 file to PORTALBOOT.
The LED will flash. Then, the PORTALBOOT drive will disappear and a new disk drive called CIRCUITPY will appear.
If you haven't added any code to your board, the only file that will be present is boot_out.txt. This is absolutely normal! It's time for you to add your code.py and get started!
That's it, you're done! :)
PyPortal Default Files
Click below to download a zip of the files that shipped on the PyPortal.
Installing Mu Editor
Mu is a simple code editor that works with the Adafruit CircuitPython boards. It's written in Python and works on Windows, MacOS, Linux and Raspberry Pi. The serial console is built right in so you get immediate feedback from your board's serial output!
Mu is our recommended editor - please use it (unless you are an experienced coder with a favorite editor already!)
Download and Install Mu
Download Mu from https://codewith.mu. Click the Download or Start Here links there for downloads and installation instructions. The website has a wealth of other information, including extensive tutorials and and how-to's.
Using Mu
The first time you start Mu, you will be prompted to select your 'mode' - you can always change your mind later. For now please select Adafruit!
The current mode is displayed in the lower right corner of the window, next to the "gear" icon. If the mode says "Microbit" or something else, click on that and then choose "Adafruit" in the dialog box that appears.
Mu attempts to auto-detect your board, so please plug in your CircuitPython device and make sure it shows up as a CIRCUITPY drive before starting Mu
Now you're ready to code! Lets keep going....
Creating and Editing Code
One of the best things about CircuitPython is how simple it is to get code up and running. In this section, we're going to cover how to create and edit your first CircuitPython program.
To create and edit code, all you'll need is an editor. There are many options. We strongly recommend using Mu! It's designed for CircuitPython, and it's really simple and easy to use, with a built in serial console!
If you don't or can't use Mu, there are basic text editors built into every operating system such as Notepad on Windows, TextEdit on Mac, and gedit on Linux. However, many of these editors don't write back changes immediately to files that you edit. That can cause problems when using CircuitPython. See the Editing Code section below. If you want to skip that section for now, make sure you do "Eject" or "Safe Remove" on Windows or "sync" on Linux after writing a file if you aren't using Mu. (This is not a problem on MacOS.)
Creating Code
Open your editor, and create a new file. If you are using Mu, click the New button in the top left
Copy and paste the following code into your editor:
import board
import digitalio
import time
led = digitalio.DigitalInOut(board.D13)
led.direction = digitalio.Direction.OUTPUT
while True:
led.value = True
time.sleep(0.5)
led.value = False
time.sleep(0.5)
It will look like this - note that under the while True: line, the next four lines have spaces to indent them, but they're indented exactly the same amount. All other lines have no spaces before the text.
Save this file as code.py on your CIRCUITPY drive.
On each board you'll find a tiny red LED. It should now be blinking. Once per second
Congratulations, you've just run your first CircuitPython program!
Editing Code
To edit code, open the code.py file on your CIRCUITPY drive into your editor.
Make the desired changes to your code. Save the file. That's it!
Your code changes are run as soon as the file is done saving.
There's just one warning we have to give you before we continue...
Don't Click Reset or Unplug!
The CircuitPython code on your board detects when the files are changed or written and will automatically re-start your code. This makes coding very fast because you save, and it re-runs.
However, you must wait until the file is done being saved before unplugging or resetting your board! On Windows using some editors this can sometimes take up to 90 seconds, on Linux it can take 30 seconds to complete because the text editor does not save the file completely. Mac OS does not seem to have this delay, which is nice!
This is really important to be aware of. If you unplug or reset the board before your computer finishes writing the file to your board, you can corrupt the drive. If this happens, you may lose the code you've written, so it's important to backup your code to your computer regularly.
There are a few ways to avoid this:
1. Use an editor that writes out the file completely when you save it.
Recommended editors:
- mu is an editor that safely writes all changes (it's also our recommended editor!)
- emacs is also an editor that will fulIy write files on save
- Sublime Text safely writes all changes
- Visual Studio Code appears to safely write all changes
- gedit on Linux appears to safely write all changes
Recommended only with particular settings or with add-ons:
- vim / vi safely writes all changes. But set up vim to not write swapfiles (.swp files: temporary records of your edits) to CIRCUITPY. Run vim with vim -n, set the no swapfile option, or set the directory option to write swapfiles elsewhere. Otherwise the swapfile writes trigger restarts of your program.
- The PyCharm IDE is safe if "Safe Write" is turned on in Settings->System Settings->Synchronization (true by default).
- If you are using Atom, install the fsync-on-save package so that it will always write out all changes to files on CIRCUITPY.
- SlickEdit works only if you add a macro to flush the disk.
We don't recommend these editors:
- notepad (the default Windows editor) and Notepad++ can be slow to write, so we recommend the editors above! If you are using notepad, be sure to eject the drive (see below)
- IDLE does not force out changes immediately
- nano (on Linux) does not force out changes
- Anything else - we haven't tested other editors so please use a recommended one!
2. Eject or Sync the Drive After Writing
If you are using one of our not-recommended-editors, not all is lost! You can still make it work.
On Windows, you can Eject or Safe Remove the CIRCUITPY drive. It won't actually eject, but it will force the operating system to save your file to disk. On Linux, use the sync command in a terminal to force the write to disk.
Don't worry! Corrupting the drive isn't the end of the world (or your board!). If this happens, follow the steps found on the Troubleshooting page of every board guide to get your board up and running again.
Back to Editing Code...
Now! Let's try editing the program you added to your board. Open your code.py file into your editor. We'll make a simple change. Change the first 0.5 to 0.1. The code should look like this:
import board
import digitalio
import time
led = digitalio.DigitalInOut(board.D13)
led.direction = digitalio.Direction.OUTPUT
while True:
led.value = True
time.sleep(0.1)
led.value = False
time.sleep(0.5)
Leave the rest of the code as-is. Save your file. See what happens to the LED on your board? Something changed! Do you know why? Let's find out!
Exploring Your First CircuitPython Program
First, we'll take a look at the code we're editing.
Here is the original code again:
import board
import digitalio
import time
led = digitalio.DigitalInOut(board.D13)
led.direction = digitalio.Direction.OUTPUT
while True:
led.value = True
time.sleep(0.5)
led.value = False
time.sleep(0.5)
Imports & Libraries
Each CircuitPython program you run needs to have a lot of information to work. The reason CircuitPython is so simple to use is that most of that information is stored in other files and works in the background. These files are called libraries. Some of them are built into CircuitPython. Others are stored on your CIRCUITPY drive in a folder called lib.
import board
import digitalio
import time
The import statements tells the board that you're going to use a particular library in your code. In this example, we imported three libraries: board, digitalio, and time. All three of these libraries are built into CircuitPython, so no separate files are needed. That's one of the things that makes this an excellent first example. You don't need any thing extra to make it work! board gives you access to the hardware on your board, digitalio lets you access that hardware as inputs/outputs and time let's you pass time by 'sleeping'
Setting Up The LED
The next two lines setup the code to use the LED.
led = digitalio.DigitalInOut(board.D13)
led.direction = digitalio.Direction.OUTPUT
Your board knows the red LED as D13. So, we initialise that pin, and we set it to output. We set led to equal the rest of that information so we don't have to type it all out again later in our code.
Loop-de-loops
The third section starts with a while statement. while True: essentially means, "forever do the following:". while True: creates a loop. Code will loop "while" the condition is "true" (vs. false), and as True is never False, the code will loop forever. All code that is indented under while True: is "inside" the loop.
Inside our loop, we have four items:
while True:
led.value = True
time.sleep(0.5)
led.value = False
time.sleep(0.5)
First, we have led.value = True. This line tells the LED to turn on. On the next line, we have time.sleep(0.5). This line is telling CircuitPython to pause running code for 0.5 seconds. Since this is between turning the led on and off, the led will be on for 0.5 seconds.
The next two lines are similar. led.value = False tells the LED to turn off, and time.sleep(0.5) tells CircuitPython to pause for another 0.5 seconds. This occurs between turning the led off and back on so the LED will be off for 0.5 seconds too.
Then the loop will begin again, and continue to do so as long as the code is running!
So, when you changed the first 0.5 to 0.1, you decreased the amount of time that the code leaves the LED on. So it blinks on really quickly before turning off!
Great job! You've edited code in a CircuitPython program!
If you don't have the loop, the code will run to the end and exit. This can lead to some unexpected behavior in simple programs like this since the "exit" also resets the state of the hardware. This is a different behavior than running commands via REPL. So if you are writing a simple program that doesn't seem to work, you may need to add a loop to the end so the program doesn't exit.
The simplest loop would be:
- while True:
- pass
And remember - you can press <CTRL><C> to exit the loop.
See also the Behavior section in the docs.
More Changes
We don't have to stop there! Let's keep going. Change the second 0.5 to 0.1 so it looks like this:
while True:
led.value = True
time.sleep(0.1)
led.value = False
time.sleep(0.1)
Now it blinks really fast! You decreased the both time that the code leaves the LED on and off!
Now try increasing both of the 0.1 to 1. Your LED will blink much more slowly because you've increased the amount of time that the LED is turned on and off.
Well done! You're doing great! You're ready to start into new examples and edit them to see what happens! These were simple changes, but major changes are done using the same process. Make your desired change, save it, and get the results. That's really all there is to it!
Naming Your Program File
CircuitPython looks for a code file on the board to run. There are four options: code.txt, code.py, main.txt and main.py. CircuitPython looks for those files, in that order, and then runs the first one it finds. While we suggest using code.py as your code file, it is important to know that the other options exist. If your program doesn't seem to be updating as you work, make sure you haven't created another code file that's being read instead of the one you're working on.
Connecting to the Serial Console
One of the staples of CircuitPython (and programming in general!) is something called a "print statement". This is a line you include in your code that causes your code to output text. A print statement in CircuitPython looks like this:
print("Hello, world!")
This line would result in:
Hello, world!
However, these print statements need somewhere to display. That's where the serial console comes in!
The serial console receives output from your CircuitPython board sent over USB and displays it so you can see it. This is necessary when you've included a print statement in your code and you'd like to see what you printed. It is also helpful for troubleshooting errors, because your board will send errors and the serial console will print those too.
The serial console requires a terminal program. A terminal is a program that gives you a text-based interface to perform various tasks.
If you're on Linux, and are seeing multi-second delays connecting to the serial console, or are seeing "AT" and other gibberish when you connect, then the modemmanager service might be interfering. Just remove it; it doesn't have much use unless you're still using dial-up modems. To remove, type this command at a shell:
sudo apt purge modemmanager
Are you using Mu?
If so, good news! The serial console is built into Mu and will autodetect your board making using the REPL really really easy.
Please note that Mu does yet not work with nRF52 or ESP8266-based CircuitPython boards, skip down to the next section for details on using a terminal program.
First, make sure your CircuitPython board is plugged in. If you are using Windows 7, make sure you installed the drivers.
Once in Mu, look for the Serial button in the menu and click it.
Setting Permissions on Linux
On Linux, if you see an error box something like the one below when you press the Serial button, you need to add yourself to a user group to have permission to connect to the serial console.
On Ubuntu and Debian, add yourself to the dialout group by doing:
sudo adduser $USER dialout
After running the command above, reboot your machine to gain access to the group. On other Linux distributions, the group you need may be different. See Advanced Serial Console on Mac and Linux for details on how to add yourself to the right group.
Using Something Else?
If you're not using Mu to edit, are using ESP8266 or nRF52 CircuitPython, or if for some reason you are not a fan of the built in serial console, you can run the serial console as a separate program.
Windows requires you to download a terminal program, check out this page for more details
Interacting with the Serial Console
Once you've successfully connected to the serial console, it's time to start using it.
The code you wrote earlier has no output to the serial console. So, we're going to edit it to create some output.
Open your code.py file into your editor, and include a print statement. You can print anything you like! Just include your phrase between the quotation marks inside the parentheses. For example:
import board
import digitalio
import time
led = digitalio.DigitalInOut(board.D13)
led.direction = digitalio.Direction.OUTPUT
while True:
print("Hello, CircuitPython!")
led.value = True
time.sleep(1)
led.value = False
time.sleep(1)
Save your file.
Now, let's go take a look at the window with our connection to the serial console.
Excellent! Our print statement is showing up in our console! Try changing the printed text to something else.
Keep your serial console window where you can see it. Save your file. You'll see what the serial console displays when the board reboots. Then you'll see your new change!
The Traceback (most recent call last): is telling you the last thing your board was doing before you saved your file. This is normal behavior and will happen every time the board resets. This is really handy for troubleshooting. Let's introduce an error so we can see how it is used.
Delete the e at the end of True from the line led.value = True so that it says led.value = Tru
Save your file. You will notice that your red LED will stop blinking, and you may have a colored status LED blinking at you. This is because the code is no longer correct and can no longer run properly. We need to fix it!
Usually when you run into errors, it's not because you introduced them on purpose. You may have 200 lines of code, and have no idea where your error could be hiding. This is where the serial console can help. Let's take a look!
The Traceback (most recent call last): is telling you that the last thing it was able to run was line 10 in your code. The next line is your error: NameError: name 'Tru' is not defined. This error might not mean a lot to you, but combined with knowing the issue is on line 10, it gives you a great place to start!
Go back to your code, and take a look at line 10. Obviously, you know what the problem is already. But if you didn't, you'd want to look at line 10 and see if you could figure it out. If you're still unsure, try googling the error to get some help. In this case, you know what to look for. You spelled True wrong. Fix the typo and save your file.
Nice job fixing the error! Your serial console is streaming and your red LED Is blinking again.
The serial console will display any output generated by your code. Some sensors, such as a humidity sensor or a thermistor, receive data and you can use print statements to display that information. You can also use print statements for troubleshooting. If your code isn't working, and you want to know where it's failing, you can put print statements in various places to see where it stops printing.
The serial console has many uses, and is an amazing tool overall for learning and programming!
The REPL
The other feature of the serial connection is the Read-Evaluate-Print-Loop, or REPL. The REPL allows you to enter individual lines of code and have them run immediately. It's really handy if you're running into trouble with a particular program and can't figure out why. It's interactive so it's great for testing new ideas.
To use the REPL, you first need to be connected to the serial console. Once that connection has been established, you'll want to press Ctrl + C.
If there is code running, it will stop and you'll see Press any key to enter the REPL. Use CTRL-D to reload. Follow those instructions, and press any key on your keyboard.
The Traceback (most recent call last): is telling you the last thing your board was doing before you pressed Ctrl + C and interrupted it. The KeyboardInterrupt is you pressing Ctrl + C. This information can be handy when troubleshooting, but for now, don't worry about it. Just note that it is expected behavior.
If there is no code running, you will enter the REPL immediately after pressing Ctrl + C. There is no information about what your board was doing before you interrupted it because there is no code running.
Either way, once you press a key you'll see a >>> prompt welcoming you to the REPL!
If you have trouble getting to the >>> prompt, try pressing Ctrl + C a few more times.
The first thing you get from the REPL is information about your board.
This line tells you the version of CircuitPython you're using and when it was released. Next, it gives you the type of board you're using and the type of microcontroller the board uses. Each part of this may be different for your board depending on the versions you're working with.
This is followed by the CircuitPython prompt.
From this prompt you can run all sorts of commands and code. The first thing we'll do is run help(). This will tell us where to start exploring the REPL. To run code in the REPL, type it in next to the REPL prompt.
Type help() next to the prompt in the REPL.
Then press enter. You should then see a message.
First part of the message is another reference to the version of CircuitPython you're using. Second, a URL for the CircuitPython related project guides. Then... wait. What's this? To list built-in modules, please do `help("modules")`. Remember the libraries you learned about while going through creating code? That's exactly what this is talking about! This is a perfect place to start. Let's take a look!
Type help("modules") into the REPL next to the prompt, and press enter.
This is a list of all the core libraries built into CircuitPython. We discussed how board contains all of the pins on the board that you can use in your code. From the REPL, you are able to see that list!
Type import board into the REPL and press enter. It'll go to a new prompt. It might look like nothing happened, but that's not the case! If you recall, the import statement simply tells the code to expect to do something with that module. In this case, it's telling the REPL that you plan to do something with that module.
Next, type dir(board) into the REPL and press enter.
This is a list of all of the pins on your board that are available for you to use in your code. Each board's list will differ slightly depending on the number of pins available. Do you see D13? That's the pin you used to blink the red LED!
The REPL can also be used to run code. Be aware that any code you enter into the REPL isn't saved anywhere. If you're testing something new that you'd like to keep, make sure you have it saved somewhere on your computer as well!
Every programmer in every programming language starts with a piece of code that says, "Hello, World." We're going to say hello to something else. Type into the REPL:
print("Hello, CircuitPython!")
Then press enter.
That's all there is to running code in the REPL! Nice job!
You can write single lines of code that run stand-alone. You can also write entire programs into the REPL to test them. As we said though, remember that nothing typed into the REPL is saved.
There's a lot the REPL can do for you. It's great for testing new ideas if you want to see if a few new lines of code will work. It's fantastic for troubleshooting code by entering it one line at a time and finding out where it fails. It lets you see what libraries are available and explore those libraries.
Try typing more into the REPL to see what happens!
Returning to the serial console
When you're ready to leave the REPL and return to the serial console, simply press Ctrl + D. This will reload your board and reenter the serial console. You will restart the program you had running before entering the REPL. In the console window, you'll see any output from the program you had running. And if your program was affecting anything visual on the board, you'll see that start up again as well.
You can return to the REPL at any time!
CircuitPython Libraries
As we continue to develop CircuitPython and create new releases, we will stop supporting older releases. If you are running CircuitPython 2.x or 3.x, you need to update to 4.x. You must download the CircuitPython Library Bundle that matches your version of CircuitPython. Please update to CircuitPython 4.x and then download the 4.x bundle.
Each CircuitPython program you run needs to have a lot of information to work. The reason CircuitPython is so simple to use is that most of that information is stored in other files and works in the background. These files are called libraries. Some of them are built into CircuitPython. Others are stored on your CIRCUITPY drive in a folder called lib. Part of what makes CircuitPython so awesome is its ability to store code separately from the firmware itself. Storing code separately from the firmware makes it easier to update both the code you write and the libraries you depend.
Your board may ship with a lib folder already, it's in the base directory of the drive. If not, simply create the folder yourself.
CircuitPython libraries work in the same was as regular Python modules so the Python docs are a great reference for how it all should work. In Python terms, we can place our library files in the lib directory because its part of the Python path by default.
One downside of this approach of separate libraries is that they are not built in. To use them, one needs to copy them to the CIRCUITPY drive before they can be used. Fortunately, we provide a bundle full of our libraries.
Our bundle and releases also feature optimized versions of the libraries with the .mpy file extension. These files take less space on the drive and have a smaller memory footprint as they are loaded.
Installing the CircuitPython Library Bundle
We're constantly updating and improving our libraries, so we don't (at this time) ship our CircuitPython boards with the full library bundle. Instead, you can find example code in the guides for your board that depends on external libraries. Some of these libraries may be available from us at Adafruit, some may be written by community members!
Either way, as you start to explore CircuitPython, you'll want to know how to get libraries on board.
You can grab the latest Adafruit CircuitPython Bundle release by clicking the button below.
Note: Match up the bundle version with the version of CircuitPython you are running - 3.x library for running any version of CircuitPython 3, 4.x for running any version of CircuitPython 4, etc. If you mix libraries with major CircuitPython versions, you will most likely get errors due to changes in library interfaces possible during major version changes.
Click for the Latest Adafruit CircuitPython Library Bundle Release
If you need another version, you can also visit the bundle release page which will let you select exactly what version you're looking for, as well as information about changes.
Either way, download the version that matches your CircuitPython firmware version. If you don't know the version, look at the initial prompt in the CircuitPython REPL, which reports the version. For example, if you're running v4.0.1, download the 4.x library bundle. There's also a py bundle which contains the uncompressed python files, you probably don't want that unless you are doing advanced work on libraries.
After downloading the zip, extract its contents. This is usually done by double clicking on the zip. On Mac OSX, it places the file in the same directory as the zip.
Open the bundle folder. Inside you'll find two information files, and two folders. One folder is the lib bundle, and the other folder is the examples bundle.
Now open the lib folder. When you open the folder, you'll see a large number of mpy files and folders
Example Files
All example files from each library are now included in the bundles, as well as an examples-only bundle. These are included for two main reasons:
- Allow for quick testing of devices.
- Provide an example base of code, that is easily built upon for individualized purposes.
Copying Libraries to Your Board
First you'll want to create a lib folder on your CIRCUITPY drive. Open the drive, right click, choose the option to create a new folder, and call it lib. Then, open the lib folder you extracted from the downloaded zip. Inside you'll find a number of folders and .mpy files. Find the library you'd like to use, and copy it to the lib folder on CIRCUITPY.
This also applies to example files. They are only supplied as raw .py files, so they may need to be converted to .mpy using the mpy-cross utility if you encounter MemoryErrors. This is discussed in the CircuitPython Essentials Guide. Usage is the same as described above in the Express Boards section. Note: If you do not place examples in a separate folder, you would remove the examples from the import statement.
Example: ImportError Due to Missing Library
If you choose to load libraries as you need them, you may write up code that tries to use a library you haven't yet loaded. We're going to demonstrate what happens when you try to utilise a library that you don't have loaded on your board, and cover the steps required to resolve the issue.
This demonstration will only return an error if you do not have the required library loaded into the lib folder on your CIRCUITPY drive.
Let's use a modified version of the blinky example.
import board
import time
import simpleio
led = simpleio.DigitalOut(board.D13)
while True:
led.value = True
time.sleep(0.5)
led.value = False
time.sleep(0.5)
Save this file. Nothing happens to your board. Let's check the serial console to see what's going on.
We have an ImportError. It says there is no module named 'simpleio'. That's the one we just included in our code!
Click the link above to download the correct bundle. Extract the lib folder from the downloaded bundle file. Scroll down to find simpleio.mpy. This is the library file we're looking for! Follow the steps above to load an individual library file.
The LED starts blinking again! Let's check the serial console.
No errors! Excellent. You've successfully resolved an ImportError!
If you run into this error in the future, follow along with the steps above and choose the library that matches the one you're missing.
Library Install on Non-Express Boards
If you have a Trinket M0 or Gemma M0, you'll want to follow the same steps in the example above to install libraries as you need them. You don't always need to wait for an ImportError as you probably know what library you added to your code. Simply open the lib folder you downloaded, find the library you need, and drag it to the lib folder on your CIRCUITPY drive.
You may end up running out of space on your Trinket M0 or Gemma M0 even if you only load libraries as you need them. There are a number of steps you can use to try to resolve this issue. You'll find them in the Troubleshooting page in the Learn guides for your board.
Updating CircuitPython Libraries/Examples
Libraries and examples are updated from time to time, and it's important to update the files you have on your CIRCUITPY drive.
To update a single library or example, follow the same steps above. When you drag the library file to your lib folder, it will ask if you want to replace it. Say yes. That's it!
A new library bundle is released every time there's an update to a library. Updates include things like bug fixes and new features. It's important to check in every so often to see if the libraries you're using have been updated.
Frequently Asked Questions
These are some of the common questions regarding CircuitPython and CircuitPython microcontrollers.
We are dropping ESP8266 support as of 4.x - For more information please read about it here!
https://learn.adafruit.com/welcome-to-circuitpython/circuitpython-for-esp8266
If you'd like to add WiFi support, check out our guide on ESP32/ESP8266 as a co-processor.
We do not have asyncio support in CircuitPython at this time
The status LED can tell you what's going on with your CircuitPython board. Read more here for what the colors mean!
What is a MemoryError?
Memory allocation errors happen when you're trying to store too much on the board. The CircuitPython microcontroller boards have a limited amount of memory available. You can have about 250 lines of code on the M0 Express boards. If you try to import too many libraries, a combination of large libraries, or run a program with too many lines of code, your code will fail to run and you will receive a MemoryError in the serial console (REPL).
What do I do when I encounter a MemoryError?
Try resetting your board. Each time you reset the board, it reallocates the memory. While this is unlikely to resolve your issue, it's a simple step and is worth trying.
Make sure you are using .mpy versions of libraries. All of the CircuitPython libraries are available in the bundle in a .mpy format which takes up less memory than .py format. Be sure that you're using the latest library bundle for your version of CircuitPython.
If that does not resolve your issue, try shortening your code. Shorten comments, remove extraneous or unneeded code, or any other clean up you can do to shorten your code. If you're using a lot of functions, you could try moving those into a separate library, creating a .mpy of that library, and importing it into your code.
You can turn your entire file into a .mpy and import that into code.py. This means you will be unable to edit your code live on the board, but it can save you space.
Can the order of my import statements affect memory?
It can because the memory gets fragmented differently depending on allocation order and the size of objects. Loading .mpy files uses less memory so its recommended to do that for files you aren't editing.
How can I create my own .mpy files?
You can make your own .mpy versions of files with mpy-cross.
You can download the CircuitPython 2.x version of mpy-cross for your operating system from the CircuitPython Releases page under the latest 2.x version.
You can build mpy-cross for CircuitPython 3.x by cloning the CircuitPython GitHub repo, and running make in the circuitpython/mpy-cross/ directory. Then run ./mpy-cross path/to/foo.py to create a foo.mpy in the same directory as the original file.
How do I check how much memory I have free?
- import gc
- gc.mem_free()
Will give you the number of bytes available for use.
Does CircuitPython support interrupts?
No. CircuitPython does not currently support interrupts. We do not have an estimated time for when they will be included.
Does Feather M0 support WINC1500?
No, WINC1500 will not fit into the M0 flash space.
Can AVRs such as ATmega328 or ATmega2560 run CircuitPython?
No.
Commonly Used Acronyms
- CP or CPy = CircuitPython
- CPC = Circuit Playground Classic
- CPX = Circuit Playground Express
Troubleshooting
From time to time, you will run into issues when working with CircuitPython. Here are a few things you may encounter and how to resolve them.
As we continue to develop CircuitPython and create new releases, we will stop supporting older releases. If you are running CircuitPython 2.x, you need to update to 3.x. You must download the CircuitPython Library Bundle that matches your version of CircuitPython. Please update to CircuitPython 3.x and then download the 3.x bundle.
Always Run the Latest Version of CircuitPython and Libraries
As we continue to develop CircuitPython and create new releases, we will stop supporting older releases. If you are running CircuitPython 2.x, you need to update to 3.x.
You need to download the CircuitPython Library Bundle that matches your version of CircuitPython. Please update to CircuitPython 3.x and then download the 3.x bundle.
We will soon stop providing the 2.x bundle as an automatically created download on the Adafruit CircuitPython Bundle repo. If you must continue to use 2.x, you can still download the 2.x version of mpy-cross from the 2.x release of CircuitPython on the CircuitPython repo and create your own 2.x compatible .mpy library files. However, it is best to update to 3.x for both CircuitPython and the library bundle.
CPLAYBOOT, TRINKETBOOT, FEATHERBOOT, or GEMMABOOT Drive Not Present
You may have a different board.
Only Adafruit Express boards and the Trinket M0 and Gemma M0 boards ship with the UF2 bootloader installed. Feather M0 Basic, Feather M0 Adalogger, and similar boards use a regular Arduino-compatible bootloader, which does not show a boardnameBOOT drive.
MakeCode
If you are running a MakeCode program on Circuit Playground Express, press the reset button just once to get the CPLAYBOOT drive to show up. Pressing it twice will not work.
Windows 10
Did you install the Adafruit Windows Drivers package by mistake? You don't need to install this package on Windows 10 for most Adafruit boards. The old version (v1.5) can interfere with recognizing your device. Go to Settings -> Apps and uninstall all the "Adafruit" driver programs.
Windows 7
The latest version of the Adafruit Windows Drivers (version 2.0.0.0 or later) will fix the missing boardnameBOOT drive problem on Windows 7. To resolve this, first uninstall the old versions of the drivers:
- Unplug any boards. In Uninstall or Change a Program (Control Panel->Programs->Uninstall a program), uninstall everything named "Windows Driver Package - Adafruit Industries LLC ...".
- Now install the new 2.3.0.0 (or higher) Adafruit Windows Drivers Package:
Install Latest Windows Drivers
- When running the installer, you'll be shown a list of drivers to choose from. You can check and uncheck the boxes to choose which drivers to install.
You should now be done! Test by unplugging and replugging the board. You should see the CIRCUITPY drive, and when you double-click the reset button (single click on Circuit Playground Express running MakeCode), you should see the appropriate boardnameBOOT drive.
Let us know in the Adafruit support forums or on the Adafruit Discord if this does not work for you!
Windows Explorer Locks Up When Accessing boardnameBOOT Drive
On Windows, several third-party programs we know of can cause issues. The symptom is that you try to access the boardnameBOOT drive, and Windows or Windows Explorer seems to lock up. These programs are known to cause trouble:
- AIDA64: to fix, stop the program. This problem has been reported to AIDA64. They acquired hardware to test, and released a beta version that fixes the problem. This may have been incorporated into the latest release. Please let us know in the forums if you test this.
- Hard Disk Sentinel
- Kaspersky anti-virus: To fix, you may need to disable Kaspersky completely. Disabling some aspects of Kaspersky does not always solve the problem. This problem has been reported to Kaspersky.
CIRCUITPY Drive Does Not Appear
Kaspersky anti-virus can block the appearance of the CIRCUITPY drive. We haven't yet figured out a settings change that prevents this. Complete uninstallation of Kaspersky fixes the problem.
Norton anti-virus can interfere with CIRCUITPY. A user has reported this problem on Windows 7. The user turned off both Smart Firewall and Auto Protect, and CIRCUITPY then appeared.
Serial Console in Mu Not Displaying Anything
There are times when the serial console will accurately not display anything, such as, when no code is currently running, or when code with no serial output is already running before you open the console. However, if you find yourself in a situation where you feel it should be displaying something like an error, consider the following.
Depending on the size of your screen or Mu window, when you open the serial console, the serial console panel may be very small. This can be a problem. A basic CircuitPython error takes 10 lines to display!
Auto-reload is on. Simply save files over USB to run them or enter REPL to disable.
code.py output:
Traceback (most recent call last):
File "code.py", line 7
SyntaxError: invalid syntax
Press any key to enter the REPL. Use CTRL-D to reload.
More complex errors take even more lines!
Therefore, if your serial console panel is five lines tall or less, you may only see blank lines or blank lines followed by Press any key to enter the REPL. Use CTRL-D to reload. If this is the case, you need to either mouse over the top of the panel to utilise the option to resize the serial panel, or use the scrollbar on the right side to scroll up and find your message.
This applies to any kind of serial output whether it be error messages or print statements. So before you start trying to debug your problem on the hardware side, be sure to check that you haven't simply missed the serial messages due to serial output panel height.
CircuitPython RGB Status Light
The Feather M0 Express, Feather M4 Express, Metro M0 Express, Metro M4 Express, ItsyBitsy M0 Express, ItsyBitsy M4 Express, Gemma M0, and Trinket M0 all have a single NeoPixel or DotStar RGB LED on the board that indicates the status of CircuitPython.
Circuit Playground Express does NOT have a status LED. The LEDs will pulse green when in the bootloader. They do NOT indicate any status while running CircuitPython.
Here's what the colors and blinking mean:
- steady GREEN: code.py (or code.txt, main.py, or main.txt) is running
- pulsing GREEN: code.py (etc.) has finished or does not exist
- steady YELLOW at start up: (4.0.0-alpha.5 and newer) CircuitPython is waiting for a reset to indicate that it should start in safe mode
- pulsing YELLOW: Circuit Python is in safe mode: it crashed and restarted
- steady WHITE: REPL is running
- steady BLUE: boot.py is running
Colors with multiple flashes following indicate a Python exception and then indicate the line number of the error. The color of the first flash indicates the type of error:
- GREEN: IndentationError
- CYAN: SyntaxError
- WHITE: NameError
- ORANGE: OSError
- PURPLE: ValueError
- YELLOW: other error
These are followed by flashes indicating the line number, including place value. WHITE flashes are thousands' place, BLUE are hundreds' place, YELLOW are tens' place, and CYAN are one's place. So for example, an error on line 32 would flash YELLOW three times and then CYAN two times. Zeroes are indicated by an extra-long dark gap.
ValueError: Incompatible .mpy file.
This error occurs when importing a module that is stored as a mpy binary file that was generated by a different version of CircuitPython than the one its being loaded into. In particular, the mpy binary format changed between CircuitPython versions 2.x and 3.x, as well as between 1.x and 2.x.
So, for instance, if you upgraded to CircuitPython 3.x from 2.x you’ll need to download a newer version of the library that triggered the error on import. They are all available in the Adafruit bundle.
Make sure to download a version with 2.0.0 or higher in the filename if you're using CircuitPython version 2.2.4, and the version with 3.0.0 or higher in the filename if you're using CircuitPython version 3.0.
CIRCUITPY Drive Issues
You may find that you can no longer save files to your CIRCUITPY drive. You may find that your CIRCUITPY stops showing up in your file explorer, or shows up as NO_NAME. These are indicators that your filesystem has issues.
First check - have you used Arduino to program your board? If so, CircuitPython is no longer able to provide the USB services. Reset the board so you get a boardnameBOOT drive rather than a CIRCUITPY drive, copy the latest version of CircuitPython (.uf2) back to the board, then Reset. This may restore CIRCUITPY functionality.
If still broken - When the CIRCUITPY disk is not safely ejected before being reset by the button or being disconnected from USB, it may corrupt the flash drive. It can happen on Windows, Mac or Linux.
In this situation, the board must be completely erased and CircuitPython must be reloaded onto the board.
You WILL lose everything on the board when you complete the following steps. If possible, make a copy of your code before continuing.
Easiest Way: Use storage.erase_filesystem()
Starting with version 2.3.0, CircuitPython includes a built-in function to erase and reformat the filesystem. If you have an older version of CircuitPython on your board, you can update to the newest version to do this.
- Connect to the CircuitPython REPL using Mu or a terminal program.
- Type:
>>> import storage
>>> storage.erase_filesystem()
CIRCUITPY will be erased and reformatted, and your board will restart. That's it!
Old Way: For the Circuit Playground Express, Feather M0 Express, and Metro M0 Express:
If you can't get to the REPL, or you're running a version of CircuitPython before 2.3.0, and you don't want to upgrade, you can do this.
- Download the correct erase file:
- Double-click the reset button on the board to bring up the boardnameBOOT drive.
- Drag the erase .uf2 file to the boardnameBOOT drive.
- The onboard NeoPixel will turn yellow or blue, indicating the erase has started.
- After approximately 15 seconds, the mainboard NeoPixel will light up green. On the NeoTrellis M4 this is the first NeoPixel on the grid
- Double-click the reset button on the board to bring up the boardnameBOOT drive.
- Drag the appropriate latest release of CircuitPython .uf2 file to the boardnameBOOT drive.
It should reboot automatically and you should see CIRCUITPY in your file explorer again.
If the LED flashes red during step 5, it means the erase has failed. Repeat the steps starting with 2.
If you haven't already downloaded the latest release of CircuitPython for your board, check out the installation page. You'll also need to install your libraries and code!
Old Way: For Non-Express Boards with a UF2 bootloader (Gemma M0, Trinket M0):
If you can't get to the REPL, or you're running a version of CircuitPython before 2.3.0, and you don't want to upgrade, you can do this.
- Download the erase file:
- Double-click the reset button on the board to bring up the boardnameBOOT drive.
- Drag the erase .uf2 file to the boardnameBOOT drive.
- The boot LED will start flashing again, and the boardnameBOOT drive will reappear.
- Drag the appropriate latest release CircuitPython .uf2 file to the boardnameBOOT drive.
It should reboot automatically and you should see CIRCUITPY in your file explorer again.
If you haven't already downloaded the latest release of CircuitPython for your board, check out the installation page You'll also need to install your libraries and code!
Old Way: For non-Express Boards without a UF2 bootloader (Feather M0 Basic Proto, Feather Adalogger, Arduino Zero):
If you are running a version of CircuitPython before 2.3.0, and you don't want to upgrade, or you can't get to the REPL, you can do this.
Just follow these directions to reload CircuitPython using bossac, which will erase and re-create CIRCUITPY.
Running Out of File Space on Non-Express Boards
The file system on the board is very tiny. (Smaller than an ancient floppy disk.) So, its likely you'll run out of space but don't panic! There are a couple ways to free up space.
The board ships with the Windows 7 serial driver too! Feel free to delete that if you don't need it or have already installed it. Its ~12KiB or so.
Delete something!
The simplest way of freeing up space is to delete files from the drive. Perhaps there are libraries in the lib folder that you aren't using anymore or test code that isn't in use.
Use tabs
One unique feature of Python is that the indentation of code matters. Usually the recommendation is to indent code with four spaces for every indent. In general, we recommend that too. However, one trick to storing more human-readable code is to use a single tab character for indentation. This approach uses 1/4 of the space for indentation and can be significant when we're counting bytes.
Mac OSX loves to add extra files.
Luckily you can disable some of the extra hidden files that Mac OSX adds by running a few commands to disable search indexing and create zero byte placeholders. Follow the steps below to maximize the amount of space available on OSX:
Prevent & Remove Mac OSX Hidden Files
First find the volume name for your board. With the board plugged in run this command in a terminal to list all the volumes:
ls -l /Volumes
Look for a volume with a name like CIRCUITPY (the default for CircuitPython). The full path to the volume is the /Volumes/CIRCUITPY path.
Now follow the steps from this question to run these terminal commands that stop hidden files from being created on the board:
mdutil -i off /Volumes/CIRCUITPY
cd /Volumes/CIRCUITPY
rm -rf .{,_.}{fseventsd,Spotlight-V*,Trashes}
mkdir .fseventsd
touch .fseventsd/no_log .metadata_never_index .Trashes
cd -
Replace /Volumes/CIRCUITPY in the commands above with the full path to your board's volume if it's different. At this point all the hidden files should be cleared from the board and some hidden files will be prevented from being created.
However there are still some cases where hidden files will be created by Mac OSX. In particular if you copy a file that was downloaded from the internet it will have special metadata that Mac OSX stores as a hidden file. Luckily you can run a copy command from the terminal to copy files without this hidden metadata file. See the steps below.
Copy Files on Mac OSX Without Creating Hidden Files
Once you've disabled and removed hidden files with the above commands on Mac OSX you need to be careful to copy files to the board with a special command that prevents future hidden files from being created. Unfortunately you cannot use drag and drop copy in Finder because it will still create these hidden extended attribute files in some cases (for files downloaded from the internet, like Adafruit's modules).
To copy a file or folder use the -X option for the cp command in a terminal. For example to copy a foo.mpy file to the board use a command like:
cp -X foo.mpy /Volumes/CIRCUITPY
Or to copy a folder and all of its child files/folders use a command like:
cp -rX folder_to_copy /Volumes/CIRCUITPY
Other Mac OSX Space-Saving Tips
If you'd like to see the amount of space used on the drive and manually delete hidden files here's how to do so. First list the amount of space used on the CIRCUITPY drive with the df command:
Lets remove the ._ files first.
Whoa! We have 13Ki more than before! This space can now be used for libraries and code!
Uninstalling CircuitPython
A lot of our boards can be used with multiple programming languages. For example, the Circuit Playground Express can be used with MakeCode, Code.org CS Discoveries, CircuitPython and Arduino.
Maybe you tried CircuitPython and want to go back to MakeCode or Arduino? Not a problem
You can always remove/re-install CircuitPython whenever you want! Heck, you can change your mind every day!
Backup Your Code
Before uninstalling CircuitPython, don't forget to make a backup of the code you have on the little disk drive. That means your main.py or code.py any other files, the lib folder etc. You may lose these files when you remove CircuitPython, so backups are key! Just drag the files to a folder on your laptop or desktop computer like you would with any USB drive.
Moving to MakeCode
If you want to go back to using MakeCode, its really easy. Visit makecode.adafruit.com and find the program you want to upload. Click Download to download the .uf2 file that is generated by MakeCode.
Now double-click your CircuitPython board until you see the onboard LED(s) turn green and the ...BOOT directory shows up.
Then find the downloaded MakeCode .uf2 file and drag it to the ...BOOT drive.
Your MakeCode is now running and CircuitPython has been removed. Going forward you only have to single click the reset button
Moving to Arduino
If you want to change your firmware to Arduino, it's also pretty easy.
Start by plugging in your board, and double-clicking reset until you get the green onboard LED(s) - just like with MakeCode
Within Arduino IDE, select the matching board, say Circuit Playground Express
Select the correct matching Port:
Create a new simple Blink sketch example:
// the setup function runs once when you press reset or power the board
void setup() {
// initialize digital pin 13 as an output.
pinMode(13, OUTPUT);
}
// the loop function runs over and over again forever
void loop() {
digitalWrite(13, HIGH); // turn the LED on (HIGH is the voltage level)
delay(1000); // wait for a second
digitalWrite(13, LOW); // turn the LED off by making the voltage LOW
delay(1000); // wait for a second
}
Make sure the LED(s) are still green, then click Upload to upload Blink. Once it has uploaded successfully, the serial Port will change so re-select the new Port!
Once Blink is uploaded you should no longer need to double-click to enter bootloader mode, Arduino will automatically reset when you upload
Welcome to the Community!
CircuitPython is a programming language that's super simple to get started with and great for learning. It runs on microcontrollers and works out of the box. You can plug it in and get started with any text editor. The best part? CircuitPython comes with an amazing, supportive community.
Everyone is welcome! CircuitPython is Open Source. This means it's available for anyone to use, edit, copy and improve upon. This also means CircuitPython becomes better because of you being a part of it. It doesn't matter whether this is your first microcontroller board or you're a computer engineer, you have something important to offer the Adafruit CircuitPython community. We're going to highlight some of the many ways you can be a part of it!
Adafruit Discord
The Adafruit Discord server is the best place to start. Discord is where the community comes together to volunteer and provide live support of all kinds. From general discussion to detailed problem solving, and everything in between, Discord is a digital maker space with makers from around the world.
There are many different channels so you can choose the one best suited to your needs. Each channel is shown on Discord as "#channelname". There's the #projecthelp channel for assistance with your current project or help coming up with ideas for your next one. There's the #showandtell channel for showing off your newest creation. Don't be afraid to ask a question in any channel! If you're unsure, #general is a great place to start. If another channel is more likely to provide you with a better answer, someone will guide you.
The CircuitPython channel is where to go with your CircuitPython questions. #circuitpython is there for new users and developers alike so feel free to ask a question or post a comment! Everyone of any experience level is welcome to join in on the conversation. We'd love to hear what you have to say!
The easiest way to contribute to the community is to assist others on Discord. Supporting others doesn't always mean answering questions. Join in celebrating successes! Celebrate your mistakes! Sometimes just hearing that someone else has gone through a similar struggle can be enough to keep a maker moving forward.
The Adafruit Discord is the 24x7x365 hackerspace that you can bring your granddaughter to.
Visit https://adafru.it/discord to sign up for Discord. We're looking forward to meeting you!
Adafruit Forums
The Adafruit Forums are the perfect place for support. Adafruit has wonderful paid support folks to answer any questions you may have. Whether your hardware is giving you issues or your code doesn't seem to be working, the forums are always there for you to ask. You need an Adafruit account to post to the forums. You can use the same account you use to order from Adafruit.
While Discord may provide you with quicker responses than the forums, the forums are a more reliable source of information. If you want to be certain you're getting an Adafruit-supported answer, the forums are the best place to be.
There are forum categories that cover all kinds of topics, including everything Adafruit. The Adafruit CircuitPython and MicroPython category under "Supported Products & Projects" is the best place to post your CircuitPython questions.
Be sure to include the steps you took to get to where you are. If it involves wiring, post a picture! If your code is giving you trouble, include your code in your post! These are great ways to make sure that there's enough information to help you with your issue.
You might think you're just getting started, but you definitely know something that someone else doesn't. The great thing about the forums is that you can help others too! Everyone is welcome and encouraged to provide constructive feedback to any of the posted questions. This is an excellent way to contribute to the community and share your knowledge!
Adafruit Github
Whether you're just beginning or are life-long programmer who would like to contribute, there are ways for everyone to be a part of building CircuitPython. GitHub is the best source of ways to contribute to CircuitPython itself. If you need an account, visit https://github.com/ and sign up.
If you're new to GitHub or programming in general, there are great opportunities for you. Head over to adafruit/circuitpython on GitHub, click on "Issues", and you'll find a list that includes issues labeled "good first issue". These are things we've identified as something that someone with any level of experience can help with. These issues include options like updating documentation, providing feedback, and fixing simple bugs.
Already experienced and looking for a challenge? Checkout the rest of the issues list and you'll find plenty of ways to contribute. You'll find everything from new driver requests to core module updates. There's plenty of opportunities for everyone at any level!
When working with CircuitPython, you may find problems. If you find a bug, that's great! We love bugs! Posting a detailed issue to GitHub is an invaluable way to contribute to improving CircuitPython. Be sure to include the steps to replicate the issue as well as any other information you think is relevant. The more detail, the better!
Testing new software is easy and incredibly helpful. Simply load the newest version of CircuitPython or a library onto your CircuitPython hardware, and use it. Let us know about any problems you find by posting a new issue to GitHub. Software testing on both current and beta releases is a very important part of contributing CircuitPython. We can't possibly find all the problems ourselves! We need your help to make CircuitPython even better.
On GitHub, you can submit feature requests, provide feedback, report problems and much more. If you have questions, remember that Discord and the Forums are both there for help!
ReadTheDocs
ReadTheDocs is a an excellent resource for a more in depth look at CircuitPython. This is where you'll find things like API documentation and details about core modules. There is also a Design Guide that includes contribution guidelines for CircuitPython.
RTD gives you access to a low level look at CircuitPython. There are details about each of the core modules. Each module lists the available libraries. Each module library page lists the available parameters and an explanation for each. In many cases, you'll find quick code examples to help you understand how the modules and parameters work, however it won't have detailed explanations like the Learn Guides. If you want help understanding what's going on behind the scenes in any CircuitPython code you're writing, ReadTheDocs is there to help!
PyPortal CircuitPython Setup
To use all the amazing features of your PyPortal with CircuitPython, you must first install a number of libraries. This page covers that process.
Adafruit CircuitPython Bundle
Download the Adafruit CircuitPython Library Bundle. You can find the latest release here:
Latest Adafruit CircuitPython Library Bundle
Download the adafruit-circuitpython-bundle-4.x-mpy-*.zip bundle zip file, and unzip a folder of the same name. Inside you'll find a lib folder. You have two options:
- You can add the lib folder to your CIRCUITPY drive. This will ensure you have all the drivers. But it will take a bunch of space on the 8 MB disk
- Add each library as you need it, this will reduce the space usage but you'll need to put in a little more effort.
At a minimum we recommend the following libraries, in fact we more than recommend. They're basically required. So grab them and install them into CIRCUITPY/lib now!
- adafruit_esp32spi - This is the library that gives you internet access via the ESP32 using (you guessed it!) SPI transport. You need this for anything Internet
- adafruit_pyportal - This is our friendly wrapper library that does a lot of our projects, displays graphics and text, fetches data from the internet. Nearly all of our projects depend on it!
- adafruit_touchscreen - a library for reading touches from the resistive touchscreen. Handles all the analog noodling, rotation and calibration for you.adafruit_io - this library helps connect the PyPortal to our free datalogging and viewing service
- adafruit_imageload - an image display helper, required for any graphics!
- adafruit_display_text - not surprisingly, it displays text on the screen
- adafruit_bitmap_font - we have fancy font support, and its easy to make new fonts. This library reads and parses font files.
- adafruit_slideshow - for making image slideshows - handy for quick display of graphics and sound
- neopixel - for controlling the onboard neopixel
- adafruit_adt7410 - library to read the temperature from the on-board Analog Devices ADT7410 precision temperature sensor
- adafruit_sdcard - support for reading/writing data from the onboard SD card slot.
- adafruit_bus_device - low level support for I2C/SPI
Internet Connect!
Once you have CircuitPython setup and libraries installed we can get your board connected to the Internet. Note that access to enterprise level secured WiFi networks is not currently supported, only WiFi networks that require SSID and password.
To get connected, you will need to start by creating a secrets file.
What's a secrets file?
We expect people to share tons of projects as they build CircuitPython WiFi widgets. What we want to avoid is people accidentally sharing their passwords or secret tokens and API keys. So, we designed all our examples to use a secrets.py file, that is in your CIRCUITPY drive, to hold secret/private/custom data. That way you can share your main project without worrying about accidentally sharing private stuff.
Your secrets.py file should look like this:
# This file is where you keep secret settings, passwords, and tokens!
# If you put them in the code you risk committing that info or sharing it
secrets = {
'ssid' : 'home ssid',
'password' : 'my password',
'timezone' : "America/New_York", # http://worldtimeapi.org/timezones
'github_token' : 'fawfj23rakjnfawiefa',
'hackaday_token' : 'h4xx0rs3kret',
}
Inside is a python dictionary named secrets with a line for each entry. Each entry has an entry name (say 'ssid') and then a colon to separate it from the entry key 'home ssid' and finally a comma ,
At a minimum you'll need the ssid and password for your local WiFi setup. As you make projects you may need more tokens and keys, just add them one line at a time. See for example other tokens such as one for accessing github or the hackaday API. Other non-secret data like your timezone can also go here, just cause its called secrets doesn't mean you can't have general customization data in there!
For the correct time zone string, look at http://worldtimeapi.org/timezones and remember that if your city is not listed, look for a city in the same time zone, for example Boston, New York, Philadelphia, Washington DC, and Miami are all on the same time as New York.
Of course, don't share your secrets.py - keep that out of GitHub, Discord or other project-sharing sites.
Connect to WiFi
OK now you have your secrets setup - you can connect to the Internet. Lets use the ESP32SPI library - you'll need to visit the CircuitPython bundle and install:
- adafruit_bus_device
- adafruit_esp32spi
- neopixel
Into your lib folder. Once that's done, load up the following example using Mu or your favorite editor:
import board
import busio
from digitalio import DigitalInOut
from adafruit_esp32spi import adafruit_esp32spi
import adafruit_esp32spi.adafruit_esp32spi_requests as requests
print("ESP32 SPI webclient test")
TEXT_URL = "http://wifitest.adafruit.com/testwifi/index.html"
JSON_URL = "http://api.coindesk.com/v1/bpi/currentprice/USD.json"
# If you are using a board with pre-defined ESP32 Pins:
esp32_cs = DigitalInOut(board.ESP_CS)
esp32_ready = DigitalInOut(board.ESP_BUSY)
esp32_reset = DigitalInOut(board.ESP_RESET)
# If you have an externally connected ESP32:
# esp32_cs = DigitalInOut(board.D9)
# esp32_ready = DigitalInOut(board.D10)
# esp32_reset = DigitalInOut(board.D5)
spi = busio.SPI(board.SCK, board.MOSI, board.MISO)
esp = adafruit_esp32spi.ESP_SPIcontrol(spi, esp32_cs, esp32_ready, esp32_reset)
requests.set_interface(esp)
if esp.status == adafruit_esp32spi.WL_IDLE_STATUS:
print("ESP32 found and in idle mode")
print("Firmware vers.", esp.firmware_version)
print("MAC addr:", [hex(i) for i in esp.MAC_address])
for ap in esp.scan_networks():
print("\t%s\t\tRSSI: %d" % (str(ap['ssid'], 'utf-8'), ap['rssi']))
print("Connecting to AP...")
while not esp.is_connected:
try:
esp.connect_AP(b'MY_SSID_NAME', b'MY_SSID_PASSWORD')
except RuntimeError as e:
print("could not connect to AP, retrying: ",e)
continue
print("Connected to", str(esp.ssid, 'utf-8'), "\tRSSI:", esp.rssi)
print("My IP address is", esp.pretty_ip(esp.ip_address))
print("IP lookup adafruit.com: %s" % esp.pretty_ip(esp.get_host_by_name("adafruit.com")))
print("Ping google.com: %d ms" % esp.ping("google.com"))
#esp._debug = True
print("Fetching text from", TEXT_URL)
r = requests.get(TEXT_URL)
print('-'*40)
print(r.text)
print('-'*40)
r.close()
print()
print("Fetching json from", JSON_URL)
r = requests.get(JSON_URL)
print('-'*40)
print(r.json())
print('-'*40)
r.close()
print("Done!")
And save it to your board, with the name code.py.
This first connection example doesn't use a secrets file - you'll hand-enter your SSID/password to verify connectivity first!
Then go down to this line.
esp.connect_AP(b'MY_SSID_NAME', b'MY_SSID_PASSWORD')
And change MY_SSID_NAME and MY_SSID_PASSWORD to your access point name and password, keeping them within the '' quotes. (This example doesn't use the secrets' file, but its also very stand-alone so if other things seem to not work you can always re-load this. You should get something like the following:
In order, the example code...
Initializes the ESP32 over SPI using the SPI port and 3 control pins:
esp32_cs = DigitalInOut(board.ESP_CS)
esp32_ready = DigitalInOut(board.ESP_BUSY)
esp32_reset = DigitalInOut(board.ESP_RESET)
spi = busio.SPI(board.SCK, board.MOSI, board.MISO)
esp = adafruit_esp32spi.ESP_SPIcontrol(spi, esp32_cs, esp32_ready, esp32_reset)
Tells our requests mimic library the name of the WiFi interface object (this is a little bit of a hack but lets us use requests like CPython does)
requests.set_interface(esp)
Verifies an ESP32 is found, checks the firmware and MAC address
if esp.status == adafruit_esp32spi.WL_IDLE_STATUS:
print("ESP32 found and in idle mode")
print("Firmware vers.", esp.firmware_version)
print("MAC addr:", [hex(i) for i in esp.MAC_address])
Performs a scan of all access points it can see and prints out the name and signal strength:
for ap in esp.scan_networks():
print("\t%s\t\tRSSI: %d" % (str(ap['ssid'], 'utf-8'), ap['rssi']))
Connects to the AP we've defined here, then prints out the local IP address, attempts to do a domain name lookup and ping google.com to check network connectivity (note sometimes the ping fails or takes a while, this isn't a big deal)
print("Connecting to AP...")
esp.connect_AP(b'MY_SSID_NAME', b'MY_SSID_PASSWORD')
print("Connected to", str(esp.ssid, 'utf-8'), "\tRSSI:", esp.rssi)
print("My IP address is", esp.pretty_ip(esp.ip_address))
print("IP lookup adafruit.com: %s" % esp.pretty_ip(esp.get_host_by_name("adafruit.com")))
print("Ping google.com: %d ms" % esp.ping("google.com"))
OK now we're getting to the really interesting part. With a SAMD51 or other large-RAM (well, over 32 KB) device, we can do a lot of neat tricks. Like for example we can implement an interface a lot like requests - which makes getting data really really easy
To read in all the text from a web URL call requests.get - you can pass in https URLs for SSL connectivity
TEXT_URL = "http://wifitest.adafruit.com/testwifi/index.html"
print("Fetching text from", TEXT_URL)
r = requests.get(TEXT_URL)
print('-'*40)
print(r.text)
print('-'*40)
r.close()
Or, if the data is in structured JSON, you can get the json pre-parsed into a Python dictionary that can be easily queried or traversed. (Again, only for nRF52840, M4 and other high-RAM boards)
JSON_URL = "http://api.coindesk.com/v1/bpi/currentprice/USD.json"
print("Fetching json from", JSON_URL)
r = requests.get(JSON_URL)
print('-'*40)
print(r.json())
print('-'*40)
r.close()
WiFi Manager
That simpletest example works but its a little finicky - you need to constantly check WiFi status and have many loops to manage connections and disconnections. For more advanced uses, we recommend using the WiFiManager object. It will wrap the connection/status/requests loop for you - reconnecting if WiFi drops, resetting the ESP32 if it gets into a bad state, etc.
Here's a more advanced example that shows the WiFi manager and also how to POST data with some extra headers:
import time
import board
import busio
from digitalio import DigitalInOut
import neopixel
from adafruit_esp32spi import adafruit_esp32spi
from adafruit_esp32spi import adafruit_esp32spi_wifimanager
print("ESP32 SPI webclient test")
# Get wifi details and more from a secrets.py file
try:
from secrets import secrets
except ImportError:
print("WiFi secrets are kept in secrets.py, please add them there!")
raise
# If you are using a board with pre-defined ESP32 Pins:
esp32_cs = DigitalInOut(board.ESP_CS)
esp32_ready = DigitalInOut(board.ESP_BUSY)
esp32_reset = DigitalInOut(board.ESP_RESET)
# If you have an externally connected ESP32:
# esp32_cs = DigitalInOut(board.D9)
# esp32_ready = DigitalInOut(board.D10)
# esp32_reset = DigitalInOut(board.D5)
spi = busio.SPI(board.SCK, board.MOSI, board.MISO)
esp = adafruit_esp32spi.ESP_SPIcontrol(spi, esp32_cs, esp32_ready, esp32_reset)
"""Use below for Most Boards"""
status_light = neopixel.NeoPixel(board.NEOPIXEL, 1, brightness=0.2) # Uncomment for Most Boards
"""Uncomment below for ItsyBitsy M4"""
# status_light = dotstar.DotStar(board.APA102_SCK, board.APA102_MOSI, 1, brightness=0.2)
# Uncomment below for an externally defined RGB LED
# import adafruit_rgbled
# from adafruit_esp32spi import PWMOut
# RED_LED = PWMOut.PWMOut(esp, 26)
# GREEN_LED = PWMOut.PWMOut(esp, 27)
# BLUE_LED = PWMOut.PWMOut(esp, 25)
# status_light = adafruit_rgbled.RGBLED(RED_LED, BLUE_LED, GREEN_LED)
wifi = adafruit_esp32spi_wifimanager.ESPSPI_WiFiManager(esp, secrets, status_light)
counter = 0
while True:
try:
print("Posting data...", end='')
data = counter
feed = 'test'
payload = {'value':data}
response = wifi.post(
"https://io.adafruit.com/api/v2/"+secrets['aio_username']+"/feeds/"+feed+"/data",
json=payload,
headers={"X-AIO-KEY":secrets['aio_key']})
print(response.json())
response.close()
counter = counter + 1
print("OK")
except (ValueError, RuntimeError) as e:
print("Failed to get data, retrying\n", e)
wifi.reset()
continue
response = None
time.sleep(15)
You'll note here we use a secrets.py file to manage our SSID info. The wifimanager is given the ESP32 object, secrets and a neopixel for status indication.
Note, you'll need to add a some additional information to your secrets file so that the code can query the Adafruit IO API:
- aio_username
- aio_key
You can go to your adafruit.io View AIO Key link to get those two values and add them to the secrets file, which will now look something like this:
# This file is where you keep secret settings, passwords, and tokens!
# If you put them in the code you risk committing that info or sharing it
secrets = {
'ssid' : '_your_ssid_',
'password' : '_your_wifi_password_',
'timezone' : "America/Los_Angeles", # http://worldtimeapi.org/timezones
'aio_username' : '_your_aio_username_',
'aio_key' : '_your_aio_key_',
}
Next, set up an Adafruit IO feed named test
- If you do not know how to set up a feed, follow this page and come back when you've set up a feed named test.
We can then have a simple loop for posting data to Adafruit IO without having to deal with connecting or initializing the hardware!
Take a look at your test feed on Adafruit.io and you'll see the value increase each time the CircuitPython board posts data to it!
Arduino IDE Setup
The first thing you will need to do is to download the latest release of the Arduino IDE. You will need to be using version 1.8 or higher for this guide
After you have downloaded and installed the latest version of Arduino IDE, you will need to start the IDE and navigate to the Preferences menu. You can access it from the File menu in Windows or Linux, or the Arduino menu on OS X.
A dialog will pop up just like the one shown below.
We will be adding a URL to the new Additional Boards Manager URLs option. The list of URLs is comma separated, and you will only have to add each URL once. New Adafruit boards and updates to existing boards will automatically be picked up by the Board Manager each time it is opened. The URLs point to index files that the Board Manager uses to build the list of available & installed boards.
To find the most up to date list of URLs you can add, you can visit the list of third party board URLs on the Arduino IDE wiki. We will only need to add one URL to the IDE in this example, but you can add multiple URLS by separating them with commas. Copy and paste the link below into the Additional Boards Manager URLs option in the Arduino IDE preferences.
https://adafruit.github.io/arduino-board-index/package_adafruit_index.json
Here's a short description of each of the Adafruit supplied packages that will be available in the Board Manager when you add the URL:
- Adafruit AVR Boards - Includes support for Flora, Gemma, Feather 32u4, Trinket, & Trinket Pro.
- Adafruit SAMD Boards - Includes support for Feather M0 and M4, Metro M0 and M4, ItsyBitsy M0 and M4, Circuit Playground Express, Gemma M0 and Trinket M0
- Arduino Leonardo & Micro MIDI-USB - This adds MIDI over USB support for the Flora, Feather 32u4, Micro and Leonardo using the arcore project.
If you have multiple boards you want to support, say ESP8266 and Adafruit, have both URLs in the text box separated by a comma (,)
Once done click OK to save the new preference settings. Next we will look at installing boards with the Board Manager.
Now continue to the next step to actually install the board support package!
Using with Arduino IDE
The Feather/Metro/Gemma/Trinket M0 and M4 use an ATSAMD21 or ATSAMD51 chip, and you can pretty easily get it working with the Arduino IDE. Most libraries (including the popular ones like NeoPixels and display) will work with the M0 and M4, especially devices & sensors that use I2C or SPI.
Now that you have added the appropriate URLs to the Arduino IDE preferences in the previous page, you can open the Boards Manager by navigating to the Tools->Board menu.
Once the Board Manager opens, click on the category drop down menu on the top left hand side of the window and select All. You will then be able to select and install the boards supplied by the URLs added to the preferences.
Remember you need SETUP the Arduino IDE to support our board packages - see the previous page on how to add adafruit's URL to the preferences
Install SAMD Support
First up, install the latest Arduino SAMD Boards (version 1.6.11 or later)
You can type Arduino SAMD in the top search bar, then when you see the entry, click Install
Install Adafruit SAMD
Next you can install the Adafruit SAMD package to add the board file definitions
Make sure you have Type All selected to the left of the Filter your search... box
You can type Adafruit SAMD in the top search bar, then when you see the entry, click Install
Even though in theory you don't need to - I recommend rebooting the IDE
Quit and reopen the Arduino IDE to ensure that all of the boards are properly installed. You should now be able to select and upload to the new boards listed in the Tools->Board menu.
Select the matching board, the current options are:
- Feather M0 (for use with any Feather M0 other than the Express)
- Feather M0 Express
- Metro M0 Express
- Circuit Playground Express
- Gemma M0
- Trinket M0
- ItsyBitsy M0
- Hallowing M0
- Crickit M0 (this is for direct programming of the Crickit, which is probably not what you want! For advanced hacking only)
- Metro M4 Express
- ItsyBitsy M4 Express
- Feather M4 Express
- Trellis M4 Express
- Grand Central M4 Express
Install Drivers (Windows 7 & 8 Only)
When you plug in the board, you'll need to possibly install a driver
Click below to download our Driver Installer
Download Latest Adafruit Drivers package
Download and run the installer
Run the installer! Since we bundle the SiLabs and FTDI drivers as well, you'll need to click through the license
Select which drivers you want to install, the defaults will set you up with just about every Adafruit board!
Click Install to do the installin'
Blink
Now you can upload your first blink sketch!
Plug in the M0 or M4 board, and wait for it to be recognized by the OS (just takes a few seconds). It will create a serial/COM port, you can now select it from the drop-down, it'll even be 'indicated' as Trinket/Gemma/Metro/Feather/ItsyBitsy/Trellis!
Now load up the Blink example
// the setup function runs once when you press reset or power the board
void setup() {
// initialize digital pin 13 as an output.
pinMode(13, OUTPUT);
}
// the loop function runs over and over again forever
void loop() {
digitalWrite(13, HIGH); // turn the LED on (HIGH is the voltage level)
delay(1000); // wait for a second
digitalWrite(13, LOW); // turn the LED off by making the voltage LOW
delay(1000); // wait for a second
}
And click upload! That's it, you will be able to see the LED blink rate change as you adapt the delay() calls.
If you're using Trellis M4 Express, you can go to the next page cause there's no pin 13 LED - so you won't see it blink. Still this is a good thing to test compile and upload!
If you are having issues, make sure you selected the matching Board in the menu that matches the hardware you have in your hand.
Successful Upload
If you have a successful upload, you'll get a bunch of red text that tells you that the device was found and it was programmed, verified & reset
After uploading, you may see a message saying "Disk Not Ejected Properly" about the ...BOOT drive. You can ignore that message: it's an artifact of how the bootloader and uploading work.
Compilation Issues
If you get an alert that looks like
Cannot run program "{runtime.tools.arm-none-eabi-gcc.path}\bin\arm-non-eabi-g++"
Make sure you have installed the Arduino SAMD boards package, you need both Arduino & Adafruit SAMD board packages
Manually bootloading
If you ever get in a 'weird' spot with the bootloader, or you have uploaded code that crashes and doesn't auto-reboot into the bootloader, click the RST button twice (like a double-click)to get back into the bootloader.
The red LED will pulse, so you know that its in bootloader mode.
Once it is in bootloader mode, you can select the newly created COM/Serial port and re-try uploading.
You may need to go back and reselect the 'normal' USB serial port next time you want to use the normal upload.
Ubuntu & Linux Issue Fix
Note if you're using Ubuntu 15.04 (or perhaps other more recent Linux distributions) there is an issue with the modem manager service which causes the Bluefruit LE micro to be difficult to program. If you run into errors like "device or resource busy", "bad file descriptor", or "port is busy" when attempting to program then you are hitting this issue.
The fix for this issue is to make sure Adafruit's custom udev rules are applied to your system. One of these rules is made to configure modem manager not to touch the Feather board and will fix the programming difficulty issue. Follow the steps for installing Adafruit's udev rules on this page.
Arduino Libraries
OK now that you have Arduino IDE set up, drivers installed if necessary and you've practiced uploading code, you can start installing all the Libraries we'll be using to program it.
There's a lot of libraries!
Install Libraries
Open up the library manager...
And install the following libraries:
Adafruit NeoPixel
This will let you light up the status LED on the back
Adafruit QSPI
This will let you read/write to the onboard FLASH memory with super-fast QSPI support
Adafruit SPIFlash
This is also needed to use the filesystem on QSPI
Adafruit Zero DMA
This is used by the Graphics Library if you choose to use DMA
Adafruit GFX
This is the graphics library used to draw to the screen
Adafruit ILI9341
The display on the PyPortal!
Adafruit Touchscreen
For reading touchscreen points on the resistive touchscreen
Analog Devices ADT7410
For reading temperature data from the onboard ADT7410
WiFiNINA
Will talk to the ESP32 WiFi co-processor to connect to the internet!
Adafruit ImageReader
For reading bitmaps from SD and displaying
Arduino Test
Once you've got the IDE installed and libraries in place you can run our test sketch. This will check all the hardware, and display it on the screen, its sort of a universal test because every part is checked. It's also a great reference if you want to know how to read the light sensor or initialize the touch screen.
It's normal to get SD Card...Failed if there is no SD card in the socket.
The light sensor value ranges from 0 (dark) to 1023 (bright)
The temperature sensor will heat up if the backlight is on for a while, that's also normal! To avoid self-heating turn or or lower down the backlight brightness
D3 and D4 measure the analog voltages on the 3 pin JST connectors. They'll be floating until some voltage is applied to them.
Click download project zip in the code window below, so you get both the arduino code and the coin.h (sound file) include
// This program does a test of all the hardware so you can get an example of how to read
// sensors, touchscreen, and display stuff!
#include "SPI.h"
#include "Adafruit_GFX.h"
#include "Adafruit_ILI9341.h"
#include "Adafruit_QSPI_Flash.h"
#include "Adafruit_ADT7410.h"
#include "TouchScreen.h"
#include <SD.h>
#include <WiFiNINA.h>
#include "coin.h"
#define RED_LED 13
#define TFT_RESET 24
#define TFT_BACKLIGHT 25
#define LIGHT_SENSOR A2
#define SD_CS 32
#define SPKR_SHUTDOWN 50
#define TFT_D0 34 // Data bit 0 pin (MUST be on PORT byte boundary)
#define TFT_WR 26 // Write-strobe pin (CCL-inverted timer output)
#define TFT_DC 10 // Data/command pin
#define TFT_CS 11 // Chip-select pin
#define TFT_RST 24 // Reset pin
#define TFT_RD 9 // Read-strobe pin
#define TFT_BACKLIGHT 25
// ILI9341 with 8-bit parallel interface:
Adafruit_ILI9341 tft = Adafruit_ILI9341(tft8bitbus, TFT_D0, TFT_WR, TFT_DC, TFT_CS, TFT_RST, TFT_RD);
Adafruit_QSPI_Flash flash;
Adafruit_ADT7410 tempsensor = Adafruit_ADT7410();
#define YP A4 // must be an analog pin, use "An" notation!
#define XM A7 // must be an analog pin, use "An" notation!
#define YM A6 // can be a digital pin
#define XP A5 // can be a digital pin
TouchScreen ts = TouchScreen(XP, YP, XM, YM, 300);
#define X_MIN 750
#define X_MAX 325
#define Y_MIN 840
#define Y_MAX 240
Adafruit_GFX_Button coin = Adafruit_GFX_Button();
void setup() {
Serial.begin(115200);
//while (!Serial);
Serial.println("All Test!");
pinMode(RED_LED, OUTPUT);
pinMode(TFT_BACKLIGHT, OUTPUT);
digitalWrite(TFT_BACKLIGHT, HIGH);
pinMode(TFT_RESET, OUTPUT);
digitalWrite(TFT_RESET, HIGH);
delay(10);
digitalWrite(TFT_RESET, LOW);
delay(10);
digitalWrite(TFT_RESET, HIGH);
delay(10);
tft.begin();
tft.fillScreen(ILI9341_BLACK);
tft.setTextSize(2);
tft.setTextColor(ILI9341_GREEN);
tft.setTextWrap(true);
tft.setCursor(0, 0);
tft.print("QSPI Flash...");
if (!flash.begin()){
Serial.println("Could not find flash on QSPI bus!");
tft.setTextColor(ILI9341_RED);
tft.println("FAILED");
while (1);
}
uint8_t manid, devid;
Serial.println("Reading Manuf iD");
flash.GetManufacturerInfo(&manid, &devid);
Serial.print("Manuf: ");
Serial.println(manid, HEX);
Serial.print("Device: ");
Serial.println(devid, HEX);
if (devid != 0x17) {
tft.setTextColor(ILI9341_RED);
tft.println("FAILED");
Serial.println("QSPI Flash not found!");
while (1);
}
tft.print("OK\n\tManuf: 0x"); tft.println(manid, HEX);
tft.print("\tDev: 0x"); tft.println(devid, HEX);
/*************** SD CARD */
tft.setCursor(0, 48);
tft.print("SD Card...");
if (!SD.begin(SD_CS)) {
Serial.println("Card init. failed!");
tft.setTextColor(ILI9341_RED);
tft.println("FAILED");
tft.setTextColor(ILI9341_GREEN);
} else {
tft.println("OK!");
}
/*************** WiFi Module */
tft.setCursor(0, 64);
tft.print("WiFi Module...");
WiFi.status();
delay(100);
if (WiFi.status() == WL_NO_MODULE) {
Serial.println("ESP32 SPI not found");
tft.setTextColor(ILI9341_RED);
tft.println("FAILED");
tft.setTextColor(ILI9341_GREEN);
} else {
Serial.println("ESP32 SPI mode found");
tft.println("OK!");
}
/*************** Temperature sensor */
tft.setCursor(0, 80);
tft.print("ADT7410...");
if (!tempsensor.begin()) {
Serial.println("Couldn't find ADT7410!");
tft.setTextColor(ILI9341_RED);
tft.println("FAILED");
tft.setTextColor(ILI9341_GREEN);
} else {
Serial.println("ADT7410 found");
tft.println("OK!");
}
coin.initButton(&tft, 120, 280, 100, 50, ILI9341_WHITE, ILI9341_YELLOW, ILI9341_BLACK, "Sound", 2);
coin.drawButton();
analogWriteResolution(12);
analogWrite(A0, 128);
pinMode(SPKR_SHUTDOWN, OUTPUT);
digitalWrite(SPKR_SHUTDOWN, LOW);
}
void loop() {
digitalWrite(RED_LED, HIGH);
tft.setTextColor(ILI9341_WHITE);
// read light sensor
tft.fillRect(160, 100, 240, 16, ILI9341_BLACK);
tft.setCursor(0, 100);
uint16_t light = analogRead(LIGHT_SENSOR);
Serial.print("light sensor: "); Serial.println(light);
tft.print("Light sensor: "); tft.println(light);
// read temp sensor
tft.fillRect(150, 116, 240, 16, ILI9341_BLACK);
tft.setCursor(0, 116);
float temp = tempsensor.readTempC();
Serial.print("temp sensor: "); Serial.println(temp, 2);
tft.print("Temp sensor: "); tft.println(temp, 2);
// externals
tft.fillRect(0, 132, 240, 32, ILI9341_BLACK);
tft.setCursor(0, 132);
float d3 = (float)analogRead(A1) * 3.3 / 1024;
float d4 = (float)analogRead(A3) * 3.3 / 1024;
Serial.print("STEMMA: ");
Serial.print(d3,1); Serial.print(", ");
Serial.print(d4,1); Serial.println();
tft.print("D3: "); tft.println(d3,1);
tft.print("D4: "); tft.println(d4,1);
tft.fillRect(80, 164, 240, 16, ILI9341_BLACK);
tft.setCursor(0, 164);
tft.print("Touch: ");
TSPoint p = ts.getPoint();
// we have some minimum pressure we consider 'valid'
// pressure of 0 means no pressing!
if (p.z > ts.pressureThreshhold) {
Serial.print("X = "); Serial.print(p.x);
Serial.print("\tY = "); Serial.print(p.y);
Serial.print("\tPressure = "); Serial.println(p.z);
int16_t x = map(p.x, X_MIN, X_MAX, 0, 240);
int16_t y = map(p.y, Y_MIN, Y_MAX, 0, 320);
tft.print("("); tft.print(x); tft.print(", "); tft.print(y); tft.println(")");
if (coin.contains(x, y)) {
Serial.println("Ding!");
coin.press(true);
} else {
coin.press(false);
}
} else {
coin.press(false);
}
if (coin.justPressed()) {
coin.drawButton(true);
digitalWrite(SPKR_SHUTDOWN, HIGH);
uint32_t i, prior, usec = 1000000L / SAMPLE_RATE;
prior = micros();
for (uint32_t i=0; i<sizeof(coinaudio); i++) {
uint32_t t;
while((t = micros()) - prior < usec);
analogWrite(A0, (uint16_t)coinaudio[i]);
prior = t;
}
digitalWrite(SPKR_SHUTDOWN, LOW);
}
if (coin.justReleased()) {
coin.drawButton(false);
}
digitalWrite(RED_LED, LOW);
delay(20);
}
Graphics Demos
One of the nice things about how we set up the PyPortal is it uses a 8 bit parallel display connection, which can be driven much faster than classic SPI displays. Not only do you write 8 bits at a time instead of one, the SPI peripheral tops out at about 24MHz! Combined with DMA you can get surprising speeds. Another nifty hack is taking advantage of the 256KB of SRAM on the SAMD51J20 - you can buffer an entire 240x320 16-bit color bitmap and then draw the whole thing at once
TouchPaint
Our classic touchscreen painting demo is a good example of how to read touch points, convert the raw readings to calibrated coordinates and then draw something on the screen. It's in Adafruit_ILI9341 called touchpaint_pyportal.
Atari Boing!
As featured above, this draws a checkered ball around the screen, a classic Atari demo. Available in the Adafruit_ILI9341 library as the pyportal_boing demo. It's an intense demo showing how to calculate a scan line and render it post computation.
Mandelbrot
This is a good demo to show how we allocate a full display buffer, do all our calculations, then draw it all at once. Also in Adafruit_ILI9341 under example mandelbrot.
Adapting Sketches to M0 & M4
The ATSAMD21 and 51 are very nice little chips, but fairly new as Arduino-compatible cores go. Most sketches & libraries will work but here’s a collection of things we noticed.
The notes below cover a range of Adafruit M0 and M4 boards, but not every rule will apply to every board (e.g. Trinket and Gemma M0 do not have ARef, so you can skip the Analog References note!).
Analog References
If you'd like to use the ARef pin for a non-3.3V analog reference, the code to use is analogReference(AR_EXTERNAL) (it's AR_EXTERNAL not EXTERNAL)
Pin Outputs & Pullups
The old-style way of turning on a pin as an input with a pullup is to use
pinMode(pin, INPUT)
digitalWrite(pin, HIGH)
This is because the pullup-selection register on 8-bit AVR chips is the same as the output-selection register.
For M0 & M4 boards, you can't do this anymore! Instead, use:
pinMode(pin, INPUT_PULLUP)
Code written this way still has the benefit of being backwards compatible with AVR. You don’t need separate versions for the different board types.
Serial vs SerialUSB
99.9% of your existing Arduino sketches use Serial.print to debug and give output. For the Official Arduino SAMD/M0 core, this goes to the Serial5 port, which isn't exposed on the Feather. The USB port for the Official Arduino M0 core is called SerialUSB instead.
In the Adafruit M0/M4 Core, we fixed it so that Serial goes to USB so it will automatically work just fine.
However, on the off chance you are using the official Arduino SAMD core and not the Adafruit version (which really, we recommend you use our version because it’s been tuned to our boards), and you want your Serial prints and reads to use the USB port, use SerialUSB instead of Serial in your sketch.
If you have existing sketches and code and you want them to work with the M0 without a huge find-replace, put
#if defined(ARDUINO_SAMD_ZERO) && defined(SERIAL_PORT_USBVIRTUAL)
// Required for Serial on Zero based boards
#define Serial SERIAL_PORT_USBVIRTUAL
#endif
right above the first function definition in your code. For example:
AnalogWrite / PWM on Feather/Metro M0
After looking through the SAMD21 datasheet, we've found that some of the options listed in the multiplexer table don't exist on the specific chip used in the Feather M0.
For all SAMD21 chips, there are two peripherals that can generate PWM signals: The Timer/Counter (TC) and Timer/Counter for Control Applications (TCC). Each SAMD21 has multiple copies of each, called 'instances'.
Each TC instance has one count register, one control register, and two output channels. Either channel can be enabled and disabled, and either channel can be inverted. The pins connected to a TC instance can output identical versions of the same PWM waveform, or complementary waveforms.
Each TCC instance has a single count register, but multiple compare registers and output channels. There are options for different kinds of waveform, interleaved switching, programmable dead time, and so on.
The biggest members of the SAMD21 family have five TC instances with two 'waveform output' (WO) channels, and three TCC instances with eight WO channels:
- TC[0-4],WO[0-1]
- TCC[0-2],WO[0-7]
And those are the ones shown in the datasheet's multiplexer tables.
The SAMD21G used in the Feather M0 only has three TC instances with two output channels, and three TCC instances with eight output channels:
- TC[3-5],WO[0-1]
- TCC[0-2],WO[0-7]
Tracing the signals to the pins broken out on the Feather M0, the following pins can't do PWM at all:
- Analog pin A5
The following pins can be configured for PWM without any signal conflicts as long as the SPI, I2C, and UART pins keep their protocol functions:
- Digital pins 5, 6, 9, 10, 11, 12, and 13
- Analog pins A3 and A4
If only the SPI pins keep their protocol functions, you can also do PWM on the following pins:
- TX and SDA (Digital pins 1 and 20)
analogWrite() PWM range
On AVR, if you set a pin's PWM with analogWrite(pin, 255) it will turn the pin fully HIGH. On the ARM cortex, it will set it to be 255/256 so there will be very slim but still-existing pulses-to-0V. If you need the pin to be fully on, add test code that checks if you are trying to analogWrite(pin, 255) and, instead, does a digitalWrite(pin, HIGH).
analogWrite() DAC on A0
If you are trying to use analogWrite() to control the DAC output on A0, make sure you do not have a line that sets the pin to output. Remove: pinMode(A0, OUTPUT).
Missing header files
There might be code that uses libraries that are not supported by the M0 core. For example if you have a line with
#include <util/delay.h>
you'll get an error that says
fatal error: util/delay.h: No such file or directory
#include <util/delay.h>
^
compilation terminated.
Error compiling.
In which case you can simply locate where the line is (the error will give you the file name and line number) and 'wrap it' with #ifdef's so it looks like:
#if !defined(ARDUINO_ARCH_SAM) && !defined(ARDUINO_ARCH_SAMD) && !defined(ESP8266) && !defined(ARDUINO_ARCH_STM32F2)
#include <util/delay.h>
#endif
The above will also make sure that header file isn't included for other architectures
If the #include is in the arduino sketch itself, you can try just removing the line.
Bootloader Launching
For most other AVRs, clicking reset while plugged into USB will launch the bootloader manually, the bootloader will time out after a few seconds. For the M0/M4, you'll need to double click the button. You will see a pulsing red LED to let you know you're in bootloader mode. Once in that mode, it wont time out! Click reset again if you want to go back to launching code.
Aligned Memory Access
This is a little less likely to happen to you but it happened to me! If you're used to 8-bit platforms, you can do this nice thing where you can typecast variables around. e.g.
uint8_t mybuffer[4];
float f = (float)mybuffer;
You can't be guaranteed that this will work on a 32-bit platform because mybuffer might not be aligned to a 2 or 4-byte boundary. The ARM Cortex-M0 can only directly access data on 16-bit boundaries (every 2 or 4 bytes). Trying to access an odd-boundary byte (on a 1 or 3 byte location) will cause a Hard Fault and stop the MCU. Thankfully, there's an easy work around ... just use memcpy!
uint8_t mybuffer[4];
float f;
memcpy(&f, mybuffer, 4)
Floating Point Conversion
Like the AVR Arduinos, the M0 library does not have full support for converting floating point numbers to ASCII strings. Functions like sprintf will not convert floating point. Fortunately, the standard AVR-LIBC library includes the dtostrf function which can handle the conversion for you.
Unfortunately, the M0 run-time library does not have dtostrf. You may see some references to using #include <avr/dtostrf.h> to get dtostrf in your code. And while it will compile, it does not work.
Instead, check out this thread to find a working dtostrf function you can include in your code:
http://forum.arduino.cc/index.php?topic=368720.0
How Much RAM Available?
The ATSAMD21G18 has 32K of RAM, but you still might need to track it for some reason. You can do so with this handy function:
extern "C" char *sbrk(int i);
int FreeRam () {
char stack_dummy = 0;
return &stack_dummy - sbrk(0);
}
Thx to http://forum.arduino.cc/index.php?topic=365830.msg2542879#msg2542879 for the tip!
Storing data in FLASH
If you're used to AVR, you've probably used PROGMEM to let the compiler know you'd like to put a variable or string in flash memory to save on RAM. On the ARM, its a little easier, simply add const before the variable name:
const char str[] = "My very long string";
That string is now in FLASH. You can manipulate the string just like RAM data, the compiler will automatically read from FLASH so you dont need special progmem-knowledgeable functions.
You can verify where data is stored by printing out the address:Serial.print("Address of str $"); Serial.println((int)&str, HEX);
If the address is $2000000 or larger, its in SRAM. If the address is between $0000 and $3FFFF Then it is in FLASH
Pretty-Printing out registers
There's a lot of registers on the SAMD21, and you often are going through ASF or another framework to get to them. So having a way to see exactly what's going on is handy. This library from drewfish will help a ton!
https://github.com/drewfish/arduino-ZeroRegs
M4 Performance Options
As of version 1.4.0 of the Adafruit SAMD Boards package in the Arduino Boards Manager, some options are available to wring extra performance out of M4-based devices. These are in the Tools menu.
All of these performance tweaks involve a degree of uncertainty. There’s no guarantee of improved performance in any given project, and some may even be detrimental, failing to work in part or in whole. If you encounter trouble, select the default performance settings and re-upload.
Here’s what you get and some issues you might encounter…
CPU Speed (overclocking)
This option lets you adjust the microcontroller core clock…the speed at which it processes instructions…beyond the official datasheet specifications.
Manufacturers often rate speeds conservatively because such devices are marketed for harsh industrial environments…if a system crashes, someone could lose a limb or worse. But most creative tasks are less critical and operate in more comfortable settings, and we can push things a bit if we want more speed.
There is a small but nonzero chance of code locking up or failing to run entirely. If this happens, try dialing back the speed by one notch and re-upload, see if it’s more stable.
Much more likely, some code or libraries may not play well with the nonstandard CPU speed. For example, currently the NeoPixel library assumes a 120 MHz CPU speed and won’t issue the correct data at other settings (this will be worked on). Other libraries may exhibit similar problems, usually anything that strictly depends on CPU timing…you might encounter problems with audio- or servo-related code depending how it’s written. If you encounter such code or libraries, set the CPU speed to the default 120 MHz and re-upload.
Optimize
There’s usually more than one way to solve a problem, some more resource-intensive than others. Since Arduino got its start on resource-limited AVR microcontrollers, the C++ compiler has always aimed for the smallest compiled program size. The “Optimize” menu gives some choices for the compiler to take different and often faster approaches, at the expense of slightly larger program size…with the huge flash memory capacity of M4 devices, that’s rarely a problem now.
The “Small” setting will compile your code like it always has in the past, aiming for the smallest compiled program size.
The “Fast” setting invokes various speed optimizations. The resulting program should produce the same results, is slightly larger, and usually (but not always) noticably faster. It’s worth a shot!
“Here be dragons” invokes some more intensive optimizations…code will be larger still, faster still, but there’s a possibility these optimizations could cause unexpected behaviors. Some code may not work the same as before. Hence the name. Maybe you’ll discover treasure here, or maybe you’ll sail right off the edge of the world.
Most code and libraries will continue to function regardless of the optimizer settings. If you do encounter problems, dial it back one notch and re-upload.
Cache
This option allows a small collection of instructions and data to be accessed more quickly than from flash memory, boosting performance. It’s enabled by default and should work fine with all code and libraries. But if you encounter some esoteric situation, the cache can be disabled, then recompile and upload.
Max SPI and Max QSPI
These should probably be left at their defaults. They’re present mostly for our own experiments and can cause serious headaches.
Max SPI determines the clock source for the M4’s SPI peripherals. Under normal circumstances this allows transfers up to 24 MHz, and should usually be left at that setting. But…if you’re using write-only SPI devices (such as TFT or OLED displays), this option lets you drive them faster (we’ve successfully used 60 MHz with some TFT screens). The caveat is, if using any read/write devices (such as an SD card), this will not work at all…SPI reads absolutely max out at the default 24 MHz setting, and anything else will fail. Write = OK. Read = FAIL. This is true even if your code is using a lower bitrate setting…just having the different clock source prevents SPI reads.
Max QSPI does similarly for the extra flash storage on M4 “Express” boards. Very few Arduino sketches access this storage at all, let alone in a bandwidth-constrained context, so this will benefit next to nobody. Additionally, due to the way clock dividers are selected, this will only provide some benefit when certain “CPU Speed” settings are active. Our PyPortal Animated GIF Display runs marginally better with it, if using the QSPI flash.
Enabling the Buck Converter on some M4 Boards
If you want to reduce power draw, some of our boards have an inductor so you can use the 1.8V buck converter instead of the built in linear regulator. If the board does have an inductor (see the schematic) you can add the line SUPC->VREG.bit.SEL = 1; to your code to switch to it. Note it will make ADC/DAC reads a bit noisier so we don't use it by default. You'll save ~4mA.
Build the PyPortal Stand
Here's how to assemble the laser cut acrylic stand for the PyPortal. The kit comes with six pieces of acrylic and six nylon screws and nuts.
Prep
First, remove the protective paper from all of the acrylic pieces.
Sandwich
Next, do a dry fit of the three clear piece of acrylic on the back side of the PyPortal to get everything oriented properly.
The two small pieces are used as spacers to allow clearance around some of the larger parts. Lay them onto the board first, as shown.
Then, place the large clear piece on top, making sure to align the hole for the reset and the cutout for the three JST ports.
Complete the sandwich by placing the stack on top of the black front bezel with the hole for the light sensor oriented as shown here.
Legs
Now that the fit and orientation have been established, we'll install the legs.
The two legs are identical. Pick one and slot it into the case back as shown.
Place a nut into the captive slot of the leg and then feed a short screw through from the front of the clear acrylic case back. Fasten the screw (not too tight!) and then repeat for the second leg.
Add Long Screws
To put it all together, we'll use the four long screws to secure the entire acrylic - PyPortal - acrylic - acrylic sandwich!
Run the four long screws from the front to the back, as shown.
Screw It All Together
Finally, add the case back and legs assemblage and then thread on the four nuts to secure it all in place.
Be careful not to over-tighten the screws. Doing so can potentially crack the Pyportal display!
Bonus! Penny Roll Weight
If you'd like to give your PyPortal a bit of extra heft so it won't get pushed around on your desk, you can make a great weight for $0.50. A roll of 50 pennies does the trick! The legs are designed to hold a roll of coins perfectly!
Laser Cutter Files for PyPortal Stand
If you need to replace a piece or just want to make a spare for another PyPortal, here are the vector files for 1/8" (3mm) acrylic, in Adobe Illustrator format:
Updating ESP32 Firmware
There may come a time when you want to update the firmware on the ESP32 itself. This isn't something we expect you'll do often if at all, but its good to know how if you need to.
There are two ways to do it. The first uses the SAMD51 main chip as a USB->Serial converter, then you can use any computer and esptool to update the ESP32. This is recommended because esptool is very powerful and fast.
Turn your PyPortal or Metro M4 AirLift into a USB-Serial converter
Make a backup of whatever code and files you have - you will lose your CircuitPython/Arduino code (we overwrite it) for sure. You should not end up losing any files on the QSPI flash but its a good idea to back em up anyways!
Double click to enter bootloader mode. Then drag over this UF2
Metro_M4_Wifi_ESP32_Passthru.UF2
PyBadge_m4_with_airlift_Wing_Passthru.UF2
It should re-enumerate USB and appear as a COM or Serial port on your computer. Make a note of the serial port by checking the Device Manager (windows) or typing in ls /dev/cu* or /dev/tty* (Mac or Linux) in a terminal
Click here to find and download the latest NINA.bin file
Then save it to your desktop or something, and in a terminal, run:
esptool.py --port /dev/ttyS6 --before no_reset --baud 115200 write_flash 0 NINA_W102.bin
or
esptool.py --port COM7 --before no_reset --baud 115200 write_flash 0 NINA_W102.bin
Replace /dev/ttyS6 or COM7 with the correct serial/COM port to match what the PyPortal/Metro M4 AirLift appears as.
After it's done, you can re-load CircuitPython or your Arduino code and keep going!
Source Code
For the curious, you can find the source code here
It is compiled in Arduino so you will need all that set up!
PyPortal Hardware FAQ
For CircuitPython-specific issues, see the CircuitPython software FAQ.
In shipping, the connector for the display may pop the retention tab(s) (red circles below). If you see one that is not in the position below, check to see if the orange display ribbon cable is straight. If so, gently push the tab down towards the main connector.
If you see the ribbon cable crooked, pop both tabs and slide the cable gently so it is in the connector like the picture and straight. then clip each side down.
Repower the PyPortal afterwards and hopefully you'll see the CircuitPython boot text on the screen.
If you look at the pads circled in yellow below, there is a tiny connection between the V and 5 pads indicating a default of 5V power, which may cause issue in certain setups. If you are connecting one or sensors and seeing boot or other issues, try changing the voltage to 3.3V
If you want 3.3 volt power for your I2C connector, carefully cut that tiny trace between V and 5, then using a soldering iron connect the 3 and V pads. The PyPortal was not made to switch often between these two values so double check your I2C data sheets, some sensors can take 3.3 and 5V power so leaving it at 5 should be ok.
If you're on Linux, and are seeing multi-second delays connecting to the serial console, or are seeing "AT" and other gibberish when you connect, then the modemmanager service might be interfering. Just remove it; it doesn't have much use unless you're still using dial-up modems. To remove, type this command at a shell:
sudo apt purge modemmanager
Once your PyPortal boots up and successfully loads your code.py or main.py, the status NeoPixel will turn green briefly. Then, the NeoPixel will show one of the following color codes to indicate the status of the WiFi connection/activity or file operations:
- Red = not connected to WiFi
- Blue = connected to WiFi
- Yellow = fetching data
- Blue = got data
- Cyan = file opening
Downloads
Files
- ADT7410 datasheet
- EagleCAD PCB files on GitHub
- Fritzing object in Adafruit Fritzing Library
- Laser Cutter Files for PyPortal Stand
Schematic and Fab Print

