From Waves to Bits: The ADC Odyssey!
2024-10-25 | By DWARAKAN RAMANATHAN
Introduction:
ADCs have become the chief constituents of today's electronic age since they convert continuous analog signals into discrete digital data. You will get them in devices ranging from your phones to machines in any factory. Basically, an ADC performs its function following two steps. Firstly, it samples an analog signal at periodic intervals. Secondly, it quantifies the obtained samples into a digital form with respect to their intensity. Different types of ADCs have been developed for specific purposes. For example, successive approximation ADCs make use of binary search methods in conversion. On the other hand, delta-sigma ADCs do oversampling for clear results. At last, flash ADCs do a fast operation but with less detail. In picking ADCs, designers consider speed, clarity, and power use to meet exact needs. With the growth of digital technology, ADCs remain of prime importance in bringing analog signals into digital systems. Analog signals have a complete range of voltage levels, whereas the signals that are processed by digital circuits are binary ones, where two states are switched: logic "1," corresponding to HIGH, and logic "0," corresponding to LOW. An analog-to-digital converter, or ADC, bridges these two worlds. It takes a snapshot of an analog voltage and converts it into a digital code. The number of bits the ADC uses determines how accurate the conversion will be. Understanding the difference between analog and digital signals is essential before diving into ADC specifics.

Types of ADC's:
- Successive Approximation ADC—SAR ADC: The SAR ADC uses the binary search algorithm for approximating the input voltage. It initiates the process from the most significant bit and, in sequence, determines the value of each bit by comparing the input voltage to the DAC output. Basically, SAR ADCs balance speed against resolution and find very wide applications in consumer electronics and industrial instrumentation.
- Delta-Sigma ADC: These are very good in applications that need high resolution and low noise performance, as in audio and sensor measurements. They will oversample the input signal at a much higher rate than the Nyquist frequency, and then use a delta-sigma modulation technique to convert the continuous-time analog signal into high-resolution digital output. This oversampling reduces quantization noise and thus improves resolution.
- Pipeline ADC: Pipeline ADCs find favor in applications requiring high-speed conversion rates. This is achieved by breaking the conversion process into several stages or "pipelines," each dealing with a fraction of the total resolution. Such parallelization of the conversion process allows pipeline ADCs to achieve high-speed operation without penalty in resolution. These ADCs find their applications in telecommunications, data acquisition, and high-speed instrumentation.
- Flash ADC: The flash ADC is the fastest among all and is known for its high speed but with lower resolution. It uses a bank of comparators, thus providing direct conversion of the input voltage to the corresponding digital output. The applications for flash ADCs include high-speed applications: high-speed communications, radar systems, oscilloscopes, etc.
- Dual Slope ADC: Dual slope ADCs are noted for their simplicity and accuracy in measuring slowly varying signals. They integrate the input voltage by using one slope for a fixed period and then discharging it using a known reference voltage in another period. Now, the ratio of these two periods will give the digital output. Very often, dual slope ADCs find uses where precision and immunity to noise are paramount, as in digital multimeters and data loggers.
2-bit Analog to Digital Converter Circuit:

The corresponding output for the above circuit is:

X = Don't Care, 1=High, 0=Low, Q1(MSB), Q2(LSB)
An ADC must, therefore, attempt to represent the analog input signal in digital form the best it can. For this 2-bit ADC, let the input voltage VIN be between 0 and 4 volts, while the reference voltage drops are across each resistor by 1 volt. When VIN is between 0 and 1 volt, all comparators output a LOW, producing a zero binary. As VIN rises above 1 volt but is still under 2 volts, the first comparator comes on HIGH, thus generating a binary "1" (01). The priority encoder outputs the highest-priority active input. When VIN goes above 2 volts, the second comparator is triggered; the binary becomes "2" (10). When VIN goes higher than 3 volts, the result is "3" (11). This configuration generates a 2-bit binary code from 00 to 11 as VIN varies.
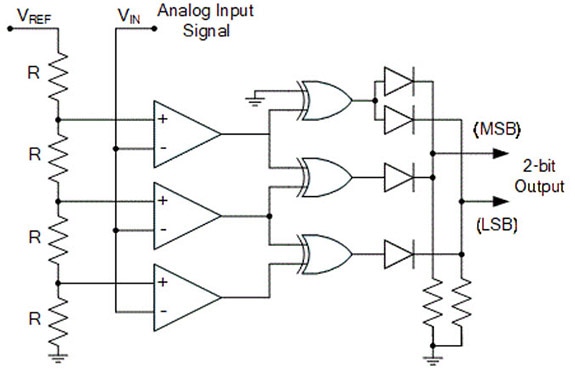
2-bit ADC Using Diodes:

In this ADC setup, comparator outputs are encoded by exclusive-OR gates before they reach the diodes. External pull-down resistors ensure that it is in a stable LOW condition, so it won't float when the diodes are reverse-biased. Depending on the value of VIN, a comparator outputs HIGH or LOW, and this output affects an exclusive-OR gate. The exclusive-OR gates will have an output of HIGH if one input is HIGH and the other is LOW, adhering to the Boolean expression Q = A.B + A.B. Alternatively, XOR gates can be made up of combination logic AND–OR–NAND gates. The resolution of this 2-bit AD converter is restricted to steps of 1 volt, the output code not changing until there is a change in VIN of at least one full volt. If higher resolution were required, then moving to a 3-bit AD converter would increase the number of comparators.
Conclusion:
Essentially, an ADC is a device that converts analog continuous signals into digital information in electronics. They are needed everywhere—from consumer electronics to industrial machinery. They make it possible for analog signals to be incorporated into digital systems for data processing, storage, and transmission. ADCs are meant to give insight into the operation and necessity of signal conversion within any electronic device.

