Come utilizzare gli SSR per un'apparecchiatura di test automatizzata per semiconduttori affidabile, a commutazione rapida e a basse perdite
Contributo di Editori europei di DigiKey
2024-01-18
I circuiti integrati (CI) sono più richiesti che mai, perché riducono i costi di sviluppo hardware, promuovono la miniaturizzazione dei dispositivi elettronici e forniscono un'ampia gamma di funzioni. Per garantire la qualità di grandi lotti di produzione, i produttori di semiconduttori necessitano di apparecchiature di test automatizzate (ATE) affidabili e compatte, in grado di commutare rapidamente correnti c.a. e c.c. ad alta frequenza con livelli di segnale bassi e alti e perdite minime.
I relè a stato solido (SSR) basati su MOSFET fotovoltaici sono ideali per i tester CI e le applicazioni ATE. Le loro dimensioni miniaturizzate e le proprietà antiusura sono particolarmente interessanti.
Questo articolo illustra brevemente i requisiti ATE. Presenta quindi diversi tipi di relè MOSFET fotovoltaici serie PhotoMOS di Panasonic, evidenziandone le differenze nella geometria dei componenti e nelle caratteristiche di commutazione. Si conclude con suggerimenti di progettazione per accelerare la commutazione on/off e ridurre le correnti di dispersione specifiche dei PhotoMOS.
Alta densità di incapsulamento e brevi percorsi del segnale
Un tester CI automatizzato entra in contatto con il dispositivo sotto test (DUT) utilizzando adattatori ad ago ad alta densità di incapsulamento (schede di tastatura) per eseguire il test funzionale. I moduli montati nella testa generano e distribuiscono impulsi ad alta velocità, forniscono tensioni appropriate e commutano i canali di misurazione. Ogni test deve essere eseguito in uno spazio ristretto per ridurre al minimo le perdite di linea, i tempi di propagazione del segnale, le interferenze e la diafonia dei canali.
Per assolvere a questo compito, i progettisti possono utilizzare elementi di commutazione compatti, come i relè serie AQ di Panasonic. Ad esempio, l'SSR controllato in tensione di tipo CC AQY2C1R6PX è disponibile in un contenitore TSON che occupa 3,51 mm2 (1,95 × 1,80 mm) (Figura 1). Utilizza un accoppiamento capacitivo per fornire una protezione di isolamento a 200 V ed è controllato in tensione, richiedendo solo 1,2 mW di potenza di controllo.
Figura 1: Le dimensioni dell'alloggiamento dei relè PhotoMOS a piccolo segnale serie AQ sono espresse in millimetri. (Immagine per gentile concessione di Panasonic, modificata dall'autore)
Il relè PhotoMOS controllato in corrente di tipo RF AQY221R6TW ha un ingombro di soli 3,8 mm², ma il suo alloggiamento VSSOP è 3,6 volte più alto del modello AQY2C1R6PX. Richiede solo 75 mW di potenza di controllo e utilizza l'accoppiamento ottico per fornire 200 V di isolamento protettivo. La corrente di dispersione (ILeak) dei tipi CC e RF è molto bassa, pari a soli 10 nA.
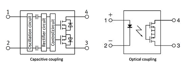
La Figura 2 mostra il principio del circuito dei relè di tipo CC con accoppiamento capacitivo (a sinistra) e di tipo RF con accoppiamento ottico (a destra).
Figura 2: L'SSR PhotoMOS tipo CC AQY2C1R6PX (a sinistra) utilizza un accoppiamento capacitivo ed è pilotato in tensione; il tipo RF AQY221R6TW (a destra) utilizza un accoppiamento ottico ed è pilotato in corrente. (Immagine per gentile concessione di Panasonic, modificata dall'autore)
Anche il tipo GE AQV214EHAX utilizza l'accoppiamento ottico e offre un isolamento protettivo significativamente più elevato, fino a 5 kV, tra il circuito di controllo (IN) e il circuito di carico (OUT). È disponibile in un contenitore 6-SMD più grande che misura 8,8 x 6,4 mm con conduttori ad ala di gabbiano. Poiché richiedono solo 75 mW di potenza di controllo, gli SSR serie GE commutano correnti di carico fino a 150 mA a un massimo di 400 V.
Ottimizzazione della resistenza di contatto e della capacità di uscita
Come nel caso dei semiconduttori, gli SSR presentano una resistenza nello stato On (Ron) e una capacità di uscita (Cout) che causano rispettivamente una perdita di calore e una corrente di dispersione. I diversi tipi di relè sono ottimizzati per l'uno o per l'altro caso, a seconda del tipo di segnale da commutare.
I tipi di SSR con una Ron particolarmente bassa causano una minore attenuazione quando commutano impulsi di prova in c.a. ad alta frequenza. Gli SSR con una bassa Cout assicurano misurazioni più accurate dei segnali in c.c., mentre quelli con una Cout elevata sono adatti alla commutazione di livelli di potenza più elevati. La Figura 3 mostra un sistema di test automatizzato per semiconduttori e illustra i tipi di relè PhotoMOS più adatti ai vari percorsi del segnale nel modulo di misurazione della testa di prova.
Figura 3: Ogni percorso del segnale di questo sistema di test automatizzato per semiconduttori richiede un tipo specifico di relè PhotoMOS. (Immagine per gentile concessione di Panasonic)
I relè PhotoMOS AQY2C1R3PZ e AQY221N2TY sono caratterizzati da una bassa Cout, rispettivamente di 1,2 e 1,1 pF. Ciò consente loro di accendersi e spegnersi fino a 10 e 20 µs (AQY2C1R3PZ) e fino a 10 e 30 µs (AQY221N2TY). Il compromesso per entrambi i relè è l'aumento della Ron, rispettivamente di 10,5 e 9,5 Ω, con conseguenti maggiori perdite e riscaldamento dei componenti. Questi relè PhotoMOS sono adatti a commutare rapidamente i segnali di misurazione con un basso flusso di corrente e generano una minore riflessione/spostamento di fase con segnali ad alta frequenza.
I modelli AQY2C1R6PX e AQY221R6TW, discussi in precedenza, sono più adatti per segnali di potenza a commutazione lenta e tensioni di alimentazione con correnti più elevate. Se da un lato la loro Ron più bassa causa un minore riscaldamento dei componenti, dall'altro la loro Cout superiore ha un effetto integratore sui segnali.
Riduzione al minimo della distorsione del segnale
I relè a semiconduttore che fungono solo da semplice interruttore on/off (1 Form A) sono esempi di fototriac per i segnali c.a. o di optoaccoppiatori con transistor bipolari per i segnali c.c. pulsanti. Questi dispositivi causano distorsioni nel segnale di carico a causa delle tensioni di soglia e di accensione e dei ritardi di commutazione. Inoltre, le correnti di recupero inverso possono generare sovraelongazione delle armoniche e correnti di dispersione da 10 a 100 mA.
Il semiponte a FET con circuito di pilotaggio dei relè PhotoMOS di Panasonic riduce al minimo queste distorsioni del segnale, rendendoli adatti alla commutazione a basse perdite di piccoli segnali c.c. e c.c., come impulsi di test ad alta velocità, segnali di misurazione e tensioni di alimentazione. Quando è spento, le correnti di dispersione tra i due collegamenti OUT sono inferiori a 1 µA.
I relè PhotoMOS sono disponibili in Form A (contatto unipolare a una via, normalmente aperto (SPST-NA)) o in Form B (contatto normalmente chiuso, SPST-NC) e come multipli. I progettisti possono realizzare interruttori Form C, come gli interruttori unipolari a due vie (SPDT), gli interruttori di scambio unipolari e gli interruttori bipolari a due vie (DPDT), combinando dispositivi Form A e B.
Ad esempio, AQS225R2S è un relè PhotoMOS quadruplo (4SPST-NA) in un contenitore SOP16 che può gestire un massimo di 70 mA con tensioni di commutazione fino a 80 V. AQW214SX invece è un relè PhotoMOS doppio (2SPST-NA) in un contenitore SOP8 che può gestire correnti di carico fino a 80 mA con tensioni di commutazione fino a 400 V.
La Figura 4 mostra la struttura interna di un SSR, di un PhotoMOS e di un fotoaccoppiatore, insieme alle loro tipiche distorsioni del segnale. I relè PhotoMOS non causano la saturazione del segnale o distorsioni simili su carichi ohmici.
Figura 4: Gli SSR e i fotoaccoppiatori causano distorsioni nel segnale di uscita per via delle tensioni di soglia e di accensione; i relè PhotoMOS commutano segnali c.a. e c.c. senza distorsioni. (Immagine per gentile concessione di Panasonic, modificata dall'autore)
Per attenuare l'effetto di retroazione di carichi di commutazione induttivi e capacitivi, proteggendo così lo stadio di uscita PhotoMOS, i progettisti devono aggiungere sul lato di uscita diodi di blocco e a ruota libera, filtri RC e LC o varistori. Nella serie CC, i diodi di blocco proteggono l'oscillatore di ingresso da picchi di sovratensione e limitano il segnale di controllo a 3-5,5 V, mentre i filtri RC assicurano un ripple residuo inferiore a ±0,5 V.
Riduzione delle correnti di dispersione
La Cout dei relè PhotoMOS funge da bypass per le correnti alternate e le sequenze di impulsi a frequenza più elevata quando il relè è diseccitato. Per ridurre significativamente tali correnti di dispersione e massimizzare l'isolamento alle alte frequenze, Panasonic consiglia di utilizzare tre relè PhotoMOS separati sotto forma di circuito a T (Figura 5, a sinistra). Nel percorso principale del segnale, i due relè PhotoMOS 1 Form A, S1 e S2, sono di tipo a bassa Ron, mentre un tipo a bassa Cout costituisce l'interruttore di cortocircuito 1 Form A, S3.
Figura 5: Quando S1 e S2 sono diseccitati, il relè S3 acceso funge da cortocircuito per tutte le correnti di dispersione (stato OFF del circuito a T, a destra). (Immagine per gentile concessione di Panasonic, modificata dall'autore)
Stato ON del circuito a T (Figura 5, centro): con S1 e S2 accesi, la loro Ron attenua minimamente il livello del segnale, mentre la bassa Cout del relè S3 spento attenua leggermente le alte frequenze (passa-basso).
Stato OFF del circuito a T (Figura 5, a destra): con S1 e S2 diseccitati, la loro Cout rappresenta un bypass per le alte frequenze (passa-alto), ma il relè S3 acceso cortocircuita i segnali passati capacitivamente attraverso S1 (circuito di aspirazione).
La temporizzazione ON/OFF del circuito a T deve essere implementata come un interruttore non circuitante (BBM). Di conseguenza, S1 e S2 devono essere disattivati prima di attivare S3. Nei relè, "non circuitante" (BBM) significa che i contatti commutano separatamente, mentre "circuitante" (MBB) significa che commutano a ponte.
Commutazione più rapida dei relè PhotoMOS
Il fotosensore interno del relè PhotoMOS funziona come una cella solare e fornisce la corrente di carica del gate. Pertanto, un impulso luminoso più intenso dal LED aumenta la velocità di commutazione. Ad esempio, l'elemento di bootstrap R1/R2/C1 nella Figura 6 genera un impulso di corrente maggiore.
Figura 6: L'elemento di bootstrap R1/R2/C1 aumenta la velocità di accensione del relè PhotoMOS. (Immagine per gentile concessione di Panasonic)
C1 funge da cortocircuito per R2 al momento dell'accensione, quindi la bassa resistenza di R1 consente il passaggio di una corrente elevata. Se C1 è carico e ha una resistenza elevata, si aggiunge R2, che riduce il flusso alla corrente di mantenimento, come nel caso dei relè magnetici. Il relè PhotoMOS AQV204 riduce così il tempo di accensione da 180 µs a 30 µs.
Conclusione
Utilizzando relè PhotoMOS piccoli e non soggetti a usura, i progettisti possono migliorare la densità di segnale e la velocità di misurazione di applicazioni ATE, riducendo al contempo le esigenze di manutenzione. Inoltre, le tecniche di progettazione consigliate possono contribuire a ridurre al minimo le correnti di dispersione e i tempi di commutazione.
Esonero della responsabilità: le opinioni, le convinzioni e i punti di vista espressi dai vari autori e/o dai partecipanti al forum su questo sito Web non riflettono necessariamente le opinioni, le convinzioni e i punti di vista di DigiKey o le sue politiche.


