Nonsynchronous Buck Converters Offer Higher Efficiency at Lighter Loads
Contributo di Electronic Products
2013-08-27
Depending on system requirements, power supply designers have to make many trade-offs in terms of size, efficiency, cost, temperature, accuracy, and transient response before selecting the right buck or step-down DC/DC converter for an end application. Lately, the need to meet Energy Star specifications or other green-mode criteria has made energy efficiency a growing attraction in buck converters. Consequently, for reasons of efficiency, density, and low cost, synchronous buck converters are widely deployed. But are synchronous buck converters the most energy efficient choice under all conditions? The answer is no. At higher duty cycles and lighter load conditions, nonsynchronous buck converters may offer higher conversion efficiency at low cost. Hence, a nonsynchronous buck converter may be a better choice than a synchronous DC/DC solution for applications where light load performance outweighs other criteria.
To better understand the pros and cons of using nonsynchronous buck circuits, it is important to first understand the definition of synchronous and nonsynchronous topologies and the key differences between them. After reviewing these differences, this article investigates the efficiency performance of nonsynchronous buck converters at light loads and compares it with the efficiency performance of synchronous buck converters under similar load conditions. This comparison is done using Texas Instruments' synchronous converter TPS54325 and nonsynchronous converter TPS54331.
Nonsynchronous and synchronous topologies
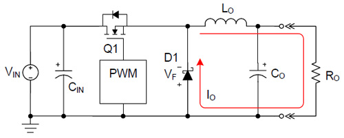
Traditionally, switching-power converters use rectifier diodes to obtain the DC output voltage1, as shown in Figure 1. Called nonsynchronous topology, the forward-voltage drop of the rectifier diode D1 contributes significantly to the overall conduction loss of the converter, which is a product of its forward-voltage drop and forward-conduction current. Especially for low-voltage, high-current converter applications, this rectifier conduction power loss becomes a greater percentage of the total converter loss, thereby lowering the efficiency of the buck converter.

By replacing the rectifier diode D1 with a MOSFET Q2, operated as a synchronous rectifier (SR), the equivalent forward-voltage drop can be lowered and the corresponding conduction loss reduced¹ (Figure 2). This is due to the fact that the low on-resistance property of the SR MOSFET reduces Ohmic losses. However, at higher currents, the drop across the MOSFET’s on-resistance can exceed that of a diode. This limitation, however, is normally addressed by paralleling two or more SR MOSFETs. In applications where the current requirement is very high (>32 A), paralleling two SR MOSFETs can further reduce the on-resistance and corresponding losses. Such paralleling is not practical with rectifier diodes of nonsynchronous topology.

Key differences
To demonstrate the benefits of nonsynchronous buck converters in specific applications, such as light load conditions, Texas Instruments’ product marketing manager Rich Nowakowski and systems engineer Ning Tang, have compared the efficiency performance of the two converter topologies in typical point-of-load (POL) application normally found in a consumer device. The results are presented in their article “Efficiency of synchronous versus nonsynchronous buck converters.”²
As indicated above, the parts selected for this comparison are synchronous buck converter TPS54325 and nonsynchronous version TPS54331. While the synchronous TPS54325 offers integrated high-side MOSFET Q1 with on-resistance of 120 mΩ, and low-side SR power MOSFET Q2 on-chip with on-resistance of 70 mΩ, the nonsynchronous version TPS54331 comes with only the high-side MOSFET Q1 integrated on-chip with typical on-resistance of 80 mΩ. In this case, the diode D1 is external to this converter chip as shown in Figure 3. The input voltage rail chosen for this comparison was 12 VDC with output voltages from 1 to 3.3 VDC at output currents of below 3 A.

In the article just mentioned (see Ref. 2), TI engineers offer a few tips in selecting the external rectifier diode D1. As per this note, there are three key specifications that a power designer must consider when choosing the rectifier diode D1 for a nonsynchronous buck converter. These include the reverse voltage, the forward-voltage drop, and the forward current. While the rated reverse voltage must be at least 2 V higher than the maximum voltage at the switch node, the forward-voltage drop should be small for higher efficiency. What’s more, the TI app paper indicates that the peak-current rating must be greater than the maximum output current plus one-half the peak-to-peak inductor current. TI also cautions that at low output voltages, D1 operates as a catch diode that conducts more current than the high-side MOSFET. A fourth consideration is the designer must ensure that the package of the diode chosen can handle the power dissipation.
Taking these points into consideration, TI engineers selected the Diodes Inc. diode B340A for the nonsynchronous converter TPS54331. It offers a reverse-voltage rating of 40 V, a forward-voltage drop of 0.5 V, and a forward-current rating of 3 A. Depending on the desired output voltage VOUT, Table 1 provides values for passive components of the nonsynchronous buck converter circuit in Figure 3.
| VIN (V) | VOUT (V) | FSW (kHz) | LO (µH) | CO | RO1 (KΩ) | RO2 (KΩ) | C2 (pF) | C1 (pF) | R3 (KΩ) |
| 12 | 5 | 570 | 6.8 | Ceramic 33 µFx2 | 10 | 1.91 | 39 | 4700 | 49.9 |
| 12 | 3.3 | 570 | 6.8 | Ceramic 47 µFx2 | 10 | 3.24 | 47 | 1000 | 29.4 |
| 12 | 1.8 | 570 | 4.7 | Ceramic 100 µF | 10 | 8.06 | 68 | 5600 | 29.4 |
| 12 | 0.9 | 570 | 3.3 | Ceramic 100 µFx2 | 10 | 80.6 | 56 | 5600 | 29.4 |
| 12 | 5 | 570 | 6.8 | Aluminum 330 µF/160 mΩ | 10 | 1.91 | 68 | 120 | 29.4 |
| 12 | 3.3 | 570 | 6.8 | Aluminum 470 µF/160 mΩ | 10 | 3.24 | 82 | 220 | 10 |
| 12 | 1.8 | 570 | 4.7 | SP 100 µF/15 mΩ | 10 | 8.06 | 68 | 5600 | 29.4 |
| 12 | 0.9 | 570 | 3.3 | SP 330 µF/15 mΩ | 10 | 80.6 | 100 | 1200 | 49.9 |
Table 1: Passive component values for the TPS54331 based buck converter circuit in Figure 3.
Measured efficiency performance
Since efficiency is determined by total converter losses, which includes conduction, switching, and quiescent current, equations for calculating these losses in high- and low-side MOSFETs are presented in the TI paper.² It also presents the equation to calculate the power dissipation in the rectifier diode of the nonsynchronous buck circuit. These equations clearly indicate that there are several factors influencing the efficiency of nonsynchronous and synchronous buck converters, such as the drain-to-source resistance, drain-to-source forward voltage, duty cycle, frequency, and power MOSFET rise and fall times.
Because AC and DC losses of the inductor and the equivalent series resistance of the output capacitance also contribute to the overall converter losses, TI engineers deployed the same LC filter for both the converter circuits. Even though the two devices had slightly different fixed switching frequencies, the impact was not to alter the conclusion of this demonstration, according to the results presented in TI’s application journal article.²
For a DC input voltage of 12 V, measured efficiency performance for the two buck converters at DC output voltages of 1.5 and 2.5 V were plotted in Figures 4 and 5. Figure 4 shows that at full load, the TPS54325-based synchronous circuit offers higher efficiency at 1.5 V output because at low duty cycle (12.5 percent), the power diode of the nonsynchronous buck converter with the forward-voltage drop of 0.5 V dissipated more energy than the 70 mΩ SR MOSFET of the synchronous circuit, despite TPS54325’s high-side drain-to-source resistance. However, at light load, the nonsynchronous converter outperforms the synchronous solution.

Nevertheless, as the duty cycle increases to 21 percent at 2.5 V output for 12 V input, the power dissipation of the low-side rectifier diode of the nonsynchronous converter drops significantly to improve its efficiency across all loads. Figure 5 compares the efficiency performance of the nonsynchronous converter TPS54331 with synchronous solution of TPS54325. The results indicate that the full-load efficiencies of the two converters are nearly the same, while at low load, the nonsynchronous converter delivers much higher-efficiency performance.

Besides employing discontinuous conduction mode (DCM) at light loads, the nonsynchronous converter TPS54331 also features a pulse-skipping technique called Eco-mode that improves light-load efficiency. This mode of operation turns on the power MOSFET less often, resulting in lower switching losses. In summary, this article has shown that synchronous buck converters are not always more efficient, and that nonsynchronous efficiency can outperform synchronous converters at light loads and higher duty cycles.
References
- “Synchronous Rectification for Forward Converters,” by Steve Mappus, Principal Systems Engineer, Fairchild Semiconductor, Fairchild Semiconductor Power Seminar 2010-2011.
- “Efficiency of synchronous versus nonsynchronous buck converters” by Rich Nowakowski, Power Management Product Marketing, and Ning Tang, Systems Engineer, SWIFT DC/DC Converters, Texas Instruments Inc., Analog Applications Journal, 4Q 2009, p. 15.
Esonero della responsabilità: le opinioni, le convinzioni e i punti di vista espressi dai vari autori e/o dai partecipanti al forum su questo sito Web non riflettono necessariamente le opinioni, le convinzioni e i punti di vista di DigiKey o le sue politiche.


