Using Energy Harvesting to Power Access Control
Contributo di Editori europei di DigiKey
2015-05-06
The power supply is a key challenge for fitting access control systems such as electronic locks. Being able to power such devices from the environment delivers lower cost, easier integration and fitting and potentially makes the overall system more secure by eliminating the vulnerability of cutting the power supply. This article looks at the options for using energy harvesting and power management to provide the power for encrypted wireless access control systems that are connected to the Internet of Things with a particular focus on solar energy.
Providing power to an access control system is a key limitation in the retrofitting of smart buildings. Having to run power cables up and down doors can be complex and costly, and system architects are looking for different ways to provide power for smart systems. Having to regularly replace batteries in thousands of door locks is costly and in many cases impractical.
Instead, energy harvesting offers the opportunity to provide that power without lots of cabling, but there are some key considerations both in the installation and the system design, depending on the energy source.
The two most appropriate energy harvesting technologies for access control are solar and thermal power. While these generate relatively small amounts of current, this works for access control where small bursts of power are required to authorize access – usually through a wireless link or a card swipe - and release a lock from the captured and stored current. A wireless link back to a monitoring gateway also provides more security and can be used to trigger alarms if the power is cut or there are unauthorized attempts at entry. Using an energy harvesting approach with a wireless link eliminates the need for a costly cable infrastructure and simplifies the retrofitting of such systems.
For external doors, the difference in temperature can be harnessed by energy sources using the Peltier Effect. This makes use of the different electrical and thermal properties of metals so that a Peltier engine, such as the WPG-1 from Laird Technologies (Figure 1), can be installed in a door or through a wall with one side warmer than the other. This then generates a current that can be used to charge a battery to power the access control system.
The WPG-1 is a self-contained thin-film thermoelectric power generator that harvests waste heat and converts it to usable output DC power. One WPG-1 can produce up to 1.5 mW of usable output power and can handle a wide range of load resistances. An ultra-low voltage step-up converter is incorporated to provide usable output power at low temperature differentials of less than 20°C. The output power can be regulated to accommodate three voltage set points: 3.3 V, 4.1 V or 5.0 V.

Figure 1: The WPG-1 energy harvesting generator can produce up to 1.5 mW from a temperature difference.
A local battery is needed both to capture and smooth out the current from the source, which can be quite variable, but also for security. An access control system needs to remain available even if the power is cut, so having a local battery gives an advantage over a system powered directly by the mains.
However, the main source of power that can be harvested for an access control system is light. Using solar panels to provide the power for the system is cost effective and can use either natural daylight or artificial light. Today’s energy harvesting panels and power management can track the optimum charging rates to minimize the losses and retain as much of the captured current as possible to use for wireless links and the access authorization.
EnOcean’s Starter Kit (Figure 2) was designed to provide engineers with the tools to explore the performance capacity of self-powered wireless technologies.

Figure 2: EnOcean’s starter kit allows designers to evaluate different architectures for a wireless access controller powered by a solar cell.
The kit includes electro-mechanical power generators for switches for use in an access control system along with solar-powered sensors. RF signals at 315 MHz sent by the self-powered switches and sensors are received by a USB dongle to be visualized on a PC screen. The DolphinView Basic software interprets the EnOcean radio telegrams to demonstrate how wireless remote controls can be implemented without batteries by using the power generated from a rocker switch. The system also supports solar cells to power the wireless links.
Panasonic’s Amorton amorphous solar cells provide from 5.3 μA to 84 μA from indoor light, or 5 mA to 115 mA from outdoor light. The cells are packaged in glass for the most basic substrate or as a thin film that can be easily added to any structure to provide power. With the battery backup the film-based cells can be easily added without having to worry about cabling or security. As weight is not an issue, the cell array can be sized for the amount of power required for the access control system. With outdoor systems this can of course be smaller, but indoor systems can also use the same technology, creating economies of scale for the system designer.

Figure 3: Panasonic’s Amorton solar cells use either glass or plastic film substrates for different environments.
Both solar panels and Peltier engines need specialized power management devices to capture the current and manage the power from the battery.
The LTM8062 from Linear Technology is a complete micropower tracking battery charger that provides a constant-current/constant-voltage charge characteristic. It uses a 3.3 V float voltage feedback reference, so any desired battery float voltage up to 14.4 V for the LTM8062 can be programmed with a resistor divider.
This is achieved with an input voltage regulation loop that reduces charge current if the input voltage falls below a programmed level, which is set with a resistor divider. This input regulation loop is used to maintain the solar panel at peak output power using a maximum peak power tracking (MPPT) algorithm.
A typical solar panel is comprised of a number of series-connected cells, each cell being a forward-biased p-n junction. As such, the open-circuit voltage of the cell has a temperature coefficient that is similar to a common p-n diode, or about –2 mV/°C. The peak power point voltage (VMP) for a crystalline solar panel can be approximated as a fixed voltage below V, so the temperature coefficient for the peak power point is similar to that of the open-circuit voltage. Panel makers typically specify 25°C for both these values, so a feedback network with a temperature sensor can be used to program the voltage input to track the maximum peak power to get the most efficient power conversion as more light falls on the cells and they heat up.
The LTM8062 also includes preconditioning trickle charge so that the battery can be constantly but safely charged from the small amounts of current from the solar cell, as well as bad battery detection to simplify maintenance and repair.
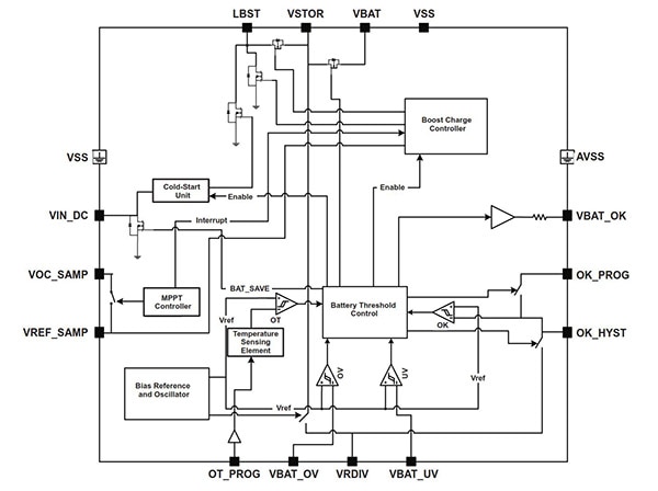
Similarly, the bq25504 from Texas Instruments is specifically designed to efficiently acquire and manage the nanopower from solar or thermal sources that generate microwatts to milliwatts in a 3 x 3 mm package. The design of the bq25504 starts with a DC-DC boost converter/charger that requires only microwatts of power to begin operating. Once started, this can effectively extract power from low-voltage output harvesters such as thermoelectric generators or solar panels. The boost converter can be started with voltages as low as 330 mV and once started, can continue to harvest energy down to 80 mV.
The bq25504 also implements a programmable MPPT sampling network to optimize the transfer of power into the device. Sampling the VIN_DC, open-circuit voltage is programmed using external resistors and held with an external capacitor. For solar cells that operate at maximum power point (MPP) of 80% of their open-circuit voltage, the resistor divider can be set to 80% of the VIN_DC voltage and the network will control the VIN_DC to operate near that sampled reference voltage. Alternatively, an external reference voltage can be provided by a microcontroller MCU to produce a more complex MPPT algorithm.

Figure 4: The functional block diagram of the bq25504 shows the key role of the maximum peak power-tracking (MPPT) controller for harvesting power from solar cells.
To prevent damage to the battery, both maximum and minimum voltages are monitored against the user-programmed undervoltage (UV) and overvoltage (OV) levels, and the power manager can signal an attached microcontroller when the voltage on the battery drops below a preset critical level. This warning should trigger the shedding of load currents to prevent the system from entering an undervoltage condition but has to be taken into account when designing the access control system.
Conclusion
The integration of power management chips has meant many different types of energy sources can be used for a wireless access control system, giving tremendous flexibility to the system implementation and dramatically reducing the need for complex cabling infrastructure. However, the choice of the harvesting source is still a key consideration for the system designer. Using internal or external solar cells or thermal energy will have different power management considerations, from temperature compensation and tracking to under and overvoltage monitoring. Having an access control system shut down as a result of an undervoltage condition is not a positive situation and designers need to pay careful attention to the power management requirements to get the most from their energy harvesting designs.
Esonero della responsabilità: le opinioni, le convinzioni e i punti di vista espressi dai vari autori e/o dai partecipanti al forum su questo sito Web non riflettono necessariamente le opinioni, le convinzioni e i punti di vista di DigiKey o le sue politiche.




