Scheda tecnica SN54F374, SN74F374 di Texas Instruments

[ U 1 I: J I: J Small-Outline (ssop) Packages, Ceramic 20[ 4 17] Chip Carriers, and Plastic and Ceramic 20[ 5 16] DIPS 30 I: 6 15 ] 3D [ 7 14 ] description 4D [ a 13] 4Q [ 9 12 ] These arblt fliprtlops feature Srstate outputs GND[ 10 11 ] designed specifically for driving highly capacitive or relatively lowrimpedance loads. They are particularly suitable for implementlng butler reglsters, l/O ports, bldirectional bus drivers, and working registers. The eight fliprflops of the ’F374 are edgertrlggered Drtype fliprflops. On the positive transition of the clock (CLK) input, the Q outputs are set to the logic levels that were set up at the data (D) inputs. A buffered output enable (E) input can be used to place the eight outputs in either a normal Ioglc state (high or low) or a hlghrimpedance state. In the highrimpedance state, the outputs neither load nor drive the bus lines significantly. The 0 highrimpedance state and the increased drive provlde the capabillty to drive bus lines without need lor lntertace or pullup components. The output enable (OE) input does not affect lnternal operatlons of the tllprflop. Old data data can be entered whlle the outputs are in the hlghrimpedance state. The SN74F374 is available in Tl’s shrink smallroutline package (DB), whlch provides and lunctionality of standard smallroutline packages in less than half the prlntedrclrcu The SN54F374 is characterized for operation over the full milltary temperature range SN74F374 ls characterized for operation from 0°C to 70°C. FUNCTION TABLE (each llip-llop) INPUTS OUTPUT o— CLK D o L t H H L t L L L H or L x Q0 H x x z I—II—Ir—Ir—H—I Copyright © 199 {9 TEXAS INSTRUMENTS POST orncg BOX 655303 - DALLAS. TEXAS 752s5



SDFS077AD2932, MARCH 1987 − REVISED OCTOBER 1993
Copyright 1993, Texas Instruments Incorporated
2−1
POST OFFICE BOX 655303 DALLAS, TEXAS 75265
Eight D-Type Flip-Flops in a Single Package
3-State Bus-Driving True Outputs
Full Parallel Access for Loading
Buffered Control Inputs
Package Options Include Plastic
Small-Outline (SOIC) and Shrink
Small-Outline (SSOP) Packages, Ceramic
Chip Carriers, and Plastic and Ceramic
DIPs
description
These 8-bit flip-flops feature 3-state outputs
designed specifically for driving highly capacitive
or relatively low-impedance loads. They are
particularly suitable for implementing buffer
registers, I/O ports, bidirectional bus drivers, and
working registers.
The eight flip-flops of the F374 are edge-triggered
D-type flip-flops. On the positive transition of the
clock (CLK) input, the Q outputs are set to the logic
levels that were set up at the data (D) inputs.
A buffered output enable (OE) input can be used
to place the eight outputs in either a normal logic
state (high or low) or a high-impedance state. In
the high-impedance state, the outputs neither
load nor drive the bus lines significantly. The
high-impedance state and the increased drive
provide the capability to drive bus lines without
need for interface or pullup components.
The output enable (OE) input does not affect internal operations of the flip-flop. Old data can be retained or new
data can be entered while the outputs are in the high-impedance state.
The SN74F374 is available in TI’s shrink small-outline package (DB), which provides the same I/O pin count
and functionality of standard small-outline packages in less than half the printed-circuit-board area.
The SN54F374 is characterized for operation over the full military temperature range of −55°C to 125°C. The
SN74F374 is characterized for operation from 0°C to 70°C.
FUNCTION TABLE
(each flip-flop)
INPUTS
OUTPUT
OE CLK D
OUTPUT
Q
LH H
LLL
LH or L X Q0
H X X Z
1
2
3
4
5
6
7
8
9
10
20
19
18
17
16
15
14
13
12
11
OE
1Q
1D
2D
2Q
3Q
3D
4D
4Q
GND
VCC
8Q
8D
7D
7Q
6Q
6D
5D
5Q
CLK
SN54F374 ...J PACKAGE
SN74F374 ... DB, DW, OR N PACKAGE
(TOP VIEW)
3 2 1 20 19
9 10 11 12 13
4
5
6
7
8
18
17
16
15
14
2D
2Q
3Q
3D
4D
SN54F374 . . . FK PACKAGE
(TOP VIEW)
1D
1Q
OE
5Q
5D 8Q
4Q
G
ND
CLK VCC
8D
7D
7Q
6Q
6D
  !" # $%&" !#  '%()$!" *!"&+
*%$"# $ " #'&$$!"# '& ",& "&#  &-!# #"%&"#
#"!*!* .!!"/+ *%$" '$&##0 *&# " &$&##!)/ $)%*&
"&#"0  !)) '!!&"&#+
figow I1 OE 11 CLK i m ’1 CLK 3 I m 2 ID 10 3 10 1D 5 4 6 20 2|) 7 30 3D 3 9 40 \_V_/ 4D 12 50 13 15 5D 50 I4 16 6D 10 I7 19 n 7 '3 so an Vcc V‘H V‘L ‘IK ‘OH ‘OL *4“ TEXAS INSTRUMENTS p057 omcg aox 555303 - DALLAS IEXAS 75sz 272



SDFS077AD2932, MARCH 1987 − REVISED OCTOBER 1993
2−2 POST OFFICE BOX 655303 DALLAS, TEXAS 75265
logic symbollogic diagram (positive logic)
1D
CLK
1Q
2
11
3
1
1D
C1
OE OE
EN
1
11
CLK
1D
3
1D 4
2D 7
3D 8
4D
5Q
12
6Q
15
7Q
16
8Q
19
13
5D 14
6D 17
7D 18
8D
1Q
2
2Q
5
3Q
6
4Q
9
C1
To Seven Other Channels
This symbol is in accordance with ANSI/IEEE Std 91-1984
and IEC Publication 617-12.
absolute maximum ratings over operating free-air temperature range (unless otherwise noted)
Supply voltage range, VCC 0.5 V to 7 V. . . . . . . . . . . . . . . . . . . . . . . . . . . . . . . . . . . . . . . . . . . . . . . . . . . . . . . . . .
Input voltage range, VI (see Note 1) 1.2 V to 7 V. . . . . . . . . . . . . . . . . . . . . . . . . . . . . . . . . . . . . . . . . . . . . . . . . .
Input current range 30 mA to 5 mA. . . . . . . . . . . . . . . . . . . . . . . . . . . . . . . . . . . . . . . . . . . . . . . . . . . . . . . . . . . . . .
Voltage range applied to any output in the disabled or power-off state 0.5 V to 5.5 V. . . . . . . . . . . . . . . . . . .
Voltage range applied to any output in the high state 0.5 V to VCC
. . . . . . . . . . . . . . . . . . . . . . . . . . . . . . . . . .
Current into any output in the low state: SN54F374 40 mA. . . . . . . . . . . . . . . . . . . . . . . . . . . . . . . . . . . . . . . . . . .
SN74F374 48 mA. . . . . . . . . . . . . . . . . . . . . . . . . . . . . . . . . . . . . . . . . . .
Operating free-air temperature range: SN54F374 55°C to 125°C. . . . . . . . . . . . . . . . . . . . . . . . . . . . . . . . . . .
SN74F374 0°C to 70°C. . . . . . . . . . . . . . . . . . . . . . . . . . . . . . . . . . . . . .
Storage temperature range 65°C to 150°C. . . . . . . . . . . . . . . . . . . . . . . . . . . . . . . . . . . . . . . . . . . . . . . . . . . . . . . .
Stresses beyond those listed under “absolute maximum ratings” may cause permanent damage to the device. These are stress ratings only and
functional operation of the device at these or any other conditions beyond those indicated under “recommended operating conditions” is not
implied. Exposure to absolute-maximum-rated conditions for extended periods may affect device reliability.
NOTE 1: The input voltage ratings may be exceeded provided the input current ratings are observed.
recommended operating conditions
SN54F374 SN74F374
UNIT
MIN NOM MAX MIN NOM MAX
UNIT
VCC Supply voltage 4.5 5 5.5 4.5 5 5.5 V
VIH High-level input voltage 2 2 V
VIL Low-level input voltage 0.8 0.8 V
IIK Input clamp current −18 −18 mA
IOH High-level output current −3 −3 mA
IOL Low-level output current 20 24 mA
TAOperating free-air temperature −55 125 0 70 °C
VIK SN54F374 SN74F374 Hold time data afler CLKT {5‘ TEXAS INSTRUMENTS



SDFS077A − D2932, MARCH 1987 − REVISED OCTOBER 1993
2−3
POST OFFICE BOX 655303 DALLAS, TEXAS 75265
electrical characteristics over recommended operating free-air temperature range (unless
otherwise noted)
PARAMETER
TEST CONDITIONS
SN54F374 SN74F374
UNIT
PARAMETER
TEST CONDITIONS
MIN TYPMAX MIN TYPMAX
UNIT
VIK VCC = 4.5 V, II = −18 mA 1.2 1.2 V
VCC = 4.5 V
IOH = − 1 mA 2.5 3.4 2.5 3.4
VOH VCC = 4.5 V IOH = − 3 mA 2.4 3.3 2.4 3.3 V
VCC = 4.75 V, IOH = − 1 mA to −3 mA 2.7
VOL
VCC = 4.5 V
IOL = 20 mA 0.3 0.5
V
VOL VCC = 4.5 V IOL = 24 mA 0.35 0.5 V
IOZH VCC = 5.5 V, VO = 2.7 V 50 50 µA
IOZL VCC = 5.5 V, VO = 0.5 V −50 −50 µA
IIVCC = 5.5 V, VI = 7 V 0.1 0.1 mA
IIH VCC = 5.5 V, VI = 2.7 V 20 20 µA
IIL VCC = 5.5 V, VI = 0.5 V − 0.6 − 0.6 mA
IOSVCC = 5.5 V, VO = 0 −60 −150 −60 −150 mA
ICCZ VCC = 5.5 V, See Note 2 55 86 55 86 mA
All typical values are at VCC = 5 V, TA = 25°C.
Not more than one output should be shorted at a time, and the duration of the short circuit should not exceed one second.
NOTE 2: ICCZ is measured with OE at 4.5 V and all other inputs grounded.
timing requirements over recommended ranges of supply voltage and operating free-air
temperature (unless otherwise noted)
VCC = 5 V,
TA = 25°C
SN54F374
SN74F374
UNIT
F374
SN54F374
SN74F374
UNIT
MIN MAX MIN MAX MIN MAX
fclock Clock frequency 0 100 0 60 0 70 MHz
Pulse duration
CLK high 7 7 7
ns
twPulse duration CLK low 6 6 6 ns
Setup time, data before CLK
High 2 2.5 2
ns
tsu
Setup time, data before CLK
Low 2 2 2 ns
Hold time, data after CLK
High 2 2 2
ns
h
Hold time, data after CLK
Low 2 2.5 2
ns
tPLH tPHL ‘PZH ‘PZL ‘PHZ ‘PLZ (INPUT) (OUTPUT) ‘9 TEXAS INSTRUMENTS



SDFS077AD2932, MARCH 1987 − REVISED OCTOBER 1993
2−4 POST OFFICE BOX 655303 DALLAS, TEXAS 75265
switching characteristics (see Note 3)
PARAMETER FROM
(INPUT)
TO
(OUTPUT)
VCC = 5 V,
CL = 50 pF,
RL = 500 ,
TA = 25°C
VCC = 4.5 V to 5.5 V,
CL = 50 pF,
RL = 500,
TA = MIN to MAXUNIT
(INPUT)
(OUTPUT)
F374 SN54F374 SN74F374
MIN TYP MAX MIN MAX MIN MAX
fmax 100 60 70 MHz
tPLH
CLK
Q
3.2 6.1 8.5 3.2 10.5 3.2 10
ns
tPHL CLK
Q
3.2 6.1 8.5 3.2 11 3.2 10 ns
tPZH
OE
Q
1.2 8.6 11.5 1.2 14 1.2 12.5
ns
tPZL
OE
Q
1.2 5.4 7.5 1.2 10 1.2 8.5 ns
tPHZ
OE
Q
1.2 4.9 7 1.2 8 1.2 8
ns
tPLZ
OE
Q
1.2 3.9 5.5 1.2 7.5 1.2 6.5
ns
For conditions shown as MIN or MAX, use the appropriate value specified under recommended operating conditions.
NOTE 3: Load circuits and waveforms are shown in Section 1.
I TEXAS INSTRUMENTS Samples Samples Samples Samples Samples Samples Samples Samples Samples Samples Samples Samples Samples Samples
PACKAGE OPTION ADDENDUM
www.ti.com 9-Mar-2021
Addendum-Page 1
PACKAGING INFORMATION
Orderable Device Status
(1)
Package Type Package
Drawing Pins Package
Qty Eco Plan
(2)
Lead finish/
Ball material
(6)
MSL Peak Temp
(3)
Op Temp (°C) Device Marking
(4/5)
Samples
5962-9759001Q2A ACTIVE LCCC FK 20 1 Non-RoHS
& Green SNPB N / A for Pkg Type -55 to 125 5962-
9759001Q2A
SNJ54F
374FK
5962-9759001QRA ACTIVE CDIP J 20 1 Non-RoHS
& Green SNPB N / A for Pkg Type -55 to 125 5962-9759001QR
A
SNJ54F374J
5962-9759001QRA ACTIVE CDIP J 20 1 Non-RoHS
& Green SNPB N / A for Pkg Type -55 to 125 5962-9759001QR
A
SNJ54F374J
5962-9759001QSA ACTIVE CFP W 20 1 Non-RoHS
& Green SNPB N / A for Pkg Type -55 to 125 5962-9759001QS
A
SNJ54F374W
5962-9759001QSA ACTIVE CFP W 20 1 Non-RoHS
& Green SNPB N / A for Pkg Type -55 to 125 5962-9759001QS
A
SNJ54F374W
JM38510/34105B2A ACTIVE LCCC FK 20 1 Non-RoHS
& Green SNPB N / A for Pkg Type -55 to 125 JM38510/
34105B2A
JM38510/34105B2A ACTIVE LCCC FK 20 1 Non-RoHS
& Green SNPB N / A for Pkg Type -55 to 125 JM38510/
34105B2A
JM38510/34105BRA ACTIVE CDIP J 20 1 Non-RoHS
& Green SNPB N / A for Pkg Type -55 to 125 JM38510/
34105BRA
JM38510/34105BRA ACTIVE CDIP J 20 1 Non-RoHS
& Green SNPB N / A for Pkg Type -55 to 125 JM38510/
34105BRA
JM38510/34105BSA ACTIVE CFP W 20 1 Non-RoHS
& Green SNPB N / A for Pkg Type -55 to 125 JM38510/
34105BSA
JM38510/34105BSA ACTIVE CFP W 20 1 Non-RoHS
& Green SNPB N / A for Pkg Type -55 to 125 JM38510/
34105BSA
M38510/34105B2A ACTIVE LCCC FK 20 1 Non-RoHS
& Green SNPB N / A for Pkg Type -55 to 125 JM38510/
34105B2A
M38510/34105B2A ACTIVE LCCC FK 20 1 Non-RoHS
& Green SNPB N / A for Pkg Type -55 to 125 JM38510/
34105B2A
M38510/34105BRA ACTIVE CDIP J 20 1 Non-RoHS
& Green SNPB N / A for Pkg Type -55 to 125 JM38510/
34105BRA
I TEXAS INSTRUMENTS Samples Samples Samples Samples Samples Samples Samples Samples Sample: Sample: Samples Samples Samples Samples Samples Samples Samples
PACKAGE OPTION ADDENDUM
www.ti.com 9-Mar-2021
Addendum-Page 2
Orderable Device Status
(1)
Package Type Package
Drawing Pins Package
Qty Eco Plan
(2)
Lead finish/
Ball material
(6)
MSL Peak Temp
(3)
Op Temp (°C) Device Marking
(4/5)
Samples
M38510/34105BRA ACTIVE CDIP J 20 1 Non-RoHS
& Green SNPB N / A for Pkg Type -55 to 125 JM38510/
34105BRA
M38510/34105BSA ACTIVE CFP W 20 1 Non-RoHS
& Green SNPB N / A for Pkg Type -55 to 125 JM38510/
34105BSA
M38510/34105BSA ACTIVE CFP W 20 1 Non-RoHS
& Green SNPB N / A for Pkg Type -55 to 125 JM38510/
34105BSA
SN54F374J ACTIVE CDIP J 20 1 Non-RoHS
& Green SNPB N / A for Pkg Type -55 to 125 SN54F374J
SN54F374J ACTIVE CDIP J 20 1 Non-RoHS
& Green SNPB N / A for Pkg Type -55 to 125 SN54F374J
SN74F374DBR ACTIVE SSOP DB 20 2000 RoHS & Green NIPDAU Level-1-260C-UNLIM 0 to 70 F374
SN74F374DBR ACTIVE SSOP DB 20 2000 RoHS & Green NIPDAU Level-1-260C-UNLIM 0 to 70 F374
SN74F374DW ACTIVE SOIC DW 20 25 RoHS & Green NIPDAU Level-1-260C-UNLIM 0 to 70 F374
SN74F374DW ACTIVE SOIC DW 20 25 RoHS & Green NIPDAU Level-1-260C-UNLIM 0 to 70 F374
SN74F374DWR ACTIVE SOIC DW 20 2000 RoHS & Green NIPDAU Level-1-260C-UNLIM 0 to 70 F374
SN74F374DWR ACTIVE SOIC DW 20 2000 RoHS & Green NIPDAU Level-1-260C-UNLIM 0 to 70 F374
SN74F374N ACTIVE PDIP N 20 20 RoHS &
Non-Green NIPDAU N / A for Pkg Type 0 to 70 SN74F374N
SN74F374N ACTIVE PDIP N 20 20 RoHS &
Non-Green NIPDAU N / A for Pkg Type 0 to 70 SN74F374N
SN74F374NSR ACTIVE SO NS 20 2000 RoHS & Green NIPDAU Level-1-260C-UNLIM 0 to 70 74F374
SN74F374NSR ACTIVE SO NS 20 2000 RoHS & Green NIPDAU Level-1-260C-UNLIM 0 to 70 74F374
SNJ54F374FK ACTIVE LCCC FK 20 1 Non-RoHS
& Green SNPB N / A for Pkg Type -55 to 125 5962-
9759001Q2A
SNJ54F
374FK
SNJ54F374FK ACTIVE LCCC FK 20 1 Non-RoHS
& Green SNPB N / A for Pkg Type -55 to 125 5962-
9759001Q2A
SNJ54F
374FK
I TEXAS INSTRUMENTS Samples Samples Samples Samples
PACKAGE OPTION ADDENDUM
www.ti.com 9-Mar-2021
Addendum-Page 3
Orderable Device Status
(1)
Package Type Package
Drawing Pins Package
Qty Eco Plan
(2)
Lead finish/
Ball material
(6)
MSL Peak Temp
(3)
Op Temp (°C) Device Marking
(4/5)
Samples
SNJ54F374J ACTIVE CDIP J 20 1 Non-RoHS
& Green SNPB N / A for Pkg Type -55 to 125 5962-9759001QR
A
SNJ54F374J
SNJ54F374J ACTIVE CDIP J 20 1 Non-RoHS
& Green SNPB N / A for Pkg Type -55 to 125 5962-9759001QR
A
SNJ54F374J
SNJ54F374W ACTIVE CFP W 20 1 Non-RoHS
& Green SNPB N / A for Pkg Type -55 to 125 5962-9759001QS
A
SNJ54F374W
SNJ54F374W ACTIVE CFP W 20 1 Non-RoHS
& Green SNPB N / A for Pkg Type -55 to 125 5962-9759001QS
A
SNJ54F374W
(1) The marketing status values are defined as follows:
ACTIVE: Product device recommended for new designs.
LIFEBUY: TI has announced that the device will be discontinued, and a lifetime-buy period is in effect.
NRND: Not recommended for new designs. Device is in production to support existing customers, but TI does not recommend using this part in a new design.
PREVIEW: Device has been announced but is not in production. Samples may or may not be available.
OBSOLETE: TI has discontinued the production of the device.
(2) RoHS: TI defines "RoHS" to mean semiconductor products that are compliant with the current EU RoHS requirements for all 10 RoHS substances, including the requirement that RoHS substance
do not exceed 0.1% by weight in homogeneous materials. Where designed to be soldered at high temperatures, "RoHS" products are suitable for use in specified lead-free processes. TI may
reference these types of products as "Pb-Free".
RoHS Exempt: TI defines "RoHS Exempt" to mean products that contain lead but are compliant with EU RoHS pursuant to a specific EU RoHS exemption.
Green: TI defines "Green" to mean the content of Chlorine (Cl) and Bromine (Br) based flame retardants meet JS709B low halogen requirements of <=1000ppm threshold. Antimony trioxide based
flame retardants must also meet the <=1000ppm threshold requirement.
(3) MSL, Peak Temp. - The Moisture Sensitivity Level rating according to the JEDEC industry standard classifications, and peak solder temperature.
(4) There may be additional marking, which relates to the logo, the lot trace code information, or the environmental category on the device.
(5) Multiple Device Markings will be inside parentheses. Only one Device Marking contained in parentheses and separated by a "~" will appear on a device. If a line is indented then it is a continuation
of the previous line and the two combined represent the entire Device Marking for that device.
(6) Lead finish/Ball material - Orderable Devices may have multiple material finish options. Finish options are separated by a vertical ruled line. Lead finish/Ball material values may wrap to two
lines if the finish value exceeds the maximum column width.
I TEXAS INSTRUMENTS
PACKAGE OPTION ADDENDUM
www.ti.com 9-Mar-2021
Addendum-Page 4
Important Information and Disclaimer:The information provided on this page represents TI's knowledge and belief as of the date that it is provided. TI bases its knowledge and belief on information
provided by third parties, and makes no representation or warranty as to the accuracy of such information. Efforts are underway to better integrate information from third parties. TI has taken and
continues to take reasonable steps to provide representative and accurate information but may not have conducted destructive testing or chemical analysis on incoming materials and chemicals.
TI and TI suppliers consider certain information to be proprietary, and thus CAS numbers and other limited information may not be available for release.
In no event shall TI's liability arising out of such information exceed the total purchase price of the TI part(s) at issue in this document sold by TI to Customer on an annual basis.
OTHER QUALIFIED VERSIONS OF SN54F374, SN74F374 :
Catalog: SN74F374
Military: SN54F374
NOTE: Qualified Version Definitions:
Catalog - TI's standard catalog product
Military - QML certified for Military and Defense Applications
I TEXAS INSTRUMENTS REEL DIMENSIONS TAPE DIMENSIONS 7 “KO '«Pi» Reel Diameler AD Dimension designed to accommodate the componeni width ED Dimension deSigned to accommodaie me componeni iengm KO Dlmenslun designed to accommodate the eomponeni thickness 7 w OveraH Widlh loe earner cape i p1 Piich between successive cawiy ceniers f T Reel Width (W1) QUADRANT ASSIGNMENTS FOR PIN 1 ORIENTATION IN TAPE O O O D O O D D SprockeiHules ,,,,,,,,,,, ‘ User Direcllon 0' Feed Pockel Quadrams
TAPE AND REEL INFORMATION
*All dimensions are nominal
Device Package
Type Package
Drawing Pins SPQ Reel
Diameter
(mm)
Reel
Width
W1 (mm)
A0
(mm) B0
(mm) K0
(mm) P1
(mm) W
(mm) Pin1
Quadrant
SN74F374DBR SSOP DB 20 2000 330.0 16.4 8.2 7.5 2.5 12.0 16.0 Q1
SN74F374DWR SOIC DW 20 2000 330.0 24.4 10.8 13.3 2.7 12.0 24.0 Q1
SN74F374NSR SO NS 20 2000 330.0 24.4 8.4 13.0 2.5 12.0 24.0 Q1
PACKAGE MATERIALS INFORMATION
www.ti.com 30-Dec-2020
Pack Materials-Page 1
I TEXAS INSTRUMENTS TAPE AND REEL BOX DIMENSIONS
*All dimensions are nominal
Device Package Type Package Drawing Pins SPQ Length (mm) Width (mm) Height (mm)
SN74F374DBR SSOP DB 20 2000 853.0 449.0 35.0
SN74F374DWR SOIC DW 20 2000 367.0 367.0 45.0
SN74F374NSR SO NS 20 2000 367.0 367.0 45.0
PACKAGE MATERIALS INFORMATION
www.ti.com 30-Dec-2020
Pack Materials-Page 2
MECHANICAL DATA AME; CHEF“ ELAR‘REE ?< (a="" cm;="" w”)="" ,eamess="" c="" ’7="" flflflflflfl\="" f="" e="" e="" e="" e="" ,="" kwwwg="" qfijrm“="" a="" i:="" i7="" i4="" i:="" i:="" e7="" eiflfiiflfizj="" vvwwttflfl="" 1="" notes="" ah="" ineur="" dimensions="" are="" in="" inches="" (minmeiers).="" this="" cruwg="" i5="" subjeci="" i0="" chcnge="" without="" noiice="" this="" package="" car="" he="" hermeticuiiy="" secied="" mm="" a="" metai="" ic="" i'ciis="" wiihi="" jedec="" n87004="" 50m)="" {mm="" instruments="" w.="" (i.="" cam="">
I-III
www.ti.com
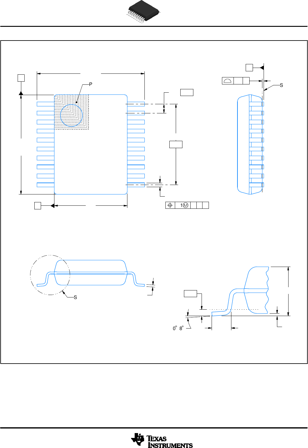
PACKAGE OUTLINE
C
18X 0.65
2X
5.85
20X 0.38
0.22
8.2
7.4 TYP
SEATING
PLANE
0.05 MIN
0.25
GAGE PLANE
0 -8
2 MAX
B5.6
5.0
NOTE 4
A
7.5
6.9
NOTE 3
0.95
0.55
(0.15) TYP
SSOP - 2 mm max heightDB0020A
SMALL OUTLINE PACKAGE
4214851/B 08/2019
1
10
11
20
0.1 C A B
PIN 1 INDEX AREA
SEE DETAIL A
0.1 C
NOTES:
1. All linear dimensions are in millimeters. Any dimensions in parenthesis are for reference only. Dimensioning and tolerancing
per ASME Y14.5M.
2. This drawing is subject to change without notice.
3. This dimension does not include mold flash, protrusions, or gate burrs. Mold flash, protrusions, or gate burrs shall not
exceed 0.15 mm per side.
4. This dimension does not include interlead flash. Interlead flash shall not exceed 0.25 mm per side.
5. Reference JEDEC registration MO-150.
A 15
DETAIL A
TYPICAL
SCALE 2.000
“‘w“‘+“‘w“‘
www.ti.com
EXAMPLE BOARD LAYOUT
0.07 MAX
ALL AROUND 0.07 MIN
ALL AROUND
20X (1.85)
20X (0.45)
18X (0.65)
(7)
(R0.05) TYP
SSOP - 2 mm max heightDB0020A
SMALL OUTLINE PACKAGE
4214851/B 08/2019
NOTES: (continued)
6. Publication IPC-7351 may have alternate designs.
7. Solder mask tolerances between and around signal pads can vary based on board fabrication site.
LAND PATTERN EXAMPLE
EXPOSED METAL SHOWN
SCALE: 10X
SYMM
SYMM
1
10 11
20
15.000
METAL
SOLDER MASK
OPENING METAL UNDER
SOLDER MASK SOLDER MASK
OPENING
EXPOSED METAL
EXPOSED METAL
SOLDER MASK DETAILS
NON-SOLDER MASK
DEFINED
(PREFERRED)
SOLDER MASK
DEFINED
mi: 2.5%
www.ti.com
EXAMPLE STENCIL DESIGN
20X (1.85)
20X (0.45)
18X (0.65)
(7)
(R0.05) TYP
SSOP - 2 mm max heightDB0020A
SMALL OUTLINE PACKAGE
4214851/B 08/2019
NOTES: (continued)
8. Laser cutting apertures with trapezoidal walls and rounded corners may offer better paste release. IPC-7525 may have alternate
design recommendations.
9. Board assembly site may have different recommendations for stencil design.
SOLDER PASTE EXAMPLE
BASED ON 0.125 mm THICK STENCIL
SCALE: 10X
SYMM
SYMM
1
10 11
20
MECHANICAL DATA NS (R-PDSO-G") PLASTIC SMALL—OUTLINE PACKAGE 14-PINS SHOWN HHFHHFH j j t t H H j, A jfi/—\ % lgLLLLLiLLL/fiif A MAX 1060 1060 1290 1530 A MW 990 9,90 1230 14‘70 4040062/0 03/03 VOTES: A. AH Hneur dimenswons are m mHHmetevs a, Tm: druwmg 5 subject to change wmom name. 0 Body dwmenswons do not mamas mom flash 0v pmtmswom not to exceed 0,15 INSTRUMEN'IS www.li.m
MECHANICAL DATA N (R—PDlP-T“) PLASTIC DUAL—IN—LINE PACKAGE 16 P15 SHOWN PWS " A L . [NM 15 a 20 16 9 0 775 U 777 0 SZU '1 USE 3 , 1H HH HH r% r’H r"—1 r’H H1 1 A VAX “9‘69? (191591 (23,37) (25,92) 0 250 (6,50‘ A MN [1145‘ 0142‘ 0.350 new 3 O 240 (6.10), 15 92/ (1832/ (2 .59) (23,58) MSiUO‘ (A AA AA Ari AA AA AA R1 &. VAR1AT1CN M RR AC AD 1 B 0070( (17s) 0015 (111) A 0045 (1,111 g n > , ‘ -) 3.020 (0,51) MW w o 5 (0 35) 0200( 38) MAX f, ), Gnu E Home 1 1‘ 9 fix—1%)” 1 0125’ 1/111 4% 0010 (v.37 ) NOM 31a) U L»- J 0450 (13,92) MAX L 202‘ (0,53) » e c 015 (0,35) / \ a; 00‘s (0,Zb)® / \ 1 1 \\¥,// 11/18 Pm (My > @ 20 Pm vendor upho'v mom/r 17/7037 NO'FS A AH Mnec' mmensmr‘fi: B 1m: drawmq 1s sume m muss (m1111mevem) 0 change mm): nofice /c\ FuHs wumn JEDEC M57001, except 15 an: 20 p171 'r1111mLm body 1mm (01m A) A The 70 p171 and 15m} shmflder Md” 15 a ve'vdnr 0311071, eher NIH Dr 111 wkflh INSI'RUMENTS www.1i.com
DW0020A I
www.ti.com
PACKAGE OUTLINE
C
TYP
10.63
9.97
2.65 MAX
18X 1.27
20X 0.51
0.31
2X
11.43
TYP
0.33
0.10
0 - 8
0.3
0.1
0.25
GAGE PLANE
1.27
0.40
A
NOTE 3
13.0
12.6
B7.6
7.4
4220724/A 05/2016
SOIC - 2.65 mm max heightDW0020A
SOIC
NOTES:
1. All linear dimensions are in millimeters. Dimensions in parenthesis are for reference only. Dimensioning and tolerancing
per ASME Y14.5M.
2. This drawing is subject to change without notice.
3. This dimension does not include mold flash, protrusions, or gate burrs. Mold flash, protrusions, or gate burrs shall not
exceed 0.15 mm per side.
4. This dimension does not include interlead flash. Interlead flash shall not exceed 0.43 mm per side.
5. Reference JEDEC registration MS-013.
120
0.25 C A B
11
10
PIN 1 ID
AREA
NOTE 4
SEATING PLANE
0.1 C
SEE DETAIL A
DETAIL A
TYPICAL
SCALE 1.200
DW0020A
www.ti.com
EXAMPLE BOARD LAYOUT
(9.3)
0.07 MAX
ALL AROUND
0.07 MIN
ALL AROUND
20X (2)
20X (0.6)
18X (1.27)
(R )
TYP
0.05
4220724/A 05/2016
SOIC - 2.65 mm max heightDW0020A
SOIC
SYMM
SYMM
LAND PATTERN EXAMPLE
SCALE:6X
1
10 11
20
NOTES: (continued)
6. Publication IPC-7351 may have alternate designs.
7. Solder mask tolerances between and around signal pads can vary based on board fabrication site.
METAL
SOLDER MASK
OPENING
NON SOLDER MASK
DEFINED
SOLDER MASK DETAILS
SOLDER MASK
OPENING
METAL UNDER
SOLDER MASK
SOLDER MASK
DEFINED
DW0020A $$$$$fififiifi%
www.ti.com
EXAMPLE STENCIL DESIGN
(9.3)
18X (1.27)
20X (0.6)
20X (2)
4220724/A 05/2016
SOIC - 2.65 mm max heightDW0020A
SOIC
NOTES: (continued)
8. Laser cutting apertures with trapezoidal walls and rounded corners may offer better paste release. IPC-7525 may have alternate
design recommendations.
9. Board assembly site may have different recommendations for stencil design.
SYMM
SYMM
1
10 11
20
SOLDER PASTE EXAMPLE
BASED ON 0.125 mm THICK STENCIL
SCALE:6X
MECHANICAL DATA W (R—GDFP—FZO) CERAWC DUAL FLATPACK Base and Szafing Hana (114111045 0.500 (7.62) f7 [1026 (0 as) 0.245 (6.22) f .: i ‘ ‘ 0.009 (023) fl? 0.004 0.10 <7 0.520="" (0.13)="" max="" 4»="" i="" 20="" :3="" i3:="" 0.022="" 0.56="" i:="" 3="" e="" )="" :i="" i:="" i="" 0.015="" (0.30)="" :3="" i:="" t="" :3="" ::i="" :3="" ::i="" 0.540="" (13.72)="" max="" [:3="" |::l="" [:3="" |::l="" [:3="" |::l="" [:3="" |::l="" “-005="" (m)="" m="" 4="" race:="" [:3="" i3:="" i="" 10="" i1="" 0="" 370="" (9,40)="" 0.370="" (9.40)="" 0.250="" (6.35)="" 0,250="" (5.35)="" 404013074/r="" 04/14="" notes:="" a.="" wpflw="" f0”:="" wilhin="" mh—std="" 1835="" gdfpz—fzo="" ah="" hnear="" dimensions="" are="" in="" inches="" (mhhmeters).="" this="" drawing="" ts="" sumeu="" \o="" cnange="" wunom="" nofice.="" this="" package="" can="" be="" hermelicahy="" semi="" win="" a="" ceramic="" lid="" using="" glass="" iril="" )ndex="" point="" is="" provided="" on="" cup="" (or="" lermina)="" identifica‘ion="" any.="" i="" texas="" instruments="" www.mmm="">
IMPORTANT NOTICE AND DISCLAIMER
TI PROVIDES TECHNICAL AND RELIABILITY DATA (INCLUDING DATASHEETS), DESIGN RESOURCES (INCLUDING REFERENCE
DESIGNS), APPLICATION OR OTHER DESIGN ADVICE, WEB TOOLS, SAFETY INFORMATION, AND OTHER RESOURCES “AS IS”
AND WITH ALL FAULTS, AND DISCLAIMS ALL WARRANTIES, EXPRESS AND IMPLIED, INCLUDING WITHOUT LIMITATION ANY
IMPLIED WARRANTIES OF MERCHANTABILITY, FITNESS FOR A PARTICULAR PURPOSE OR NON-INFRINGEMENT OF THIRD
PARTY INTELLECTUAL PROPERTY RIGHTS.
These resources are intended for skilled developers designing with TI products. You are solely responsible for (1) selecting the appropriate
TI products for your application, (2) designing, validating and testing your application, and (3) ensuring your application meets applicable
standards, and any other safety, security, or other requirements. These resources are subject to change without notice. TI grants you
permission to use these resources only for development of an application that uses the TI products described in the resource. Other
reproduction and display of these resources is prohibited. No license is granted to any other TI intellectual property right or to any third party
intellectual property right. TI disclaims responsibility for, and you will fully indemnify TI and its representatives against, any claims, damages,
costs, losses, and liabilities arising out of your use of these resources.
TI’s products are provided subject to TI’s Terms of Sale (https:www.ti.com/legal/termsofsale.html) or other applicable terms available either
on ti.com or provided in conjunction with such TI products. TI’s provision of these resources does not expand or otherwise alter TI’s
applicable warranties or warranty disclaimers for TI products.IMPORTANT NOTICE
Mailing Address: Texas Instruments, Post Office Box 655303, Dallas, Texas 75265
Copyright © 2021, Texas Instruments Incorporated