Scheda tecnica TCS3400 di ams-OSRAM USA INC.

ams Datasheet Page 1
[v1-06] 2017-Oct-10 Document Feedback
TCS3400
Color Light-to-Digital Converter
The TCS3400 device provides color and IR (red, green, blue, clear
and IR) light sensing. The color sensing provides for improved
accuracy lux and color temperature measurements typically
used to adjust the backlight intensity and correct the display
color gamut. Additionally it can be used for light source type
detection as it reports the IR content of the light.
Ordering Information and Content Guide appear at end of
datasheet.
Key Benefits & Features
The benefits and features of TCS3400, Color Light-to-Digital
Converter are listed below:
Figure 1:
Added Value of Using TCS3400
Applications
The TCS3400 applications include:
Ambient light sensing
Color temperature sensing
Industrial process control
Medical diagnostics
Benefits Features
Single Device Integrated Optical Solution RGBC and ALS Support
Power Management Features
Color Temperature and Ambient Light Sensing Programmable Gain & Integration Time
1000000:1 Dynamic Range
Equal Response to 360 degree Incident Light Circular Segmented RGBC Photodiode
Ideal for Operation Behind Dark Glass Very High Sensitivity
Light Source Detection RGBC + IR sensor
General Description
Page 2 ams Datasheet
Document Feedback [v1-06] 2017-Oct-10
TCS3400 − General Description
Block Diagram
The functional blocks of this device are shown below:
Figure 2:
TCS3400 Block Diagram
UV & IR
stopband
filter
Interrupt
I²C Interface
Clear
Red
Blue
Green
Clear ADC
Red ADC
Green ADC
Blue ADC
Clear Data
Red Data
Green Data
Blue Data
RGBC Control
Lower Limit
Upper Limit
INT
SCL
SDA
VDD
IR passband
filter
ams Datasheet Page 3
[v1-06] 2017-Oct-10 Document Feedback
TCS3400 − Pin Assignment
The TCS3400 pin assignments are described below.
Figure 3:
Pin Diagram
Figure 4:
Pin Description
Pin Diagram (Top View):
Package FN Dual Flat No-Lead.
Package Drawing is not to scale.
Pin Number Pin Name Description
1VDD Supply voltage
2 SCL I²C serial clock input terminal
3 GND Power supply ground. All voltages are referenced to GND.
4 I/C Internal connection, connect to ground or leave floating.
5 INT Interrupt — open drain output (active low)
6 SDA I²C serial data I/O terminal – open drain
Pin Assignment
VDD 1
SCL 2
GND 3
6 SDA
5 INT
4 I/C
Page 4 ams Datasheet
Document Feedback [v1-06] 2017-Oct-10
TCS3400Absolute Maximum Ratings
Stresses beyond those listed under Absolute Maximum Ratings
may cause permanent damage to the device. These are stress
ratings only. Functional operation of the device at these or any
other conditions beyond those indicated under Recommended
Operating Conditions is not implied. Exposure to absolute
maximum rating conditions for extended periods may affect
device reliability.
Figure 5:
Absolute Maximum Ratings
Parameter Min Max Units Comments
Supply voltage, VDD 3.8 V All voltages are with respect to GND
Input terminal voltage -0.5 3.8 V
Output terminal voltage -0.5 3.8 V
Output terminal current (SDA, INT) -1 20 mA
Storage temperature range, TSTRG -40 85 ºC
Input current (latch up immunity)
JEDEC JESD78D Nov 2011 CLASS 1
Electrostatic discharge HBM S-001-2014 ±2000 V
Electrostatic discharge CDM
JEDEC JESD22-C101F Oct 2013 ±500 V
Absolute Maximum Ratings
ams Datasheet Page 5
[v1-06] 2017-Oct-10 Document Feedback
TCS3400 − Electrical Characteristics
All limits are guaranteed. The parameters with min and max
values are guaranteed with production tests or SQC (Statistical
Quality Control) methods.
Figure 6:
Recommended Operating Conditions
Note(s):
1. While the device is operational across the temperature range, functionality will vary with temperature. Specifications are stated at
25°C unless otherwise noted.
Figure 7:
Operating Characteristics, VDD=3V, TA=25ºC (unless otherwise noted)
Symbol Parameter Min Typ Max Units
VDD Supply voltage 2.7 3 3.6 V
TA Operating free-air temperature (1) -40 70 °C
Symbol Parameter Conditions Min Typ Max Units
IDD Supply current
Active 235 330
AWait state 60
Sleep state - no I²C activity 1.0 10
VOL INT, SDA output low
voltage
3 mA sink current 0 0.4
V
6 mA sink current 0 0.6
ILEAK Leakage current, SDA,
SCL, INT pins -5 5 A
VIH SCL, SDA input high
voltage
TCS34001, TCS34005 0.7 VDD V
TCS34003, TCS34007 1.26
VIL SCL, SDA input low
voltage
TCS34001, TCS34005 0.3 VDD
V
TCS34003, TCS34007 0.54
Electrical Characteristics
Page 6 ams Datasheet
Document Feedback [v1-06] 2017-Oct-10
TCS3400 − Electrical Characteristics
Figure 8:
Optical Characteristics (Clear Channel), VDD = 3V, TA = 25°C, AGAIN = 16x, ATIME = 0xF6 (27.8ms)
Note(s):
1. The white LED irradiance is supplied by a warm white light-emitting diode with a nominal color temperature of 2700K.
2. The 465 nm input irradiance is supplied by an InGaN light-emitting diode with the following typical characteristics: dominant
wavelength λD = 465 nm, spectral halfwidth λ½ = 22 nm.
3. The 525 nm input irradiance is supplied by an InGaN light-emitting diode with the following typical characteristics: dominant
wavelength λD = 525 nm, spectral halfwidth λ½ = 35 nm.
4. The 615 nm input irradiance is supplied by an AlInGaP light-emitting diode with the following typical characteristics: dominant
wavelength λD = 615 nm, spectral halfwidth λ½ = 15 nm.
Figure 9:
Optical Characteristics (IR Channel), VDD = 3V, TA = 25°C, AGAIN = 16x, ATIME = 0xF6 (27.8ms)
Note(s):
1. The 850 nm input irradiance is supplied by an AlGaAs light-emitting diode with the following characteristics: peak wavelength
λP = 850 nm, spectral halfwidth λ1/2 = 42 nm.
Parameter Test Conditions Min Typ Max Unit
Re
Irradiance Responsivity
(Clear Channel)
White LED, CCT = 2700K(1) 11.2 14.0 16.8
counts/
(W/cm2)
Blue LED, λD = 465 nm(2) 9.5 11.8 14.2
Green LED, λD = 525 nm(3) 11.6 14.5 17.4
Red LED, λD = 615 nm(4) 13.6 17.0 20.4
Parameter Test Condition Min Typ Max Unit
Re
Irradiance Responsivity
(IR Channel)
λP = 850 nm(1) 10.0 13.3 16.6 counts/
(µW/cm2)
ams Datasheet Page 7
[v1-06] 2017-Oct-10 Document Feedback
TCS3400 − Electrical Characteristics
Figure 10:
Optical Characteristics, VDD=3V, TA=25ºC
Note(s):
1. The 465 nm input irradiance is supplied by an InGaN light-emitting diode with the following characteristics: dominant wavelength
λD = 465 nm, spectral halfwidth λ½ = 22 nm.
2. The 525 nm input irradiance is supplied by an InGaN light-emitting diode with the following characteristics: dominant wavelength
λD = 525 nm, spectral halfwidth λ½ = 35 nm.
3. The 615 nm input irradiance is supplied by a AlInGaP light-emitting diode with the following characteristics: dominant wavelength
λD = 615 nm, spectral halfwidth λ½ = 15 nm.
4. The 850 nm input irradiance is supplied by an AlGaAs light-emitting diode with the following characteristics: peak wavelength
λP = 850 nm, spectral halfwidth λ1/2 = 42 nm.
Parameter Test Conditions
Red /
Clear
Channel
Green /
Clear
Channel
Blue /
Clear
Channel
IR /
Clear
Channel
Min Max Min Max Min Max Min Max
Color ADC
count value
ratio:
Color / Clear
λD = 465 nm (1) 0% 13% 10% 38% 70% 91%
λD = 525 nm (2) 3% 22% 59% 86% 10% 40%
λD = 615 nm (3) 80% 110% 0% 15% 3% 26% 0% 5%
λP = 850 nm (4) 667%
Page 8 ams Datasheet
Document Feedback [v1-06] 2017-Oct-10
TCS3400 − Electrical Characteristics
Figure 11:
RGBC Characteristics, VDD = 3V, TA = 25ºC, AGAIN = 16x, AEN = 1 (unless otherwise noted)
Note(s):
1. Based on typical 3-sigma distribution. Not 100% tested.
Figure 12:
Wait Characteristics, VDD = 3V, TA = 25ºC, WEN = 1 (unless otherwise noted)
Parameter Conditions Min Typ Max Units
Dark ADC count value
(Clear and RGB Channels) Ee = 0, AGAIN = 64x,
ATIME = 0xB8 (200ms)
0 1 4 counts
02
counts (1)
Dark ADC count value
(IR Channel)
0 1 6 counts
04
counts (1)
Integration time step size 2.65 2.78 2.93 ms
Number of integration steps 1 256 steps
ADC count value
ATIME = 0xFF (2.78ms) to 0xC1
(175ms) (1 to 63 steps) 0 1024
counts/
step
ATIME = 0xC0 (178ms) to 0x00
(712ms) (64 to 256 steps) 0 65535 counts
Gain scaling, relative to 16×
gain setting
1x: AGAIN = 00 0.936 0.985 1.065
×
4x: AGAIN = 01 3.66 3.85 4.16
16x: AGAIN = 10 16.0
64x: AGAIN = 11 59.6 62.7 67.8
Parameter Conditions Min Typ Max Units
Wait step size WTIME = 0xFF 2.78 ms
mafia
ams Datasheet Page 9
[v1-06] 2017-Oct-10 Document Feedback
TCS3400 − Timing Characteristics
The timing characteristics of TCS3400 are given below.
Figure 13:
AC Electrical Characteristics, VDD = 3V, TA = 25°C (unless otherwise noted)
Note(s):
1. Specified by design and characterization; not production tested.
Timing Diagram
Figure 14:
Parameter Measurement Information
Parameter(1) Conditions Min Max Unit
fSCL Clock frequency (I²C only) 0 400 kHz
tBUF Bus free time between start and stop condition 1.3 µs
tHD;STA Hold time after (repeated) start condition.
After this period, the first clock is generated. 0.6 µs
tSU;STA Repeated start condition setup time 0.6 µs
tSU;STO Stop condition setup time 0.6 µs
tHD;DAT Data hold time 60 ns
tSU;DAT Data setup time 100 ns
tLOW SCL clock low period 1.3 µs
tHIGH SCL clock high period 0.6 µs
tF Clock/data fall time 300 ns
tR Clock/data rise time 300 ns
CiInput pin capacitance 10 pF
Timing Characteristics
STARTSTART STOPSTOP
tBUF
tLOW
tHD; STA
tR
tF
VIH
VIL
VIH
VIL
tSU; DAT
tSU; STA
tHD; DAT
tHIGH
tSU; STO
SCL
SDA
100% 90% 80% 70% 60% 50% 40% 30% 20% 10% 0% 300 400 500 600 700 800 900 —c\ezr — Red —Green —B\ue _ _ - m Channe‘ 1000 1100
Page 10 ams Datasheet
Document Feedback [v1-06] 2017-Oct-10
TCS3400 − Typical Operating Characteristics
Figure 15:
Spectral Responsivity
Typical Operating
Characteristics
Normalized Responsivity
Wavelength (nm)
a —so —so 40 a an so so
ams Datasheet Page 11
[v1-06] 2017-Oct-10 Document Feedback
TCS3400 − Typical Operating Characteristics
Figure 16:
Normalized Responsivity vs. Angular Displacement
Figure 17:
Responsivity Temperature Coefficient
Wavelength Temperature Coefficient
400 – 670nm 250 ppm/°C
850nm 2500 ppm/°C
950nm 5500 ppm/°C
Normalized Responsivity
Θ - Angular Displacement - °
Page 12 ams Datasheet
Document Feedback [v1-06] 2017-Oct-10
TCS3400 − Func tional Descr iption
The TCS3400 device provides ambient light sensing and color
temperature sensing. The internal state machine manages the
operation of the device. It controls the ALS functionality and
power down modes. Average power consumption is managed
via control of variable endurance low power wait cycles.
The interrupt feature improves system efficiency by eliminating
the need to poll the sensor. Two interrupt sources (ALS, ALS
saturation) can activate the open drain output pin. Each
interrupt source is enabled independently. ALS interrupts
appear when upper or lower thresholds are exceeded for a
consecutive number of sample readings.
The advanced digital color light sensor portion of the TCS3400
contains a segmented circular photodiode array used for color
measurements. This architecture provides stable color sensing
independent of the incident angle of light. Four integrating
analog-to-digital converters (ADCs) integrate light energy from
photodiodes simultaneously.
Figure 18:
Simplified ALS State Machine
Communication with the device is
accomplished through a fast (up to 400
kHz) two wire I²C serial bus for easy
connection to a microcontroller or
embedded controller. The device
typically draws only 235μA in color
operation and 1uA during power down.
Functional Description
Sleep
Start
Wait
RGBC
PON = 1
(0x80:b0)
PON = 0
(0x80:b0)
ams Datasheet Page 13
[v1-06] 2017-Oct-10 Document Feedback
TCS3400 − Register Description
The device is controlled and monitored by registers accessed
through the I²C serial interface. These registers provide for a
variety of control functions and can be read to determine results
of the ADC conversions. The register set is summarized in the
figure below.
Figure 19:
Register Map
Address Register
Name R/W Register Function Reset Value
0x80 ENABLE R/W Enables states and interrupts 0x00
0x81 ATIME R/W RGBC integration time 0xFF
0x83 WTIME R/W Wait time 0xFF
0x84 AILTL R/W Clear interrupt low threshold low byte 0x00
0x85 AILTH R/W Clear interrupt low threshold high byte 0x00
0x86 AIHTL R/W Clear interrupt high threshold low byte 0x00
0x87 AIHTH R/W Clear interrupt high threshold high byte 0x00
0x8C PERS R/W Interrupt persistence filter 0x00
0x8D CONFIG R/W Configuration 0x40
0x8F CONTROL R/W Gain control register 0x00
0x90 AUX R/W Auxiliary control register 0x00
0x91 REVID R Revision ID Rev
0x92 ID R Device ID ID
0x93 STATUS R Device status 0x00
0x94 CDATAL R Clear / IR channel low data register 0x00
0x95 CDATAH R Clear / IR channel high data register 0x00
0x96 RDATAL R Red ADC low data register 0x00
0x97 RDATAH R Red ADC high data register 0x00
0x98 GDATAL R Green ADC low data register 0x00
0x99 GDATAH R Green ADC high data register 0x00
Register Description
Page 14 ams Datasheet
Document Feedback [v1-06] 2017-Oct-10
TCS3400 − Register Description
Enable Register (ENABLE 0 x 80)
The Enable Register is used primarily to power the device
ON/OFF, and enable functions and interrupts.
Figure 20:
Enable Register
0x9A BDATAL R Blue ADC low data register 0x00
0x9B BDATAH R Blue ADC high data register 0x00
0xC0 IR R/W Access IR Channel 0x00
0xE4 IFORCE W Force Interrupt 0x00
0xE6 CICLEAR W Clear channel interrupt clear 0x00
0xE7 AICLEAR W Clear all interrupts 0x00
7 6 5 4 3 2 1 0
Reserved SAI Reserved AIEN WEN Reserved AEN PON
Field Bits Description
Reserved 7 Reserved. Write as 0.
SAI 6 Sleep After Interrupt. When asserted, the device will power down at the end
of a RGBC cycle if an interrupt is generated.
Reserved 5 Reserved. Write as 0.
AIEN 4 ALS Interrupt Enable. When asserted permits ALS interrupts to be generated,
subject to the persist filter.
WEN 3 Wait Enable. This bit activates the wait feature. Writing a 1 activates the wait
timer. Writing a 0 disables the wait timer.
Reserved 2 Reserved. Write as 0.
AEN 1 ADC Enable. This bit activates the four-channel (RGBC) ADC. Writing a 1
enables the ADC. Writing a 0 disables the ADC.
PON 0
Power ON. This bit activates the internal oscillator to permit the timers and
ADC channels to operate. Writing a 1 activates the oscillator. Writing a 0
disables the oscillator and puts the part into a low power sleep mode. During
reads and writes over the I²C interface, this bit is temporarily overridden and
the oscillator is enabled, independent of the state of PON.
Address Register
Name R/W Register Function Reset Value
ams Datasheet Page 15
[v1-06] 2017-Oct-10 Document Feedback
TCS3400 − Register Description
RGBC Integration Time Register (ATIME 0x81)
The ATIME register controls the internal integration time of the
RGBC channel ADCs. Upon power up, the RGBC time register is
set to 0xFF.
The maximum (or saturation) count value can be calculated
based upon the integration time cycles as follows:
min [CYCLES * 1024, 65535]
Figure 21:
RGBC Integration Time Register
Wait Time Register (WTIME 0x83)
The WTIME controls the amount of time in a low power mode.
It is set 2.78 ms increments unless the WLONG bit is asserted in
which case the wait times are 12× longer. WTIME is
programmed as a 2’s complement number. Upon power up, the
wait time register is set to 0xFF.
Figure 22:
Wait Time Register
Note(s):
1. The wait time register should be configured before AEN is asserted.
Field Bits
Description
Value Cycles Time Max Count
ATIME 7:0
0xFF 1 2.78 ms 1024
0xF6 10 27.8 ms 10240
0xDB 37 103 ms 37888
0xC0 64 178 ms 65535
0x00 256 712 ms 65535
Field Bits
Description
Register Value Wait Time Time
(WLONG=0)
Time
(WLONG=1)
WTIME 7:0
0xFF 1 2.78 ms 0.03 s
0xAB 85 236 ms 2.84 s
0x00 256 712 ms 8.54 s
Page 16 ams Datasheet
Document Feedback [v1-06] 2017-Oct-10
TCS3400 − Register Description
Clear Channel Interrupt Threshold Register
(0x84 - 0x87)
The Clear Channel Interrupt Threshold Registers provide 16 bit
values to be used as the high and low thresholds for comparison
to the 16 bit CDATA values. If AIEN (0x80:b4) is enabled and
CDATA is not between AILT and AIHT for the number of
consecutive samples specified in APERS (0x8C:b[3:0]) an
interrupt is asserted on the interrupt pin.
Figure 23:
Clear Channel Interrupt Threshold Registers
Register Address Bits Description
AILTL 0x84 7:0 Clear Channel low threshold lower byte
AILTH 0x85 7:0 Clear Channel low threshold upper byte
AIHTL 0x86 7:0 Clear Channel high threshold lower byte
AIHTH 0x87 7:0 Clear Channel high threshold upper byte
ams Datasheet Page 17
[v1-06] 2017-Oct-10 Document Feedback
TCS3400 − Register Description
Interrupt Register (0x8C)
The Interrupt Register controls the interrupt capabilities of the
device.
Figure 24:
Interrupt Register
7 6 5 4 3 2 1 0
Reserved APERS
Field Bits Description
Reserved 7:4 Reserved. Write as 0.
APERS 3:0
Clear Interrupt Persistence. Controls rate of Clear channel interrupt to the host
processor.
Field Value Persistence
0000 Every RGBC cycle generates an interrupt
0001 Any value outside of threshold range
0010 2 consecutive values out of range
0011 3 consecutive values out of range
0100 5 consecutive values out of range
0101 10 consecutive values out of range
0110 15 consecutive values out of range
0111 20 consecutive values out of range
1000 25 consecutive values out of range
1001 30 consecutive values out of range
1010 35 consecutive values out of range
1011 40 consecutive values out of range
1100 45 consecutive values out of range
1101 50 consecutive values out of range
1110 55 consecutive values out of range
1111 60 consecutive values out of range
Page 18 ams Datasheet
Document Feedback [v1-06] 2017-Oct-10
TCS3400 − Register Description
Configuration Register (CONFIG 0x8D)
The CONFIG register sets the wait long time. The registers is set
0x40 at power up.
Figure 25:
Configuration Register
Note(s):
1. Bit 6 is reserved and has to be programmed = 1.
Control Register (CONTROL 0x8F)
Figure 26:
Control Register
7 6 5 4 3 2 1 0
Reserved Reserved1 Reserved WLONG Reserved
Field Bits Description
Reserved 7 Reserved. Write as 0.
Reserved (1) 6Reserved. Write as 1.
Reserved 5:2 Reserved. Write all as 0.
WLONG 1 Wait Long. When asserted, the wait cycles are increased by a factor 12×
from that programmed in the WTIME register.
Reserved 0 Reserved. Write as 0.
7 6 5 4 3 2 1 0
Reserved AGAIN
Field Bits Description
Reserved 7:2 Reserved. Write all as 0.
AGAIN 1:0
RGBC Gain Control.
FIELD VALUE RGBC GAIN VALUE
00 1X Gain
01 4X Gain
10 16X Gain
11 64X Gain
ams Datasheet Page 19
[v1-06] 2017-Oct-10 Document Feedback
TCS3400 − Register Description
Auxiliary Register (AUX 0x90)
The AUX register enables the ALS saturation detection
interrupt. If ASIEN = 1 and an interrupt occurs it is cleared by
accessing the Clear Interrupt registers at 0XE6 or 0XE7.
Figure 27:
Auxiliary Register
Revision ID Register (REVID 0x91)
This read-only register identifies the die revision level.
Figure 28:
Revision ID Register
7 6 5 4 3 2 1 0
Reserved ASIEN Reserved
Field Bits Description
Reserved 7:6 Reserved. Write all as 0.
ASIEN 5 0 disables, 1 enables ALS Saturation Interrupt
Reserved 4:0 Reserved.
7 6 5 4 3 2 1 0
Reserved RevID
Field Bits Description
Reserved 7:4 Reserved.
RevID 3:0 Wafer die revision level
Page 20 ams Datasheet
Document Feedback [v1-06] 2017-Oct-10
TCS3400 − Register Description
ID Register (ID 0x92)
The read-only ID register provides the device identification.
Figure 29:
ID Register
Status Register (STATUS 0x93)
The read-only Status Register provides the internal status of the
device.
Figure 30:
Status Register
7 6 5 4 3 2 1 0
ID VID
Field Bits Description
ID 7:2 Device Identification = 100100
VID 1:0 00b for TCS34001 & TCS34005
11b for TCS34003 & TCS34007
7 6 5 4 3 2 1 0
ASAT Reserved AINT Reserved AVALID
Field Bits Description
ASAT 7
ALS Saturation. When asserted, the analog sensor was at the upper
end of its dynamic range. The bit can be de-asserted by sending a clear
channel interrupt command (0xE6 CICLEAR) or by disabling the ALS
ADC (AEN=0). ATIME and AGAIN are controls that can be adjusted to set
when saturation happens. This bit triggers an interrupt if ASIEN in AUX
is set.
Reserved 6:5 Reserved.
AINT 4
ALS Interrupt. If AEN is set, indicates that an ALS event that met the
programmed ALS thresholds (AILT or AIHT) and persistence (APERS)
occurred.
Reserved 3:1 Reserved.
AVALID 0 RGBC Valid. Indicates that the RGBC cycle has completed since AEN
was asserted.
ams Datasheet Page 21
[v1-06] 2017-Oct-10 Document Feedback
TCS3400 − Register Description
RGBC Data Registers (0x94 - 0x9B)
Clear, red, green, and blue data is stored as 16-bit values. The
read sequence must read byte pairs (low followed by high)
starting on an even address boundary (0x94, 0x96, 0x98, or
0x9A) inside the RGBC Data Register block. When the lower byte
register is read, the upper eight bits are stored into a shadow
register, which is read by a subsequent read to the upper byte.
The upper register will read the correct value even if additional
ADC integration cycles end between the reading of the lower
and upper registers.
Figure 31:
RGBC Data Registers
Register Address Bits Description
CDATAL 0x94 7:0 Clear / IR data low byte
CDATAH 0x95 7:0 Clear / IR data high byte
RDATAL 0x96 7:0 Red data low byte
RDATAH 0x97 7:0 Red data high byte
GDATAL 0x98 7:0 Green data low byte
GDATAH 0x99 7:0 Green data high byte
BDATAL 0x9A 7:0 Blue data low byte
BDATAH 0x9B 7:0 Blue data high byte
Page 22 ams Datasheet
Document Feedback [v1-06] 2017-Oct-10
TCS3400 − Register Description
IR Register (0xC0)
Access to IR channel; allows mapping of IR channel on clear
channel.
Figure 32:
IR Register
Clear Interrupt Registers (0xE3, 0xE7)
Any dummy data byte (0x00 recommended) written to the
specified register will clear the indicated interrupt.
Figure 33:
Clear Interrupt Registers
7 6 5 4 3 2 1 0
IR Reserved
Field Bits Description
IR 7 IR Sensor access. If this bit is set the clear channel reports the
measurement from the IR sensor (center diode).
Reserved 6:0 Reserved. Always write as 0.
Register Address Bits Description
IFORCE 0xE4 7:0 Forces an interrupt (any value)
CICLEAR 0xE6 7:0 Clear channel interrupt clear (any value)
AICLEAR 0xE7 7:0 Clears all interrupts (any value)
ams Datasheet Page 23
[v1-06] 2017-Oct-10 Document Feedback
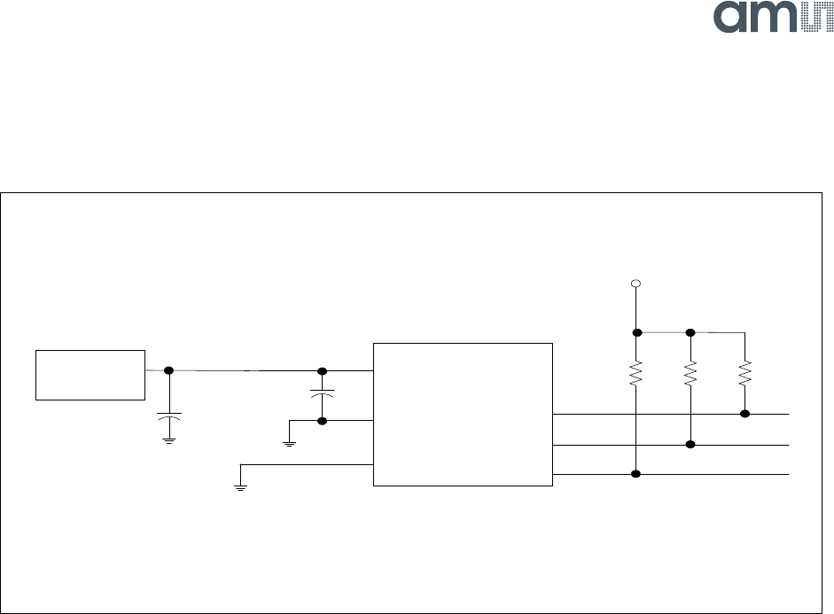
TCS3400 − Power Supply Considerations
Place a 1-F low-ESR decoupling capacitor as close as possible
to the VDD pin.
Figure 34:
Typical Application Hardware Circuit
VBUS in the above figures refers to the I²C bus voltage which is
either VDD or 1.8V. Be sure to apply the specified I²C bus voltage
shown in the Ordering & Contact Information for the specific
device being used.
The I²C signals and the Interrupt are open-drain outputs and
require pull−up resistors. The pull-up resistor (RP) value is a
function of the I²C bus speed, the I²C bus voltage, and the
capacitive load. The ams EVM running at 400 kbit/s, uses 1.5-k
resistors. A 10-k pull-up resistor (RPI) can be used for the
interrupt line.
Power Supply Considerations
TCS3400
VDD
1 µF
VBUS
GND
I/C
INT
SCL
SDA
RPRPRPI
Voltage
Regulator Cap sized
per
regulator
specs
2X1 7* 2X 650 (ix 300 .|- W... 4» 3X 1250
Page 24 ams Datasheet
Document Feedback [v1-06] 2017-Oct-10
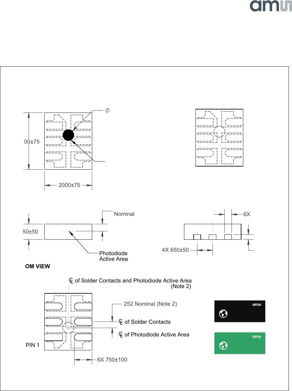
TCS3400 − PCB Pad Layout
Suggested PCB pad layout guidelines for the surface mount
module are shown. Flash Gold is recommended as a surface
finish for the landing pads.
Figure 35:
Suggested PCB Layout
Note(s):
1. All linear dimensions are in millimeters.
2. This drawing is subject to change without notice.
PCB Layout: Suggested land pattern
based on the IPC-7351B Generic
Requirements for Surface Mount Design
and Land Pattern Standard (2010) for the
small outline no-lead (SON) package.
PCB Pad Layout
;
;
;
;
;
3,1
;)8//5
00:75 <7 2000:75="" 4—="" 50:50="" \7="" om="" view="" p‘n1="" q="" 0!="" son!="" r="" nominal="" «t="" k="" 6x="" 7="" 4x="" 650:50="" «ll—j="" fl="" 7%="" phomdiode="" acxive="" area="" er="" conlacls="" and="" pholodxode="" aclwe="" area="" (nole="" 2)="" f="" 252="" nominal="" (note="" 2)="" q="" of="" solder="" comacxs="" q="" of="" phomdiode="" acxive="" area="" 6x="" 750:100="">
ams Datasheet Page 25
[v1-06] 2017-Oct-10 Document Feedback
TCS3400 − Package Drawings & Markings
Figure 36:
IC Package Mechanical Drawing
Note(s):
1. All linear dimensions are in micrometers. Dimension tolerance is ±20 m unless otherwise noted.
2. The die is centered within the package within a tolerance of ±75 m.
3. Package top surface is molded with an electrically non-conductive clear plastic compound having an index of refraction of 1.55.
4. Contact finish is Copper Alloy A194 with pre-plated NiPdAu lead finish.
5. This package contains no lead (Pb).
6. This drawing is subject to change without notice.
Package Drawings & Markings



3KRWRGLRGH
$FWLYH$UHD
7239,(:


1RPLQDO
(1'9,(:
3KRWRGLRGH
$FWLYH$UHD
;
1RPLQDO1RWH
&
/
RI3KRWRGLRGH$FWLYH$UHD
&
/
RI6ROGHU&RQWDFWV
%277209,(:
&
/
RI6ROGHU&RQWDFWVDQG3KRWRGLRGH$FWLYH$UHD
1RWH
;
;;
6,'(9,(:
3,1
Green
RoHS
9''
6&/
*1'
6'$
,17
,&
4 2:0.05 4 —>B > O O Q d ‘ r . L 5+3" ' 3.50: 0.10 o —-——e— — o G I —>B 0050:0115 X X : 7W 0.53:0.057 2.21:0.05 K0 2.61:0.05 A0 Bo ’\6°MAX(‘ 7020:005 41 6 MAX I» am
Page 26 ams Datasheet
Document Feedback [v1-06] 2017-Oct-10
TCS3400 − Package Mechanical Data
Figure 37:
Carrier Tape & Reel Information
Note(s):
1. All linear dimensions are in millimeters. Dimension tolerance is ± 0.10 mm unless otherwise noted.
2. The dimensions on this drawing are for illustrative purposes only. Dimensions of an actual carrier may vary slightly.
3. Symbols on drawing Ao, Bo, and Ko are defined in ANSI EIA Standard 481−B 2001.
4. Each reel is 330 millimeters in diameter.
5. Packaging tape and reel conform to the requirements of EIA Standard 481−B.
6. In accordance with EIA standard, device pin 1 is located next to the sprocket holes in the tape.
7. This drawing is subject to change without notice.
8. The device pin 1 is located in the upper left corner inside the T&R pockets.
Package Mechanical Data









$
$
%
%

$R

0$;
6(&7,21$$

.R

%R
0$;
6(&7,21%%
527$7('
&:
ams Datasheet Page 27
[v1-06] 2017-Oct-10 Document Feedback
TCS3400 − Soldering & Storage Information
The FN package has been tested and has demonstrated an
ability to be reflow soldered to a PCB substrate.
The solder reflow profile describes the expected maximum heat
exposure of components during the solder reflow process of
product on a PCB. Temperature is measured on top of
component. The components should be limited to a maximum
of three passes through this solder reflow profile.
Figure 38:
Solder Reflow Profile
Figure 39:
Solder Reflow Profile Graph
Parameter Reference Device
Average temperature gradient in preheating 2.5 ºC/s
Soak time tsoak 2 to 3 minutes
Time above 217 ºC (T1)t
1Max 60 s
Time above 230 ºC (T2)t
2Max 50 s
Time above Tpeak - 10 ºC (T3)t
3Max 10 s
Peak temperature in reflow Tpeak 260 ºC
Temperature gradient in cooling Max -5 ºC/s
Soldering & Storage
Information
NottoScale
Tpeak
Temperaturein°C
Timeinseconds
t2
T2
T3
T1
t3
Page 28 ams Datasheet
Document Feedback [v1-06] 2017-Oct-10
TCS3400 − Soldering & Storage Information
Moisture Sensitivity
Optical characteristics of the device can be adversely affected
during the soldering process by the release and vaporization of
moisture that has been previously absorbed into the package.
To ensure the package contains the smallest amount of
absorbed moisture possible, each device is baked prior to being
dry packed for shipping.
Devices are dry packed in a sealed aluminized envelope called
a moisture-barrier bag with silica gel to protect them from
ambient moisture during shipping, handling, and storage
before use.
Shelf Life
The calculated shelf life of the device in an unopened moisture
barrier bag is 12 months from the date code on the bag when
stored under the following conditions:
Shelf Life: 12 months
Ambient Temperature: < 40°C
Relative Humidity: < 90%
Rebaking of the devices will be required if the devices exceed
the 12 month shelf life or the Humidity Indicator Card shows
that the devices were exposed to conditions beyond the
allowable moisture region.
Floor Life
The FN package has been assigned a moisture sensitivity level
of MSL 3. As a result, the floor life of devices removed from the
moisture barrier bag is 168 hours from the time the bag was
opened, provided that the devices are stored under the
following conditions:
Floor Life: 168 hours
Ambient Temperature: < 30°C
Relative Humidity: < 60%
If the floor life or the temperature/humidity conditions have
been exceeded, the devices must be rebaked prior to solder
reflow or dry packing.
Rebaking Instructions
When the shelf life or floor life limits have been exceeded,
rebake at 50°C for 12 hours.
ams Datasheet Page 29
[v1-06] 2017-Oct-10 Document Feedback
TCS3400 − Ordering & Contact Information
The device is packaged in a small OFN (Optical FN) package
which is 2mm x 2.4mm.
Figure 40:
Ordering Information
Note(s):
1. Contact ams for availability.
Buy our products or get free samples online at:
www.ams.com/ICdirect
Technical Support is available at:
www.ams.com/Technical-Support
Provide feedback about this document at:
www.ams.com/Document-Feedback
For further information and requests, e-mail us at:
ams_sales@ams.com
For sales offices, distributors and representatives, please visit:
www.ams.com/contact
Headquarters
ams AG
Tobelbader Strasse 30
8141 Premstaetten
Austria, Europe
Tel: +43 (0) 3136 500 0
Website: www.ams.com
Ordering Code Address Interface Delivery
Form
Delivery
Quantity
TCS34001FN 0x39 I²C VBUS = VDD Interface FN-6 12000 pcs/reel
TCS34001FNM 0x39 I²C VBUS = VDD Interface FN-6 500 pcs/reel
TCS34003FN 0x39 I²C bus = 1.8V Interface FN-6 12000 pcs/reel
TCS34003FNM 0x39 I²C bus = 1.8V Interface FN-6 500 pcs/reel
TCS34005FN (1) 0x29 I²C VBUS = VDD Interface FN-6 12000 pcs/reel
TCS34005FNM (1) 0x29 I²C VBUS = VDD Interface FN-6 500 pcs/reel
TCS34007FN 0x29 I²C bus = 1.8V Interface FN-6 12000 pcs/reel
TCS34007FNM 0x29 I²C bus = 1.8V Interface FN-6 500 pcs/reel
Ordering & Contact Information
Page 30 ams Datasheet
Document Feedback [v1-06] 2017-Oct-10
TCS3400 − RoHS Compliant & ams Green Statement
RoHS: The term RoHS compliant means that ams AG products
fully comply with current RoHS directives. Our semiconductor
products do not contain any chemicals for all 6 substance
categories, including the requirement that lead not exceed
0.1% by weight in homogeneous materials. Where designed to
be soldered at high temperatures, RoHS compliant products are
suitable for use in specified lead-free processes.
ams Green (RoHS compliant and no Sb/Br): ams Green
defines that in addition to RoHS compliance, our products are
free of Bromine (Br) and Antimony (Sb) based flame retardants
(Br or Sb do not exceed 0.1% by weight in homogeneous
material).
Important Information: The information provided in this
statement represents ams AG knowledge and belief as of the
date that it is provided. ams AG bases its knowledge and belief
on information provided by third parties, and makes no
representation or warranty as to the accuracy of such
information. Efforts are underway to better integrate
information from third parties. ams AG has taken and continues
to take reasonable steps to provide representative and accurate
information but may not have conducted destructive testing or
chemical analysis on incoming materials and chemicals. ams AG
and ams AG suppliers consider certain information to be
proprietary, and thus CAS numbers and other limited
information may not be available for release.
RoHS Compliant & ams Green
Statement
ams Datasheet Page 31
[v1-06] 2017-Oct-10 Document Feedback
TCS3400 − Copyrights & Disclaimer
Copyright ams AG, Tobelbader Strasse 30, 8141 Premstaetten,
Austria-Europe. Trademarks Registered. All rights reserved. The
material herein may not be reproduced, adapted, merged,
translated, stored, or used without the prior written consent of
the copyright owner.
Devices sold by ams AG are covered by the warranty and patent
indemnification provisions appearing in its General Terms of
Trade. ams AG makes no warranty, express, statutory, implied,
or by description regarding the information set forth herein.
ams AG reserves the right to change specifications and prices
at any time and without notice. Therefore, prior to designing
this product into a system, it is necessary to check with ams AG
for current information. This product is intended for use in
commercial applications. Applications requiring extended
temperature range, unusual environmental requirements, or
high reliability applications, such as military, medical
life-support or life-sustaining equipment are specifically not
recommended without additional processing by ams AG for
each application. This product is provided by ams AG “AS IS”
and any express or implied warranties, including, but not
limited to the implied warranties of merchantability and fitness
for a particular purpose are disclaimed.
ams AG shall not be liable to recipient or any third party for any
damages, including but not limited to personal injury, property
damage, loss of profits, loss of use, interruption of business or
indirect, special, incidental or consequential damages, of any
kind, in connection with or arising out of the furnishing,
performance or use of the technical data herein. No obligation
or liability to recipient or any third party shall arise or flow out
of ams AG rendering of technical or other services.
Copyrights & Disclaimer
Page 32 ams Datasheet
Document Feedback [v1-06] 2017-Oct-10
TCS3400 − Document Status
Document Status Product Status Definition
Product Preview Pre-Development
Information in this datasheet is based on product ideas in
the planning phase of development. All specifications are
design goals without any warranty and are subject to
change without notice
Preliminary Datasheet Pre-Production
Information in this datasheet is based on products in the
design, validation or qualification phase of development.
The performance and parameters shown in this document
are preliminary without any warranty and are subject to
change without notice
Datasheet Production
Information in this datasheet is based on products in
ramp-up to full production or full production which
conform to specifications in accordance with the terms of
ams AG standard warranty as given in the General Terms of
Trade
Datasheet (discontinued) Discontinued
Information in this datasheet is based on products which
conform to specifications in accordance with the terms of
ams AG standard warranty as given in the General Terms of
Trade, but these products have been superseded and
should not be used for new designs
Document Status
ams Datasheet Page 33
[v1-06] 2017-Oct-10 Document Feedback
TCS3400 − Revision Information
Note(s):
1. Page and figure numbers for the previous version may differ from page and figure numbers in the current revision.
2. Correction of typographical errors is not explicitly mentioned.
Changes from 1-05 (2016-Aug-11) to current revision 1-06 (2017-Oct-10) Page
Updated Figure 40 29
Revision Information
Page 34 ams Datasheet
Document Feedback [v1-06] 2017-Oct-10
TCS3400 − Content Guide
1 General Description
1 Key Benefits & Features
1 Applications
2 Block Diagram
3 Pin Assignment
4Absolute Maximum Ratings
5 Electrical Characteristics
9 Timing Characteristics
9Timing Diagram
10 Typical Operating Characteristics
12 Functional Description
13 Register Description
14 Enable Register (ENABLE 0 x 80)
15 RGBC Integration Time Register (ATIME 0x81)
15 Wait Time Register (WTIME 0x83)
16 Clear Channel Interrupt Threshold Register (0x84 - 0x87)
17 Interrupt Register (0x8C)
18 Configuration Register (CONFIG 0x8D)
18 Control Register (CONTROL 0x8F)
19 Auxiliary Register (AUX 0x90)
19 Revision ID Register (REVID 0x91)
20 ID Register (ID 0x92)
20 Status Register (STATUS 0x93)
21 RGBC Data Registers (0x94 - 0x9B)
22 IR Register (0xC0)
22 Clear Interrupt Registers (0xE3, 0xE7)
23 Power Supply Considerations
24 PCB Pad Layout
25 Package Drawings & Markings
26 Package Mechanical Data
27 Soldering & Storage Information
28 Moisture Sensitivity
28 Shelf Life
28 Floor Life
28 Rebaking Instructions
29 Ordering & Contact Information
30 RoHS Compliant & ams Green Statement
31 Copyrights & Disclaimer
32 Document Status
33 Revision Information
Content Guide