Scheda tecnica LTZ1000(A) di Analog Devices Inc.

l ’ LI” LTZ1000 LTZ1 000A TECHNOLOGY 2|]Vp.p N Am L7HEWEAR 1
LTZ1000/LTZ1000A
1
1000afe
For more information www.linear.com/LTZ1000
Typical applicaTion
FeaTures
applicaTions
DescripTion
Ultra Precision Reference
The LTZ1000 and LTZ1000A are ultra-stable temperature
controllable references. They are designed to provide 7V
outputs with temperature drifts of 0.05ppm/°C, about
1.2µVP-P of noise and long-term stability of 2µV/√kHr.
Included on the chip is a subsurface zener reference, a
heater resistor for temperature stabilization, and a tem-
perature sensing transistor. External circuitry is used to
set operating currents and to temperature stabilize the
reference. This allows maximum flexibility and best long-
term stability and noise.
The LTZ 1000 and LT Z1000A references can provide su-
perior performance to older devices such as the LM199,
provided that the user implements the heater control and
properly manages the thermal layout. To simplify thermal
insulation, the LT Z1000A uses a proprietary die attach
method to provide significantly higher thermal resistance
than the LTZ1000.
Low Noise Reference
n 1.VP-P Noise
nV/√kHr Long-Term Stability
n Very Low Hysteresis
n 0.05ppm/°C Drift
n Temperature Stabilized
n 400°C/W Thermal Resistance for LTZ1000A Reduces
Insulation Requirements
n Specified for –55°C to 125°C Temperature Range
n Offered in TO-99 package
n Voltmeters
n Calibrators
n Standard Cells
n Scales
n Low Noise RF Oscillators
Long-Term Stability
L, LT, LTC , LT M , Linear Technology and the Linear logo are registered trademarks of Linear
Technology Corporation. All other trademarks are the property of their respective owners.
+
LTZ1000
OUTPUT
1N4148
LT®1006
VIN ≥ 10V
30k
37
4
6
2
0.02µF
120Ω
1000 TA01
DAYS
0
–2
(ppm)
0
2
10
LONG-TERM STABILITY OF A TYPICAL DEVICE FROM TIME = 0
WITH NO PRECONDITIONING OR AGING
1000 TA01b
3020
LTZ1000/LTZ1000A
LTZ1000/LTZ1000A
2
1000afe
For more information www.linear.com/LTZ1000
absoluTe MaxiMuM raTings
Heater to Substrate ...................................................35V
Collector Emitter Breakdown Q1 ...............................15V
Collector Emitter Breakdown Q2 ...............................35V
Emitter Base Reverse Bias ..........................................2V
Operating Temperature Range .........55°C ≤ TA 125°C
Storage Temperature Range ............6C ≤ TA 150°C
Substrate Forward Bias ............................................ 0.1V
(Note 1)
elecTrical characTerisTics
Note 1: Stresses beyond those listed under Absolute Maximum Ratings
may cause permanent damage to the device. Exposure to any Absolute
Maximum Rating condition for extended periods may affect device
reliability and lifetime.
PARAMETER CONDITIONS MIN TYP MAX UNITS
Zener Voltage lZ = 5mA, (VZ + VBEQ1) IQ1 = 100µA
lZ = 1mA, (VZ + VBEQ1) IQ1 = 100µA
7.0
6.9
7.2
7.15
7.5
7.45
V
V
Zener Change with Current 1mA ≤ IZ < 5mA 80 240 mV
Zener Leakage Current VZ = 5V 20 200 µA
Zener Noise lZ = 5mA, 0.1Hz < f < 10Hz
1Q1 = 100µA
1.2 2 µVP-P
Heater Resistance IL ≤ 100µA 200 300 420 Ω
Heater Breakdown Voltage 35 V
Transistor Q1 Breakdown IC = 10µA, LVCEO 15 20 V
Transistor Q2 Breakdown IC = 10µA, LVCEO 35 50 V
Q1, Q2 Current Gain IC = 100µA 80 200 450
Thermal Resistance LTZ1000 Time = 5 Minutes
LTZ1000A Time = 5 Minutes
80
400
°C/W
°C/W
Long-Term Stability T = 65°C 2 µV√kHr
(Note 2)
Note 2: All testing is done at 25°C. Pulse testing is used for LTZ1000A to
minimize temperature rise during testing. LTZ1000 and LT Z 1000A devices
are QA tested at –55°C and 125°C.
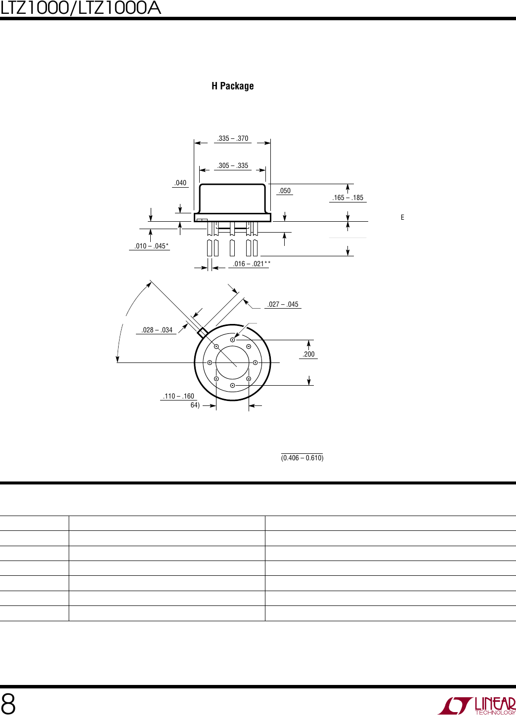
pin conFiguraTion
BOTTOM VIEW
H8 PACKAGE
TO-5 METAL CAN
1
7V
Q1
Q2
3
5
4
8
7
6 2
TJMAX = 150°C,
LTZ1000CH: θJA = 80°C/W
LTZ1000ACH: θJA = 400°C/W
orDer inForMaTion
LEAD FREE FINISH PART MARKING PACKAGE DESCRIPTION SPECIFIED TEMPERATURE RANGE
LTZ1000ACH#PBF LT Z 1000ACH 8-Lead TO-5 Metal Can (.200 Inch PCD) –55°C to 125°C
LTZ1000CH#PBF LT Z 1000CH 8-Lead TO-5 Metal Can (.200 Inch PCD) –55°C to 125°C
LEAD BASED FINISH PART MARKING PACKAGE DESCRIPTION SPECIFIED TEMPERATURE RANGE
LTZ1000ACH LT Z 1000ACH 8-Lead TO-5 Metal Can (.200 Inch PCD) –55°C to 125°C
LTZ1000CH LT Z 1000CH 8-Lead TO-5 Metal Can (.200 Inch PCD) –55°C to 125°C
Consult LTC Marketing for parts specified with wider operating temperature ranges.
For more information on lead free part marking, go to: http://www.linear.com/leadfree/
This product is only offered in trays. For more information go to: http://www.linear.com/packaging/
LTZ1 000/ LTZ1 000A ZNRURENT ZENER WHH K LTD [mm L7 LJUW 3
LTZ1000/LTZ1000A
3
1000afe
For more information www.linear.com/LTZ1000
Typical perForMance characTerisTics
Zener Voltage vs Current
Zener Voltage Noise Spectrum
Zener Noise
Die Temperature Rise
vs Heater Power
Die Temperature vs Time
Die Temperature Rise vs Time
pin FuncTions
Pin 1: Heater Positive. Must have a higher positive value
than Pin 2 and Pin 4.
Pin 2: Heater Negative. Must have a higher positive value
than Pin 4. Must have equal or lower potential than Pin 1.
Pin 3: Zener Positive. Must have a higher positive value
than Pin 4.
Pin 4: Substrate and Zener Negative. Must have a higher
positive value than Pin 7. If Q1 is zenered (about 7V) a
permanent degradation in beta will result.
Pin 5: Temperature Compensating Transistor Collector.
Pin 6: Temperature Sensing Transistor Base. If the base
emitter junction is zenered (about 7V) the transistor will
suffer permanent beta degradation.
Pin 7: Emitter of Sensing and Compensating Transistors.
Pin 8: Collector of Sensing Transistor.
ZENER CURRENT (mA)
0
ZENER VOLTAGE CHANGE (mV)
60
80
70
50
30
100
90
4.0
40
20
10
01.00.5 2.01.5 3.0 3.5 4.5
2.5 5.0
ZENER ALONE
ZENER WITH KELVIN
SENSED Q1
1000 G01
FREQUENCY (Hz)
0.1
200
ZENER VOLTAGE NOISE (nV/√Hz)
250
300
350
400
1 10 100
150
100
50
0
450
500
ZENER CURRENT = 0.5mA
ZENER CURRENT = 4mA
1000 G02
TIME (SECONDS)
0
ZENER VOLTAGE NOISE (2µV/D)
10 20 30 40 50 60
IZ = 4mA
IZ = 0.5mA
1000 G03
DIE TEMPERATURE ABOVE AMBIENT (°C)
25
HEATER POWER (W)
0.8
0.7
0.6
0.5
0.4
0.3
0.2
0.1
010545 65 85 1259535 55 75 115
LTZ1000
LTZ1000A
1000 G04
TIME (SECONDS)
DIE TEMPERATURE RISE (°C)
125
25
100
75
50
0.1 10 100 1000
01
HEATER POWER = 0.1W
HEATER POWER = 0.2W
HEATER POWER = 0.3W
LTZ1000A
1000 G05
TIME (SECONDS)
DIE TEMPERATURE RISE (°C)
125
25
100
75
50
0.1 10 100 1000
01
HEATER POWER = 0.3W
HEATER POWER = 0.7W
LTZ1000
1000 G06
HEATER POWER = 0.5W
LTZ1000/LTZ1000A L7LJCUEN2
LTZ1000/LTZ1000A
4
1000afe
For more information www.linear.com/LTZ1000
applicaTions inForMaTion
LTZ1000 and LTZ 1000A are capable of providing ultimate
voltage reference performance. Temperature drifts of better
than 0.03ppm/°C and long-term stability on the order of
1µV per month can be achieved. Noise of about 0.15ppm
can also be obtained. This performance is at the expense
of circuit complexity, since external influences can easily
cause output voltage shifts of more than 1ppm.
Thermocouple effects are one of the worst problems and
can give apparent drifts of many ppm/°C as well as cause
low frequency noise. The kovar input leads of the TO-5
package form thermocouples when connected to copper
PC boards. These thermocouples generate outputs of
35µV/°C. It is mandatory to keep the zener and transistor
leads at the same temperature, otherwise 1ppm to 5ppm
shifts in the output voltage can easily be expected from
these thermocouples.
Air currents blowing across the leads can also cause small
temperature variations, especially since the package is
heated. This will look like 1ppm to 5ppm of low frequency
noise occurring over a several minute period. For best
results, the device should be located in an enclosed area
and well shielded from air currents.
Certainly, any temperature gradient externally generated,
say from a power supply, should not appear across the
critical circuitry. The leads to the transistor and zener
should be connected to equal size PC traces to equalize
the heat loss and maintain them at similar temperatures.
The bottom portion of the PC board should be shielded
against air currents as well.
Resistors, as well as having resistance temperature coef-
ficients, can generate thermocouple effects. Some types of
resistors can generate hundreds of microvolts of thermo-
couple voltage. These thermocouple effects in the resistor
can also interfere with the output voltage. Wire wound
resistors usually have the lowest thermocouple voltage,
while tin oxide type resistors have very high thermocouple
voltage. Film resistors, especially Vishay precision film
resistors, can have low thermocouple voltage.
Ordinary breadboarding techniques are not good enough
to give stable output voltage with the LT Z 1000 family
devices. For breadboarding, it is suggested that a small
printed circuit board be made up using the reference, the
amplifier and wire wound resistors. Care must be taken to
ensure that heater current does not flow through the same
ground lead as the negative side of the reference (emitter
of Q1). Current changes in the heater could add to, or
subtract from, the reference voltage causing errors with
temperature. Single point grounding using low resistance
wiring is suggested.
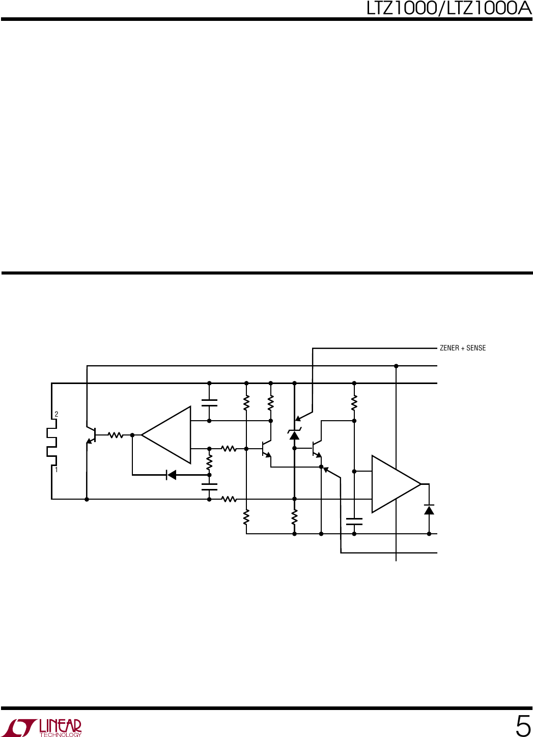
block DiagraM
1 8
Q2 Q1
3 5
62 4 7
*
*
*
*SUBSTRATE DEVICES–DO NOT FORWARD BIAS 1000 TA07
LTZ1 000/ LTZ1 000A ZENER + SENSE l M%/>1T L7 LJUW 5
LTZ1000/LTZ1000A
5
1000afe
For more information www.linear.com/LTZ1000
Typical applicaTions
Negative Voltage Reference
+
+
LT1013
1N4148
1N4148
ZENER – FORCE
ZENER – SENSE
ZENER + SENSE
2
1
7
7
3
3
4
1
2
0.022µF
0.1µF
0.1µF
V ≥ 10V
4
6 6
5
400k*
R1
R2
R3
R4/R5 RATIO
100ppm = R(Ω)
0.012Ω
R = 0.01%
VZ
1ppm
0.3ppm
0.2ppm
1ppm
*PROVIDES TEMPERATURE COMPENSATION, DELETE FOR LTZ1000A
BOTH A1 AND A2 CONTRIBUTE LESS THAN 2µV OF OUTPUT DRIFT OVER A 50°C RANGE
APPROXIMATE CHANGE IN REFERENCE VOLTAGE FOR A 100ppm CHANGE IN RESISTOR VALUES:
2N3904 1k
10k
1M 8
V+ 15V
GND
LT1013
85
R2
70k
R5
1k
R4
13k R3
70k
R1
120
1000 TA02
Setting Control Temperature
The emitter-base voltage of the control transistor sets the
stabilization temperature for the LTZ1000. With the values
given in the applications, temperature is normally 60°C.
This provides 15°C of margin above a maximum ambient
of 45°C, for example. Production variations in emitter-base
voltage will typically cause about ±10°C variation. Since
the emitter-base voltage changes about 2mV/°C and is
very predictable, other temperatures are easily set.
Because higher temperatures accelerate aging and decrease
long-term stability, the lowest temperature consistent with
the operating environment should be used. The LTZ1000A
should be set about 10°C higher than the LT Z 1000. This
is because normal operating power dissipation in the
LTZ1000A causes a temperature rise of about 10°C. Of
course both types of devices should be insulated from
ambient. Several minutes of warm-up is usual.
For applications not requiring the extreme precision or
the low noise of the LTZ1000, Linear Technology makes a
broad line of voltage references. Devices like the LT1021
can provide drifts as low as 2ppm/°C and devices such as
the LM399A can provide drifts of 1ppm/°C. Only applica-
tions requiring the very low noise or low drift with time of
the LTZ1000 should use this device. See Application Notes
AN-82 and AN-86 for further information. Consult the Linear
Technology Applications department for additional help.
applicaTions inForMaTion
LTZ1000/LTZ1000A — mm . sans: «dww _/ now u ANDAZ mmmam LESS THAN M n; uuwm mun nvzm WC mm
LTZ1000/LTZ1000A
6
1000afe
For more information www.linear.com/LTZ1000
Adjusting Temperature Coefficient in Unstabilized Applications
Typical applicaTions
+
7
5
4
3
2
3
120Ω
LT1006
4
6
2
1
70k
1N4148
VOUT+
0.022µF
R1
Ω*
HEATER
1N4148
1 MIN
1 MIN
OFFON *
* PULSE HEATER ON AND OFF TO HEAT AND COOL THE REFERENCE. ADJUST
R1 FOR MINIMUM VOLTAGE CHANGE THROUGH A TEMPERATURE CYCLE.
THE –2mV/°C TEMPCO OF THE VBE CANCELS THE +2mV/°C TEMPCO OF THE ZENER.
Averaging Reference Voltage for Lower Noise and Better Stability Improving Supply Rejection
1.6k
V
IN
15V
0.01%
OUTPUT
1.6k
30Ω* 30Ω*
150Ω 150Ω
*R = kT
q I
C
1000 TA03
IC
VIN
15V
1.5k
150Ω
SUPPLY REJECTION AT
VOUT2 = 3mV/V
SUPPLY REJECTION
AT VOUT1 = 20mV/V
VOUT2
VOUT1
50Ω
1000 TA04
7V Positive Reference Circuit
+
+
2N3904
1N4148
1N4148
A2
LT1013
A1
LT1013
1M
1
17
5
3
3
4
4
8
8
5
7
6
1k
2
2
0.1µF 0.002µF
0.1µF 400k*
10k
R4
13k
R1
120Ω
R3
70k
R2
70k
R5
1k
ZENER – SENSE
ZENER + SENSE
GROUND
ZENER – FORCE
HEATER RETURN
(TIED TO GROUND)
V+ 15V
*PROVIDES TC COMPENSATION, DELETE FOR LTZ1000A
APPROXIMATE CHANGE IN REFERENCE VOLTAGE FOR A 100ppm (0.01%) CHANGE IN RESISTOR VALUES:
R1
R2
R3
R4/R5 RATIO
∆R(Ω)
0.012Ω
∆R = 0.01%
VZ
1ppm
0.3ppm
0.2ppm
1ppm
BOTH A1 AND A2 CONTRIBUTE LESS THAN 2µV OF OUTPUT DRIFT OVER A 50°C RANGE
1000 TA06
LTZ1 000/ LTZ1 000A L7 LJUW 7
LTZ1000/LTZ1000A
7
1000afe
For more information www.linear.com/LTZ1000
Information furnished by Linear Technology Corporation is believed to be accurate and reliable.
However, no responsibility is assumed for its use. Linear Technology Corporation makes no representa-
tion that the interconnection of its circuits as described herein will not infringe on existing patent rights.
revision hisTory
REV DATE DESCRIPTION PAGE NUMBER
D 4/12 Corrected thermal information on H8 package drawing
Corrected Order Information table
Updated Block Diagram to show substrate diode
Added 1N4148 label to diode in application circuit
Added LTC6655 to Related Parts table
2
2
4
5
8
E 11/15 Web links added
Correction to Block Diagram, resistor added to substrate diode
Pin numbers corrected on Negative Voltage Reference diagram
all
4
5
(Revision history begins at Rev D)
LTZ1000/LTZ1000A H Package 3357 370 3057335 E V‘ 1 wesims i f w + T 7 Ea } ’ 0‘07045‘ H EMU—L 0‘67 02‘“ nan A ‘6 % 0277 045 / no, we 64) (0406mm) L7LJCUEN2
LTZ1000/LTZ1000A
8
1000afe
For more information www.linear.com/LTZ1000
Linear Technology Corporation
1630 McCarthy Blvd., Milpitas, CA 95035-7417
LINEAR TECHNOLOGY CORPORATION 1987
LT 1115 REV E • PRINTED IN USA
(408) 432-1900 FAX: (408) 434-0507 www.linear.com/LTZ1000
relaTeD parTs
PART NUMBER DESCRIPTION COMMENTS
LM399 7V Precision Shunt Reference 0.2% Accuracy, 0.5ppm/°C Drift, 20µVRMS Noise
LT1021 5V, 7V and 10V Precision Reference Available in T0-5, –55°C to 125°C, Series or Shunt Operation
LT1236 5V and 10V Low Drift Precision Reference 0.05% Accuracy, 5ppm/°C Drift, Series or Shunt Operation
LT1389 1.25V, 2.5V, 4V and 5V Nanopower Shunt Reference 800nA, 0.05% Accuracy, 10ppm/°C Drift
LT1634 1.25V and 2.5V Micropower Shunt Reference 0.05%, 10ppm/°C, 10µA Current
LTC6655 Precision Low Noise Reference Family 2ppm/°C, Maximum Drift, 650nVP-P Noise (0.1Hz to 10Hz)
.050
(1.270)
MAX
.016 – .021**
(0.406 – 0.533)
.010 – .045*
(0.254 – 1.143)
SEATING
PLANE
.040
(1.016)
MAX .165 – .185
(4.191 – 4.699)
GAUGE
PLANE
REFERENCE
PLANE
.500 – .750
(12.700 – 19.050)
.305 – .335
(7.747 – 8.509)
.335 – .370
(8.509 – 9.398)
DIA
.200
(5.080)
TYP
.027 – .045
(0.686 – 1.143)
.028 – .034
(0.711 – 0.864)
.110 – .160
(2.794 – 4.064)
INSULATING
STANDOFF
45°
H8(TO-5) 0.200 PCD 0204
LEAD DIAMETER IS UNCONTROLLED BETWEEN THE REFERENCE PLANE
AND THE SEATING PLANE
FOR SOLDER DIP LEAD FINISH, LEAD DIAMETER IS .016 – .024
(0.406 – 0.610)
*
**
PIN 1
H Package
8-Lead TO-5 Metal Can (.200 Inch PCD)
(Reference LTC DWG # 05-08-1320)
package DescripTion
Please refer to http://www.linear.com/product/LT Z 1000#packaging for the most recent package drawings.