 ”wage“ Mb 41.13%
”wage“ Mb 41.13%
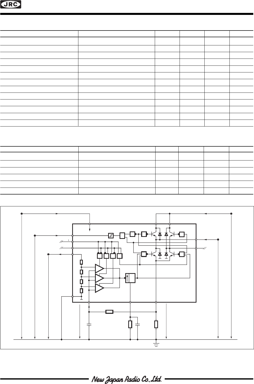
NJM3717
Current sensor
The current sensor contains a reference voltage divider and three comparators for measuring each of the select-
able current levels. The motor current is sensed as a voltage drop across the current sensing resistor, RS, and
compared with one of the voltage references from the divider. When the two voltages are equal, the comparator
triggers the single-pulse generator. Only one comparator at a time is activated by the input logic.
Single-pulse generator
The pulse generator is a monostable multivibrator triggered on the positive edge of the comparator output. The
multivibrator output is high during the pulse time, toff , which is determined by the timing components RT and CT.
toff = 0.69 • RT • CT
The single pulse switches off the power feed to the motor winding, causing the winding to decrease during toff.If a
new trigger signal should occur during toff , it is ignored.
Output stage
The output stage contains four transistors and four diodes, connected in an H-bridge. The two sinking transistors
are used to switch the power supplied to the motor winding, thus driving a constant current through the winding.
See figures 4 and 5.
Overload protection
The circuit is equipped with a thermal shut-down function, which will limit the junction temperature. The output
current will be reduced if the maximum permissible junction temperature is exceeded. It should be noted, however,
that it is not short circuit protected.
Operation
When a voltage VMM is applied across the motor winding, the current rise follows the equation:
im  =   (VMM / R) • (1 - e-(R  • t ) / L  )
R = Winding resistance
L = Winding inductance
t =  time
(see figure 5, arrow 1)
The motor current appears across the external sensing resistor, RS, as an analog voltage. This voltage is fed
through a low-pass filter, RCCC, to the voltage comparator input (pin 10). At the moment the sensed voltage rises
above the comparator threshold voltage, the monostable is triggered and its output turns off the conducting sink
transistor.
The polarity across the motor winding reverses and the current is forced to circulate through the appropriate
upper protection diode back through the source transistor (see figure 5, arrow 2).
After the monostable has timed out, the current has decayed and the analog voltage across the sensing resistor is
below the comparator threshold level.
The sinking transistor then closes and the motor current starts to increase again, The cycle is repeated until the
current is turned off via the logic inputs.
By reversing the logic level of the phase input (pin 8), both active transistors are turned off and the opposite pair
turned on after a slight delay. When this happens, the current must first decay to zero before it can reverse. This
current decay is steeper because the motor current is now forced to circulate back through the power supply and
the appropriate sinking transistor protection diode. This causes higher reverse voltage build-up across the winding
which results in a faster current decay (see figure 5, arrow 3).
For best speed performance of the stepper motor at half-step mode operation, the phase logic level should be
changed at the same time the current-inhibiting signal is applied (see figure 6).