Scheda tecnica AD7709 di Analog Devices Inc.

a
AD7709
Information furnished by Analog Devices is believed to be accurate and
reliable. However, no responsibility is assumed by Analog Devices for its
use, nor for any infringements of patents or other rights of third parties that
may result from its use. No license is granted by implication or otherwise
under any patent or patent rights of Analog Devices. Trademarks and
registered trademarks are the property of their respective companies.
One Technology Way, P.O. Box 9106, Norwood, MA 02062-9106, U.S.A.
Tel: 781/329-4700 www.analog.com
Fax: 781/326-8703 © 2003 Analog Devices, Inc. All rights reserved.
REV. A
16-Bit - ADC with
Switchable Current Sources
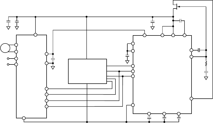
FUNCTIONAL BLOCK DIAGRAM
VDD
IEXC1
8I IEXC2
8I
IOUT1
IOUT2
IEXC3
I
OSCILLATOR
AND
PLL
XTAL2REFIN1(–) REFIN2(–)REFIN1(+) REFIN2(+) XTAL1
DOUT
RESET
RDY
CS
SCLK
DIN
SERIAL
INTERFACE
AND
CONTROL
LOGIC
BUF PGA
MUX
I/O PORT
VDD
16-BIT -ADC
AIN1
AIN2
AIN3/P3
AIN4/P4
AINCOM
AD7709
VDD GND PWRGND P1/SW1 P2/SW2
I = 25A
FEATURES
16-Bit - ADC
Programmable Gain Front End
Simultaneous 50 Hz and 60 Hz Rejection at 20 Hz
Update Rate
VREF Select
Allows Absolute and Ratiometric
Measurement Capability
ISOURCE Select
16-Bit No Missing Codes
13-Bit p-p Resolution @ 20 Hz, 20 mV Range
16-Bit p-p Resolution @ 20 Hz, 2.56 V Range
INTERFACE
3-Wire Serial
SPI®,
QSPI™,
MICROWIRE™,
and DSP Compatible
Schmitt Trigger on SCLK
POWER
Specified for Single 3 V and 5 V Operation
Normal: 1.25 mA Typ @ 3 V
Power-Down: 7 A (32.768 kHz Crystal Running)
ON-CHIP FUNCTIONS
Rail-to-Rail Input Buffer and PGA
Selectable Reference Inputs
3 Switchable, Ratioed Current Sources for
VBE Measurements
4-Bit Digital I/O Port
Low-Side Power Switches
APPLICATIONS
Sensor Measurement
Temperature Measurement
Pressure Measurements
Weigh Scales
Portable Instrumentation
4–20 mA Loops
GENERAL DESCRIPTION
The AD7709 is a complete analog front end for low frequency
measurement applications. It contains a 16-bit - ADC, selectable
reference inputs, three switchable matched excitation current
sources, low-side power switches, and a digital I/O port. The
16-bit channel with PGA accepts fully differential, unipolar,
and
bipolar input signal ranges from 1.024 REFIN/128 to
1.024 REFIN. It can be configured as two fully differential
input channels or four pseudo-differential input channels. Signals
can be converted directly from a transducer without the need for
signal conditioning.
The device operates from a 32.768 kHz crystal with an on-chip
PLL generating the required internal operating frequency. The
output data rate from the part is software programmable. The
p-p
resolution from the part varies with the programmed gain
and output data rate.
The part operates from a single 3 V or 5 V supply. When
operating from 3 V supplies, the power dissipation for the part
is 3.75 mW. The AD7709 is housed in a 24-lead TSSOP package.
REV. A
AD7709
–2–
TABLE OF CONTENTS
FEATURES . . . . . . . . . . . . . . . . . . . . . . . . . . . . . . . . . . . . . 1
GENERAL DESCRIPTION . . . . . . . . . . . . . . . . . . . . . . . . . 1
FUNCTIONAL BLOCK DIAGRAM . . . . . . . . . . . . . . . . . 1
SPECIFICATIONS . . . . . . . . . . . . . . . . . . . . . . . . . . . . . . . 3
TIMING CHARACTERISTICS . . . . . . . . . . . . . . . . . . . . . 6
ABSOLUTE MAXIMUM RATINGS . . . . . . . . . . . . . . . . . 8
ORDERING GUIDE . . . . . . . . . . . . . . . . . . . . . . . . . . . . . . 8
PIN CONFIGURATION . . . . . . . . . . . . . . . . . . . . . . . . . . . 8
PIN FUNCTION DESCRIPTIONS . . . . . . . . . . . . . . . . . . 9
TYPICAL PERFORMANCE CHARACTERISTICS . . . . 10
ADC CIRCUIT INFORMATION . . . . . . . . . . . . . . . . . . . 11
Overview . . . . . . . . . . . . . . . . . . . . . . . . . . . . . . . . . . . . . 11
S-D ADC . . . . . . . . . . . . . . . . . . . . . . . . . . . . . . . . . . . . . 11
NOISE PERFORMANCE . . . . . . . . . . . . . . . . . . . . . . . . . 13
ON-CHIP REGISTERS . . . . . . . . . . . . . . . . . . . . . . . . . . . 13
Communications Register . . . . . . . . . . . . . . . . . . . . . . . . 14
Status Register . . . . . . . . . . . . . . . . . . . . . . . . . . . . . . . . . 15
Configuration Register . . . . . . . . . . . . . . . . . . . . . . . . . . . 16
Filter Register . . . . . . . . . . . . . . . . . . . . . . . . . . . . . . . . . 18
ADC Data Result Register . . . . . . . . . . . . . . . . . . . . . . . . 18
CONFIGURING THE AD7709 . . . . . . . . . . . . . . . . . . . . . 19
DIGITAL INTERFACE . . . . . . . . . . . . . . . . . . . . . . . . . . . 20
MICROCOMPUTER/MICROPROCESSOR
INTERFACING . . . . . . . . . . . . . . . . . . . . . . . . . . . . . . . 20
AD7709-to-68HC11 Interface . . . . . . . . . . . . . . . . . . . . . 21
AD7709-to-8051 Interface . . . . . . . . . . . . . . . . . . . . . . . . 21
AD7709-to-ADSP-2103/ADSP-2105 Interface . . . . . . . . 21
CIRCUIT DESCRIPTION . . . . . . . . . . . . . . . . . . . . . . . . 22
Analog Input Channels . . . . . . . . . . . . . . . . . . . . . . . . . . 22
Programmable Gain Amplifier . . . . . . . . . . . . . . . . . . . . . 23
Bipolar/Unipolar Configuration . . . . . . . . . . . . . . . . . . . . 23
Data Output Coding . . . . . . . . . . . . . . . . . . . . . . . . . . . . 23
Excitation Currents . . . . . . . . . . . . . . . . . . . . . . . . . . . . . 24
Crystal Oscillator . . . . . . . . . . . . . . . . . . . . . . . . . . . . . . . 24
Reference Input . . . . . . . . . . . . . . . . . . . . . . . . . . . . . . . . 24
Reset Input . . . . . . . . . . . . . . . . . . . . . . . . . . . . . . . . . . . 24
Power-Down Mode . . . . . . . . . . . . . . . . . . . . . . . . . . . . . 24
Grounding and Layout . . . . . . . . . . . . . . . . . . . . . . . . . . . 24
APPLICATIONS . . . . . . . . . . . . . . . . . . . . . . . . . . . . . . . . 25
Pressure Measurement . . . . . . . . . . . . . . . . . . . . . . . . . . . 25
Temperature Measurement . . . . . . . . . . . . . . . . . . . . . . . 26
3-Wire RTD Configurations . . . . . . . . . . . . . . . . . . . . . . 27
Smart Transmitters . . . . . . . . . . . . . . . . . . . . . . . . . . . . . 28
OUTLINE DIMENSIONS . . . . . . . . . . . . . . . . . . . . . . . . . 29
Revision History . . . . . . . . . . . . . . . . . . . . . . . . . . . . . . . . . 30
REV. A –3–
AD7709
SPECIFICATIONS
1
(VDD = 2.7 V to 3.6 V or 4.75 V to 5.25 V, REFIN(+) = 2.5 V; REFIN(–) = GND; GND = 0 V; XTAL1/XTAL2 =
32.768 kHz Crystal; all specifications TMIN to TMAX, unless otherwise noted.)
Parameter AD7709A, AD7709B Unit Test Conditions
ADC CHANNEL SPECIFICATION
Output Update Rate 5.4 Hz min 0.732 ms Increments
105 Hz max
ADC CHANNEL
No Missing Codes
2
16 Bits min 20 Hz Update Rate
Resolution 13 Bits p-p ±20 mV Range, 20 Hz Update Rate
16 Bits p-p ±2.56 V Range, 20 Hz Update Rate
Output Noise and Update Rates See Tables II to V
Integral Nonlinearity
2
±30 ppm of FSR max Typically 2 ppm
FSR REFIN
GAIN
=¥21024.
Offset Error ±3mV typ
Offset Error Drift vs. Temperature ±10 nV/C typ
Full-Scale Error
3
±0.75 LSB typ B Grade, V
DD
= 4 V
±0.2 % of FS typ A Grade
Gain Drift vs. Temperature ±0.5 ppm/C typ
Power Supply Rejection (PSR) 85 dB typ Input Range = ±2.56 V
100 dB typ on ±20 mV Range
ANALOG INPUTS
Differential Input Voltage Ranges
±¥1 024. REFIN
GAIN
V nom REFIN = REFIN(+) – REFIN(–)
GAIN = 1 to 128
ADC Range Matching ±2mV typ Input Voltage = 19 mV on All Ranges
Absolute AIN1–AIN4 Voltage Limits
2
GND + 100 mV V min
V
DD
– 100 mV V max
AIN1–AIN4 Analog Input Current
DC Input Current
2
±1nA max
DC Input Current Drift ±5pA /C typ
Absolute AINCOM Voltage Limits
2
GND – 30 mV V min
V
DD
+ 30 mV V max
AINCOM Analog Input Current Pseudo-Differential Mode of Operation
DC Input Current ±125 nA/V typ Input Current Varies with Input Range
DC Input Current Drift ±2pA/V/C typ
Normal-Mode Rejection
2, 4
@ 50 Hz 100 dB min
50 Hz ±1Hz, 16.65 Hz Update Rate, SF = 82
@ 60 Hz 100 dB min 60 Hz ±1Hz, 20 Hz Update Rate, SF = 68
Common-Mode Rejection
@ DC 100 dB typ Input Range = ±2.56 V, AIN = 1 V
110 dB typ on ±20 mV Range
@ 50 Hz
2
100 dB min 50 Hz ±1 Hz, Range = ±2.56 V, AIN = 1 V
@ 60 Hz
2
100 dB min 60 Hz ±1 Hz, Range = ±2.56 V, AIN = 1 V
REFERENCE INPUTS
(REFIN1 and REFIN2)
REFIN Voltage 2.5 V nom REFIN = REFIN(+) – REFIN(–)
REFIN Voltage Range
2
1V min
V
DD
V max
Absolute REFIN Voltage Limits
2
GND – 30 mV V min
V
DD
+ 30 mV V max
Average Reference Input Current 0.5 mA/V typ
Average Reference Input Current Drift ±0.01 nA/V/C typ
Normal-Mode Rejection
2, 4
@ 50 Hz 100 dB min 50 Hz ± 1 Hz, SF = 82
@ 60 Hz 100 dB min 60 Hz ± 1 Hz, SF = 68
Common-Mode Rejection
@ DC 110 dB typ Input Range = ±2.56 V, AIN = 1 V
@ 50 Hz 110 dB typ 50 Hz ±1Hz, Range = 2.56 V, AIN = 1 V
@ 60 Hz 110 dB typ 60 Hz ±1Hz, Range = 2.56 V, AIN = 1 V
See Notes on page 5.
REV. A
–4–
AD7709
Parameter AD7709A, AD7709B Unit Test Conditions
EXCITATION CURRENT SOURCES
(IEXC1, IEXC2, and IEXC3)
Output Current
IEXC1, IEXC2 200 mA nom
IEXC3 25 mA nom
Initial Tolerance at 25C±10 % typ
Drift 200 ppm/C typ
Initial Current Matching at 25C±2.5 % max B Grade, No Load
(between IEXC1 and IEXC2) ±2.5 % typ A Grade, No Load
Drift Matching
(between IEXC1 and IEXC2) 20 ppm/C typ
Initial Current Matching at 25C±5% max B Grade, No Load
(between 8 IEXC3 and
IEXC1/IEXC2) ±5% typ A Grade, No Load
Drift Matching
(between 8 IEXC3 and
IEXC1/IEXC2) 20 ppm/C typ
Line Regulation V
DD
= 5 V ± 5%
IEXC1, IEXC2 1.25 mA/V typ A, B Grades
2.6 mA/V max B Grade
IEXC3 1 mA/V max B Grade
1mA/V typ A Grade
Load Regulation 300 nA/V typ
Output Compliance V
DD
– 0.6 V max
GND –30 mV V min
LOW-SIDE POWER SWITCHES
(SW1 and SW2)
R
ON
3W typ V
DD
= 5 V, A and B Grade
5W max B Grade
4.5 W typ V
DD
= 3 V, A and B Grade
7W max B Grade
Allowable Current
2
20 mA max Continuous Current per Switch
LOGIC INPUTS
All Inputs Except SCLK and XTAL1
2
V
INL
, Input Low Voltage 0.8 V max V
DD
= 5 V
0.4 V max V
DD
= 3 V
V
INH
, Input High Voltage 2.0 V min V
DD
= 3 V or 5 V
SCLK Only (Schmitt-Triggered Input)
2
V
T(+)
1.4/2 V min/V max V
DD
= 5 V
V
T(–)
0.8/1.4 V min/V max V
DD
= 5 V
V
T(+)
– V
T(–)
0.3/0.85 V min/V max V
DD
= 5 V
V
T(+)
0.95/2 V min/V max V
DD
= 3 V
V
T(–)
0.4/1.1 V min/V max V
DD
= 3 V
V
T(+)
– V
T(–)
0.3/0.85 V min/V max V
DD
= 3 V
XTAL1 Only
2
V
INL
, Input Low Voltage 0.8 V max V
DD
= 5 V
V
INH
, Input High Voltage 3.5 V min V
DD
= 5 V
V
INL
, Input Low Voltage 0.4 V max V
DD
= 3 V
V
INH
, Input High Voltage 2.5 V min V
DD
= 3 V
Input Currents (except XTAL) ±2mA max V
IN
= V
DD
–70 mA max V
IN
= GND, Typically –40 mA @ 5 V and
–20 mA at 3 V; Weak Pull-Ups on the
Logic Inputs
Input Capacitance 10 pF typ All Digital Inputs
(continued)
SPECIFICATIONS
REV. A
Parameter AD7709A,
AD7709
BUnit Test Conditions
LOGIC OUTPUTS (Excluding XTAL2)
V
OH
, Output High Voltage
2
V
DD
– 0.6 V min V
DD
= 3 V, I
SOURCE
= 100 mA
V
OL
, Output Low Voltage
2
0.4 V max V
DD
= 3 V, I
SINK
= 100 mA
V
OH
, Output High Voltage
2
4V min V
DD
= 5 V, I
SOURCE
= 200 mA
V
OL
, Output Low Voltage
2
0.4 V max V
DD
= 5 V, I
SINK
= 1.6 mA
Floating-State Leakage Current ±10 mA max
Floating-State Output Capacitance ±10 pF typ
Data Output Coding Binary Unipolar Mode
Offset Binary Bipolar Mode
I/O PORT
V
INL
, Input Low Voltage
2
0.8 V max V
DD
= 5 V
0.4 V max V
DD
= 3 V
V
INH
, Input High Voltage
2
2.0 V min V
DD
= 3 V or 5 V
Input Currents ±2mA max V
IN
= V
DD
–70 mA max V
IN
= GND, Typically –40 mA @ V
DD
= 5 V
and –20 mA at V
DD
= 3 V; Weak Pull-Ups on
the Logic Inputs
Input Capacitance 10 pF typ All Digital Inputs
V
OH
, Output High Voltage
2
V
DD
– 0.6 V min V
DD
= 3 V, I
SOURCE
= 100 mA
V
OL
, Output Low Voltage
2
0.4 V max V
DD
= 3 V, I
SINK
= 100 mA
V
OH
, Output High Voltage
2
4V min V
DD
= 5 V, I
SOURCE
= 200 mA
V
OL
, Output Low Voltage
2
0.4 V max V
DD
= 5 V, I
SINK
= 1.6 mA
Floating-State Output Leakage Current ±10 mA max
Floating-State Output Capacitance ±10 pF typ
START-UP TIME
From Power-On 300 ms typ
From Standby Mode 1 ms typ OSCPD = 0
From Power-Down Mode 300 ms typ OSCPD = 1
POWER REQUIREMENTS
Power Supply Voltage
V
DD
– GND 2.7/3.6 V min/max V
DD
= 3 V nom
4.75/5.25 V min/max V
DD
= 5 V nom
Power Supply Currents
I
DD
Current 1.5 mA max V
DD
= 3 V, 1.25 mA typ
1.75 mA max V
DD
= 5 V, 1.45 mA typ
I
DD
(Low Power Mode) 7 mA max B Grade, V
DD
= 3 V, Standby Mode
7mA typ A Grade, V
DD
= 3 V, Standby Mode
1.5 mA max B Grade, V
DD
= 3 V, Power-Down Mode
1.5 mA typ A Grade, V
DD
= 3 V, Power-Down Mode
26 mA max B Grade, V
DD
= 5 V, Standby Mode
26 mA typ A Grade, V
DD
= 5 V, Standby Mode
6.5 mA max B Grade, V
DD
= 5 V, Power-Down Mode
6.5 mA typ A Grade, V
DD
= 5 V, Power-Down Mode
I
DD
for One Conversion Second 107
5
mA typ V
DD
= 3 V, Standby Mode
134
5
mA typ V
DD
= 5 V, Standby Mode
NOTES
1
Temperature Range –40C to +85C.
2
Guaranteed by design and/or characterization data on production release.
3
Full-scale error applies to both positive and negative full scale.
4
Simultaneous 50 Hz and 60 Hz rejection is achieved using 19.79 Hz update rate. Normal mode rejection in this case is 60 dB min.
5
When the part is placed in power-down mode for a single conversion/second, at an update rate of 19.79 Hz, the current consumption is higher compared to when the
part is placed in standby mode as the crystal oscillator takes approximately 100 ms to begin clocking. The device will, therefore, use full current for the conversion
time and the 100 ms period required for the oscillator to begin clocking. However, if the conversion rate is lower, the current consumption will be reduced so that it
is worthwhile to use the power-down rather than the standby mode.
Specifications subject to change without notice.
AD7709
–5–
REV. A
AD7709
–6–
TIMING CHARACTERISTICS
1, 2
Limit at T
MIN
, T
MAX
Parameter (A, B Version) Unit Conditions/Comments
t
1
30.5176
ms
typ Crystal Oscillator Period
t
2
50 ns min RESET Pulsewidth
Read Operation
t
3
0ns min RDY to CS Setup Time
t
4
0ns min CS Falling Edge to SCLK Active Edge Setup Time
3
t
54
0ns min SCLK Active Edge to Data Valid Delay
3
60 ns max V
DD
= 4.75 V to 5.25 V
80 ns max V
DD
= 2.7 V to 3.6 V
t
5A4, 5
0ns min CS Falling Edge to Data Valid Delay
60 ns max V
DD
= 4.75 V to 5.25 V
80 ns max V
DD
= 2.7 V to 3.6 V
t
6
100 ns min SCLK High Pulsewidth
t
7
100 ns min SCLK Low Pulsewidth
t
8
0ns min CS Rising Edge to SCLK Inactive Edge Hold Time
3
t
96
10 ns min Bus Relinquish Time after SCLK Inactive Edge
3
80 ns max
t
10
100 ns max SCLK Active Edge to RDY High
3, 7
Write Operation
t
11
0ns min CS Falling Edge to SCLK Active Edge Setup Time
3
t
12
30 ns min Data Valid to SCLK Edge Setup Time
t
13
25 ns min Data Valid to SCLK Edge Hold Time
t
14
100 ns min SCLK High Pulsewidth
t
15
100 ns min SCLK Low Pulsewidth
t
16
0ns min CS Rising Edge to SCLK Edge Hold Time
NOTES
1
Sample tested during initial release to ensure compliance. All input signals are specified with t
R
= t
F
= 5 ns (10% to 90% of V
DD
) and timed from a voltage level of 1.6 V.
2
See Figures 2 and 3.
3
SCLK active edge is falling edge of SCLK.
4
These numbers are measured with the load circuit of Figure 1 and defined as the time required for the output to cross the V
OL
or V
OH
limits.
5
This specification comes into play only if CS goes low while SCLK is low. It is required primarily for interfacing to DSP machines.
6
These numbers are derived from the measured time taken by the data output to change 0.5 V when loaded with the circuit of Figure 1. The measured number is then extrapo-
lated back to remove effects of charging or discharging the 50 pF capacitor. This means that the times quoted in the Timing Characteristics table are the true bus relinquish
times of the part and as such are independent of external bus loading capacitances.
7
RDY returns high after a read of the ADC. The same data can be read again, if required, while RDY is high, although care should be taken that subsequent reads do not occur
close to the next output update.
(V
DD
= 2.7 V to 3.6 V or V
DD
= 4.75 V to 5.25 V; GND = 0 V; X
TAL
= 32.768 kHz; Input Logic 0 = 0 V,
Logic 1 = VDD unless otherwise noted.)
REV. A
AD7709
–7–
I
SINK
(1.6mA WITH V
DD
= 5V
100A WITH V
DD
= 3V)
1.6V
I
SOURCE
(200A WITH V
DD
= 5V
100A WITH V
DD
= 3V)
TO OUTPUT
PIN
50pF
Figure 1. Load Circuit for Timing Characterization
t
12
t
13
t
14
t
15
t
11
t
16
MSB LSB
CS
SCLK
DIN
Figure 2. Write Cycle Timing Diagram
t5
t5A
t4t6
t3
t9
MSB LSB
CS
SCLK
t8
t10
t7
DOUT
RDY
Figure 3. Read Cycle Timing Diagram
_I__I__I__I__I__I__I__I__I_jjj
REV. A
AD7709
–8–
WARNING!
ESD SENSITIVE DEVICE
PIN CONFIGURATION
TOP VIEW
(Not to Scale)
1
AD7709
GND
VDD
XTAL2
XTAL1
RDY
DOUT
DIN
RESET
SCLK
CS
P1/SW1
PWRGND
IOUT1
IOUT2
REFIN1(+)
REFIN1(–)
AIN1
AIN2
AIN3/P3
AIN4/P4
AINCOM
P2/SW2
REFIN2(+)
REFIN2(–)
2
3
4
5
6
7
8
9
10
11
12
24
23
22
21
20
19
18
17
16
15
14
13
ABSOLUTE MAXIMUM RATINGS*
(T
A
= 25C, unless otherwise noted.)
V
DD
to GND . . . . . . . . . . . . . . . . . . . . . . . . . . –0.3 V to +7 V
PWRGND to AGND . . . . . . . . . . . . . . –20 mV to +20 mV
Analog Input Voltage to GND . . . . . –0.3 V to V
DD
+ 0.3 V
Reference Input Voltage to GND . . . –0.3 V to V
DD
+ 0.3 V
Total AIN/REFIN Current (Indefinite) . . . . . . . . . . 30 mA
Digital Input Voltage to GND . . . . . . . –0.3 V to V
DD
+ 0.3 V
Digital Output Voltage to GND . . . . –0.3 V to V
DD
+ 0.3 V
Operating Temperature Range . . . . . . . . . . –40C to +85C
Storage Temperature Range . . . . . . . . . . . . –65C to +150C
Junction Temperature . . . . . . . . . . . . . . . . . . . . . . . . . 150C
q
JA
Thermal Impedance . . . . . . . . . . . . . . . . . . . 97.9C/W
q
JC
Thermal Impedance . . . . . . . . . . . . . . . . . . . . . 14C/W
Lead Temperature, Soldering
Vapor Phase (60 sec) . . . . . . . . . . . . . . . . . . . . . . . . 215C
Infrared (15 sec) . . . . . . . . . . . . . . . . . . . . . . . . . . . 220C
*Stresses above those listed under Absolute Maximum Ratings may cause perma-
nent damage to the device. This is a stress rating only; functional operation of the
device at these or any other conditions above those listed in the operational
sections of this specification is not implied. Exposure to absolute maximum rating
conditions for extended periods may affect device reliability.
ORDERING GUIDE
Temperature Package Package
Model Range Description Option
AD7709ARU –40C to +85CTSSOP RU-24
AD7709BRU –40C to +85CTSSOP RU-24
EVAL-AD7709EB Evaluation Board
CAUTION
ESD (electrostatic discharge) sensitive device. Electrostatic charges as high as 4000 V readily
accumulate on the human body and test equipment and can discharge without detection. Although the
AD7709 features proprietary ESD protection circuitry, permanent damage may occur on devices
subjected to high energy electrostatic discharges. Therefore, proper ESD precautions are recommended
to avoid performance degradation or loss of functionality.
REV. A
AD7709
–9–
PIN FUNCTION DESCRIPTIONS
Pin No. Mnemonic Function
1IOUT1 Output for Internal Excitation Current Source. Either current source IEXC1, IEXC2, IEXC3, or a combina-
tion of the current sources, can be switched to this output.
2IOUT2 Output for Internal Excitation Current Source. Either current source IEXC1, IEXC2, IEXC3, or a combina-
tion of the current sources, can be switched to this output.
3REFIN1(+) Positive Reference Input. REFIN1(+) can lie anywhere between V
DD
and GND + 1 V. The nominal refer-
ence
voltage (REFIN1(+) – REFIN1(–)) is 2.5 V, but the part is functional with a reference range from 1 V to V
DD
.
4REFIN1(–) Negative Reference Input. This reference input can lie anywhere between GND and V
DD
– 1 V.
5AIN1 Analog Input. Programmable gain input that can be used as a pseudo-differential input when used with
AINCOM or as the positive input of a fully differential input pair when used with AIN2.
6AIN2 Analog Input. Programmable gain input that can be used as a pseudo-differential input when used with
AINCOM or as the negative input of a fully differential input pair when used with AIN1.
7AIN3/P3 Analog Input/Digital Port Bit. Programmable gain input that can be used as a pseudo-differential input when
used with AINCOM or as the positive input of a fully differential input pair when used with AIN4. This pin
can also be programmed as a general-purpose digital input bit.
8AIN4/P4 Analog Input/Digital Port Bit. Programmable gain input that can be used as a pseudo-differential input when
used with AINCOM or as the negative input of a fully-differential input pair when used with AIN3. This pin
can also be programmed as a general-purpose digital input bit.
9AINCOM All analog inputs are referenced to this input when configured in pseudo-differential input mode.
10 REFIN2(+) Positive Reference Input. REFIN2(+) can lie anywhere between V
DD
and GND + 1 V. The nominal reference
voltage (REFIN2(+) – REFIN2(–)) is 2.5 V, but the part is functional with a reference range from 1 V to V
DD
.
11 REFIN2(–) Negative Reference Input. This reference input can lie anywhere between GND and V
DD
– 1 V.
12 P2/SW2 Dual-Purpose Pin. It can act as a general-purpose output (P2) bit or as a low-side power switch (SW2) to
PWRGND.
13 PWRGND Ground Point for the Low-Side Power Switches SW2 and SW1. PWRGND must be tied to GND.
14 P1/SW1 Dual-Purpose Pin. It can act as a general-purpose output (P1) bit or as a low-side power switch (SW1) to
PWRGND.
15 RESET
Digital Input Used to Reset the ADC to Its Power-On-Reset Status. This pin has a weak pull-up internally to V
DD
.
16 SCLK Serial Clock Input for Data Transfers to and from the ADC. The SCLK has a Schmitt-triggered input making
the interface suitable for opto-isolated applications. The serial clock can be continuous with all data transmitted
in a continuous train of pulses. Alternatively, it can be a noncontinuous clock with the information being
transmitted to or from the AD7709 in smaller batches of data. A weak pull-up to V
DD
is provided on the
SCLK input.
17 CS Chip Select Input. This is an active low logic input used to select the AD7709. CS can be used to select the
AD7709 in systems with more than one device on the serial bus or as a frame synchronization signal in com-
municating with the device. CS can be hardwired low allowing the AD7709 to operate in 3-wire mode with
SCLK, DIN, and DOUT used to interface with the device. A weak pull-up to V
DD
is provided on the CS input.
18 RDY RDY is a Logic Low Status Output from the AD7709. RDY is low if the ADC has valid data in its data
register. This output returns high on completion of a read operation from the data register. If data is not
read, RDY will return high prior to the next update indicating to the user that a read operation should
not be initiated.
19 DOUT Serial Data Output Accessing the Output Shift Register of the AD7709. The output shift register can contain
data from any of the on-chip data or control registers.
20 DIN Serial Data Input Accessing the Input Shift Register on the AD7709. Data in this shift register is transferred to
the control registers within the ADC, the selection bits of the communications register selecting which
control register. A weak pull-up to V
DD
is provided on the DIN input.
21 GND Ground Reference Point for the AD7709
22 V
DD
Supply Voltage, 3 V or 5 V Nominal
23 XTAL2 Output from the 32.768 kHz Crystal Oscillator Inverter
24 XTAL1 Input to the 32.768 kHz Crystal Oscillator Inverter
REV. A
AD7709–Typical Performance Characteristics
–10–
200
3276732766 32768 3277032769
600
500
400
300
700
CODE
OCCURRENCE
32771
100
0
TPC 3. Noise Histogram
OSCILLATOR
V
DD
= 5V
T
A
= 25C
TIME BASE = 100ms/DIV
TRACE 1 = TRACE 2 = 2V/DIV
V
DD
TPC 4. Typical Oscillator Power-Up
32767
1000 200 400300
32771
32770
32769
32768
32772
READING NUMBER
CODE READ
500
32766
32765
32764 600 700 800 900 1000
V
DD
= 5V
INPUT RANGE = 20mV
UPDATE RATE = 19.79Hz
V
REF
= 2.5V
T
A
= 25 C
TPC 1. Typical Noise Plot on
±
20 mV Input Range
2.5
0
1.0 3.02.52.01.5 3.5 5.04.54.0
2.0
1.5
1.0
0.5
3.0
VREFV
RMS NOISE – V
20mV RANGE
2.56V RANGE
VDD = 5V
VREF = 2.5V
INPUT RANGE = 2.56V
UPDATE RATE = 19.79Hz
TA = 25C
TPC 2. RMS Noise vs. Reference Input
REV. A
AD7709
–11–
ADC CIRCUIT INFORMATION
Overview
The AD7709 incorporates a - ADC channel with on-chip digital
filtering intended for the measurement of wide dynamic range, low
frequency signals such as those in weigh-scale, strain-gauge,
pressure transducer, or temperature measurement applications.
- ADC
This channel can be programmed to have one of eight input
voltage ranges from ±20 mV to ±2.56 V. This channel can be
configured as either two fully differential inputs (AIN1/AIN2
and AIN3/AIN4) or four pseudo-differential input channels
(AIN1/AINCOM, AIN2/AINCOM, AIN3/AINCOM, and
AIN4/AINCOM). Buffering the input channel means that the
part can accommodate significant source impedances on the
analog input and that R, C filtering (for noise rejection or RFI
reduction) can be placed on the analog inputs if required.
The ADC employs a - conversion technique to realize up to
16 bits of no-missing-codes performance. The - modulator
converts the sampled input signal into a digital pulse train whose
duty cycle contains the digital information. A Sinc
3
programmable
low-pass filter is then employed to decimate the modulator output
data stream to give a valid data conversion result at programmable
output rates from 5.35 Hz (186.77 ms) to 105.03 Hz (9.52 ms).
A chopping scheme is also employed to minimize ADC channel
offset errors. A block diagram of the ADC input channel is shown
in Figure 4.
The sampling frequency of the modulator loop is many times
higher than the bandwidth of the input signal. The integrator in
the modulator shapes the quantization noise (which results from
the analog-to-digital conversion) so that the noise is pushed
toward one-half of the modulator frequency. The output of the
- modulator feeds directly into the digital filter. The digital
filter then band-limits the response to a frequency significantly
lower than one-half of the modulator frequency. In this manner,
the 1-bit output of the comparator is translated into a band-
limited, low noise output from the AD7709 ADC. The AD7709
filter is a low-pass, Sinc
3
, or (SIN(x)/x)
3
filter whose primary
function is to remove the quantization noise introduced at the
modulator. The cutoff frequency and decimated output data
rate of the filter are programmable via the SF word loaded to the
filter register.
A chopping scheme is employed where the complete signal chain
is chopped, resulting in excellent dc offset and offset drift speci-
fications, and is extremely beneficial in applications where drift,
noise rejection, and optimum EMI rejection are important fac-
tors. With chopping, the ADC repeatedly reverses its inputs.
The decimated digital output words from the Sinc
3
filters there-
fore have a positive offset and negative offset term included. As a
result, a final summing stage is included so that each output
word from the filter is summed and averaged with the previous
filter output to produce a new valid output result to be written to
the ADC data register.
The input chopping is incorporated into the input multiplexer
while the output chopping is accomplished by an XOR gate at
the output of the modulator. The chopped modulator bit stream
is applied to a Sinc
3
filter. The programming of the Sinc
3
deci-
mation factor is restricted to an 8-bit register SF, the actual
decimation factor is the register value × 8. The decimated out-
put rate from the Sinc
3
filter (and the ADC conversion rate) will
therefore be:
fSF f
ADC MOD
×
×
1
3
1
8
where:
f
ADC
is the ADC update rate.
SF is the decimal equivalent of the word loaded to the
filter register.
f
MOD
is the modulator sampling rate of 32.768 kHz.
Programming the filter register determines the update rate for the
ADC. The chop rate of the channel is half the output data rate.
The frequency response of the filter H(f) is as follows:
1
8
8
1
2
2
3
SF
SF f / f
f/f
f/f
f/f
MOD
MOD
OUT
OUT
×××××
×
×
×××
×
sin ( )
sin ( )
sin ( )
sin ( )
π
π
π
π
where:
f
MOD
= 32,768 Hz.
SF = value programmed into Filter Register.
f
OUT
= f
MOD
/(SF 8 3)
The following shows plots of the filter frequency response for the
SF words shown in Table I. The overall frequency response is the
product of a Sinc
3
and a sinc response. There are Sinc
3
notches
at integer multiples of 3 f
ADC
, and there are sinc notches at odd
integer multiples of f
ADC
/2. The 3 dB frequency for all values of SF
obeys the following equation:
fdB f
ADC
3024
()
.
The signal chain is chopped as shown in Figure 4. The chop
frequency is:
ff
CHOP
ADC
=
2
SINC3 FILTER
MUX BUF PGA
-
MOD
XOR
ANALOG
INPUT
DIGITAL
OUTPUT
1
8 SF
3
((8 SF )
3
1
2
AIN + V OS
AINV OS
fCHOP fIN fMOD fCHOP fADC
)
Figure 4. ADC Channel Block Diagram
REV. A
AD7709
–12–
As shown in the block diagram, the Sinc
3
filter outputs alternately
contain +V
OS
and –V
OS
, where V
OS
is the respective channel offset.
This offset is removed by performing a running average of 2, which
means that the settling time to any change in programming of
the ADC will be twice the normal conversion time, while an
asynchronous step change on the analog input will not be fully
reflected until the third subsequent output.
tft
SETTLE
ADC
ADC
=Ê
Ë
Áˆ
¯
˜
22
The allowable range for SF is 13 to 255, with a default of 69
(45H). The corresponding conversion rates, conversion times,
and settling times are shown in Table I. Note that the conver-
sion time increases by 0.732 ms for each increment in SF.
FREQUENCY – Hz
0
–140
–200
0
650
50 100 150 200 250 300 350 400 450 500 550 600 700
ATTENUATION – dB
–20
–120
–160
–180
–60
–100
–40
–80
SF = 13
OUTPUT DATA RATE = 105Hz
INPUT BANDWIDTH = 25.2Hz
FIRST NOTCH = 52.5Hz
50Hz REJECTION = –23.6dB, 50Hz 1Hz REJECTION = –20.5dB
60Hz REJECTION = –14.6dB, 60Hz 1Hz REJECTION = –13.6dB
Figure 5. Filter Profile with SF = 13
FREQUENCY – Hz
0
–80
–160
0 10010
ATTENUATION – dB
20 30 40 50 60 70 80 90
–20
–40
–120
–140
–60
–100
SF = 82
OUTPUT DATA RATE = 16.65Hz
INPUT BANDWIDTH = 4Hz
50Hz REJECTION = –171dB, 50Hz 1Hz REJECTION = –100dB
60Hz REJECTION = –58dB, 60Hz 1Hz REJECTION = –53dB
Figure 6. Filter Profile with SF = 82
Table I. ADC Conversion and Settling Times for Various
SF Words
Data Update Rate Settling Time
SF Word f
ADC
(Hz) t
SETTLE
(ms)
13 105.3 19.04
69 (Default) 19.79 101.07
255 5.35 373.54
Normal mode rejection is the major function of the digital filter
on the AD7709. The normal mode 50 ± 1 Hz rejection with an
SF word of 82 is typically –100 dB. The 60 ± 1 Hz rejection with
SF = 68 is typically –100 dB. Simultaneous 50 Hz and 60 Hz
rejection of better than 60 dB is achieved with an SF of 69.
Choosing an SF word of 69 places notches at both 50 Hz and
60 Hz. Figures 5 to 8 show the filter rejection for a selection
of SF words.
FREQUENCY – Hz
0
–80
–160
0 100
10
ATTENUATION – dB
20 30 40 50 60 70 80 90
–20
–40
–120
–140
–60
–100
SF = 69
OUTPUT DATA RATE = 19.8Hz
INPUT BANDWIDTH = 4.74Hz
FIRST NOTCH = 9.9Hz
50Hz REJECTION = –66dB, 50Hz 1Hz REJECTION = –60dB
60Hz REJECTION = –117dB, 60Hz 1Hz REJECTION = –94dB
Figure 7. Filter Profile with Default SF = 69 Giving Filter
Notches at Both 50 Hz and 60 Hz
FREQUENCY – Hz
0
–80
–160
0 10010
ATTENUATION – dB
20 30 40 50 60 70 80 90
–20
–40
–120
–140
–60
–100
SF = 255
OUTPUT DATA RATE = 5.35Hz
INPUT BANDWIDTH = 1.28Hz
50Hz REJECTION = –93dB, 50Hz 1Hz REJECTION = –93dB
60Hz REJECTION = –74dB, 60Hz 1Hz REJECTION = –68dB
Figure 8. Filter Profile with SF = 255
REV. A
AD7709
–13–
NOISE PERFORMANCE
Tables II and III show the output rms noise and output peak-to-
peak resolution in bits (rounded to the nearest 0.5 LSB) for a
selection of output update rates. The numbers are typical and
generated at a differential input voltage of 0 V. The output update
rate is selected via the SF7–SF0 bits in the Filter Register. It is
important to note that the peak-to-peak resolution figures
represent the resolution for which there will be no code flicker
within a six-sigma limit. The output noise comes from two sources.
The first is the electrical noise in the semiconductor devices
(device noise) used in the implementation of the modulator.
Second, when the analog input is converted into the digital
domain, quantization noise is added. The device noise is at a low
DIN
ADC STATUS REGISTER
(8 BITS)
CONFIGURATION REGISTER
(24 BITS)
FILTER REGISTER
(8 BITS)
ADC DATA REGISTER
(16 BITS)
REGISTER
SELECT
DECODER
DOUT DOUT
DOUT
DOUT
DOUT
DIN
DIN
WEN R/WSTBY OSCPD 0 0 A1 A0
Figure 9. On-Chip Registers
level and is independent of frequency. The quantization noise starts
at an even lower level but rises rapidly with increasing frequency
to become the dominant noise source.
The numbers in the tables
are given for the bipolar input ranges.
For the unipolar ranges,
the rms noise numbers will be the same
as the bipolar range, but
the peak-to-peak resolution is now based
on half the signal range,
which effectively means losing 1 bit of resolution.
ON-CHIP REGISTERS
The AD7709 is controlled and configured via a number of on-chip
registers, as shown in Figure 9 and described in more detail in the
following pages. In the following descriptions, set implies a Logic 1
state and cleared implies a Logic 0 state, unless otherwise stated.
Table II. Typical Output RMS Noise vs. Input Range and Update Rate for the AD7709 (Output RMS Noise in V)
SF Data Update Input Range
Word Rate (Hz) 20 mV 40 mV 80 mV 160 mV 320 mV 640 mV 1.28 V 2.56 V
13 105.3 1.50 1.50 1.60 1.75 3.50 4.50 6.70 11.75
69 19.79 0.60 0.65 0.65 0.65 0.65 0.95 1.40 2.30
255 5.35 0.35 0.35 0.37 0.37 0.37 0.51 0.82 1.25
Table III. Peak-to-Peak Resolution vs. Input Range and Update Rate for the AD7709 (Peak-to-Peak Resolution in Bits)
SF Data Update Input Range
Word Rate (Hz) 20 mV 40 mV 80 mV 160 mV 320 mV 640 mV 1.28 V 2.56 V
13 105.3 12 13 14 15 15 15.5 16 16
69 19.79 13 14 15 16 16 16 16 16
255 5.35 14 15 16 16 16 16 16 16
REV. A
AD7709
–14–
Communications Register (A1, A0 = 0, 0)
The Communications Register is an 8-bit write-only register. All communications to the part must start with a write operation to the
Communications Register. The data written to the Communications Register determines whether the next operation is a read or
write operation, and to which register this operation takes place. For read or write operations, once the subsequent read or write
operation to the selected register is complete, the interface returns to where it expects a write operation to the Communications
Register. This is the default state of the interface, and on power-up or after a RESET, the AD7709 is in this default state waiting for
a write operation to the Communications Register. In situations where the interface sequence is lost, a write operation of at least 32
serial clock cycles with DIN high, returns the AD7709 to this default state by resetting the part. Table IV outlines the bit designations for
the Communications Register. CR0 to CR7 indicate the bit location, CR denoting the bits are in the Communications Register.
CR7
denotes the first bit of the data stream.
7RC6RC5RC4RC3RC2RC1RC0RC
NEW )0( /R W)0()0(YBTS)0(DPCSO)0(0)0(0)0(1A)0(A
Table IV. Communications Register Bit Designations
Bit Bit
Location Name Description
CR7 WEN Write Enable Bit.
A 0 must be written to this bit so the write operation to the Communications Register
actually takes place.
If a 1 is written to this bit, the part will not clock on to subsequent bits in the register.
It will stay at this
bit location until a 0 is written to this bit. Once a 0 is written to the WEN bit, the next seven bits will be
loaded to the Communications Register.
CR6 R/WA 0 in this bit location indicates that the next operation will be a write to a specified register.
A 1 in this position indicates that the next operation will be a read from the designated register.
CR5 STBY Standby Bit Location.
A 1 in this location places the AD7709 in low power mode.
A 0 in this location powers up the AD7709.
CR4 OSCPD Oscillator Power-Down Bit.
If this bit is set, placing the AD7709 in standby mode will stop the crystal oscillator also, reducing the
power consumed by the part to a minimum. The oscillator will require 300 ms to begin oscillating when
the ADC is taken out of power-down mode.
If this bit is cleared, the oscillator is not stopped when the ADC is placed in power-down mode. When
the ADC is taken out of power-down mode, the oscillator does not require the 300 ms start-up time.
CR3–CR2 0 These bits must be programmed with a Logic 0 for correct operation.
CR1–CR0 A1–A0 Register Address Bits. These address bits are used to select which of the AD7709 registers are accessed
during this serial interface communication.
Table V. Register Selection Table
A1 A0 Register
00Communications Register during a Write Operation
00Status Register during a Read Operation
01Configuration Register
10Filter Register
11ADC Data Register
REV. A
AD7709
–15–
Status Register (A1, A0 = 0, 0; Power-On-Reset = 00H)
The ADC Status Register is an 8-bit read-only register. To access the ADC Status Register, the user must write to the Communica-
tions Register, selecting the next operation to be a read and load bits A1–A0 with 0, 0. Table VI outlines the bit designations for the
Status Register. SR0 to SR7 indicate the bit location, SR denoting the bits are in the Status Register. SR7 denotes the first bit of the
data stream. The number in brackets indicates the power-on-reset default status of that bit.
Table VI. Status Register Bit Designations
Bit Bit
Location Name Description
SR7 RDY Ready Bit for ADC.
Set when data is written to the ADC data register.
The RDY bit is cleared automatically after the ADC data register has been read or a period of time before
the data register is updated with a new conversion result.
SR6 0This bit is automatically cleared.
SR5 0This bit is automatically cleared.
SR4 0This bit is automatically cleared.
SR3 ERR ADC Error Bit. This bit is set at the same time as the RDY bit.
Set to indicate that the result written to the ADC data register has been clamped to all zeros or all ones.
Error sources include Overrange, Underrange.
Cleared by a write to the mode bits to initiate a conversion.
SR2 0This bit is automatically cleared.
SR1 STBY Standby Bit Indication.
When this bit is set, the AD7709 is in power-down mode.
This bit is cleared when the ADC is powered up.
SR0 LOCK PLL Lock Status Bit.
Set if the PLL has locked onto the 32.768 kHz crystal oscillator clock. If the user is worried about exact
sampling frequencies, etc., the LOCK bit should be interrogated and the result discarded if the LOCK
bit is 0.
7RS6RS5RS4RS3RS2RS1RS0RS
)0(YDR)0(0)0(0)0(0)0(RRE)0(0)0(YBTS)0(KCOL
REV. A
AD7709
–16–
Table VII. Configuration Register Bit Designations
Bit Bit
Location Name Description
CONFIG23 PSW2 Power Switch 2 Control Bit.
Set by user to enable power switch SW2/P2 to PWRGND.
Cleared by user to enable use as a standard I/O pin. When the ADC is in standby mode, the power switches
are open.
CONFIG22 PSW1 Power Switch 1 Control Bit.
Set by user to enable power switch SW1/P1 to PWRGND.
Cleared by user to enable use as a standard I/O pin. When the ADC is in standby mode, the power switches
are open.
CONFIG21 I3EN1 IEXC3 Current Source Enable Bit
CONFIG20 I3EN0 IEXC3 Current Source Enable Bit
CONFIG19 I2EN1 IEXC2 Current Source Enable Bit
CONFIG18 I2EN0 IEXC2 Current Source Enable Bit
CONFIG17 I1EN1 IEXC1 Current Source Enable Bit
Configuration Register (A1, A0 = 0, 1; Power-On-Reset = 000007H)
The Configuration Register is a 24-bit register from which data can either be read or to which data can be written. This register is used to
select the input channel and configure the input range, excitation current sources, and I/O port. Table VII outlines the bit designations
for this register. CONFIG23 to CONFIG0 indicate the bit location, CONFIG denoting the bits are in the Configuration Register.
CONFIG23 denotes the first bit of the data stream. The number in brackets indicates the power-on-reset default status of that bit. A
write to the Configuration Register has immediate effect and does not reset the ADC. Therefore, if a current source is switched
while the ADC is converting, the user will have to wait for the full settling time of the sinc
3
filter before obtaining a fully settled output.
This equates to three outputs.
7GIFNOC7GIFNOC 7GIFNOC 7GIFNOC7GIFNOC6GIFNOC6GIFNOC 6GIFNOC 6GIFNOC6GIFNOC5GIFNOC5GIFNOC 5GIFNOC 5GIFNOC5GIFNOC4GIFNOC4GIFNOC 4GIFNOC 4GIFNOC4GIFNOC3GIFNOC3GIFNOC 3GIFNOC 3GIFNOC3GIFNOC2GIFNOC2GIFNOC 2GIFNOC 2GIFNOC2GIFNOC1GIFNOC1GIFNOC 1GIFNOC 1GIFNOC1GIFNOC0GIFNOC0GIFNOC 0GIFNOC 0GIFNOC0GIFNOC
)0(LESFER)0(LESFER )0(LESFER )0(LESFER)0(LESFER)0(2HC)0(2HC )0(2HC )0(2HC)0(2HC)0(1HC)0(1HC )0(1HC )0(1HC)0(1HC)0(0HC)0(0HC )0(0HC )0(0HC)0(0HC)0(INU)1(2NR)1(1NR)1(0NR
32GIFNOC32GIFNOC 32GIFNOC 32GIFNOC32GIFNOC22GIFNOC22GIFNOC 22GIFNOC 22GIFNOC22GIFNOC12GIFNOC12GIFNOC 12GIFNOC 12GIFNOC12GIFNOC02GIFNOC02GIFNOC 02GIFNOC 02GIFNOC02GIFNOC91GIFNOC91GIFNOC 91GIFNOC 91GIFNOC91GIFNOC81GIFNOC81GIFNOC 81GIFNOC 81GIFNOC81GIFNOC71GIFNOC71GIFNOC 71GIFNOC 71GIFNOC71GIFNOC61GIFNOC61GIFNOC 61GIFNOC 61GIFNOC61GIFNOC
)0(2WSP)0(2WSP )0(2WSP )0(2WSP)0(2WSP)0(1WSP)0(1WSP )0(1WSP )0(1WSP)0(1WSP)0(1NE3I)0(1NE3I )0(1NE3I )0(1NE3I)0(1NE3I)0(0NE3I)0(0NE3I )0(0NE3I )0(0NE3I)0(0NE3I)0(1NE2I)0(1NE2I )0(1NE2I )0(1NE2I)0(1NE2I)0(0NE2I)0(0NE2I )0(0NE2I )0(0NE2I)0(0NE2I)0(1NE1I)0(1NE1I )0(1NE1I )0(1NE1I)0(1NE1I)0(0NE1I)0(0NE1I )0(0NE1I )0(0NE1I)0(0NE1I
I2EN1 I2EN0 Function
00IEXC2 Current Source OFF
01IEXC2 Current Source Routed to the IOUT1 Pin
10IEXC2 Current Source Routed to the IOUT2 Pin
11Reserved
I3EN1 I3EN0 Function
00IEXC3 Current Source OFF
01IEXC3 Current Source Routed to the IOUT1 Pin
10IEXC3 Current Source Routed to the IOUT2 Pin
11Reserved
51GIFNOC41GIFNOC31GIFNOC21GIFNOC11GIFNOC01GIFNOC9GIFNOC8GIFNOC
)0(GID4P)0(GID3P)0(NE2P)0(NE1P)0(TAD4P)0(TAD3P)0(TAD2P)0(TAD1P
REV. A
AD7709
–17–
Bit Bit
Location Name Description
CONFIG16 I1EN0 IEXC1 Current Source Enable Bit
CONFIG15 P4DIG Digital Input Enable.
Set by user to enable pin AIN4/P4 as a digital input. A weak pull-up resistor is activated in this state.
Cleared by user to configure pin AIN4/P4 as an analog input.
CONFIG14 P3DIG Digital Input Enable.
Set by user to enable pin AIN3/P3 as a digital input. A weak pull-up resistor is activated in this state.
Cleared by user to configure pin AIN3/P3 as an analog input.
CONFIG13 P2EN SW2/P2 Digital Output Enable Bit.
Set by user to enable P2 as a regular digital output pin.
Cleared by user to three-state the P2 output. PSW2 takes precedence over P2EN.
CONFIG12 P1EN SW1/P1 Digital Output Enable Bit.
Set by user to enable P1 as a regular digital output pin.
Cleared by user to three-state the P1 output. PSW1 takes precedence over P1EN.
CONFIG11 P4DAT Digital Input Port Data Bit.
P4DAT is read only and will return a zero if P4DIG equals zero.
If P4 is enabled as a digital input, the readback value indicates the status of pin P4.
CONFIG10 P3DAT Digital Input Port Data Bit.
P3DAT is read only and will return a zero if P3DIG equals zero.
If P3 is enabled as a digital input, the readback value indicates the status of pin P3.
CONFIG9 P2DAT Digital Output Port Data Bit. P2 is a digital output only. When the port is active as an output (P2EN = 1),
the value written to this data bit appears at the output port. Reading P2DAT will return the last value
written to the P2DAT bit.
CONFIG8 P1DAT Digital Output Port Data Bit. P1 is a digital output only. When the port is active as an output (P1EN = 1),
the value written to this data bit appears at the output port. Reading P1DAT will return the last value
written to the P1DAT bit.
CONFIG7 REFSEL ADC Reference Input Select.
Cleared by the user to select REFIN1(+) and REFIN1(–) as the ADC reference.
Set by the user to select REFIN2(+) and REFIN2(–) as the ADC reference.
CONFIG6 CH2 ADC Input Channel Selection Bit. It is used in conjunction with CH1 and CH0 as shown below.
CONFIG5 CH1 ADC Input Channel Selection Bit. It is used in conjunction with CH2 and CH0 as shown below.
CONFIG4 CH0 ADC Input Channel Selection Bit. It is used in conjunction with CH2 and CH1 as shown below.
The Buffer column indicates if the analog inputs are buffered or unbuffered. This determines the common-mode input range
on each input. If the input is unbuffered (AINCOM), the common-mode input includes ground.
Table VII. Configuration Register Bit Designations (continued)
CH2 CH1 CH0 Positive Input Negative Input Buffer
000AIN1 AINCOM Positive Analog Input
001AIN2 AINCOM Positive Analog Input
010AIN3 AINCOM Positive Analog Input
011AIN4 AINCOM Positive Analog Input
100AIN1 AIN2 Positive and Negative Analog Inputs
101AIN3 AIN4 Positive and Negative Analog Inputs
110AINCOM AINCOM None
111AIN2 AIN2 Positive and Negative Analog Inputs
I1EN1 I1EN0 Function
00IEXC1 Current Source OFF
01IEXC1 Current Source Routed to the IOUT1 Pin
10IEXC1 Current Source Routed to the IOUT2 Pin
11Reserved
1 1 1 1 1 1 1 1
REV. A
AD7709
–18–
Table VIII. Filter Register Bit Designations
Table IX. Update Rate vs. SF WORD
SF (Dec) SF (Hex) f
ADC
(Hz) t
ADC
(ms)
13 0D 105.3 9.52
69 45 19.79 50.34
255 FF 5.35 186.77
Table VII. Configuration Register Bit Designations (continued)
Bit Bit
Location Name Description
CONFIG3 UNI Unipolar/Bipolar Operation Selection Bit.
Set by the user to enable unipolar operation. In this mode, the device uses straight binary output coding
i.e., 0 differential input will generate a result of 0000h and a full-scale differential input will generate a
code of FFFFh.
Cleared by the user to enable pseudo-bipolar operation. The device uses offset binary coding, i.e., a nega-
tive full-scale differential input will result in a code of 0000h, a 0 differential input will generate a code of
8000h, while a positive full-scale differential input will result in a code of FFFFh.
CONFIG2 RN2 This bit is used in conjunction with RN1 and RN0 to select the analog input range as shown below.
CONFIG1 RN1 This bit is used in conjunction with RN2 and RN0 to select the analog input range as shown below.
CONFIG0 RN0 This bit is used in conjunction with RN2 and RN1 to select the analog input range as shown below.
Filter Register (A1, A0 = 1, 0; Power-On-Reset = 45h)
The Filter Register is an 8-bit register from which data can be
read or to which data can be written. This register determines
the amount of averaging performed by the sinc filter. Table VIII
outlines the bit designations for the Filter Register. FR7 through
FR0 indicate the bit location, FR denoting the bits are in the
Filter Register. FR7 denotes the first bit of the data stream. The
number in brackets indicates the power-on/reset default status
of that bit. The number in this register is used to set the decima-
tion factor and thus the output update rate for the ADC. The
Filter Register cannot be written to by the user while the ADC
is active. The update rate is calculated as follows:
fSF f
ADC MOD
¥¥
1
3
1
8
where:
f
ADC
is the ADC output update rate.
f
MOD
is the Modulator Clock Frequency = 32.768 kHz.
SF is the decimal value written to the SF Register.
The allowable range for SF is 13dec to 255dec. Examples of SF
values and corresponding conversion rate (f
ADC
) and time (t
ADC
)
are shown in Table IX. It should also be noted that the ADC
input channel is chopped to minimize offset errors. This means
that the time for a single conversion or the time to the first con-
version result is 2 t
ADC
.
ADC Data Result Register (A1, A0 = 1, 1; Power-On-Reset =
0000h)
The conversion result is stored in the ADC Data Register (DATA).
This register is 16-bits wide. This is a read-only register. On
completion of a read from this register, the RDY bit in the
Status Register is cleared.
7RF6RF5RF4RF3RF2RF1RF0RF
)0(7FS)1(6FS)0(5FS)0(4FS)0(3FS)1(2FS)0(1FS)1(0FS
RN2 RN1 RN0 Selected ADC Input Range (V
REF
= 2.5 V)
00 0 ±20 mV
00 1 ±40 mV
01 0 ±80 mV
01 1 ±160 mV
10 0 ±320 mV
10 1 ±640 mV
11 0 ±1.28 V
11 1 ±2.56 V
REV. A
AD7709
–19–
CONFIGURING THE AD7709
The four user-accessible registers on the AD7709 are accessed via
the serial interface. Communication with any of these registers
is initiated by first writing to the Communications Register. The
AD7709 begins converting on power-up without the need to
write to
the registers. The default conditions are used, i.e., the
AD7709 operates at a 19.79 Hz update rate that offers 50 Hz
and 60 Hz rejection.
Figure 10 outlines a flow diagram of the sequence used to
configure all registers after a power-up or reset on the AD7709.
The flowchart shows two methods of determining when it is valid
to read the data register. The first method is hardware polling of
the RDY pin and the second method involves software interrogation
of the RDY bit in the status register. The flowchart details all the
necessary programming steps required to initialize the ADC and
read data from the ADC channel following a power-on or reset.
The steps can be broken down as follows:
1. Configure and initialize the microcontroller or microproces-
sor serial port.
2. Initialize the AD7709 by configuring the following registers:
a)
Filter Register to configure the update rate for the channel.
The AD7709 must be placed in standby mode before the
Filter Register can be written to.
b)Configuration Register to select the input channel to be
converted, its input range, and reference. This register is also
used to configure internal current sources, power switches,
and I/O port.
Both of these operations consist of a write to the Communi-
cations Register to specify the next operation as a write to a
specified register. Data is then written to this register. When
each sequence is complete, the ADC defaults to waiting for
another write to the Communications Register to specify the
next operation.
3. When configuration is complete, the user needs to determine
when it is valid to read the data from the data register. This is
accomplished either by polling the RDY pin (hardware polling)
or by interrogating the RDY bit in the STATUS register
(software
polling). Both are shown in Figure 10.
POLL RDY PIN
HARDWARE
POLLING
START SOFTWARE
POLLING
POWER-ON-RESET FOR AD7709
CONFIGURE AND INITIALIZE C/P SERIAL PORT
WRITE TO COMMUNICATIONS REGISTER SETTING
UP NEXT OPERATION TO BE A WRITE TO THE
FILTER REGISTER (WRITE 22H TO REGISTER)
WRITE TO FILTER REGISTER CONFIRMING
THE REQUIRED UPDATE RATE
WRITE TO COMMUNICATIONS REGISTER SETTING
UP NEXT OPERATION TO BE A WRITE TO THE
CONFIGURATION REGISTER
(WRITE 01H TO REGISTER)
READ DATA FROM OUTPUT REGISTER
WRITE TO COMMUNICATIONS REGISTER SETTING
UP NEXT OPERATION TO BE A READ FROM THE
STATUS REGISTER (WRITE 40H TO REGISTER)
WRITE TO COMMUNICATIONS REGISTER SETTING
UP NEXT OPERATION TO BE A READ FROM THE
DATA REGISTER (WRITE 43H TO REGISTER)
WRITE TO COMMUNICATIONS REGISTER SETTING
UP NEXT OPERATION TO BE A READ FROM THE
DATA REGISTER (WRITE 43H TO REGISTER)
READ 16-BIT DATA RESULT
READ 16-BIT DATA RESULT
READ STATUS REGISTER
ANOTHER
READ
RDY
LOW?
ANOTHER
READ
CHANNEL
CHANGE
RDY = 1
END
END
SOFTWARE
POLLING
HARDWARE
POLLING
NO
YES
YES
YES
NO
YES
NO
YES
NO
YES
NO
WRITE TO CONFIGURATION REGISTER TO SELECT
THE INPUT CHANNEL, INPUT RANGE, AND
REFERENCE. CURRENT SOURCES AND I/O PORT
CAN ALSO BE CONFIGURED
CHANNEL
CHANGE
Figure 10. Flowchart for Initializing and Reading Data from the AD7709
REV. A
AD7709
–20–
DIGITAL INTERFACE
As previously outlined, AD7709 programmable functions are
controlled using a set of on-chip registers. Data is written to
these registers via the part’s serial interface and read access to
the on-chip registers is also provided by this interface. All com-
munications to the part must start with a write operation to the
Communications Register. After power-on or
reset
, the device
expects a write to its Communications Register. The data writ-
ten to this register determines whether the next operation to the
part is a read or a write operation and also determines to which
register this read or write operation occurs. Therefore, write
access to any of the other registers on the part starts with a write
operation to the Communications Register followed by a write
to the selected register. A read operation from any other register
on the part (including the output data register) starts with a
write operation to the Communications Register followed by a
read operation from the selected register.
The AD7709 serial interface consists of five signals: CS, SCLK,
DIN, DOUT, and RDY. The DIN line is used for transferring
data into the on-chip registers, while the DOUT line is used for
accessing data from the on-chip registers. SCLK is the serial
clock input for the device, and all data transfers (either on DIN
or DOUT) take place with respect to this SCLK signal. The
RDY line is used as a status signal to indicate when data is ready
to be read from the AD7709 data register. RDY goes low when a
new data-word is available in the output register. It is reset high
when a read operation from the data register is complete. It also
goes high prior to the updating
of the output register to indicate
when not to read from the device
to ensure that a data read is not
attempted while the register is being updated. CS is used to select
the device. It can be used to decode the AD7709 in systems where
a number of parts are connected to the serial bus.
Figures 2 and 3 show timing diagrams for interfacing to the
AD7709 with CS used to decode the part. Figure 3 is for a read
operation from the AD7709 output shift register while Figure 2
shows a write operation to the input shift register. It is possible
to read the same data twice from the output register even though
the RDY line returns high after the first read operation. Care must
be taken, however, to ensure that the read operations have been
completed before the next output update is about to take place.
The AD7709 serial interface can operate in 3-wire mode by
tying the CS input low. In this case, the SCLK, DIN, and
DOUT lines are used to communicate with the AD7709, and
the status of the RDY bit can be obtained by interrogating the
Status Register. This scheme is suitable for interfacing to
microcontrollers. If CS is required as a decoding signal, it can
be generated from a port bit. For microcontroller interfaces, it is
recommended that the SCLK idles high between data transfers.
The AD7709 can also be operated with CS used as a frame
synchronization signal. This scheme is suitable for DSP interfaces.
In this case, the first bit (MSB) is effectively clocked out by CS
since CS would normally occur after the falling edge of SCLK
in DSPs. The SCLK can continue to run between data transfers
provided the timing numbers are obeyed.
The serial interface can be reset by exercising the RESET input
on the part. It can also be reset by writing a series of 1s on the
DIN input. If a Logic 1 is written to the AD7709 DIN line for
at least 32 serial clock cycles, the serial interface is reset. This
ensures that in 3-wire systems, if the interface gets lost either via
a software error or by some glitch in the system, it can be reset
back to a known state. This state returns the interface to where
the AD7709 is expecting a write operation to its Communications
Register. This operation resets the contents of all registers to their
power-on reset values.
Some microprocessor or microcontroller serial interfaces have a
single serial data line. In this case, it is possible to connect the
AD7709 DOUT and DIN lines together and connect them to the
single data line of the processor. A 10 kW pull-up resistor should
be used on this single data line. In this case, if the interface gets
lost, because the read and write operations share the same line,
the procedure to reset it back to a known state is somewhat
different than previously described. It requires a read operation
of 24 serial clocks followed by a write operation where a Logic 1
is written for at least 32 serial clock cycles to ensure that the
serial interface is back into a known state.
MICROCOMPUTER/MICROPROCESSOR INTERFACING
The AD7709 flexible serial interface allows for easy interface to
most microcomputers and microprocessors. The flowchart of
Figure 10 outlines the sequence that should be followed when
interfacing a microcontroller or microprocessor to the AD7709.
Figures 11, 12, and 13 show some typical interface circuits. The
serial interface on the AD7709 is capable of operating from just
three wires and is compatible with SPI interface protocols. The
3-wire operation makes the part ideal for isolated systems where
minimizing the number of interface lines minimizes the number
of opto-isolators required in the system. The serial clock input is
a Schmitt-triggered input to accommodate slow edges from
opto-couplers. The rise and fall times of other digital inputs to
the AD7709 should be no longer than 1 ms.
Some of the registers on the AD7709 are 8-bit registers, which
facilitates easy interfacing to the 8-bit serial ports of microcon-
trollers. The Data Register on the AD7709 is 16 bits and the
Configuration Register is 24 bits, but data transfers to these
registers can consist of multiple 8-bit transfers to the serial port
of the microcontroller. DSP processors and microprocessors
generally transfer 16 bits of data in a serial data operation. Some
of these processors, such as the ADSP-2105, have the facility to
program the amount of cycles in a serial transfer. This allows the
user to tailor the number of bits in any transfer to match the
register length of the required register in the AD7709.
Even though some of the registers on the AD7709 are only 8 bits
in length, communicating with two of these registers in successive
write operations can be handled as a single 16-bit data transfer if
required. For example, if the Filter Register is to be updated, the
processor must first write to the Communications Register (say-
ing that the next operation is a write to the Filter Register), and
then write 8 bits to the Filter Register. If required, this can all be
done in a single 16-bit transfer because once the eight serial
clocks of the write operation to the Communications Register
have been completed, the part immediately sets itself up for a
write operation to the Filter Register.
EL”?
REV. A
AD7709
–21–
AD7709-to-68HC11 Interface
Figure 11 shows an interface between the AD7709 and the
68HC11 microcontroller. The diagram shows the minimum
(3-wire) interface with CS on the AD7709 hardwired low. In this
scheme, the RDY bit of the Status Register is monitored to
determine when the Data Register is updated. An alternative
scheme, which increases the number of interface lines to four, is to
monitor the RDY output line from the AD7709. The monitoring
of the RDY line can be done in two ways. First, RDY can be
connected to one of the 68HC11 port bits (such as PC0), which
is configured as an input. This port bit is then polled to determine
the status of RDY. The second scheme is to use an interrupt
driven system, in which case the RDY output is connected to
the IRQ input of the 68HC11. For interfaces that require
control of the CS input on the AD7709, one of the port bits of the
68HC11 (such as PC1), which is configured as an output, can
be used to drive the CS input.
The 68HC11 is configured in the master mode with its CPOL
bit set to a Logic 1 and its CPHA bit set to a Logic 1. When the
68HC11 is configured like this, its SCLK line idles high between
data transfers. The AD7709 is not capable of full-duplex opera-
tion. If the AD7709 is configured for a write operation, no data
appears on the DOUT lines even when the SCLK input is active.
Similarly, if the AD7709 is configured for a read operation, data
presented to the part on the DIN line is ignored even when
SCLK is active.
68HC11
V
DD
AD7709
SS
SCK
MISO
MOSI
RESET
DOUT
DIN
CS
SCLK
V
DD
Figure 11. AD7709-to-68HC11 Interface
AD7709-to-8051 Interface
An interface circuit between the AD7709 and the 8XC51 microcon-
troller is shown in Figure 12. The diagram shows the minimum
number of interface connections with CS on the AD7709 hard-
wired low. In the case of the 8XC51 interface, the minimum
number of interconnects is just two. In this scheme, the RDY
bit of the Status Register is monitored to determine when the
Data Register is updated. The alternative scheme, which increases
the number of interface lines to three, is to monitor the RDY output
line from the AD7709. The monitoring of the RDY line can be
done in two ways. First, RDY can be connected to one of the
8XC51 port bits (such as P1.0) which is configured as an input.
This port bit is then polled to determine the status of RDY.
8XC51 V
DD
AD7709
P3.0
P3.1
RESET
DIN
SCLK
CS
DOUT
V
DD
10k
Figure 12. AD7709-to-8XC51 Interface
The second scheme is to use an interrupt-driven system, in which
case the RDY output is connected to the INT1 input of the
8XC51. For interfaces that require control of the CS input on
the AD7709, one of the port bits of the 8XC51 (such as P1.1),
which is configured as an output, can be used to drive the CS
input. The 8XC51 is configured in its Mode 0 serial interface
mode. Its serial interface contains a single data line. As a result,
the DOUT and DIN pins of the AD7709 should be connected
together with a 10 kW pull-up resistor. The serial clock on the
8XC51 idles high between data transfers. The 8XC51 outputs
the LSB first in a write operation, while the AD7709 expects the
MSB first so the data to be transmitted has to be rearranged
before being written to the output serial register. Similarly, the
AD7709 outputs the MSB first during a read operation while
the 8XC51 expects the LSB first. Therefore, the data read into
the serial buffer needs to be rearranged before the correct data
word from the AD7709 is available in the accumulator.
ADSP-2103/
ADSP-2105
V
DD AD7709
RFS
SCLK
RESET
DOUT
DIN
SCLK
CS
TFS
DR
DT
Figure 13. AD7709-to-ADSP-2103/ADSP-2105 Interface
AD7709-to-ADSP-2103/ADSP-2105 Interface
Figure 13 shows an interface between the AD7709 and the
ADSP-2103/ADSP-2105 DSP processor. In the interface shown,
the RDY bit of the Status Register is again monitored to
determine when the Data Register is updated. The alternative
scheme is to use an interrupt-driven system, in which case the
$$ $$
REV. A
AD7709
–22–
RDY output is connected to the IRQ2 input of the ADSP-2103/
ADSP-2105. The serial interface of the ADSP-2103/ADSP-2105
is set up for alternate framing mode. The RFS and TFS pins of
the ADSP-2103/ADSP-2105 are configured as active low
outputs and the ADSP-2103/ADSP-2105 serial clock line, SCLK,
is also configured as an output. The CS for the AD7709 is
active when either the RFS or TFS outputs from the ADSP-2103/
ADSP-2105 are active. The serial clock rate on the ADSP-2103/
ADSP-2105 should be limited to 3 MHz to ensure correct opera-
tion with the AD7709.
CIRCUIT DESCRIPTION
The AD7709 is a - A/D converter with on-chip digital filtering,
intended for the measurement of wide dynamic range, low
frequency signals such as those in weigh scale, pressure, tempera-
ture, industrial control, or process control applications. It employs
a - conversion technique to realize up to 16 bits of no-missing-
codes performance. The - modulator converts the sampled
input signal into a digital pulse train whose duty cycle contains
the digital information. A Sinc
3
programmable low-pass filter is
then employed to decimate the modulator output data stream to
give a valid data conversion result at programmable output rates
from 5.35 Hz (186.77 ms) to 105.03 Hz (9.52 ms). A chopping
scheme is also employed to minimize ADC offset and offset and
gain drift errors. The channel is buffered and can be programmed
for one of eight input ranges from ±20 mV to ±2.56 V. The input
channels can be configured for either fully differential inputs or
pseudo-differential input channels via the CH2, CH1, and CH0
bits in the Configuration Register. Buffering the input channel
allows the part to handle significant source impedances on the
analog input, allowing R/C filtering (for noise rejection or RFI
reduction) to be placed on the analog inputs if required. These
input channels are intended for converting signals directly from
sensors without the need for external signal conditioning. Other
functions contained on-chip that augment the operation of the
ADC include software configurable current sources, switchable
reference inputs, and low-side power switches.
The basic connection diagram for the AD7709 is shown in
Figure 14. An AD780/REF195, precision 2.5 V reference, provides
the reference source for the part. A quartz crystal or ceramic
resonator provides the 32.768 kHz master clock source for the
part. In some cases, it will be necessary to connect capacitors on
the crystal or resonator to ensure that it does not oscillate at over-
tones
of its fundamental operating frequency. The values of
capacitors will vary depending on manufacturer specifications.
Analog Input Channels
The main ADC has five associated analog input pins (labeled
AIN1 to AIN4 and AINCOM) that can be configured as two
fully differential input channels (AIN1–AIN2 and AIN3–AIN4)
or four pseudo-differential input channels (AIN1–AINCOM,
AIN2–AINCOM, AIN3–AINCOM, and AIN4–AINCOM).
Channel selection bits CH2, CHI, and CH0 in the Configuration
Register detail the different configurations. When the analog
input
channel is switched, the settling time of the part must elapse
before a new valid word is available from the ADC.
IOUT1
AIN3/P3
AINCOM
AIN1
IOUT2
AIN4/P4
REFIN1(–)
AIN2
REFIN1(+)
REFIN2(–)
REFIN2(+)
RESET
CS
DOUT
DIN
SCLK
P2/SW2
P1/SW1
XTAL1
XTAL2
5V
CHIP
SELECT
RECEIVE
(READ)
SERIAL
CLOCK
32.768kHz
CRYSTAL
PWRGND GND
AD780/
REF195
V
IN
V
OUT
GND
V
DD
ANALOG 5V
SUPPLY
0.1F
10F
0.1F
10F
ANALOG 5V
SUPPLY
AD7709
SERIAL DATA
(WRITE)
Figure 14. Basic Connection Diagram
The output of the ADC multiplexer feeds into a high impedance
input stage of the buffer amplifier. As a result, the ADC inputs can
handle significant source impedances and are tailored for direct
connection to external resistive-type sensors like strain gauges or
Resistance Temperature Detectors (RTDs).
The absolute input voltage range on the ADC inputs when buff-
ered (AIN1 to AIN4) is restricted to a range between GND +
100 mV and V
DD
– 100 mV. Care must be taken in setting up
the common-mode voltage and input voltage range so that these
limits are not exceeded; otherwise, there will be a degradation in
linearity and noise performance.
The absolute input voltage range on the ADC inputs when
unbuffered (AINCOM) includes the range between GND – 30 mV
to
V
DD
+ 30 mV as a result of being unbuffered. The negative abso-
lute input voltage limit does allow the possibility of monitoring
small true bipolar signals with respect to GND.
.l|.|
REV. A
AD7709
–23–
Programmable Gain Amplifier
The output from the buffer on the ADC is applied to the input
of the on-chip programmable gain amplifier (PGA). The PGA
can be programmed through eight different unipolar and bipolar
ranges. The PGA gain range is programmed via the range bits
in the Configuration Register. With an external 2.5 V reference
applied, the unipolar ranges are 0 mV to 20 mV, 0 mV to 40 mV,
0 mV
to 80 mV, 0 mV to 160 mV, 0 mV to 320
mV
, 0 mV to
640 mV, 0 V
to 1.28 V, and 0 to 2.56 V, while bipolar ranges
are ±20 mV,
±40 mV, ±80 mV, ±160 mV, ±320 mV, ±640
mV, ±1.28 V, and
±2.56 V.
These are the ranges that should
appear at the input to the on-chip PGA.
Typical matching across ranges is shown in Figure 15. Here, the
ADC is configured in fully differential, bipolar mode with an
external 2.5 V reference, while an analog input voltage of just
greater than 19 mV is forced on its analog inputs. The ADC
continuously converts the dc voltage at an update rate of 5.35 Hz,
i.e., SF = FFh. A total of 800 conversion results are gathered.
The first 100 results gathered with the ADC operating in the
±20 mV. The ADC range is then switched to ±40 mV and 100
more results are gathered, and so on, until the last 100 samples
are gathered with the ADC configured in the ±2.5 V range. From
Figure 15, the variation in the sample mean through each range,
i.e., the range matching, is seen to be on the order of 2 µV.
0 100 200 300 400 500 600 700 800
SAMPLE COUNT
ADC INPUT VOLTAGE – mV
19.372
19.371
19.370
19.369
19.368
19.367
19.366
19.365
19.364
ADC RANGE
20mV
40mV
80mV
160mV
320mV
640mV
1.28V
2.56V
Figure 15. ADC Range Matching
Bipolar/Unipolar Configuration
The analog inputs on the AD7709 can accept either unipolar or
bipolar input voltage ranges. Bipolar input ranges do not imply that
the part can handle negative voltages with respect to system
GND. Unipolar and bipolar signals on the AIN(+) input on
the
ADC are referenced to the voltage on the respective AIN(–)
input. AIN(+) and AIN(–) refer to the signals seen by the
modulator that come from the output of the multiplexer, as
shown
in Figures 16 and 17.
FULLY DIFFERENTIAL
FULLY DIFFERENTIAL AIN(+)
AIN(–)
AIN1
AIN2
AIN3
AIN4
AIN1
AIN2
AIN3
AIN4
MUX
ADC CHANNEL
Figure 16. Fully Differential Mode of Operation
Figure 17. Pseudo-Differential Mode of Operation
For example, if AIN(–) is 2.5 V and the ADC is configured for
an analog input range of 0 mV to 20 mV, the input voltage range
on the AIN(+) input is 2.5 V to 2.52 V. If AIN(–) is 2.5 V and
the AD7709 is configured for an analog input range of ±1.28 V,
the analog input range on the AIN(+) input is 1.22 V to 3.78 V
(i.e., 2.5 V ±1.28 V). Bipolar or unipolar options are chosen by
programming the UNI bit in the Configuration Register. This
programs the ADC for either unipolar or bipolar operation.
Programming for either unipolar or bipolar operation does not
change any of the input signal conditioning; it simply changes
the data output coding.
Data Output Coding
When the ADC is configured for unipolar operation, the output
coding is natural (straight) binary with a zero differential input
voltage resulting in a code of 000 . . . 000, a midscale voltage
resulting in a code of 100 . . . 000, and a full-scale input voltage
resulting in a code of 111 . . . 111. The output code for any analog
input voltage on the ADC can be represented as follows:
Code
AIN GAIN
V
N
REF
=××
()
×
()
2
1 024.
where:
AIN is the analog input voltage.
GAIN is the PGA gain, i.e., 1 on the 2.56 V range and 128 on
the 20 mV range.
N = 16.
REV. A
AD7709
–24–
When the ADC is configured for bipolar operation, the coding
is offset binary with a negative full-scale voltage resulting in a
code of 000 . . . 000, a zero differential voltage resulting in a
code of 100 . . . 000, and a positive full-scale voltage resulting in
a code of 111 . . . 111. The output code from the ADC for any
analog input voltage can be represented as follows:
Code AIN GAIN V
N
REF
=¥ ¥ ¥
()
()
+
[]
-
21024 1
1
/.
where:
AIN is the analog input voltage.
GAIN in the PGA gain, i.e., 1 on the ±2.56 V range and 128
on the ±20 mV range.
N = 16.
Excitation Currents
The AD7709 also contains three software configurable constant
current sources. IEXC1 and IEXC2 provide 200 mA of current
while IEXC3 provides 25 mA of current. All source current
from V
DD
is directed to either the IOUT1 or IOUT2 pins of the
device. These current sources are controlled via bits in the
Configuration Register. The configuration bits enable the current
sources, and they can be configured to source current individually
to both pins or a combination of currents, i.e., 400 mA, 225 mA, or
425 mA to either of the selected output pins. These current sources
can be used to excite external resistive bridge or RTD sensors.
Crystal Oscillator
The AD7709 is intended for use with a 32.768 kHz watch crys-
tal. A PLL internally locks onto a multiple of this frequency to
provide a stable 4.194304 MHz clock for the ADC. The modu-
lator sample rate is the same as the crystal oscillator frequency.
The start-up time associated with 32.768 kHz crystals is typically
300 ms. The OSCPD bit in the Communications Register can
be used to prevent the oscillator from powering down when the
AD7709 is placed in power-down mode. This avoids having to
wait 300 ms after exiting power-down to start a conversion at the
expense of raising the power-down current.
Reference Input
The AD7709 has a fully differential reference input capability
for the channel. On the channel, the reference inputs can be
REFIN1(+) and REFIN1(–) or REFIN2(+) and REFIN2(–).
They provide a differential reference input capability. The
common-mode range for these differential inputs is from GND
to V
DD
. The reference input is unbuffered and therefore
excessive R-C source impedances will introduce gain errors.
The nominal reference voltage, V
REF
, ((REFIN1(+)
REFIN1(–) or (REFIN2(+) – REFIN2(–)), for specified
operation is 2.5 V, but the AD7709 is functional with reference
voltages from 1 V to V
DD
. In applications where the excitation
(voltage or current) for the transducer on the analog input also
drives the reference voltage for the part, the effect of the low
frequency noise in the excitation source will be removed
because the application is ratiometric. If the AD7709 is used
in a nonratiometric application, a low noise reference should be
used. Recommended reference voltage sources for the AD7709
include the AD780, REF43, and REF192. It should also be noted
that the reference inputs provide a high impedance, dynamic load.
Because the input impedance of each reference input is dynamic,
resistor/capacitor combinations on these inputs can cause dc gain
errors, depending on the
output impedance of the source that is
driving the reference inputs.
Reference voltage sources like those
recommended above (e.g.,
AD780) will typically have low output
impedances and are therefore
tolerant to having decoupling capaci-
tors on the REFIN(+)
without
introducing gain errors in the system.
Deriving the reference input
voltage across an external resistor, as
shown in Figure 18, will mean
that the reference input sees a
significant external source impedance.
External decoupling on the
REFIN pins would not be recommended
in this type of circuit
configuration.
Reset Input
The RESET input on the AD7709 resets all the logic, the digital
filter, and the analog modulator while all on-chip registers are reset
to their default state. RDY is driven high and the AD7709 ignores
all communications to any of its registers while the RESET
input is low. When the RESET input returns high, the AD7709
operates with its default setup conditions and it is necessary to
set up all registers after a RESET command.
Power-Down Mode
Loading 0 to the STBY bit in the ADC Communications Register
places the AD7709 in device power-down mode. The AD7709
retains the contents of all its on-chip registers (including the data
register) while in power-down mode.
The device power-down mode does not affect the digital interface,
but it does affect the status of the RDY pin. Putting the AD7709
into power-down mode will reset the RDY line high. Placing the
part in power-down mode reduces the total current to 26 mA
typical when the part is operated at 5 V with the oscillator running
during power-down mode. With the oscillator shut down, the total
I
DD
is 1.5 mA typical at 3 V and 6.5 mA typical at 5 V.
Grounding and Layout
Since the analog inputs and reference inputs on the ADC are
differential, most of the voltages in the analog modulator are
common-mode voltages. The excellent common-mode rejection
of the part will remove common-mode noise on these inputs.
The digital filter will provide rejection of broadband noise on
the power supply, except at integer multiples of the modulator
sampling frequency. The digital filter also removes noise from
the analog and reference inputs, provided these noise sources do
not saturate the analog modulator. As a result, the AD7709 is
more immune to noise interference than a conventional high
resolution converter. However, because the resolution of the
AD7709 is so high, and the noise levels from the AD7709 so
low, care must be taken with regard to grounding and layout.
REV. A
AD7709
–25–
The printed circuit board that houses the AD7709 should be
designed such that the analog and digital sections are separated
and confined to certain areas of the board. A minimum etch
technique is generally best for ground planes as it gives the best
shielding.
It is recommended that the AD7709 GND pin be tied to the
AGND plane of the system. In any layout, it is important that the
user keep in mind the flow of currents in the system ensuring
that the return paths for all currents are as close as possible to
the paths the currents took to reach their destinations. Avoid
forcing digital currents to flow through the AGND sections of
the layout.
The PWRGND pin is tied internally to GND on the AD7709.
The PWRGND pad internally has a resistance of less than 50 mW
to the PWRGND pin, while the resistance back to the GND pad
is less than 3 W. This means that 19.5 mA of the maximum speci-
fied current (20 mA) will flow to PWRGND with the remaining
0.5 mA flowing to GND. PWRGND and GND should be tied
together at the AD7709, and it is important to minimize the
resistance on the ground return lines.
Avoid running digital lines under the device since these will
couple noise onto the die. The analog ground plane should be
allowed to run under the AD7709 to prevent noise coupling.
The power supply lines to the AD7709 should use as wide a trace as
possible to provide low impedance paths and reduce the effects of
glitches on the power supply line. Fast switching signals like
clocks should be shielded with digital ground to avoid radiating
noise to other sections of the board, and clock signals should
never be run near the analog inputs. Avoid crossover of digital
and analog signals. Traces on opposite sides of the board should
run at right angles to each other, which will reduce the effects of
feedthrough through the board. A microstrip technique is by far the
best, but is not always possible with a double-sided board. In
this technique, the component side of the board is dedicated to
ground planes while signals are placed on the solder side.
Good decoupling is important when using high resolution ADCs.
The supply should be decoupled with 10 mF tantalum in parallel
with 0.1 mF capacitors to GND. To achieve the best from these
decoupling components, they have to be placed as close as possible;
chips should be decoupled with 0.1 mF ceramic capacitors to DGND.
APPLICATIONS
The AD7709 provides a low cost, high resolution, analog-to-digital
function. Because the analog-to-digital function is provided by a
- architecture, it makes the part more immune to noisy
environments, making it ideal for use in sensor measurement and
industrial and process control applications. Given the architecture
used in the AD7709, where the signal chain is chopped and the
device is factory-calibrated at final test, field calibration is not
needed due to the extremely low offset and gain drifts exhibited
by this converter. It also provides a programmable gain amplifier
and a digital filter. Thus, it provides far more system-level func-
tionality than off-the-shelf integrating ADCs without the
disadvantage of having to supply a high quality integrating
capacitor. In addition, using the AD7709 in a system
allows the
system designer to achieve a much higher level of reso
lution because
noise performance of the AD7709 is significantly
better than that
of integrating ADCs.
The on-chip PGA allows the AD7709 to handle an analog input
voltage range as low as 10 mV full scale with V
REF
= 1.25 V. The
differential inputs of the part allow this analog input range to
have an absolute value anywhere between GND + 100 mV and
V
DD
– 100 mV. It allows the user to connect the transducer
directly to the input of the AD7709. The programmable gain
front end on the AD7709 allows the part to handle unipolar
analog input ranges from 0 mV to 20 mV and 0 V to 2.5 V
and bipolar inputs of ±20 mV to ±2.5 V. Because the part oper-
ates from a single supply, these bipolar ranges are with respect
to a biased-up differential input.
Pressure Measurement
One typical application of the AD7709 is pressure measurement.
Figure 18 shows the AD7709 used with a pressure transducer,
the BP01 from Sensym. The pressure transducer is arranged in
a bridge network and gives a differential output voltage between
its OUT(+) and OUT(–) terminals. With rated full-scale pres-
sure (in this case 300 mmHg) on the transducer, the differential
output voltage is 3 mV/V of the input voltage (i.e., the voltage
between its IN(+) and IN(–) terminals).
Assuming a 5 V excitation voltage, the full-scale output range
from the transducer is 15 mV. The excitation voltage for the
bridge can be used to directly provide the reference for the ADC
as the reference input range includes the supply. Alternatively, a
suitable resistor divider can be implemented that allows the full
dynamic range of the input to be utilized in this application.
This implementation is fully ratiometric, so variations in the
excitation voltage do not introduce errors in the system. Choosing
resistor values of 10 kW and 6 kW as per Figure 18 gives a 1.875 V
reference voltage for the AD7709 when the excitation voltage is 5 V.
AD7709
IN+
OUT+
OUT–
IN–
10k
EXCITATION VOLTAGE = 5V
VDD
AIN1
AIN2
REFIN1(+)
P1
PWRGND
GND
REFIN2(–)
6k
Figure 18. Pressure Measurement Using the AD7709
Using the part with a programmed gain of 128 results in the
full-scale input span of the AD7709 being 15 mV, which corre-
sponds with the output span from the transducer.
«J «I
REV. A
AD7709
–26–
A second key advantage to using the AD7709 in transducer-based
applications is that the on-chip low-side power switch can be fully
utilized in low power applications. The low-side power switch is
connected in series with the cold side of the bridge. In normal
operation, the switch is closed and measurements can be taken
from the bridge. In applications where power is a concern, the
AD7709 can be put into low power mode, substantially reducing
the power burned in the application. In addition to this, the power
switch can be opened while in low power mode, thus avoiding
the unnecessary burning of power in the front end transducer.
When taken back out of power-down, and the power switch is
closed, the user should ensure that the front end circuitry is fully
settled before attempting a read from the AD7709.
The circuit in Figure 19 shows a method that utilizes three
pseudo-differential input channels on the AD7709 to temperature-
compensate a pressure transducer.
5V
OUT(+)
OUT(–)
IN(–)
IN(+)
I1
I2
PRESSURE
BRIDGE
XTAL1
XTAL2
IOUT1
6.25k
V
DD
REFIN(+)
REFIN(–)
AIN2
AIN1
AIN3
AINCOM
GND
AD7709
250
Figure 19. Temperature-Compensating a Pressure
Transducer
In this application, pseudo-differential input channel AIN1/
AINCOM is used to measure the bridge output while pseuo-
differential channels AIN2/AINCOM and AIN3/AINCOM
measure the voltage across the bridge. The voltage measured
across the bridge will vary proportionally with temperature,
and the delta in this voltage can be used to temperature-
compensate the output of the pressure bridge.
Temperature Measurement
The AD7709 is also useful in temperature measurement appli-
cations. Figure 20 shows an RTD temperature measurement
application.
REFIN(–)
IOUT1
5V
6.25k
AIN2
AIN1
AD7709
REFIN(+)
IOUT2
VDD
GND PWRGND
DRDY
SCLK
DIN
DOUT
CS
XTAL1
XTAL2
RREF
RL1
RL2
RL3
RL4
RCM
RTD
200A
CONTROLLER
Figure 20. 4-Wire RTD Temperature Measurement
Using the AD7709
In this application, the transducer is an RTD (Resistive Tem-
perature Device), a PT100. The arrangement is a 4-lead RTD
configuration. There are voltage drops across the lead resistances
RL1 and RL4, but these simply shift the common-mode voltage.
There is no voltage drop across lead resistances RL2 and RL3
since the input current to the AD7709 is very low, looking into a
high input impedance buffer. R
CM
is included to shift the analog
input voltage to ensure that it lies within the common-mode
range (GND + 100 mV to V
DD
– 100 mV) of the ADC. In the
application shown, the on-chip 200 mA current source provides
the excitation current for the PT100 and also generates the reference
voltage for the AD7709 via the 6.25 kW resistor. Variations in
the excitation current do not affect the circuit since both the
input
voltage and the reference voltage vary ratiometrically with the
excitation
current. However, the 6.25 kW resistor must
have a low
temperature coefficient to avoid errors in the reference
voltage
over temperature.
REV. A
AD7709
–27–
Figure 21 shows a further enhancement to the circuit shown in
Figure 20. Generally, dc excitation has been accepted as the
normal method of exciting resistive based sensors like RTDs in
temperature measurement applications.
IOUT1
IOUT2
VDD
AIN2
AIN1
AIN3
AIN4
AD7709
REFIN(+)
MUX1
RREF
AA
BUF
AND
PGA
200A
I1
EMF1
RESISTIVE
T
RANSDUCER
EMF2
P1
P2
REFIN(–)
Figure 21. Low Resistance Measurement
With dc excitation, the excitation current through the sensor
must be large enough so that the smallest temperature/resis-
tance change to be measured results in a voltage change that
is larger than the system noise, offset, and drift of the system.
The purpose of switching the excitation source is to eliminate
dc-induced errors. DC errors (EMF1 and EMF2) due to para-
sitic thermocouples produced by differential metal connections
(solder and copper track) within the circuit are also eliminated
when using this switching arrangement. This excitation is a
form of synchronous detection where the sensor is excited with
an alternating excitation source and the ADC measures infor-
mation only in the same phase as the excitation source.
The switched polarity current source is developed using the
on-chip current sources and external phase control switches (A
and A) driven by AD7709 logic outputs P1 and P2. During the
conversion process, the AD7709 takes two conversion results,
one on each phase. During Phase 1, the on-chip current source is
directed to IOUT1 and flows top to bottom through the sensor
and switch controlled by A. In Phase 2, the current source is
directed to IOUT2
and flows in the opposite direction through
the sensor and through
switch controlled by A. In all cases, the
current flows in the same direction through the reference resistor
to develop the reference voltage for the ADC. All measurements
are ratiometrically derived. The results of both conversions are
combined within the microcontroller to produce one output
measurement representing the resistance or temperature of the
transducer. For example, if the RTD output during Phase 1 is
10 mV, a 1 mV circuit-induced dc error exists due to parasitic
thermocouples, the ADC measures 11 mV. During the second
phase, the excitation current is reversed and the ADC measures
–10 mV from the RTD and again sees 1 mV dc error, giving an
ADC output of –9 mV during this phase. These measurements
are processed in the controller (11 mV – (–9 mV)/2 = 10 mV),
thus removing the dc-induced errors within the system.
In the circuit shown in Figure 20, the resistance measurement is
made using ratiometric techniques. Resistor R
REF
, which develops
the ADC reference, must be stable over temperature to prevent
reference-induced errors in the measurement output.
3-Wire RTD Configurations
To fully optimize a 3-wire RTD configuration, two identically
matched current sources are required. The AD7709, which
contains two well matched 200 mA current sources, is ideally
suited to these applications. One possible 3-wire configuration
using the AD7709 is shown in Figure 22.
REFIN(–)
IOUT1
GND
5V
6.25k
AIN2
AIN1
AD7709
RL3
R
CM
REFIN(+)
IOUT2
V
DD
DRDY
SCLK
DIN
DOUT
CS
XTAL1
XTAL2
RL2
RTD
200A
200A
RL1
CONTROLLER
Figure 22. 3-Wire RTD Configuration Using the AD7709
In this 3-wire configuration, the lead resistances will result in
errors if only one current source is used since the 200 mA will flow
through RL1, developing a voltage error between AIN1 and AIN2.
In the scheme outlined below, the second RTD current source
is used to compensate for the error introduced by the 200 mA
flowing through RL1. The second RTD current flows through
RL2. Assuming that RL1 and RL2 are equal (the leads would
normally be of the same material and of equal length) and that
IOUT1 and IOUT2 match, the error voltage across RL2 equals
the error voltage across RL1 and no error voltage is
developed
between AIN1 and AIN2. Twice the voltage is developed
across RL3
but, since this is a common-mode voltage, it will not
introduce
errors. R
CM
is included so the current flowing through
the
combination of RL3 and R
CM
develops enough voltage that the
analog input voltage seen by the AD7709 is within the common
-
mode range of the ADC. The reference voltage for the AD7709
is also generated using one of these matched current sources.
This reference voltage is developed across the 6.25 kW resistor
as
shown, and applied to the differential reference inputs of the
AD7709.
This scheme ensures that the analog input voltage span
remains ratiometric to the reference voltage. Any errors in the
analog input voltage due to the temperature drift of the RTD
current
source is compensated for by the variation in the reference
voltage.
The typical drift matching between the two RTD current
sources is less than 20 ppm/C. The voltage on either I
OUT
pin
can go to within 0.6 V of the V
DD
supply.
The AD7709 also includes a 25 mA current source that can be used
along with the two 200 mA current sources for V
BE
measurement
where a 17:1 ratio is required from the current sources.
REV. A
AD7709
–28–
MICROCONTROLLER
VCC
GND
REF OUT2
REF IN
10F0.1F
VDD
AIN1
AIN2
CS
DOUT
SCLK
DIN
GND
REFIN(+)
REFIN(–)
0.1F
REF OUT1
CLOCK
LATCH
DATA
4.7F
COM
C1 C2 C3
AD7709
AD421
BOOST VCC LV
0.01F
1k
1000pF
LOOP
POWER
10F
3.3V
1.25V
DN25D
0.01F
LOOP
RTN
COMP
DRIVE
VARIABLES
AIN3
AIN4
Figure 23. Smart Transmitter Employing the AD7709
Smart Transmitters
Smart transmitters are another key design-in area for the AD7709.
The - converter, single-supply operation, 3-wire interface
capabilities, and small package size are all of benefit in smart
transmitters. Here, the entire smart transmitter must operate
from the 4–20 mA loop. Tolerances in the loop mean that
the
amount of current available to power the transmitter is as low
as
3.5 mA. Figure 23 shows a block diagram of a smart transmitter
that includes the AD7709.
Not shown in Figure 23 is the isolated power source required to
power the front end.
REV. A
AD7709
–29–
24-Lead Thin Shrink Small Outline Package [TSSOP]
(RU-24)
Dimensions shown in millimeters
24 13
121
6.40 BSC
4.50
4.40
4.30
PIN 1
7.90
7.80
7.70
0.15
0.05
0.30
0.19
0.65
BSC 1.20
MAX
0.20
0.09
0.75
0.60
0.45
8
0
SEATING
PLANE
COMPLIANT TO JEDEC STANDARDS MO-153AD
0.10 COPLANARITY
OUTLINE DIMENSIONS
REV. A
AD7709
–30–
Revision History
Location Page
3/03—Data Sheet changed from REV. 0 to REV. A.
Changes to SPECIFICATIONS . . . . . . . . . . . . . . . . . . . . . . . . . . . . . . . . . . . . . . . . . . . . . . . . . . . . . . . . . . . . . . . . . . . . . . . . . . . . 2
Change to Communications Register map . . . . . . . . . . . . . . . . . . . . . . . . . . . . . . . . . . . . . . . . . . . . . . . . . . . . . . . . . . . . . . . . . . . . 14
Changes to Table VIII. Filter Register Bit Designations . . . . . . . . . . . . . . . . . . . . . . . . . . . . . . . . . . . . . . . . . . . . . . . . . . . . . . . . . 18
Updated OUTLINE DIMENSIONS . . . . . . . . . . . . . . . . . . . . . . . . . . . . . . . . . . . . . . . . . . . . . . . . . . . . . . . . . . . . . . . . . . . . . . . 29
–31–
–32–
C02700–0–3/03(A)
PRINTED IN U.S.A.