Scheda tecnica UC1708, 2708, 3708 di Texas Instruments

{if TEXAS INSTRUMENTS
1
FEATURES
DESCRIPTION
Enable
LogicGnd
5.6V
Reg
Thermal
Shutdown
Internal
Bias
Input A
Shutdown
InputB
Output A
PwrGndB
PwrGnd A
VIN
OutputB
UC1708
UC2708
UC3708
SLUS171C – MARCH 1997 – REVISED SEPTEMBER 2007www.ti.com
DUAL NON-INVERTING POWER DRIVER
High-Speed, Power MOSFET Compatible3.0A Peak Current Totem Pole Output Efficient High Frequency Operation5 to 35V Operation Low Cross-Conduction Current Spike25ns Rise and Fall Times Enable and Shutdown Functions25ns Propagation Delays Wide Input Voltage RangeThermal Shutdown and Under-Voltage ESD Protection to 2kVProtection
The UC1708 family of power drivers is made with a high-speed, high-voltage, Schottky process to interfacecontrol functions and high-power switching devices – particularly power MOSFETs. Operating over a 5 V to 35 Vsupply range, these devices contain two independent channels. The A and B inputs are compatible with TTL andCMOS logic families, but can withstand input voltages as high as V
IN
. Each output can source or sink up to 3 Aas long as power dissipation limits are not exceeded.
Although each output can be activated independently with its own inputs, they can be forced low in commonthrough the action of either a digital high signal at the Shutdown terminal or by forcing the Enable terminal low.The Shutdown terminal will only force the outputs low, it will not effect the behavior of the rest of the device. TheEnable terminal effectively places the device in under-voltage lockout, reducing power consumption by as muchas 90%. During under-voltage and disable (Enable terminal forced low) conditions, the outputs are held in aself-biasing, low-voltage, state.
The UC3708 and UC2708 are available in plastic 8-pin MINI DIP and 16-pin bat-wing DIP packages forcommercial operation over a 0 °C to 70 °C temperature range and industrial temperature range of 25 °C to 85 °Crespectively. For operation over a – 55 °C to 125 °C temperature range, the UC1708 is available in hermeticallysealed 8-pin MINI CDIP, 16 pin CDIP and 20 pin CLCC packages. Surface mount devices are also available.
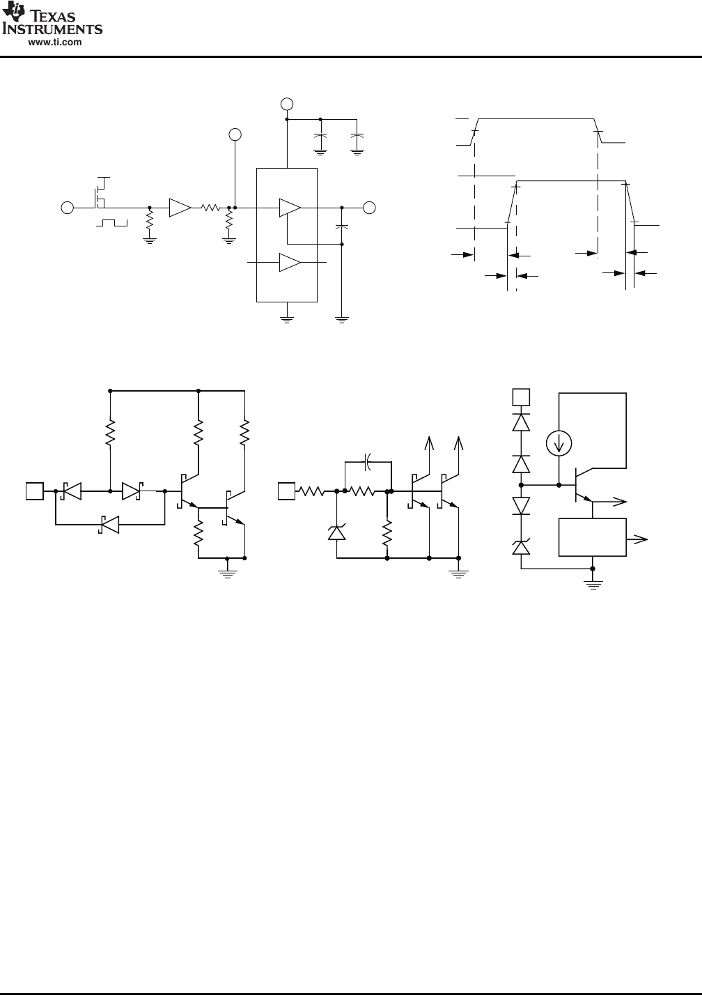
BLOCK DIAGRAM
NOTE: Shutdown feature is not available in J or N packages only.
1
Please be aware that an important notice concerning availability, standard warranty, and use in critical applications ofTexas Instruments semiconductor products and disclaimers thereto appears at the end of this data sheet.
PRODUCTION DATA information is current as of publication date.
Copyright © 1997 – 2007, Texas Instruments IncorporatedProducts conform to specifications per the terms of the TexasInstruments standard warranty. Production processing does notnecessarily include testing of all parameters.
INSTRUMENTS www.ll.com {9 TEXAS EEEEEEEB EEEEEEEE 3333 EEEE WEEEQEEE EEEEEEE
www.ti.com
CONNECTION DIAGRAMS
Enable
Input A
Gnd
InputB
NC
Output A
VIN
OutputB
DIL-8(TopView)
JOrNPackage SOIC-16(TopView)
DWPackage
NC
Input A
Enable
LogicGnd
NC
Shutdown
InputB
NC
PwrGnd A
Output A
NC
NC
VIN
OutputB
VIN
PwrGndB
DIL-16(TopView)
JEOrNEPackage
NC
Input A
Enable
LogicGnd
LogicGnd
Shutdown
InputB
NC
PwrGnd A
Output A
VIN
LogicGnd
LogicGnd
VIN
OutputB
PwrGndB
CLCC-20(TopView)
L Package
PWRGND A
NC
NC
INPUT A
OUTPUT A
ENABLE
LOGICGND
NC
NC
SHUTDOWN
4
5
6
7
8
9 10 11 12 13
INPUT B
NC
NC
PWRGNDB
OUTPUT B
14
15
16
17
18
1920123
VIN
NC
NC
NC
VIN
Note:InJEpackage,Pin4isLogicGround.
Pins5,12,and13arenoconnect.
UC1708
UC2708
UC3708
SLUS171C – MARCH 1997 – REVISED SEPTEMBER 2007
2Submit Documentation Feedback Copyright © 1997 – 2007, Texas Instruments Incorporated
Product Folder Link(s): UC1708 UC2708 UC3708
{if TEXAS INSTRUMENTS www.l|.com
www.ti.com
ABSOLUTE MAXIMUM RATINGS
(1)
ELECTRICAL CHARACTERISTICS
UC1708
UC2708
UC3708
SLUS171C – MARCH 1997 – REVISED SEPTEMBER 2007
VALUE UNIT
Supply Voltage, V
IN
35 V
Steady-State 0.5 AOutput Current (Each Output, Source or Sink)
Peak Transient 3 A
Ouput Voltage – 0.3 to (V
IN
+ 0.3) V
Enable and Shutdown Inputs – 0.3 to 6.2 V
A and B Inputs 0.3 to (V
IN
+ 0.3) V
Operating Junction Temperature
(2)
150 °C
Storage Temperature Range – 65 to 150 °C
Lead Temperature (Soldering, 10 Seconds) 300 °C
(1) All voltages are with respect to Logic Gnd pin. All currents are positive into, negative out of, device terminals.r(2) Consult Unitrode Integrated Circuits databook for information regarding thermal specifications and limitations of packages.
Unless otherwise stated, V
IN
=10V to 35V, and these specifications apply for: – 55 °C<T
A
<125 °C for the UC1708,– 25 °C<T
A
<85 °C for the UC2708, and 0 °C<T
A
<70 °C for the UC3708, T
A
= T
J
PARAMETER TEST CONDITIONS MIN TYP MAX UNIT
Outputs low 18 26
V
IN
Supply current Outputs high 14 18 mA
Enable = 0 V 1 4
A, B and shutdown inputs low level 0.8 V
A, B and shutdown inputs high level 2.0 V
A, B Input current low V
A,B
= 0.4V – 1 – 0.6 mA
A, B Input current high V
A,B
= 2.4V – 200 50 A
A, B Input leakage current high V
A,B
= 35.3V 200 A
Shutdown input current low V
SHUTDOWN
= 0.4V 20 100 A
V
SHUTDOWN
= 2.4V 170 500 AShutdown input current high
V
SHUTDOWN
= 6.2V 0.6 1.5 mA
Enable input current low V
ENABLE
= 0V – 600 – 460 200 A
Enable input current high V
ENABLE
= 6.2V 200 A
Enable threshold rising 2.8 3.6 V
Enable threshold falling 1.0 2.4 3.4 V
V
IN
– I
OUT
= – 50mA 2.0 VOutput High SaturationV
OUT
I
OUT
= – 500mA 2.5 V
I
OUT
= 50mA 0.5 VV
OUT
Output Low Saturation
I
OUT
= 500mA 2.5 V
Thermal Shutdown 155 °C
Copyright © 1997 – 2007, Texas Instruments Incorporated Submit Documentation Feedback 3
Product Folder Link(s): UC1708 UC2708 UC3708
{if TEXAS INSTRUMENTS www.l|.com
www.ti.com
SWITCHING CHARACTERISTICS (see Figure 1 )
SWITCHING CHARACTERISTICS (see Figure 1 )
UC1708
UC2708
UC3708
SLUS171C – MARCH 1997 – REVISED SEPTEMBER 2007
(VIN = 20V, delays measured to 10% output change.)
PARAMETER TEST CONDITIONS MIN TYP MAX UNIT
FROM A,B INPUT TO OUTPUT:
CL = 0pF 25 40 ns
UC1708 25 45CL = 1000pF nsRise Time Delay (TPLH) UC2708/UC3708 25 40
UC1708 25 50CL = 2200pF nsUC2708/UC3708 25 45
CL = 0pF 55 75 ns
UC1708 25 80CL = 1000pF
(1)
ns10% to 90% Rise (TTLH) UC2708/UC3708 25 50
UC1708 40 85CL = 2200pF nsUC2708/UC3708 40 55
CL = 0pF 25 40
Fall Time Delay (TPHL) CL = 1000pF
(1)
25 45 ns
CL = 2200pF 35 50
CL = 0pF 15 20
90% to 10% Fall (TTHL) CL = 1000pF
(1)
25 45 ns
CL = 2200pF 40 55
(1) These parameters, specified at 1000pF, although ensured over recommended operating conditions, are not tested in production.
(VIN = 20V, delays measured to 10% output change.)
PARAMETER TEST CONDITIONS MIN TYP MAX UNIT
FROM SHUTDOWN INPUT TO OUTPUT:
CL = 0pF 25 75 ns
UC1708 30 80CL = 1000pF
(1)
nsRise Time Delay (TPLH) UC2708/UC3708 30 75
UC1708 35 85CL = 2200pF nsUC2708/UC3708 35 75
CL = 0pF 50 75 ns
UC1708 25 80CL = 1000pF
(1)
ns10% to 90% Rise (TTLH) UC2708/UC3708 25 50
UC1708 40 85CL = 2200pF nsUC2708/UC3708 40 55
CL = 0pF 25 45
Fall Time Delay (TPHL) CL = 1000pF
(1)
30 50 ns
CL = 2200pF 35 55
CL = 0pF 25 20
90% to 10% Fall (TTHL) CL = 1000pF
(1)
25 45 ns
CL = 2200pF 40 55
F = 200kHz, 50% duty cycle, both channels; CL = 0pF 23 25Total Supply Current mAF = 200kHz, 50% duty cycle, both channels; CL = 2200pF 38 45
(1) These parameters, specified at 1000pF, although ensured over recommended operating conditions, are not tested in production.
4Submit Documentation Feedback Copyright © 1997 – 2007, Texas Instruments Incorporated
Product Folder Link(s): UC1708 UC2708 UC3708
{if TEXAS INSTRUMENTS www.ll.com V,\,\ T ;i OJ w R ; ¥ E w
www.ti.com
ACInput
12V
MPF
6660
50 W
LH0063
50 W
47 W
Input
20V
10 Fm47 Fm
UC1708
PWR
GND
Logic
Gnd
CL
Output
200kHz
tr 0.5V/RS
tf 0.5/RS
DutyCycle-50%
³
³
4.3V
OUTPUT
0V
20V
INPUT
0V
TPHL
TTLH
TPLH
TTHL
50% 50%
90% 90%
10%
10%
5.6V
8kW
A/B
Input Shutdown
500 W10kW
10kW
2.5pF
5.6V
5.6V
To A/B
Output
Enable VIN
450 Am
5.6V
Internal
Bias
Under
Voltage
Lockout
To A/B
Output
UC1708
UC2708
UC3708
SLUS171C – MARCH 1997 – REVISED SEPTEMBER 2007
Figure 1. AC Test Circuit and Switching Time Waveforms
NOTE: Shutdown feature available only in JE, NE or DW Packages.
Figure 2. Equivalent Input Circuits
Copyright © 1997 – 2007, Texas Instruments Incorporated Submit Documentation Feedback 5
Product Folder Link(s): UC1708 UC2708 UC3708
I TEXAS INSTRUMENTS Samples Samples Samples Samples Samples Samples Samples Samples Samples Samples Samples Samples Samples
PACKAGE OPTION ADDENDUM
www.ti.com 13-Aug-2021
Addendum-Page 1
PACKAGING INFORMATION
Orderable Device Status
(1)
Package Type Package
Drawing Pins Package
Qty Eco Plan
(2)
Lead finish/
Ball material
(6)
MSL Peak Temp
(3)
Op Temp (°C) Device Marking
(4/5)
Samples
5962-0051401Q2A ACTIVE LCCC FK 20 1 Non-RoHS
& Green SNPB N / A for Pkg Type -55 to 125 5962-
0051401Q2A
UC1708L/
883B
5962-0051401QEA ACTIVE CDIP J 16 1 Non-RoHS
& Green SNPB N / A for Pkg Type -55 to 125 5962-0051401QE
A
UC1708JE/883B
5962-0051401QPA ACTIVE CDIP JG 8 1 Non-RoHS
& Green SNPB N / A for Pkg Type -55 to 125 0051401QPA
UC1708
5962-0051401V2A ACTIVE LCCC FK 20 1 Non-RoHS
& Green SNPB N / A for Pkg Type -55 to 125 5962-
0051401V2A
UC1708L
QMLV
5962-0051401VEA ACTIVE CDIP J 16 1 Non-RoHS
& Green SNPB N / A for Pkg Type -55 to 125 5962-0051401VE
A
UC1708JEQMLV
5962-0051401VPA ACTIVE CDIP JG 8 1 Non-RoHS
& Green SNPB N / A for Pkg Type -55 to 125 0051401VPA
UC1708
UC1708J ACTIVE CDIP JG 8 1 Non-RoHS
& Green SNPB N / A for Pkg Type -55 to 125 UC1708J
UC1708J883B ACTIVE CDIP JG 8 1 Non-RoHS
& Green SNPB N / A for Pkg Type -55 to 125 0051401QPA
UC1708
UC1708JE ACTIVE CDIP J 16 1 Non-RoHS
& Green SNPB N / A for Pkg Type -55 to 125 UC1708JE
UC1708JE883B ACTIVE CDIP J 16 1 Non-RoHS
& Green SNPB N / A for Pkg Type -55 to 125 5962-0051401QE
A
UC1708JE/883B
UC1708L883B ACTIVE LCCC FK 20 1 Non-RoHS
& Green SNPB N / A for Pkg Type -55 to 125 5962-
0051401Q2A
UC1708L/
883B
UC2708DW ACTIVE SOIC DW 16 40 RoHS & Green NIPDAU Level-2-260C-1 YEAR -40 to 85 UC2708DW
UC2708DWTR ACTIVE SOIC DW 16 2000 RoHS & Green NIPDAU Level-2-260C-1 YEAR -40 to 85 UC2708DW
TEXAS INSTRUMENTS Samples Samples Sample: Sample: Sample: Samples Samples
PACKAGE OPTION ADDENDUM
www.ti.com 13-Aug-2021
Addendum-Page 2
Orderable Device Status
(1)
Package Type Package
Drawing Pins Package
Qty Eco Plan
(2)
Lead finish/
Ball material
(6)
MSL Peak Temp
(3)
Op Temp (°C) Device Marking
(4/5)
Samples
UC2708N ACTIVE PDIP P 8 50 RoHS & Green NIPDAU N / A for Pkg Type -40 to 85 UC2708N
UC3708DW ACTIVE SOIC DW 16 40 RoHS & Green NIPDAU Level-2-260C-1 YEAR 0 to 70 UC3708DW
UC3708DWG4 ACTIVE SOIC DW 16 40 RoHS & Green NIPDAU Level-2-260C-1 YEAR 0 to 70 UC3708DW
UC3708DWTR ACTIVE SOIC DW 16 2000 RoHS & Green NIPDAU Level-2-260C-1 YEAR 0 to 70 UC3708DW
UC3708N ACTIVE PDIP P 8 50 RoHS & Green NIPDAU N / A for Pkg Type 0 to 70 UC3708N
UC3708NE ACTIVE PDIP N 16 25 RoHS & Green NIPDAU N / A for Pkg Type 0 to 70 UC3708NE
UC3708NG4 ACTIVE PDIP P 8 50 RoHS & Green NIPDAU N / A for Pkg Type 0 to 70 UC3708N
(1) The marketing status values are defined as follows:
ACTIVE: Product device recommended for new designs.
LIFEBUY: TI has announced that the device will be discontinued, and a lifetime-buy period is in effect.
NRND: Not recommended for new designs. Device is in production to support existing customers, but TI does not recommend using this part in a new design.
PREVIEW: Device has been announced but is not in production. Samples may or may not be available.
OBSOLETE: TI has discontinued the production of the device.
(2) RoHS: TI defines "RoHS" to mean semiconductor products that are compliant with the current EU RoHS requirements for all 10 RoHS substances, including the requirement that RoHS substance
do not exceed 0.1% by weight in homogeneous materials. Where designed to be soldered at high temperatures, "RoHS" products are suitable for use in specified lead-free processes. TI may
reference these types of products as "Pb-Free".
RoHS Exempt: TI defines "RoHS Exempt" to mean products that contain lead but are compliant with EU RoHS pursuant to a specific EU RoHS exemption.
Green: TI defines "Green" to mean the content of Chlorine (Cl) and Bromine (Br) based flame retardants meet JS709B low halogen requirements of <=1000ppm threshold. Antimony trioxide based
flame retardants must also meet the <=1000ppm threshold requirement.
(3) MSL, Peak Temp. - The Moisture Sensitivity Level rating according to the JEDEC industry standard classifications, and peak solder temperature.
(4) There may be additional marking, which relates to the logo, the lot trace code information, or the environmental category on the device.
(5) Multiple Device Markings will be inside parentheses. Only one Device Marking contained in parentheses and separated by a "~" will appear on a device. If a line is indented then it is a continuation
of the previous line and the two combined represent the entire Device Marking for that device.
(6) Lead finish/Ball material - Orderable Devices may have multiple material finish options. Finish options are separated by a vertical ruled line. Lead finish/Ball material values may wrap to two
lines if the finish value exceeds the maximum column width.
I TEXAS INSTRUMENTS
PACKAGE OPTION ADDENDUM
www.ti.com 13-Aug-2021
Addendum-Page 3
Important Information and Disclaimer:The information provided on this page represents TI's knowledge and belief as of the date that it is provided. TI bases its knowledge and belief on information
provided by third parties, and makes no representation or warranty as to the accuracy of such information. Efforts are underway to better integrate information from third parties. TI has taken and
continues to take reasonable steps to provide representative and accurate information but may not have conducted destructive testing or chemical analysis on incoming materials and chemicals.
TI and TI suppliers consider certain information to be proprietary, and thus CAS numbers and other limited information may not be available for release.
In no event shall TI's liability arising out of such information exceed the total purchase price of the TI part(s) at issue in this document sold by TI to Customer on an annual basis.
OTHER QUALIFIED VERSIONS OF UC1708, UC1708-SP, UC3708 :
Catalog : UC3708, UC1708
Military : UC1708
Space : UC1708-SP
NOTE: Qualified Version Definitions:
Catalog - TI's standard catalog product
Military - QML certified for Military and Defense Applications
Space - Radiation tolerant, ceramic packaging and qualified for use in Space-based application
l TEXAS INSTRUMENTS REEL DIMENSIONS TAPE DIMENSIONS ’ I+K0 '«PI» Reel Diame|er AD Dimension deSIgned Io accommodate me componem wIdIh E0 Dimension deSIgned Io eecommodaIe me componenI Iengm KO Dlmenslun desIgned to accommodate me componem Ihlckness 7 w OvereII wmm OHhe earner cape i p1 Pitch between successwe cavIIy cemers f T Reel Width (W1) QUADRANT ASSIGNMENTS FOR PIN 1 ORIENTATION IN TAPE O O O D O O D O SprockeIHoles ,,,,,,,,,,, ‘ User Direcllon 0' Feed Pockel Quadrams
TAPE AND REEL INFORMATION
*All dimensions are nominal
Device Package
Type Package
Drawing Pins SPQ Reel
Diameter
(mm)
Reel
Width
W1 (mm)
A0
(mm) B0
(mm) K0
(mm) P1
(mm) W
(mm) Pin1
Quadrant
UC2708DWTR SOIC DW 16 2000 330.0 16.4 10.75 10.7 2.7 12.0 16.0 Q1
UC3708DWTR SOIC DW 16 2000 330.0 16.4 10.75 10.7 2.7 12.0 16.0 Q1
PACKAGE MATERIALS INFORMATION
www.ti.com 5-Jan-2022
Pack Materials-Page 1
l TEXAS INSTRUMENTS TAPE AND REEL BOX DIMENSIONS
*All dimensions are nominal
Device Package Type Package Drawing Pins SPQ Length (mm) Width (mm) Height (mm)
UC2708DWTR SOIC DW 16 2000 853.0 449.0 35.0
UC3708DWTR SOIC DW 16 2000 853.0 449.0 35.0
PACKAGE MATERIALS INFORMATION
www.ti.com 5-Jan-2022
Pack Materials-Page 2
l TEXAS INSTRUMENTS T - Tube height| L - Tube length l ,g + w-Tuhe _______________ _ ______________ width $ — B - Alignment groove width
TUBE
*All dimensions are nominal
Device Package Name Package Type Pins SPQ L (mm) W (mm) T (µm) B (mm)
5962-0051401Q2A FK LCCC 20 1 506.98 12.06 2030 NA
5962-0051401V2A FK LCCC 20 1 506.98 12.06 2030 NA
UC1708L883B FK LCCC 20 1 506.98 12.06 2030 NA
UC2708DW DW SOIC 16 40 507 12.83 5080 6.6
UC2708N P PDIP 8 50 506 13.97 11230 4.32
UC3708DW DW SOIC 16 40 507 12.83 5080 6.6
UC3708DWG4 DW SOIC 16 40 507 12.83 5080 6.6
UC3708N P PDIP 8 50 506 13.97 11230 4.32
UC3708NE N PDIP 16 25 506 13.97 11230 4.32
UC3708NG4 P PDIP 8 50 506 13.97 11230 4.32
PACKAGE MATERIALS INFORMATION
www.ti.com 5-Jan-2022
Pack Materials-Page 3
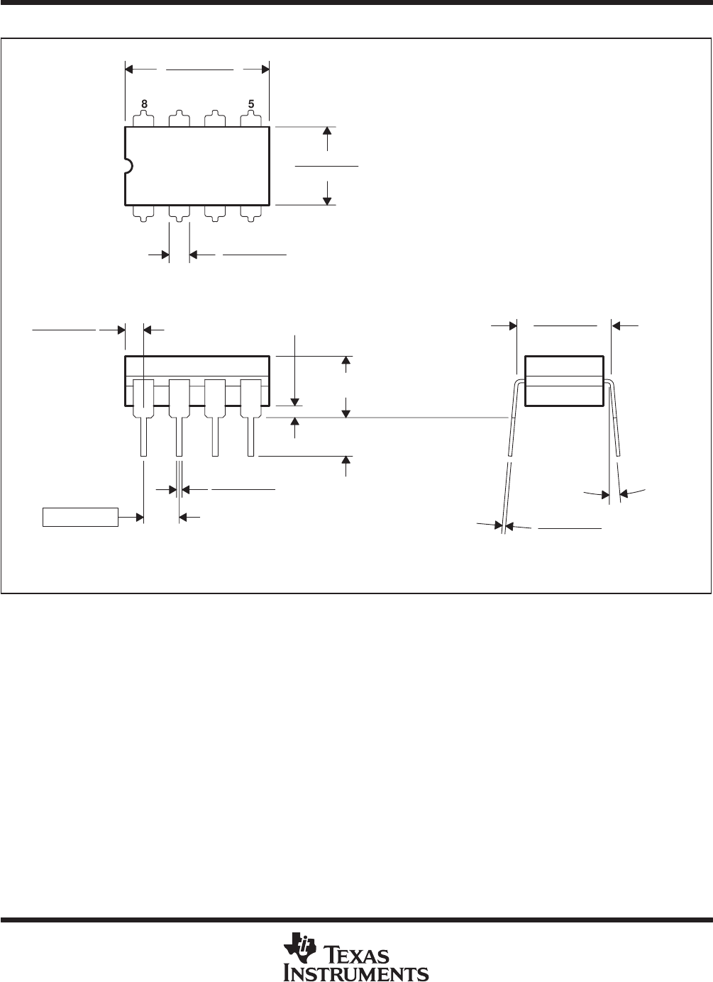
MECHANICAL DATA AME; CHEF“ ELAR‘REE ?< (a="" cm;="" w”)="" ,eamess="" c="" ’7="" flflflflflfl\="" f="" e="" e="" e="" e="" ,="" kwwwg="" qfijrm“="" a="" i:="" i7="" i4="" i:="" i:="" e7="" eiflfiiflfizj="" vvwwttflfl="" 1="" notes="" ah="" ineur="" dimensions="" are="" in="" inches="" (minmeiers).="" this="" cruwg="" i5="" subjeci="" i0="" chcnge="" without="" noiice="" this="" package="" car="" he="" hermeticuiiy="" secied="" mm="" a="" metai="" ic="" i'ciis="" wiihi="" jedec="" n87004="" 50m)="" {mm="" instruments="" w.="" (i.="" cam="">
www.ti.com
GENERIC PACKAGE VIEW
This image is a representation of the package family, actual package may vary.
Refer to the product data sheet for package details.
SOIC - 2.65 mm max heightDW 16
SMALL OUTLINE INTEGRATED CIRCUIT
7.5 x 10.3, 1.27 mm pitch
4224780/A
www.ti.com
PACKAGE OUTLINE
C
TYP
10.63
9.97
2.65 MAX
14X 1.27
16X 0.51
0.31
2X
8.89
TYP
0.33
0.10
0 - 8 0.3
0.1
(1.4)
0.25
GAGE PLANE
1.27
0.40
A
NOTE 3
10.5
10.1
B
NOTE 4
7.6
7.4
4220721/A 07/2016
SOIC - 2.65 mm max heightDW0016A
SOIC
NOTES:
1. All linear dimensions are in millimeters. Dimensions in parenthesis are for reference only. Dimensioning and tolerancing
per ASME Y14.5M.
2. This drawing is subject to change without notice.
3. This dimension does not include mold flash, protrusions, or gate burrs. Mold flash, protrusions, or gate burrs shall not
exceed 0.15 mm, per side.
4. This dimension does not include interlead flash. Interlead flash shall not exceed 0.25 mm, per side.
5. Reference JEDEC registration MS-013.
116
0.25 C A B
9
8
PIN 1 ID
AREA
SEATING PLANE
0.1 C
SEE DETAIL A
DETAIL A
TYPICAL
SCALE 1.500
£3ng
www.ti.com
EXAMPLE BOARD LAYOUT
0.07 MAX
ALL AROUND 0.07 MIN
ALL AROUND
(9.3)
14X (1.27)
R0.05 TYP
16X (2)
16X (0.6)
4220721/A 07/2016
SOIC - 2.65 mm max heightDW0016A
SOIC
NOTES: (continued)
6. Publication IPC-7351 may have alternate designs.
7. Solder mask tolerances between and around signal pads can vary based on board fabrication site.
METAL SOLDER MASK
OPENING
NON SOLDER MASK
DEFINED
SOLDER MASK DETAILS
OPENING
SOLDER MASK METAL
SOLDER MASK
DEFINED
LAND PATTERN EXAMPLE
SCALE:7X
SYMM
1
89
16
SEE
DETAILS
SYMM
Egg e %
www.ti.com
EXAMPLE STENCIL DESIGN
R0.05 TYP
16X (2)
16X (0.6)
14X (1.27)
(9.3)
4220721/A 07/2016
SOIC - 2.65 mm max heightDW0016A
SOIC
NOTES: (continued)
8. Laser cutting apertures with trapezoidal walls and rounded corners may offer better paste release. IPC-7525 may have alternate
design recommendations.
9. Board assembly site may have different recommendations for stencil design.
SOLDER PASTE EXAMPLE
BASED ON 0.125 mm THICK STENCIL
SCALE:7X
SYMM
SYMM
1
89
16
J (R76D1P7TM) CERAVVHC DUAL 1N7L1NE PACKAGE )4 LEADS SHOWN PWS u . W 14 e 18 20 0300 0300 0300 0300 E (7.52) (7.52) (7.62) (7.62) w 5 Est ass ass ass fl fl m m m m m E MAX 0.755 540 0.950 1.060 (19.94) (21.34) (24.35) (25.92) I ..15,,, 1 0 500 0,300 0,310 0.300 U U U U U U U C W (7.52) (7.52) (7.57) (7.52) 0.245 0.245 0.220 0.245 0.005 (1.65) 0 MW 0045 (1.14) (6.22) (6.22) (5.50) (6.22) 0000 ( . ) a «0005(0.13)MN m r ~ 0200 (5.05) MAX 7 ; Seatmg Pmne , 0 (3.30) MN 4 0 020 (0. 66) 0014 (0.36) 0715' 0100 (.)254 0.014 (0.36) 0,000 (0.20) 4040083/F 03/03 VOTES: A. AH Hneur d1mens1ons are 1’1 1mm (muhmeters) a, This druwmg '3 subject m change w'thout nnt'ce. 0, 1m package 15 hermehcoHy sewed mm a cemm 11a usmg q1ass mt. D. 11an pom 1’s prowded on cap fo' 1mm) 1den1111ca0an umy on press cemrmc 9055 m sea) 00W. E FaHs thin ML 513 1035 0011417114. 001141416. GDPPTTB 0'10 001017120
*5 TEXAS INSTRUMENTS
MECHANICAL DATA
MCER001A – JANUARY 1995 – REVISED JANUARY 1997
POST OFFICE BOX 655303 DALLAS, TEXAS 75265
JG (R-GDIP-T8) CERAMIC DUAL-IN-LINE
0.310 (7,87)
0.290 (7,37)
0.014 (0,36)
0.008 (0,20)
Seating Plane
4040107/C 08/96
5
4
0.065 (1,65)
0.045 (1,14)
8
1
0.020 (0,51) MIN
0.400 (10,16)
0.355 (9,00)
0.015 (0,38)
0.023 (0,58)
0.063 (1,60)
0.015 (0,38)
0.200 (5,08) MAX
0.130 (3,30) MIN
0.245 (6,22)
0.280 (7,11)
0.100 (2,54)
0°–15°
NOTES: A. All linear dimensions are in inches (millimeters).
B. This drawing is subject to change without notice.
C. This package can be hermetically sealed with a ceramic lid using glass frit.
D. Index point is provided on cap for terminal identification.
E. Falls within MIL STD 1835 GDIP1-T8
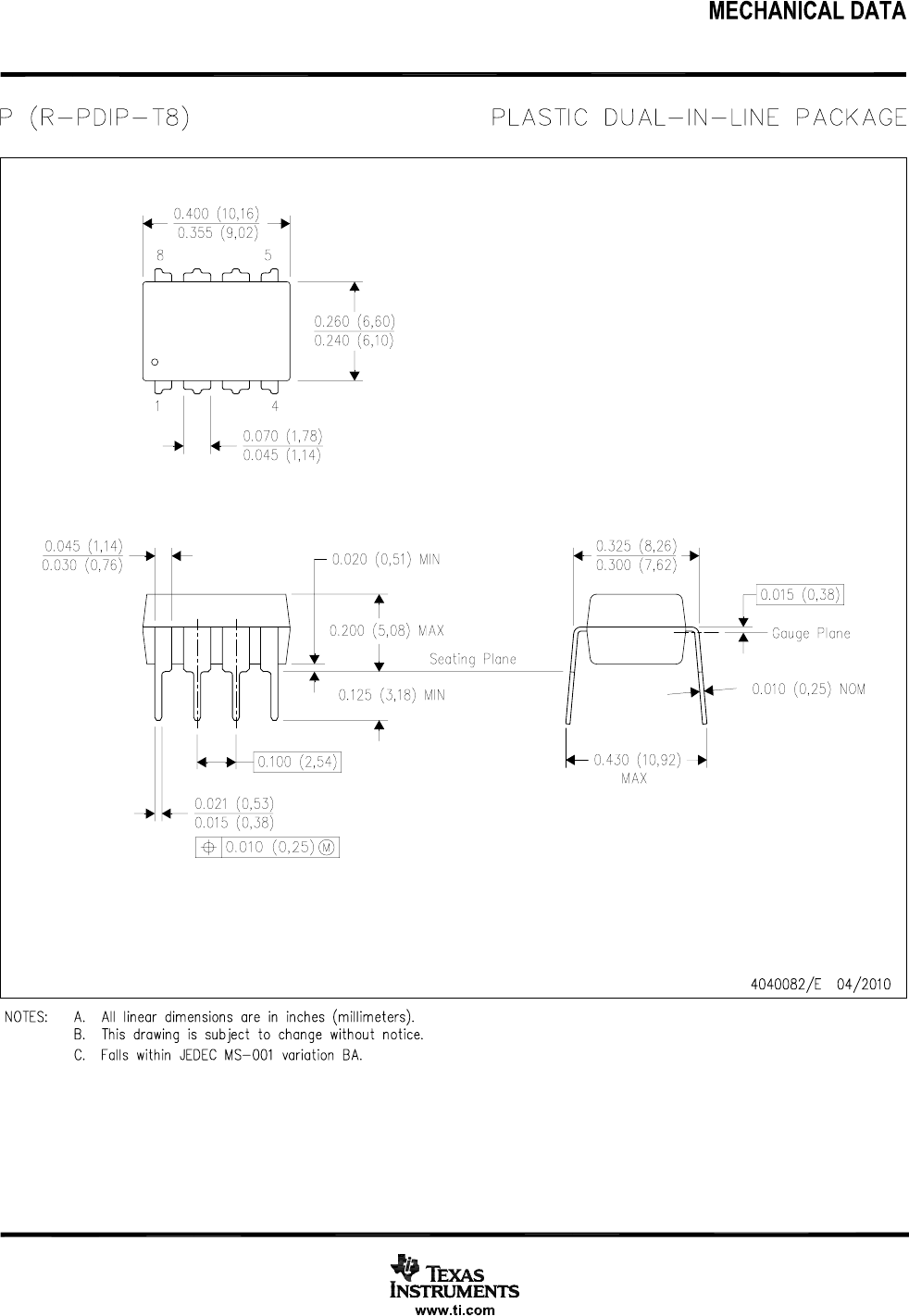
MECHANICAL DATA P (RiPMPi’E) "LAST‘C >4 >4 7 A V A A M Hnear dw‘ensmns are m inches (miH'nem's) B TH: druwmq is s bje“ :0 change thruut nonce C mus wmhm Juli"; Msiom vanmm BA NUTS DKMLiwi, N¥ PAL’KAC: 4 r ( “ V ‘ 7 v m 31H A H ‘ ‘ M H ‘—’ H w: H J; W“ D u‘ L , ,_ , 40mm: 04/2010 INSI'RUMENTS www.mzam
MECHANICAL DATA N (R—PDlP-T“) PLASTIC DUAL—IN—LINE PACKAGE 16 P15 SHOWN PWS " A L . [NM 15 a 20 16 9 0 775 U 777 0 SZU '1 USE 3 , 1H HH HH r% r’H r"—1 r’H H1 1 A VAX “9‘69? (191591 (23,37) (25,92) 0 250 (6,50‘ A MN [1145‘ 0142‘ 0.350 new 3 O 240 (6.10), 15 92/ (1832/ (2 .59) (23,58) MSiUO‘ (A AA AA Ari AA AA AA R1 &. VAR1AT1CN M RR AC AD 1 B 0070( (17s) 0015 (111) A 0045 (1,111 g n > , ‘ -) 3.020 (0,51) MW w o 5 (0 35) 0200( 38) MAX f, ), Gnu E Home 1 1‘ 9 fix—1%)” 1 0125’ 1/111 4% 0010 (v.37 ) NOM 31a) U L»- J 0450 (13,92) MAX L 202‘ (0,53) » e c 015 (0,35) / \ a; 00‘s (0,Zb)® / \ 1 1 \\¥,// 11/18 Pm (My > @ 20 Pm vendor upho'v mom/r 17/7037 NO'FS A AH Mnec' mmensmr‘fi: B 1m: drawmq 1s sume m muss (m1111mevem) 0 change mm): nofice /c\ FuHs wumn JEDEC M57001, except 15 an: 20 p171 'r1111mLm body 1mm (01m A) A The 70 p171 and 15m} shmflder Md” 15 a ve'vdnr 0311071, eher NIH Dr 111 wkflh INSI'RUMENTS www.1i.com
IMPORTANT NOTICE AND DISCLAIMER
TI PROVIDES TECHNICAL AND RELIABILITY DATA (INCLUDING DATA SHEETS), DESIGN RESOURCES (INCLUDING REFERENCE
DESIGNS), APPLICATION OR OTHER DESIGN ADVICE, WEB TOOLS, SAFETY INFORMATION, AND OTHER RESOURCES “AS IS”
AND WITH ALL FAULTS, AND DISCLAIMS ALL WARRANTIES, EXPRESS AND IMPLIED, INCLUDING WITHOUT LIMITATION ANY
IMPLIED WARRANTIES OF MERCHANTABILITY, FITNESS FOR A PARTICULAR PURPOSE OR NON-INFRINGEMENT OF THIRD
PARTY INTELLECTUAL PROPERTY RIGHTS.
These resources are intended for skilled developers designing with TI products. You are solely responsible for (1) selecting the appropriate
TI products for your application, (2) designing, validating and testing your application, and (3) ensuring your application meets applicable
standards, and any other safety, security, regulatory or other requirements.
These resources are subject to change without notice. TI grants you permission to use these resources only for development of an
application that uses the TI products described in the resource. Other reproduction and display of these resources is prohibited. No license
is granted to any other TI intellectual property right or to any third party intellectual property right. TI disclaims responsibility for, and you
will fully indemnify TI and its representatives against, any claims, damages, costs, losses, and liabilities arising out of your use of these
resources.
TI’s products are provided subject to TI’s Terms of Sale or other applicable terms available either on ti.com or provided in conjunction with
such TI products. TI’s provision of these resources does not expand or otherwise alter TI’s applicable warranties or warranty disclaimers for
TI products.
TI objects to and rejects any additional or different terms you may have proposed. IMPORTANT NOTICE
Mailing Address: Texas Instruments, Post Office Box 655303, Dallas, Texas 75265
Copyright © 2022, Texas Instruments Incorporated