Scheda tecnica LT3474(-1) di Analog Devices Inc.

L7Llnmww TECHNOLOGY '—_L ' 2 3 E 3' __ I __ T E .”_4 L7 LJUW
LT3474/LT3474-1
1
3474fd
The LT
®
3474/LT3474-1 are fi xed frequency step-down
DC/DC converters designed to operate as constant-current
sources. An internal sense resistor monitors the output
current allowing accurate current regulation, ideal for
driving high current LEDs. High output current accuracy
is maintained over a wide current range, from 35mA to
1A, allowing a wide dimming range.
Unique PWM circuitry allows a dimming range of 400:1,
avoiding the color shift normally associated with LED
current dimming.
The high switching frequency offers several advantages,
permitting the use of small inductors and ceramic capaci-
tors. Small inductors combined with the 16-lead TSSOP
surface mount package save space and cost versus
alternative solutions. The constant switching frequency
combined with low-impedance ceramic capacitors result
in low, predictable output ripple.
With their wide input range of 4V to 36V, the LT3474/
LT3474-1 regulate a broad array of power sources, from
5V logic rails to unregulated wall transformers, lead acid
batteries and distributed power supplies. A current mode
PWM architecture provides fast transient response and
cycle-by-cycle current limiting. Frequency foldback and
thermal shutdown provide additional protection.
Automotive and Avionic Lighting
Architectural Detail Lighting
Display Backlighting
Constant Current Sources
n True Color PWM™ Delivers Constant Color with
400:1 Dimming Range
n Wide Input Range: 4V to 36V
n Up to 1A LED Current
n Adjustable 200kHz–2MHz Switching Frequency
n Adjustable Control of LED Current
n Integrated Boost Diode
n High Output Current Accuracy is Maintained
Over a Wide Range from 35mA to 1A
n Open LED (LT3474) and Short-Circuit Protection
n High Side Sense Allows Grounded
Cathode Connection
n Uses Small Inductors and Ceramic Capacitors
n LT3474-1 Drives LED Strings Up to 26V
n Compact 16-Lead TSSOP Thermally Enhanced
Surface Mount Package
TYPICAL APPLICATION
DESCRIPTION
Step-Down
1A LED Driver
Step-Down 1A LED Driver
L, LT, LTC and LTM are registered trademarks of Linear Technology Corporation.
True Color PWM is a trademark of Linear Technology Corporation. All other trademarks are
the property of their respective owners. Patent Pending
FEATURES
APPLICATIONS
Effi ciency
VIN
BIAS
OUT
PWM
LED
LED1
DIMMING*
CONTROL
LT3474
0.1μF
VIN
5V TO 36V
2.2μF
0.22μF
10μH
3474 TA01a
80.6k
*SEE APPLICATIONS SECTION FOR DETAILS
SHDN
REF
BOOST
SW
VADJ
RT
VC
GND
2.2μF
LED CURRENT (mA)
0
EFFICIENCY (%)
70
75
80
600 1000
3474 G02
65
60
55 200 400 800
85
90
95
TWO SERIES CONNECTED
WHITE 1A LEDS
ONE WHITE 1A LED
VIN = 12V
LT3474/LT3474—1 33333333 EEEEEEEE
LT3474/LT3474-1
2
3474fd
PIN CONFIGURATION ABSOLUTE MAXIMUM RATINGS
VIN Pin ........................................................(–0.3V), 36V
BIAS Pin ....................................................................25V
BOOST Pin Voltage ...................................................51V
BOOST above SW Pin ...............................................25V
OUT, LED Pins (LT3474) ............................................15V
OUT, LED Pins (LT3474-1) .........................................26V
PWM Pin ...................................................................10V
VADJ Pin .....................................................................6V
VC, REF, RT Pins ..........................................................3V
SHDN Pin ...................................................................VIN
BIAS Pin Current .........................................................1A
Maximum Junction Temperature (Note 2)............. 125°C
Operating Temperature Range (Note 3)
LT3474E, LT3474E-1 ............................ –40°C to 85°C
LT3474I, LT3474I-1 ............................ –40°C to 125°C
Storage Temperature Range ................... –65°C to 150°C
Lead Temperature (Soldering, 10 sec) .................. 300°C
(Note 1)
FE PACKAGE
16-LEAD PLASTIC TSSOP
1
2
3
4
5
6
7
8
TOP VIEW
16
15
14
13
12
11
10
9
DNC*
OUT
LED
VIN
SW
BOOST
BIAS
GND
DNC*
GND
PWM
VADJ
VC
REF
SHDN
RT
17
θJC = 8°C/W, θJA = 40°C/W
EXPOSED PAD (PIN 17) IS GND, MUST BE SOLDERED TO PCB
*DO NOT CONNECT EXTERNAL CIRCUITRY TO THESE PINS.
ORDER INFORMATION
LEAD FREE FINISH TAPE AND REEL PART MARKING PACKAGE DESCRIPTION TEMPERATURE RANGE
LT3474EFE#PBF LT3474EFE#TRPBF 3474EFE 16-Lead TSSOP 40°C to 85°C
LT3474IFE#PBF LT3474IFE#TRPBF 3474IFE 16-Lead TSSOP 40°C to 125°C
LT3474EFE-1#PBF LT3474EFE-1#TRPBF 3474EFE-1 16-Lead TSSOP 40°C to 85°C
LT3474IFE-1#PBF LT3474IFE-1#TRPBF 3474IFE-1 16-Lead TSSOP 40°C to 125°C
Consult LTC Marketing for parts specifi ed with wider operating temperature ranges.
Consult LTC Marketing for information on non-standard lead based fi nish parts.
For more information on lead free part marking, go to: http://www.linear.com/leadfree/
For more information on tape and reel speci cations, go to: http://www.linear.com/tapeandreel/
PARAMETER CONDITIONS MIN TYP MAX UNITS
Minimum Input Voltage l3.5 4 V
Input Quiescent Current Not Switching 2.6 4 mA
Shutdown Current SHDN = 0.3V, VBOOST = 0V, VOUT = 0V 0.01 2 μA
LED Pin Current VADJ Tied to VREF
VADJ Tied to VREF/5
l
l
0.98
0.968
0.193
0.186
1
0.2
1.02
1.025
0.207
0.210
A
A
A
A
REF Voltage l1.23 1.25 1.265 V
ELECTRICAL CHARACTERISTICS
The l denotes the speci cations which apply over the full operating
temperature range, otherwise specifi cations are at TA = 25°C. VIN = 12V, VBOOST = 16V, VOUT = 4V unless otherwise noted (Note 3).
LT3474/ LT3474—1 L7 LJUW
LT3474/LT3474-1
3
3474fd
ELECTRICAL CHARACTERISTICS
Note 1: Stresses beyond those listed under Absolute Maximum Ratings
may cause permanent damage to the device. Exposure to any Absolute
Maximum Rating condition for extended periods may affect device
reliability and lifetime.
Note 2: This IC includes overtemperature protection that is intended
to protect the device during momentary overload conditions. Junction
temperature will exceed 125°C when overtemperature protection is active.
Continuous operation above the specifi ed maximum operating junction
temperature may impair device reliability.
Note 3: The LT3474E and LT3474E-1 are guaranteed to meet performance
specifi cations from 0°C to 70°C. Specifi cations over the –40°C to 85°C
The l denotes the speci cations which apply over the full operating
temperature range, otherwise specifi cations are at TA = 25°C. VIN = 12V, VBOOST = 16V, VOUT = 4V unless otherwise noted (Note 3).
PARAMETER CONDITIONS MIN TYP MAX UNITS
Reference Voltage Line Regulation 5V < VIN < 36V 0.01 %/V
Reference Voltage Load Regulation 0 < IREF < 250μA 0.0002 %/μA
VADJ Pin Bias Current (Note 4) l20 400 nA
Switching Frequency RT = 80.6k
l
470
450
500 530
540
kHz
kHz
Maximum Duty Cycle RT = 80.6k
RT = 10k
RT = 232k
l90 95
76
98
%
%
%
Foldback Frequency RT = 80.6k, VOUT = 0V 70 kHz
SHDN Threshold (to Switch) 2.6 2.65 2.7 V
SHDN Pin Current (Note 5) VSHDN = SHDN Threshold 8.3 10.3 12.3 μA
PWM Threshold 0.4 0.9 1.2 V
VC Switching Threshold 0.8 V
VC Source Current VC = 1V 100 μA
VC Sink Current VC = 1V 100 μA
LED to VC Current Gain 1.5 μA/mA
LED to VC Transresistance 1 V/mA
VC to Switch Current Gain 2A/V
VC Clamp Voltage 1.9 V
VC Pin Current in PWM Mode VC = 1V, VPWM = 0.3V l0.01 1 μA
OUT Pin Clamp Voltage (LT3474) 13.2 13.8 14.5 V
OUT Pin Current in PWM Mode VOUT = 4V, VPWM = 0.3V l0.1 10 μA
Switch Current Limit (Note 6) 40°C to 85°C
LT3474I, LT3474I-1 at 125°C
l1.6
1.5
2.1 3.2
3.2
A
A
Switch VCESAT ISW = 1A 380 500 mV
Boost Pin Current ISW = 1A 30 50 mA
Switch Leakage Current 0.01 1 μA
Minimum Boost Voltage (Note 7) 1.9 2.5 V
Boost Diode Forward Voltage IDIO = 100mA 600 mV
operating temperature range are assured by design, characterization and
correlation with statistical process controls. The LT3474I and LT3474I-1
are guaranteed to meet performance specifi cations over the –40°C to
125°C operating temperature range.
Note 4: Current fl ows out of pin.
Note 5: Current fl ows into pin.
Note 6: Current limit is guaranteed by design and/or correlation to static
test. Slope compensation reduces current limit at higher duty cycles.
Note 7: This is the minimum voltage across the boost capacitor needed to
guarantee full saturation of the internal power switch.
LT3474/LT3474—1 // L7LJCUEN2
LT3474/LT3474-1
4
3474fd
TYPICAL PERFORMANCE CHARACTERISTICS
Current Limit vs Duty Cycle
Switch Current Limit vs
Temperature Current Limit vs Output Voltage
Oscillator Frequency vs
TemperatureOscillator Frequency vs RTOscillator Frequency Foldback
LED Current vs VADJ LED Current vs Temperature Switch Voltage Drop
V
ADJ
(V)
0
LED CURRENT (mA)
600
800
1000
1
3474 GO3
400
200
00.25 0.5 0.75 1.25
T
A
= 25°C
TEMPERATURE (°C)
–50
LED CURRENT (mA)
800
1000
1200
25 75
3474 G04
600
400
–25 0 50 100 125
200
0
VADJ = VREF
VADJ = VREF/5
SWITCH CURRENT (mA)
0
700
600
500
400
300
200
100
0
3474 G05
500 1000 1500
SWITCH VOLTAGE DROP (mV)
TA = 25°C
DUTY CYCLE (%)
0
CURRENT LIMIT (A)
1.5
2
2.5
80
3474 G06
1
0.5
020 40 60 100
TYPICAL
MINIMUM (125°C)
MINIMUM (85°C)
TEMPERATURE (°C)
–50 –25
0
CURRENT LIMIT (A)
1
2.5
050 75
3474 G07
0.5
2
1.5
25 100 125
VOUT (V)
0
0
CURRENT LIMIT (A)
0.5
1
1.5
2
2.5
2468
3474 G08
10 12
TA = 25°C
R
T
(kΩ)
10
100
OSCILLATOR FREQUENCY (kHz)
1000
100
3474 G09
T
A
= 25°C
TEMPERATURE (°C)
–50
400
OSCILLATOR FREQUENCY (kHz)
450
500
550
600
–25 0 25 50
3474 G10
75 100 125
R
T
= 80.6k
V
OUT
(V)
0
0
OSCILLATOR FREQUENCY (kHz)
100
200
300
400
500
600
0.5 1 1.5 2
3474 G11
2.5
T
A
= 25°C
R
T
= 80.6k
LT3474/ LT3474—1 / 7m RUN / _// LED VOLTAGE \ \ \\ TORUN LE L7 LJUW
LT3474/LT3474-1
5
3474fd
TYPICAL PERFORMANCE CHARACTERISTICS
Schottky Reverse Leakage Schottky Forward Voltage Drop
Open-Circuit Output Voltage and
Input Current
Minimum Input Voltage,
One White Luxeon III Star
Minimum Input Voltage,
Two Series Connected White
Luxeon III Stars
Boost Pin Current Quiescent Current Reference Voltage
VIN (V)
0
0
OUTPUT VOLTAGE (V)
INPUT CURRENT (mA)
10
20
30
40
50
60
0
1
2
3
4
5
6
8
7
10 20 30 40
3474 G16
TA = 25°C
OUTPUT VOLTAGE
INPUT CURRENT
LT3474
LT3474-1
LT3474-1
LT3474
LED CURRENT (mA)
0
0
V
IN
(V)
1
2
3
4
5
6
200 400 600 800
3474 G17
1000
T
A
= 25°C
TO START
LED VOLTAGE
TO RUN
LED CURRENT (mA)
0
V
IN
(V)
8
9
10
800
3474 G18
7
6
5200 400 600 1000
TO RUN
T
A
= 25°C
TO START
LED VOLTAGE
FORWARD VOLTAGE (mV)
0
FORWARD CURRENT (mA)
300
400
500
800
3474 G19
200
100
0200 400 600 1000
TA = 25°C
SWITCH CURRENT (mA)
0
0
BOOST PIN CURRENT (mA)
10
20
30
40
60
250 500 750 1000
3473 G12
1250 1500
50
TA = 25°C
VIN (V)
0
0
INPUT CURRENT (mA)
0.5
1.0
1.5
2.0
3.0
612 18 24
3474 G13
30 36
2.5
TA = 25°C
TEMPERATURE (°C)
–50 –25
1.235
V
REF
(V)
1.245
1.260
050 75
3474 G14
1.240
1.255
1.250
25 100 125
LT3474/LT3474—1 L7LJCUEN2
LT3474/LT3474-1
6
3474fd
PIN FUNCTIONS
DNC (Pins 1, 16): Do not connect external circuitry to these
pins, or tie them to GND. Leave the DNC pins fl oating.
OUT (Pin 2): The OUT pin is the input to the current sense
resistor. Connect this pin to the inductor and the output
capacitor.
LED (Pin 3): The LED pin is the output of the current sense
resistor. Connect the anode of the LED here.
VIN (Pin 4): The VIN pin supplies current to the internal
circuitry and to the internal power switch and must be
locally bypassed.
SW (Pin 5): The SW pin is the output of the internal power
switch. Connect this pin to the inductor and switching
diode.
BOOST (Pin 6): The BOOST pin is used to provide a drive
voltage, higher than the input voltage, to the internal bipolar
NPN power switch.
BIAS (Pin 7): The BIAS pin connects through a Schottky
diode to BOOST. Tie to OUT.
GND (Pins 8, 15, Exposed Pad Pin 17): Ground. Tie both
GND pins and the Exposed Pad directly to the ground
plane. The Exposed Pad metal of the package provides both
electrical contact to ground and good thermal contact to
the printed circuit board. It must be soldered to the circuit
board for proper operation.
RT (Pin 9): The RT pin is used to set the internal oscilla-
tor frequency. Tie an 80.6k resistor from RT to GND for a
500kHz switching frequency.
SHDN (Pin 10): The SHDN pin is used to shut down the
switching regulator and the internal bias circuits. The
2.6V switching threshold can function as an accurate
under-voltage lockout. Pull below 0.3V to shut down the
LT3474/LT3474-1. Pull above 2.65V to enable the LT3474/
LT3474-1. Tie to VIN if the SHDN function is unused.
REF (Pin 11): The REF pin is the buffered output of the
internal reference. Either tie the REF pin to the VADJ pin for
a 1A output current, or use a resistor divider to generate a
lower voltage at the VADJ pin. Leave this pin unconnected
if unused.
VC (Pin 12): The Vc pin is the output of the internal error
amp. The voltage on this pin controls the peak switch
current. Use this pin to compensate the control loop.
VADJ (Pin 13): The VADJ pin is the input to the internal
voltage to current amplifi er. Connect the VADJ pin to the
REF pin for a 1A output current. For lower output cur-
rents, program the VADJ pin using the following formula:
ILED = 1A • VADJ/1.25V.
PWM (Pin 14): The PWM pin controls the connection of
the VC pin to the internal circuitry. When the PWM pin is
low, the VC pin is disconnected from the internal circuitry
and draws minimal current. If the PWM feature is unused,
leave this pin unconnected.
LT3474/ LT3474—1 L7 LJUW
LT3474/LT3474-1
7
3474fd
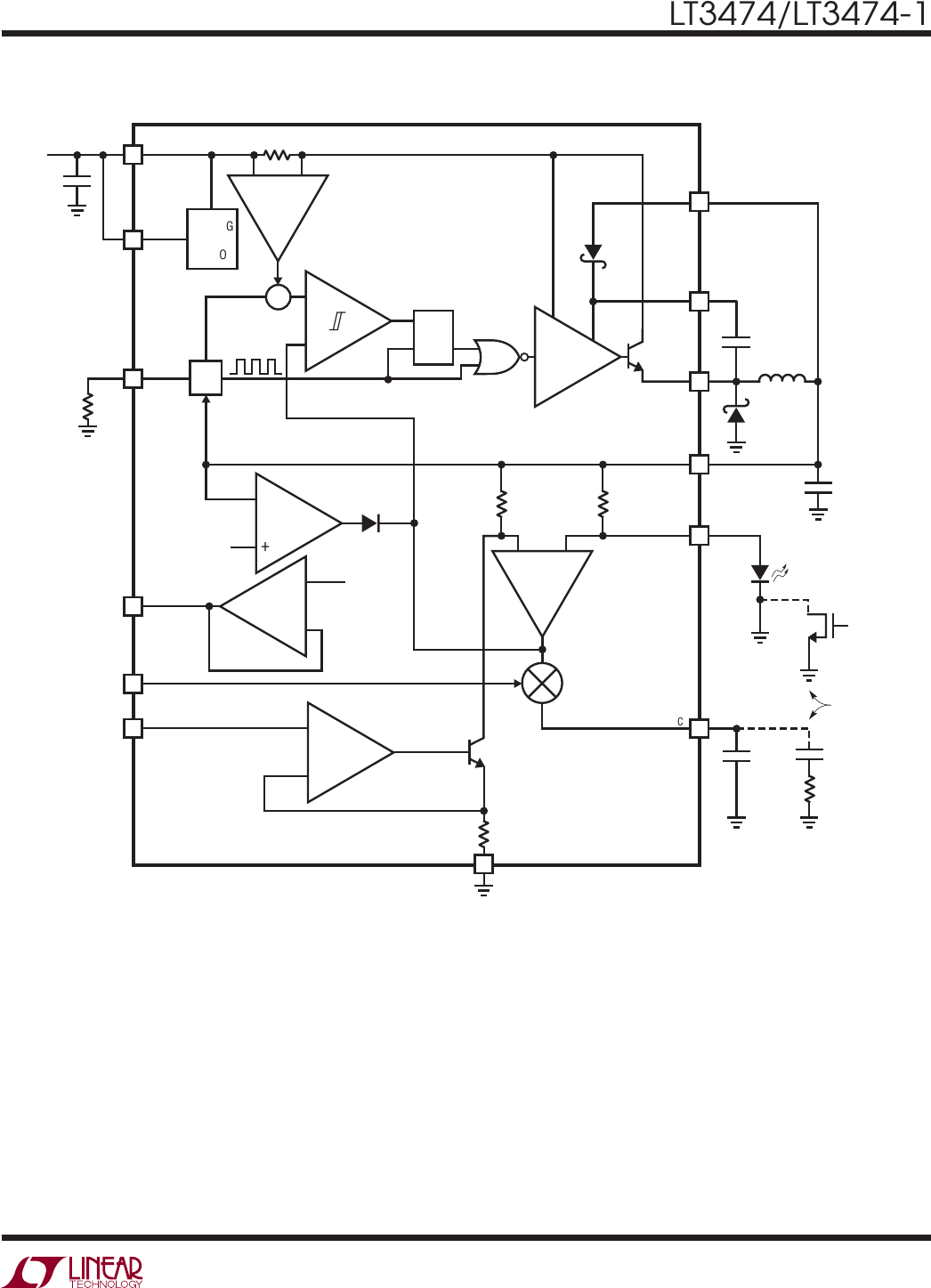
BLOCK DIAGRAM
BIAS
VC
VADJ
OUT
3474 BD
C1
RT
PWM
GND
2V
REF
RT
DRIVER
SHDN
CC1 CC2
RC
1.25k
DLED1
Q2
Q1
1.25V
OSC
SLOPE
COMP
FREQUENCY
FOLDBACK
INT REG
AND
UVLO
R
Q
Q
S
CIN
VIN
VIN
+
0.1Ω100Ω
LED
D1
L1
SW
BOOST
C2
PWM
USE WITH
PWM DIMMING
C1
gm
7
6
5
2
3
12
8
14
11
10
9
4
13
Figure 1. Block Diagram
LT3474/LT3474—1 L7LJCUEN2
LT3474/LT3474-1
8
3474fd
APPLICATIONS INFORMATION
Operation
The LT3474 is a constant frequency, current mode regula-
tor with an internal power switch capable of generating
a constant 1A output. Operation can be best understood
by referring to the Block Diagram.
If the SHDN pin is tied to ground, the LT3474 is shut
down and draws minimal current from the input source
tied to VIN. If the SHDN pin exceeds 1.5V, the internal bias
circuits turn on, including the internal regulator, reference,
and oscillator. The switching regulator will only begin to
operate when the SHDN pin exceeds 2.65V.
The switcher is a current mode regulator. Instead of directly
modulating the duty cycle of the power switch, the feedback
loop controls the peak current in the switch during each
cycle. Compared to voltage mode control, current mode
control improves loop dynamics and provides cycle-by-
cycle current limit.
A pulse from the oscillator sets the RS fl ip-fl op and turns
on the internal NPN bipolar power switch. Current in the
switch and the external inductor begins to increase. When
this current exceeds a level determined by the voltage at
VC, current comparator C1 resets the fl ip-fl op, turning
off the switch. The current in the inductor fl ows through
the external Schottky diode and begins to decrease. The
cycle begins again at the next pulse from the oscillator.
In this way, the voltage on the VC pin controls the current
through the inductor to the output. The internal error
amplifi er regulates the output current by continually
adjusting the VC pin voltage. The threshold for switching
on the VC pin is 0.8V, and an active clamp of 1.9V limits
the output current.
The voltage on the VADJ pin sets the current through the
LED pin. The NPN Q2 pulls a current proportional to the
voltage on the VADJ pin through the 100Ω resistor. The
gm amplifi er servos the VC pin to set the current through
the 0.1Ω resistor and the LED pin. When the voltage drop
across the 0.1Ω resistor is equal to the voltage drop across
the 100Ω resistor, the servo loop is balanced.
Tying the REF pin to the VADJ pin sets the LED pin current
to 1A. Tying a resistor divider to the REF pin allows the
programming of LED pin currents of less than 1A. LED
pin current can also be programmed by tying the VADJ pin
directly to a voltage source up to 1.25V.
An LED can be dimmed with pulse width modulation us-
ing the PWM pin and an external NFET. If the PWM pin is
unconnected or pulled high, the part operates nominally.
If the PWM pin is pulled low, the VC pin is disconnected
from the internal circuitry and draws minimal current from
the compensation capacitor. Circuitry drawing current from
the OUT pin is also disabled. This way, the VC pin and the
output capacitor store the state of the LED pin current
until PWM is pulled high again. This leads to a highly
linear relationship between pulse width and output light,
allowing for a large and accurate dimming range.
The RT pin allows programming of the switching frequency.
For applications requiring the smallest external components
possible, a fast switching frequency can be used. If very
low or very high input voltages are required, a slower
switching frequency can be programmed.
During startup VOUT will be at a low voltage. The NPN Q2
can only operate correctly with suffi cient voltage at VOUT
,
around 1.7V. A comparator senses VOUT and forces the VC
pin high until VOUT rises above 2V, and Q2 is operating
correctly.
The switching regulator performs frequency foldback dur-
ing overload conditions. An amplifi er senses when VOUT is
less than 2V and begins decreasing the oscillator frequency
down from full frequency to 20% of the nominal frequency
when VOUT = 0V. The OUT pin is less than 2V during startup,
short circuit, and overload conditions. Frequency foldback
helps limit switch current under these conditions.
LT3474/ LT3474—1 L7 LJUW
LT3474/LT3474-1
9
3474fd
APPLICATIONS INFORMATION
The switch driver operates either from VIN or from the
BOOST pin. An external capacitor and internal Schottky
diode are used to generate a voltage at the BOOST pin
that is higher than the input supply. This allows the driver
to saturate the internal bipolar NPN power switch for ef-
cient operation.
Open Circuit Protection
The LT3474 has internal open circuit protection. If the LED is
absent or fails open, the LT3474 clamps the voltage on the
LED pin at 14V. The switching regulator then skips cycles
to limit the input current. The LT3474-1 has no internal
open circuit protection. With the LT3474-1, be careful not
to violate the ABSMAX voltage of the BOOST pin; if VIN >
25V, external open circuit protection circuitry (as shown in
Figure 2) may be necessary. The output voltage during an
open LED condition is shown in the Typical Performance
Characteristics section.
Undervoltage Lockout
Undervoltage lockout (UVLO) is typically used in situations
where the input supply is current limited, or has high source
resistance. A switching regulator draws constant power
from the source, so the source current increases as the
source voltage drops. This looks like a negative resistance
load to the source and can cause the source to current limit
or latch low under low source voltage conditions. UVLO
prevents the regulator from operating at source voltages
where these problems might occur.
An internal comparator will force the part into shutdown
when VIN falls below 3.5V. If an adjustable UVLO threshold
is required, the SHDN pin can be used. The threshold
voltage of the SHDN pin comparator is 2.65V. A internal
resistor pulls 10.3μA to ground from the SHDN pin at the
UVLO threshold.
Choose resistors according to the following formula:
R2=2.65V
VTH – 2.65V
R1 – 10.3μA
VTH = UVLO Threshold
Example: Switching should not start until the input is
above 8V.
V
TH = 8V
R1 = 100k
R2=2.65V
8V – 2.65V
100k – 10.3μA
=61.9k
Keep the connections from the resistors to the SHDN pin
short and make sure the coupling to the SW and BOOST
pins is minimized. If high resistance values are used, the
SHDN pin should be bypassed with a 1nF capacitor to
prevent coupling problems from switching nodes.
GND
10.3μA
2.65V
V
IN
V
C
LT3474
R1
C1 R2
V
IN
SHDN
3474 F03
Figure 3. Undervoltage Lockout
Figure 2. External Overvoltage Protection
Circuitry for the LT3474-1.
V
C
100k
10k
27V
OUT
3474 F02
LT3474/LT3474—1 L7LJCUEN2
LT3474/LT3474-1
10
3474fd
APPLICATIONS INFORMATION
Setting the Switching Frequency
The LT3474 uses a constant frequency architecture that
can be programmed over a 200kHz to 2MHz range with a
single external timing resistor from the RT pin to ground.
The current that fl ows into the timing resistor is used
to charge an internal oscillator capacitor. A graph for
selecting the value of RT for a given operating frequency
is shown in the Typical Performance Characteristics
section. Table 1 shows suggested RT selections for a
variety of switching frequencies.
Table 1. Switching Frequencies
SWITCHING FREQUENCY (MHz) RT (kΩ)
210
1.5 18.7
1 33.2
0.7 52.3
0.5 80.6
0.3 147
0.2 232
Operating Frequency Selection
The choice of operating frequency is determined by sev-
eral factors. There is a tradeoff between effi ciency and
component size. Higher switching frequency allows the
use of smaller inductors at the cost of increased switching
losses and decreased effi ciency.
Another consideration is the maximum duty cycle. In
certain applications, the converter needs to operate at a
high duty cycle in order to work at the lowest input voltage
possible. The LT3474 has a fi xed oscillator off-time and
a variable on-time. As a result, the maximum duty cycle
increases as the switching frequency is decreased.
Input Voltage Range
The minimum operating voltage is determined either by the
LT3474’s undervoltage lockout of 4V, or by its maximum
duty cycle. The duty cycle is the fraction of time that the
internal switch is on and is determined by the input and
output voltages:
DC VV
VV V
OUT F
IN SW F
=+
()
+
()
where VF is the forward voltage drop of the catch diode
(~0.4V) and VSW is the voltage drop of the internal switch
(~0.4V at maximum load). This leads to a minimum input
voltage of:
VVV
DC VV
IN MIN OUT F
MAX FSW
()
=++
with DCMAX = 1–tOFF(MIN) • f
where t0FF(MIN) is equal to 200ns and f is the switching
frequency.
Example: f = 500kHz, VOUT = 4V
DC ns kHz
VVV
MAX
IN MIN
==
=+
()
1 200 500 0 90
404
0
•.
.
.99 04 04 49–. . .VVV+=
The maximum operating voltage is determined by the
absolute maximum ratings of the VIN and BOOST pins,
and by the minimum duty cycle.
VVV
DC VV
IN MAX OUT F
MIN FSW
()
=++
with DCMIN = tON(MIN) • f
where tON(MIN) is equal to 160ns and f is the switching
frequency.
Example: f = 500kHz, VOUT = 2.5V
DC ns kHz
VVV
MIN
IN MAX
==
=+
()
160 500 0 08
25 04
0
•.
..
.008 04 04 36–. .VVV+=
The minimum duty cycle depends on the switching fre-
quency. Running at a lower switching frequency might
allow a higher maximum operating voltage. Note that this
is a restriction on the operating input voltage; the circuit
will tolerate transient inputs up to the Absolute Maximum
Rating.
LT3474/ LT3474—1 L7 LJUW
LT3474/LT3474-1
11
3474fd
APPLICATIONS INFORMATION
The optimum inductor for a given application may differ
from the one indicated by this simple design guide. A
larger value inductor provides a higher maximum load
current, and reduces the output voltage ripple. If your
load is lower than the maximum load current, then you
can relax the value of the inductor and operate with higher
ripple current. This allows you to use a physically smaller
inductor, or one with a lower DCR resulting in higher
ef ciency. Be aware that if the inductance differs from
the simple rule above, then the maximum load current
will depend on input voltage. In addition, low inductance
may result in discontinuous mode operation, which further
reduces maximum load current. For details of maximum
output current and discontinuous mode operation, see
Linear Technology’s Application Note 44. Finally, for duty
cycles greater than 50% (VOUT/VIN > 0.5), a minimum
inductance is required to avoid sub-harmonic oscillations.
See Application Note 19.
The current in the inductor is a triangle wave with an average
value equal to the load current. The peak switch current
is equal to the output current plus half the peak-to-peak
inductor ripple current. The LT3474 limits its switch cur-
rent in order to protect itself and the system from overload
faults. Therefore, the maximum output current that the
LT3474 will deliver depends on the switch current limit,
the inductor value, and the input and output voltages.
When the switch is off, the potential across the inductor
is the output voltage plus the catch diode drop. This gives
the peak-to-peak ripple current in the inductor
ΔIL=1DC
()
VOUT +VF
()
L•f
()
where f is the switching frequency of the LT3474 and L
is the value of the inductor. The peak inductor and switch
current is
ISW PK
()
=ILPK
()
=IOUT +ΔIL
2
Inductor Selection and Maximum Output Current
A good first choice for the inductor value is
LV V kHz
f
OUT F
=+()
900
where VF is the voltage drop of the catch diode (~0.4V), f
is the switching frequency and L is in μH. With this value
the maximum load current will be 1.1A, independent of
input voltage. The inductors RMS current rating must be
greater than the maximum load current and its saturation
current should be at least 30% higher. For highest effi ciency,
the series resistance (DCR) should be less than 0.2Ω.
Table 2 lists several vendors and types that are suitable.
For robust operation at full load and high input voltages
(VIN > 30V), use an inductor with a saturation current
higher than 2.5A.
Table 2. Inductors
PART NUMBER
VALUE
(μH)
IRMS
(A)
DCR
(Ω)
HEIGHT
(mm)
Sumida
CR43-3R3 3.3 1.44 0.086 3.5
CR43-4R7 4.7 1.15 0.109 3.5
CDRH4D16-3R3 3.3 1.1 0.063 1.8
CDRH4D28-3R3 3.3 1.57 0.049 3
CDRH4D28-4R7 4.7 1.32 0.072 3
CDRH5D28-100 10 1.3 0.048 3
CDRH5D28-150 15 1.1 0.076 3
CDRH73-100 10 1.68 0.072 3.4
CDRH73-150 15 1.33 0.13 3.4
Coilcraft
DO1606T-332 3.3 1.3 0.1 2
DO1606T-472 4.7 1.1 0.12 2
DO1608C-332 3.3 2 0.08 2.9
DO1608C-472 4.7 1.5 0.09 2.9
MOS6020-332 3.3 1.8 0.046 2
MOS6020-472 10 1.5 0.05 2
LT3474/LT3474—1
LT3474/LT3474-1
12
3474fd
APPLICATIONS INFORMATION
To maintain output regulation, this peak current must be
less than the LT3474’s switch current limit ILIM. For SW1,
ILIM is at least 1.6A (1.5A at 125°C) at low duty cycles and
decreases linearly to 1.15A (1.08A at 125°C) at DC = 0.8.
The maximum output current is a function of the chosen
inductor value:
IOUT MAX
()
= ILIM ΔIL
2
=1.6A • 1 0.35DC
()
ΔIL
2
Choosing an inductor value so that the ripple current is
small will allow a maximum output current near the switch
current limit.
One approach to choosing the inductor is to start with the
simple rule given above, look at the available inductors,
and choose one to meet cost or space goals. Then use
these equations to check that the LT3474 will be able to
deliver the required output current. Note again that these
equations assume that the inductor current is continuous.
Discontinuous operation occurs when IOUT is less than
ΔIL/2.
Input Capacitor Selection
Bypass the input of the LT3474 circuit with a 2.2μF or
higher ceramic capacitor of X7R or X5R type. A lower
value or a less expensive Y5V type will work if there is
additional bypassing provided by bulk electrolytic capaci-
tors or if the input source impedance is low. The following
paragraphs describe the input capacitor considerations in
more detail.
Step-down regulators draw current from the input sup-
ply in pulses with very fast rise and fall times. The input
capacitor is required to reduce the resulting voltage ripple
at the LT3474 input and to force this switching current into
a tight local loop, minnimizing EMI. The input capacitor
must have low impedance at the switching frequency to
do this effectively, and it must have an adequate ripple
current rating. The RMS input is:
CI
VVV
V
I
INRMS OUT
OUT IN OUT
IN
OUT
=
()
<
2
and is largest when VIN = 2VOUT (50% duty cycle). Con-
sidering that the maximum load current is 1A, RMS ripple
current will always be less than 0.5A
The high switching frequency of the LT3474 reduces the
energy storage requirements of the input capacitor, so that
the capacitance required is less than 10μF. The combination
of small size and low impedance (low equivalent series
resistance or ESR) of ceramic capacitors makes them the
preferred choice. The low ESR results in very low voltage
ripple. Ceramic capacitors can handle larger magnitudes
of ripple current than other capacitor types of the same
value. Use X5R and X7R types.
An alternative to a high value ceramic capacitor is a lower
value ceramic along with a larger electrolytic capaci-
tor. The electrolytic capacitor likely needs to be greater
than 10μF in order to meet the ESR and ripple current
requirements. The input capacitor is likely to see high
surge currents when the input source is applied. Tanta-
lum capacitors can fail due to an over-surge of current.
Only use tantalum capacitors with the appropriate surge
current rating. The manufacturer may also recommend
operation below the rated voltage of the capacitor.
LT3474/ LT3474—1 AIL AIL 3‘ L7 LJUW
LT3474/LT3474-1
13
3474fd
APPLICATIONS INFORMATION
You can estimate output ripple with the following
equation:
VRIPPLE =ΔIL
8•f•C
OUT
()
for ceramic capacitors
where ΔIL is the peak-to-peak ripple current in the inductor.
The RMS content of this ripple is very low so the RMS
current rating of the output capacitor is usually not of
concern. It can be estimated with the formula:
ICRMS
()
=ΔIL
12
The low ESR and small size of ceramic capacitors make
them the preferred type for LT3474 applications. Not all
ceramic capacitors are the same, however. Many of the
higher value capacitors use poor dielectrics with high
temperature and voltage coeffi cients. In particular, Y5V
and Z5U types lose a large fraction of their capacitance
with applied voltage and at temperature extremes.
Because loop stability and transient response depend on
the value of COUT
, this loss may be unacceptable. Use X7R
and X5R types. Table 3 lists several capacitor vendors.
Table 3. Low-ESR Surface Mount Capacitors
VENDOR TYPE SERIES
Taiyo-Yuden Ceramic X5R, X7R
AVX Ceramic X5R, X7R
TDK Ceramic X5R, X7R
A fi nal caution is in order regarding the use of ceramic
capacitors at the input. A ceramic input capacitor can
combine with stray inductance to form a resonant tank
circuit. If power is applied quickly (for example by plugging
the circuit into a live power source), this tank can ring,
doubling the input voltage and damaging the LT3474. The
solution is to either clamp the input voltage or dampen the
tank circuit by adding a lossy capacitor in parallel with the
ceramic capacitor. For details, see Application Note 88.
Output Capacitor Selection
For most LEDs, a 2.2μF 6.3V ceramic capacitor (X5R or
X7R) at the output results in very low output voltage ripple
and good transient response. Other types and values will
also work; the following discusses tradeoffs in output
ripple and transient performance.
The output capacitor fi lters the inductor current to generate
an output with low voltage ripple. It also stores energy in
order to satisfy transient loads and stabilizes the LT3474’s
control loop. Because the LT3474 operates at a high
frequency, minimal output capacitance is necessary. In
addition, the control loop operates well with or without
the presence of output capacitor series resistance (ESR).
Ceramic capacitors, which achieve very low output ripple
and small circuit size, are therefore an option.
LT3474/LT3474—1 L7LJCUEN2
LT3474/LT3474-1
14
3474fd
APPLICATIONS INFORMATION
Diode Selection
The catch diode (D1 from Figure 1) conducts current only
during switch off time. Average forward current in normal
operation can be calculated from:
IIVV
V
DAVG OUT IN OUT
IN
()
=
()
The only reason to consider a diode with a larger current
rating than necessary for nominal operation is for the
worst-case condition of shorted output. The diode cur-
rent will then increase to one half the typical peak switch
current.
Peak reverse voltage is equal to the regulator input voltage.
Use a diode with a reverse voltage rating greater than the
input voltage.
If using the PWM mode of the LT3474, select a diode with
low reverse leakage.
Table 4 lists several Schottky diodes and their
manufacturers.
Table 4. Schottky Diodes
PART NUMBER
VR
(V)
IAVE
(A)
VF at 0.5A
(mV)
VF at 1A
(mV)
On Semiconductor
MBR0520L 20 0.5 385
MBR0540 40 0.5 510 620
MBRM120E 20 1 530
MBRM140 40 1 550
Diodes Inc.
B0530W 30 0.5 430
B120 20 1 500
B130 30 1 500
B140 HB 40 1 530
International Rectifi er
10BQ030 30 1 420
E L7 LJUW LT3474/ LT3474—1 VADJ
LT3474/LT3474-1
15
3474fd
APPLICATIONS INFORMATION
BOOST and BIAS Pin Considerations
The capacitor and internal diode tied to the BOOST pin
generate a voltage that is higher than the input voltage.
In most cases, a 0.22μF capacitor will work well. Figure 4
shows three ways to arrange the boost circuit. The BOOST
pin must be more than 2.5V above the SW pin for full ef-
ciency. For outputs of 2.8V or higher, the standard circuit
(Figure 4a) is best. For lower output voltages, the BIAS pin
can be tied to the input (Figure 4b). The circuit in Figure
4a is more effi cient because the BOOST pin current comes
from a lower voltage source. The BIAS pin can be tied to
another source that is at least 3V (Figure 4c). For example,
if a 3.3V source is on whenever the LED is on, the BIAS
pin can be connected to the 3.3V output. For LT3474-1
applications with higher output voltages, an additional
Zener diode may be necessary (Figure 4d) to maintain the
BOOST pin voltage below the absolute maximum. In any
case, be sure that the maximum voltage at the BOOST pin
is both less than 51V and the voltage difference between
the BOOST and SW pins is less than 25V.
Programming LED Current
The LED current can be set by adjusting the voltage on
the VADJ pin. For a 1A LED current, either tie VADJ to REF
or to a 1.25V source. For lower output currents, program
the VADJ using the following formula:
I
LED
=1A • V
ADJ
1.25V
Voltages less than 1.25V can be generated with a voltage
divider from the REF pin, as shown in Figure 5.
Figure 4. Generating the Boost Voltage
REF
V
ADJ
GND
LT3474
3474 F04
R1
R2
Figure 5. Setting VADJ with a Resistor Divider
In order to have accurate LED current, precision resistors
are preferred (1% or better is recommended). Note that
the VADJ pin sources a small amount of bias current, so
use the following formula to choose resistors:
RV
VV
RnA
ADJ
ADJ
2125
150
=
+
.–
BIAS
V
IN
3474 F04c
BOOST
V
IN
V
IN2
> 3V
SW
GND
LT3474
(4c)
V
BOOST
– V
SW
≈ V
IN2
MAX V
BOOST
≈ V
IN2
+ V
IN
MINIMUM VALUE FOR V
IN2
= 3V
V
OUT
C3
BIAS
V
IN
3474 F04b
BOOST
V
IN
SW
GND
LT3474
(4b)
V
BOOST
– V
SW
≈ V
IN
MAX V
BOOST
≈ 2V
IN
V
OUT
C3
BIAS
V
IN
3474 F04a
BOOST
V
IN
SW
GND
LT3474
(4a)
V
BOOST
– V
SW
≈ V
OUT
MAX V
BOOST
≈ V
IN
+ V
OUT
V
OUT
C3
BIAS
V
IN
3474 F04d
BOOST
V
IN
SW
GND
LT3474
(4d)
V
BOOST
– V
SW
≈ V
OUT
–V
Z
MAX V
BOOST
≈ V
IN
+ V
OUT
–V
Z
V
OUT
C3
LT3474/LT3474—1 L7LJCUEN2
LT3474/LT3474-1
16
3474fd
APPLICATIONS INFORMATION
To minimize the error from variations in VADJ pin current,
use resistors with a parallel resistance of less than 4k. Use
resistors with a series resistance of 5.11k or greater so as
not to exceed the 250μA current limit on the REF pin.
Dimming Control
There are several different types of dimming control cir-
cuits. One dimming control circuit (Figure 6) changes the
voltage on the VADJ pin by tying a low on-resistance FET to
the resistor divider string. This allows the selection of two
different LED currents. For reliable operation, program an
LED current of no less than 35mA. The maximum current
dimming ratio (IRATIO) can be calculated from the maxi-
mum LED current (IMAX) and the minimum LED current
(IMIN) as follows:
I
II
MAX
MIN
RATIO
=
Another dimming control circuit (Figure 7) uses the PWM
pin and an external NFET tied to the cathode of the LED.
When the PWM signal goes low, the NFET turns off, turn-
ing off the LED and leaving the output capacitor charged.
The PWM pin is pulled low as well, which disconnects the
VC pin, storing the voltage in the capacitor tied there. Use
the C-RC string (tied to the VC pin) shown in Figure 7 for
proper operation during start-up. When the PWM pin goes
high again, the LED current returns rapidly to its previous
on state since the compensation and output capacitors are
at the correct voltage. This fast settling time allows The
LT3474 to maintain diode current regulation with PWM
pulse widths as short as 40μs. If the NFET is omitted and
the cathode of the LED is instead tied to GND, use PWM
pulse widths of 1ms or greater. The maximmum PWM
dimming ratio (PWMRATIO) can be calculated from the
maximum PWM period (tMAX) and minimum PWM pulse
width (tMIN) as follows:
t
tPWM
MAX
MIN
RATIO
=
Total dimming ratio (DIMRATIO) is the product of the PWM
dimming ratio and the current dimming ratio.
Example: IMAX = 1A, IMIN = 0.1A, tMAX = 12ms, tMIN = 40μs
IRATIO =1A
0.1A =10:1
PWMRATIO =12ms
40μs=300:1
DIMRATIO =10 •300 =3000:1
REF
V
ADJ
GND
LT3474
3474 F05
R1
R2
DIM
Figure 6. Dimming with an NFET and Resistor Divider
PWM
LED
10k3.3nF
GND
LT3474
3474 F06
PWM
60Hz TO
10kHz
0.1μF
Figure 7. Dimming Using PWM Signal
L7 LJUW m flflflflflflflfl —o 008 008 00% 22A uuuuuuuu J. an» T —' ¢¢ ¢¢ g -H- i i :T: T: 4> LT3474/ LT3474—1
LT3474/LT3474-1
17
3474fd
APPLICATIONS INFORMATION
LED Voltage Range
The LT3474 can drive LED voltages from 2.4V to 12V. The
LT3474-1 can drive LED voltages from 2.4V to 30V. Be
careful not to exceed the ABSMAX rating of the OUT, LED,
or BOOST pins of the LT3474-1 since the internal output
clamp is disabled. See the Typical Application section for
an example of adding an external output clamp. If the
LED voltage can drift below 2.4V due to temperature or
component variation, add extra series resistance to bring
the overall voltage above 2.4V.
Layout Hints
As with all switching regulators, careful attention must
be paid to the PCB layout and component placement. To
maximize effi ciency, switch rise and fall times are made
V
IN
GND
SHDNPWM
VIA TO LOCAL GND PLANE
VIA TO OUT
Figure 8. Recommended Component Placement
as short as possible. To prevent electromagnetic interfer-
ence (EMI) problems, proper layout of the high frequency
switching path is essential. The voltage signal of the SW
and BOOST pins have sharp rise and fall edges. Minimize
the area of all traces connected to the BOOST and SW
pins and always use a ground plane under the switching
regulator to minimize interplane coupling. In addition, the
ground connection for frequency setting resistor RT (refer
to Figure 1) should be tied directly to the GND pin and
not shared with any other component, ensuring a clean,
noise-free connection.
LT3474/LT3474—1 I: 1 7 g J— :: i T %: TIC T m Io 03 X5R 0R X7R 2 L7Hfl§fl§
LT3474/LT3474-1
18
3474fd
V
IN
BIAS
OUT
LED
PWM
LED1
LT3474
C4
0.1μF
V
IN
12V TO
36V
C2
2.2μF
10V
1A
LED
CURRENT
C3
0.22μF
10V
D1
L1
10μH
3474 TA02
R1
33.2k
SHDN
REF
BOOST
SW
V
ADJ
R
T
V
C
GND
C1
2.2μF
50V
LED2
D1: MBRM 140
C1 TO C3: X5R OR X7R
LED CURRENT (mA)
0
EFFICIENCY (%)
70
75
80
600 1000
3474 G01
65
60
55 200 400 800
85
90
95
V
IN
= 12V
V
IN
= 24V
VIN
BIAS
OUT
PWM
LED
LED1
M1
D1
LT3474
C4
3.3nF
VIN
6V TO 36V
C2
2.2μF
6.3V
C3
0.22μF
6.3V
L1
10μH
3474 TA01
R1
80.6k
R2
10k
C5
0.1μF
PWM
SHDN
REF
BOOST
SW
VADJ
RT
VC
GND
C1
2.2μF
50V
D1: B140HB
C1 TO C3: X5R OR X7R
M1: Si2302ADS
ILED1
500mA/DIV
V(PWM)
5V/DIV
1ms/DIV
Ef ciency, Two LED Output
LED Current in PWM Mode
Step-Down 1A LED Driver with PWM Dimming
Step-Down 1A LED Driver with
Two Series Connected LED Output
TYPICAL APPLICATIONS
LT3474/ LT3474—1 49075“? kfl‘. ’iDJEIEIEIEIIIEI Hgijm’ I + J H H H H H H H H Ti 4307450‘9‘ fl EH4 mg nusiuzn 9‘ E “ fl»\ ‘9 nufiims m957u3n 9 k L7 HUW
LT3474/LT3474-1
19
3474fd
Information furnished by Linear Technology Corporation is believed to be accurate and reliable.
However, no responsibility is assumed for its use. Linear Technology Corporation makes no representa-
tion that the interconnection of its circuits as described herein will not infringe on existing patent rights.
PACKAGE DESCRIPTION
FE Package
16-Lead Plastic TSSOP (4.4mm)
(Reference LTC DWG # 05-08-1663)
Exposed Pad Variation BA
FE16 (BA) TSSOP 0204
0.09 – 0.20
(.0035 – .0079)
0° 8°
0.25
REF
0.50 – 0.75
(.020 – .030)
4.30 – 4.50*
(.169 – .177)
134
5678
10 9
4.90 – 5.10*
(.193 – .201)
16 1514 13 12 11
1.10
(.0433)
MAX
0.05 – 0.15
(.002 – .006)
0.65
(.0256)
BSC
2.74
(.108)
2.74
(.108)
0.195 – 0.30
(.0077 – .0118)
TYP
2
MILLIMETERS
(INCHES) *DIMENSIONS DO NOT INCLUDE MOLD FLASH. MOLD FLASH
SHALL NOT EXCEED 0.150mm (.006") PER SIDE
NOTE:
1. CONTROLLING DIMENSION: MILLIMETERS
2. DIMENSIONS ARE IN
RECOMMENDED SOLDER PAD LAYOUT
3. DRAWING NOT TO SCALE
0.45 ±0.05
0.65 BSC
4.50 ±0.10
6.60 ±0.10
1.05 ±0.10
2.74
(.108)
2.74
(.108)
SEE NOTE 4
4. RECOMMENDED MINIMUM PCB METAL SIZE
FOR EXPOSED PAD ATTACHMENT
6.40
(.252)
BSC
LT3474/LT3474—1 % TJ |._14J -—||- H ||-—|4-l4-|4-|4— L7LJCUEN2
LT3474/LT3474-1
20
3474fd
Linear Technology Corporation
1630 McCarthy Blvd., Milpitas, CA 95035-7417
(408) 432-1900 FAX: (408) 434-0507 www.linear.com
© LINEAR TECHNOLOGY CORPORATION 2005
LT 1008 REV D • PRINTED IN USA
RELATED PARTS
TYPICAL APPLICATION
PART NUMBER DESCRIPTION COMMENTS
LT1618 Constant Current, 1.4MHz, 1.5A Boost Converter VIN: 1.6V to 18V, VOUT(MAX) = 36V, IQ = 1.8mA, ISD = <1μA,
MS10 Package
LT1766 60V, 1.2A (IOUT), 200kHz, High Ef ciency Step-Down DC/DC Converter VIN: 5.5V to 60V, VOUT(MAX) = 1.20V, IQ = 2.5mA, ISD = 25μA,
TSSOP16/E Packages
LT1956 60V, 1.2A (IOUT), 500kHz, High Ef ciency Step-Down DC/DC Converter VIN: 5.5V to 60V, VOUT(MAX) = 1.20V, IQ = 2.5mA, ISD = 25μA,
TSSOP16/E Packages
LT1961 1.5A (ISW), 1.25MHz, High Ef ciency Step-Up DC/DC Converter VIN: 3V to 25V, VOUT(MAX) = 35V, IQ = 0.9mA, ISD = 6μA,
MS8E Package
LT1976/LT1977 60V, 1.2A (IOUT), 200kHz/500kHz, High Ef ciency Step-Down
DC/DC Converters with BurstMode
®
Operation
VIN: 3.3V to 60V, VOUT(MAX) = 1.20V, IQ = 10A, ISD = <1μA,
TSSOP16E Package
LT3430/LT3431 60V, 2.5A (IOUT), 200kHz, High Ef ciency Step-Down DC/DC Converters VIN: 5.5V to 60V, VOUT(MAX) = 1.20V, IQ = 2.5μA,
ISD = <25μA, TSSOP16/E Packages
LT3433 60V, 400mA (IOUT), 200kHz, High Ef ciency Step-Up/Step-Down
DC/DC Converters with Burst Mode Operation
VIN: 4V to 60V, VOUT: 3.3V to 20V, IQ = 100μA,
ISD = <1μA, TSSOP16E Package
LT3434/LT3435 60V, 2.5A (IOUT), 200kHz/500kHz, High Ef ciency Step-Down
DC/DC Converters with Burst Mode Operation
VIN: 3.3V to 60V, VOUT(MAX) = 1.20V, IQ = 10A, ISD = <1μA,
TSSOP16E Package
LTC3453 1MHz, 800mA Synchronous Buck-Boost High Power LED Driver VIN: 2.7V to 5.5V, VOUT(MAX) = 5.5V, IQ = 2.5mA, ISD = <6μA,
QFN Package
LT3467/LT3467A 1.1A (ISW), 1.3MHz/2.1MHz, High Ef ciency Step-Up DC/DC Converters
with Integrated Soft-Start
VIN: 2.4V to 16V, VOUT(MAX) = 40V, IQ = 1.2mA, ISD = <1μA,
ThinSOT™ Package
LT3477 3A, 42V, 3MHz Step-Up Regulator with Dual Rail to Rail Current Sense VIN: 2.5V to 2.5V, VOUT(MAX) = 40V, IQ = 5mA, ISD = <1μA,
QFN, TSSOP16E Packages
LT3479 3A, Full Featured DC/DC Converter with Soft-Start and Inrush
Current Protection
VIN: 2.5V to 24V, VOUT(MAX) = 40V, IQ = 6.5mA, ISD = <1μA,
DFN and TSSOP Packages
Burst Mode is a registered trademark of Linear Technology Corporation.
ThinSOT is a trademark of Linear Technology Corporation.
V
IN
BIAS
OUT
LED
PWM
LT3474-1
C4
0.1μF
V
IN
21V TO
36V
C2
2.2μF
25V R2
10k
R3
100k
1A LED
CURRENT
f
SW
= 500kHz
12V TO 18V
LED VOLTAGE
C3
0.22μF
16V
D1
D3
Q1
D2
L1
47μH
3474 TA02a
R1
80.6k
SHDN
REF
BOOST
SW
V
ADJ
R
T
V
C
GND
C1
2.2μF
50V
D1: MBRM 140
D2: 7.5V Zener Diode
D3: 22V Zener Diode
Q1: MMBT3904
C1 TO C3: X5R OR X7R
Step-Down 1A LED Driver with Four Series Connected LED Output