Scheda tecnica TPS2492,93 di Texas Instruments

I TEXAS INSTRUMENTS
VDS - Drain-to-Source Voltage - V
0.1
1
10
1000
ID- Drain-to-Source Current - A
DRAIN-TO-SOURCE CURRENT
vs
DRAIN-TO-SOURCE VOLTAGE
1 10 100 1000
100
Programmed SOA 10 ms
10 ms
1 ms
100 ms
Operation in the gray area is limited by RDS(on)
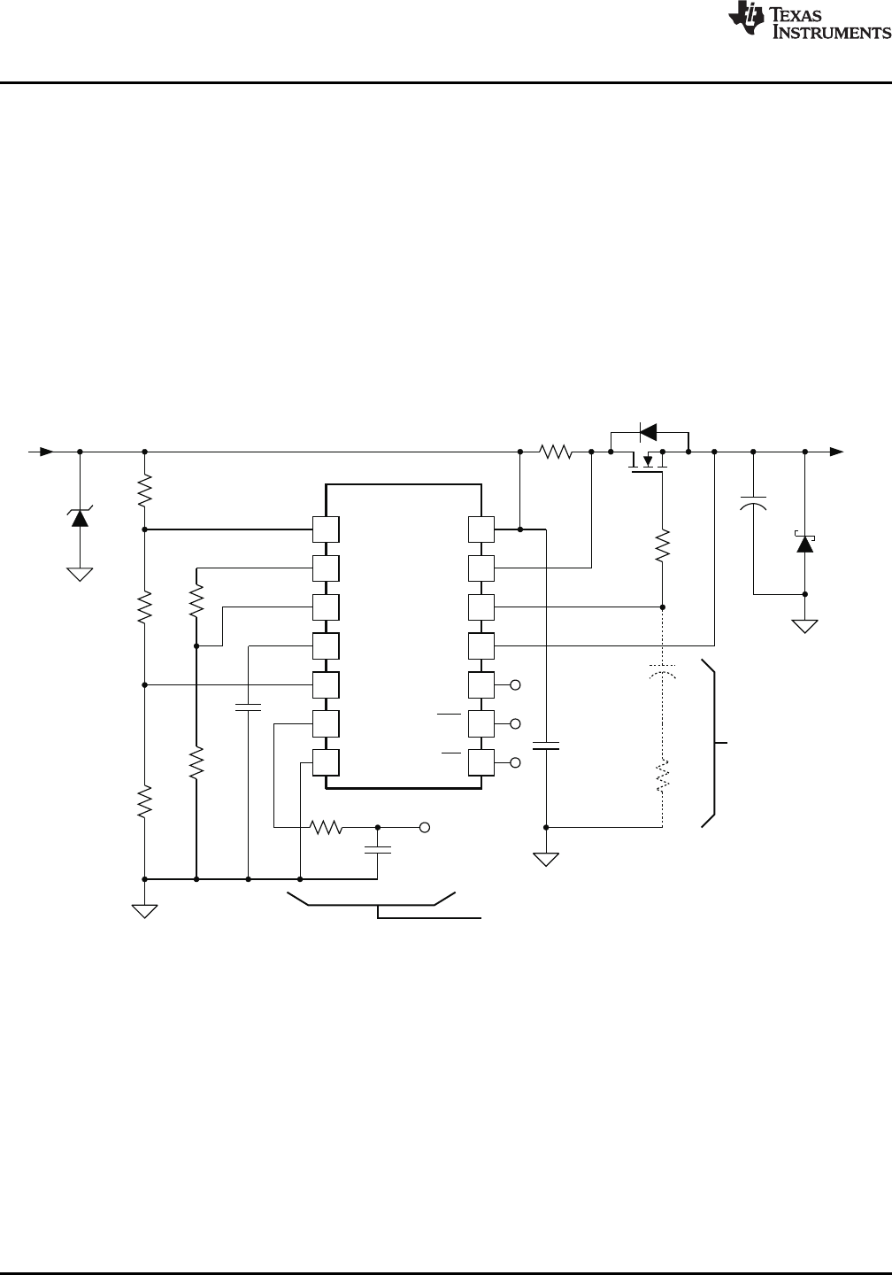
1 UVEN
VCC
14
RSENSE
0.01 W
13
RGATE
10 W
12 11
R1
R2
3 2 7 4
9
8
6
R4
41.2 kW
5
R5
8.25 kW
CT
0.068 mF
470 kW
470 kW
SENSE GATE OUT
FLT
PG
IMON
TIMERGNDVREFPROGOV
TPS2492/93
VLOGIC
VOUT
R3
M1
VIN
C1
D1
PLIM = 34 W
ILIM = 5 A
Timeout = 10 ms
co
TPS2492
TPS2493
www.ti.com
SLUSA65C –JULY 2010REVISED JANUARY 2013
Positive High-Voltage Power-Limiting Hotswap Controller
With Analog Current Monitor Output
Check for Samples: TPS2492 ,TPS2493
1FEATURES DESCRIPTION
9-V to 80-V Operation The TPS2492 and TPS2493 are easy-to-use, positive
High-Side Drive for External N-FET high voltage, 14-pin Hotswap Controllers that safely
Programmable FET Power Limit drive an external N-channel FET to control load
current. The programmable power foldback protection
Programmable Load Current Limit ensures that the external FET operates inside its safe
Programmable Fault Timer operating area (SOA) during overload conditions by
Load Current Monitor Output controlling of power dissipation. The programmable
current limit and fault timer ensure the supply,
Power Good and Fault Outputs external FET, and load are not harmed by
Enable/UV, OV Inputs overcurrent. Features include inrush current limiting,
Latch or Auto Restart After Fault controlled load turn-on, interfacing to down-stream
EVM Available SLUU425 DC-to-DC converters, and power feed protection.
Calculation Tool Available SLVC033 The analog current monitor output provides a signal
ready for sampling with an external A/D converter.
APPLICATIONS Additional features include programmable overvoltage
Server Backplanes and undervoltage shutdown, power-good for
coordinating loads with inrush, and a fault indicator to
Storage Area Networks (SAN) indicate an over-current shutdown.
Medical Systems
Plug-in Modules
Base Stations
Typical Application Circuit
1
Please be aware that an important notice concerning availability, standard warranty, and use in critical applications of
Texas Instruments semiconductor products and disclaimers thereto appears at the end of this data sheet.
PRODUCTION DATA information is current as of publication date. Copyright © 2010–2013, Texas Instruments Incorporated
Products conform to specifications per the terms of the Texas
Instruments standard warranty. Production processing does not
necessarily include testing of all parameters.
l TEXAS INSTRUMENTS
TPS2492
TPS2493
SLUSA65C –JULY 2010REVISED JANUARY 2013
www.ti.com
PRODUCT INFORMATION(1)
TEMPERATURE FUNCTION PACKAGE PART NUMBER
Latched TPS2492PW
-40°C to 125°C PW14
Retry TPS2493PW
(1) For the most current package and ordering information, see the Package Option Addendum at the end of this document, or visit the
device product folder on www.ti.com.
ABSOLUTE MAXIMUM RATINGS(1)
over recommended TJand voltages with respect to GND (unless otherwise noted)
VALUE UNIT
VCC, SENSE, UVEN, OUT -0.3 to 100
Input voltage range
PROG, OV -0.3 to 6
VCC – SENSE Differential voltage -1.5 to 1.5 V
GATE, PG, FLT -0.3 to 100
Output voltage range
TIMER, VREF, IMON -0.3 to 6
PG, FLT 10
Sink current
PROG 2 mA
VREF Source current 2
HBM 2
ESD rating kV
CDM 0.5
(1) Stresses beyond those listed under absolute maximum ratings may cause permanent damage to the device. These are stress ratings
only, and functional operation of the device at these or any other conditions beyond those indicated under recommended operating
conditions is not implied. Exposure to absolute-maximum-rated conditions for extended periods may affect device reliability.
THERMAL INFORMATION
THERMAL METRIC(1) VALUE UNITS
θJA Junction-to-ambient thermal resistance(2) 116.4
θJB Junction-to-board thermal resistance(3) 53.8 °C/W
ψJT Junction-to-top characterization parameter(4) 1.4
ψJB Junction-to-board characterization parameter(5) 58.8
(1) For more information about traditional and new thermal metrics, see the IC Package Thermal Metrics application report, SPRA953.
(2) The junction-to-ambient thermal resistance under natural convection is obtained in a simulation on a JEDEC-standard, high-K board, as
specified in JESD51-7, in an environment described in JESD51-2a.
(3) The junction-to-board thermal resistance is obtained by simulating in an environment with a ring cold plate fixture to control the PCB
temperature, as described in JESD51-8.
(4) The junction-to-top characterization parameter, ψJT, estimates the junction temperature of a device in a real system and is extracted
from the simulation data for obtaining θJA, using a procedure described in JESD51-2a (sections 6 and 7).
(5) The junction-to-board characterization parameter, ψJB, estimates the junction temperature of a device in a real system and is extracted
from the simulation data for obtaining θJA , using a procedure described in JESD51-2a (sections 6 and 7).
RECOMMENDED OPERATING CONDITIONS
over recommended TJand voltages with respect to GND (unless otherwise noted)
MIN NOM MAX UNIT
VCC 9 80
Input voltage range V
PROG 0.4 4
Sourcing current 0 1 mA
VREF capacitive loading 0 1000 pF
IMON Sourcing current 1.9 mA
TJJunction operating temperature -40 125 °C
2Submit Documentation Feedback Copyright © 2010–2013, Texas Instruments Incorporated
Product Folder Links: TPS2492 TPS2493
l TEXAS INSTRUMENTS
TPS2492
TPS2493
www.ti.com
SLUSA65C –JULY 2010REVISED JANUARY 2013
ELECTRICAL CHARACTERISTICS
9 V VVCC 80 V, -40°C TJ125°C, VTIMER = 0 V and all outputs unloaded. Typical specification are at TJ= 25°C, VVCC =
48 V (unless otherwise noted)
PARAMETER TEST CONDITIONS MIN TYP MAX UNIT
Supply Current (VCC)
IVCC Enabled VUVEN = Hi, VSENSE = VOUT = VVCC 665 1000 µA
IVCC Disabled VUVEN = Lo, VSENSE = VVCC, VOUT = 0 120 250
Input Supply UVLO (VCC)
VVCC turn on Rising 8.4 8.8 V
Hysteresis 50 100 150 mV
Current Sense Input (SENSE)
ISENSE Input bias current VSENSE = VOUT = VVCC 7.5 20 µA
Reference Voltage Output (VREF)
VREF Reference voltage 0 IVREF 1 mA 3.9 4 4.1 V
Power Limiting Input (PROG)
Input bias current; device
IPROG 0.4 VPROG 4 V VUVEN = 48 V 5 µA
enabled; sourcing or sinking
Pull down resistance; device
RPROG IPROG = 200 µA; VUVEN = 0 V 375 600 Ω
disabled
Power Limiting and Current Limiting (SENSE)
VPROG = 2.4 V; VOUT = 0 V; VVCC = 48 V 17 25 33
Current limit threshold V(VCC-
SENSE) with power limiting trip VPROG = 0.9 V; VOUT = 30 V; VVCC = 48 V 17 25 33 mV
Current limit threshold V(VCC- VPROG = 4 V; VSENSE = VOUT 45 50 55
SENSE) without power limiting trip
VPROG = 4 V; VOUT = VSENSE; V(VCC-SENSE): 0
Large overload response time to
tF_TRIP rising to 200 mV; C(GATE-OUT) = 2 nF; V(GATE- 1.2 µs
GATE low OUT) = 1 V
TIMER Operation (TIMER)
VTIMER = 0 V 17 27 36
ISOURCE TIMER source current VTIMER = 0 V; TJ= 25°C 22 27 32 µA
VTIMER = 5 V 1.5 2.7 3.7
ISINK TIMER sink current VTIMER = 5 V; TJ= 25°C 2.1 2.7 3.1
TIMER upper threshold 3.9 4 0 4.1
VTIMER V
TIMER lower reset threshold TPS2492 only 0.96 1.00 1.04
DRETRY Fault retry duty cycle TPS2493 only 0.5 0.75 1 %
Fault Indicator Output (FLT)
IFLT = 2 mA 0.1 0.25
Low voltage (sinking) V
IFLT = 4 mA 0.25 0.5
ILEAKAGE Leakage current FLT high impedance 10 µA
Under-Voltage and Enable Input (UVEN)
VUVEN_H UVEN rising 1.31 1.35 1.39 V
Threshold voltage Hysteresis 80 100 120 mV
Leakage current VUVEN = 48 V 1 µA
Copyright © 2010–2013, Texas Instruments Incorporated Submit Documentation Feedback 3
Product Folder Links: TPS2492 TPS2493
l TEXAS INSTRUMENTS
TPS2492
TPS2493
SLUSA65C –JULY 2010REVISED JANUARY 2013
www.ti.com
ELECTRICAL CHARACTERISTICS (continued)
9 V VVCC 80 V, -40°C TJ125°C, VTIMER = 0 V and all outputs unloaded. Typical specification are at TJ= 25°C, VVCC =
48 V (unless otherwise noted)
PARAMETER TEST CONDITIONS MIN TYP MAX UNIT
Gate Drive Output (GATE)
GATE sourcing current VSENSE = VVCC; V(GATE-OUT) = 7 V; VUVEN = Hi 15 22 35 µA
VUVEN = Lo; VGATE = VVCC 1.8 2.4 2.8
IGATE GATE sinking current mA
VUVEN = Hi; VGATE = VVCC; VVCC- VSENSE =75 125 250
200 mV
VUVEN = Hi, VCC = SENSE = OUT, measure
VGATE GATE output 12 16 V
VGATE -VOUT
Propagation delay: UVEN going VUVEN = 0 2.5 V, 50% of VUVEN to 50% of
tD_ON 25 40
high to GATE output high VGATE, VOUT = VVCC, R(GATE-OUT) = 1 MΩ
VUVEN = 2.5 V 0 V, 50% of VUVEN to 50%
Propagation delay: UVEN going
tD_OFF of VGATE, VOUT = VVCC, R(GATE-OUT) = 1 MΩ, 0.5 1
low to GATE output low µs
tFALL < 0.1 µs
VTIMER: 0 5 V, tRISE < 0.1 µs. 50% of
Propagation delay: TIMER expires
tD_FAULT VTIMER to 50% of VGATE, VOUT = VCC , 0.8 1
to GATE output low R(GATE-OUT) = 1 MΩ,
Power Good Output (PG)
IPG = 2 mA 0.1 0.25
Low voltage (sinking) IPG = 4 mA 0.25 0.5
PG threshold voltage; VOUT rising; VSENSE = VVCC; measure V(VCC-OUT) 0.8 1.25 1.7
PG goes low V
PG threshold voltage; VOUT VSENSE = VVCC; measure V(VCC-OUT) 2.2 2.7 3.2
falling; PG goes open drain
PG threshold hysteresis voltage; VSENSE = VVCC 1.4
V(SENSE-OUT)
PG deglitch delay; detection to
tDPG VSENSE = VVCC 5 9 15 ms
output; rising and falling edges
ILEAKAGE Leakage current; PG false open drain 10 µA
Overvoltage Input (OV)
VOV_H OV rising 1.31 1.35 1.39 V
Threshold voltage Hysteresis 70 90 110 mV
ILEAKAGE Leakage current (sinking) VOV = 5 V 1 µA
tOFF Turn off time VOV = 0 2.5 V to VGS < 1 V, CGATE = 2 nF 2
µs
Maximum duration of OV strong Gate pull down 40 100 220
pull down
Output Voltage Feedback (OUT)
VOUT = VVCC, VUVEN = Hi; sinking 8 20
IOUT Bias current µA
VOUT = GND; VUVEN = Lo; sourcing 18 40
Load Current Monitor (IMON) Output
Maximum output voltage VCC – VSENSE = 200 mV 2.6 2.8 3 V
ISOURCE Source current 1.9 mA
ISINK Sink current 60 µA
Gain (VIMON/V(VCC-SENSE)) 46 48 50 V/V
VOFFSET Offset voltage -50 -5 30 mV
Error relative to curve fit, 5 mV < (VCC
Linearity(1) 0.3%
VSENSE )
Output Ripple(1) 8 mVPP
(1) These parameters are provided for reference only, and do not constitute part of TI's published device specifications for purposes of TI's
product warranty.
4Submit Documentation Feedback Copyright © 2010–2013, Texas Instruments Incorporated
Product Folder Links: TPS2492 TPS2493
3
5
+
1+
+
7
S
S
13
14
ENABLE
4 V REF 2
POR
ENABLE
+
Fault
Logic 4 V
1 V
4
9
8
9-ms Deglitch
+
2.7 V
1.25 V
6
11
+
12
Constant
Power
Engine
25 mA
2.5 mA
14 V
22 mA
2 mA
8.4 V
8.3 V
1.35 V
1.25 V
1.35 V
1.26 V
+
+
TIMER
FLT
PG
IMON
OUT
GATE
VREF
VCC
PROG
SENSE
GND
UVEN
OV
50 mV
Charge
Pump
UVLO
AV= 48
TPS2492
TPS2493
www.ti.com
SLUSA65C –JULY 2010REVISED JANUARY 2013
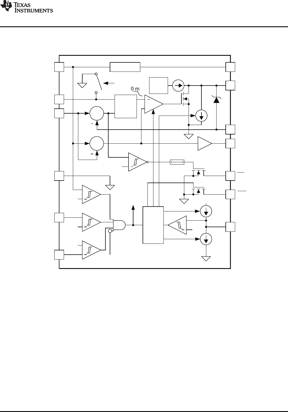
DEVICE INFORMATION
Functional Block Diagram
Copyright © 2010–2013, Texas Instruments Incorporated Submit Documentation Feedback 5
Product Folder Links: TPS2492 TPS2493
‘5‘ TEXAS INSTRUMENTS i _ 33:33:: O _|__|_E_|_E_|__|_
UVEN 1
2
3
4
5
6
7
14
13
12
11
10
9
8
VREF
PROG
TIMER
OV
IMON
GND
VCC
SENSE
GATE
OUT
NC
FLT
PG
PW PACKAGE
(top view)
TPS2492
TPS2493
SLUSA65C –JULY 2010REVISED JANUARY 2013
www.ti.com
TERMINAL FUNCTIONS
TERMINAL I/O DESCRIPTION
NAME NO.
UVEN 1 I A low input inhibits GATE. A logic input can drive this pin as an enable.
VREF 2 O 4-V reference voltage used to set the power threshold on PROG pin.
PROG 3 I FET power-limit programming pin
TIMER 4 I/O A capacitor from TIMER to ground sets the fault timer period.
OV 5 I Overvoltage sensing input. A high input inhibits GATE.
IMON 6 O Current monitor output, nominally VIMON = 48 x (VVCC-SENSE).
GND 7 PWR Ground
PG 8 O Active low power good output. This is driven by VVCC-SENSE.
Active low fault indicator output. FLT indicates the fault timer has expired. FLT is
FLT 9 O reset by UVEN, UVLO, or automatic restart.
NC 10 No connect
FET source voltage (output) sensing pin. Gate is clamped to a diode drop below
OUT 11 I OUT.
GATE 12 O Gate driver output for external FET.
Current sensed as VVCC-SENSE and the FET VDS as VSENSE-OUT. For low FET VDS,
SENSE 13 I current limits at 50mV.
VCC 14 I Input supply and current sense positive input
6Submit Documentation Feedback Copyright © 2010–2013, Texas Instruments Incorporated
Product Folder Links: TPS2492 TPS2493
l TEXAS INSTRUMENTS
LIM
SENSE
50mV
I
R
=
TPS2492
TPS2493
www.ti.com
SLUSA65C –JULY 2010REVISED JANUARY 2013
DETAILED PIN DESCRIPTION
The following description relies on the Typical Application Diagram shown on page 1, and the Functional Block
Diagram.
VCC: This pin is associated with three functions:
1. Biasing power to the integrated circuit,
2. Input to power on reset (POR) and under-voltage lockout (UVLO) functions, and
3. Voltage sense at one terminal of RSENSE for M1 current measurement.
The voltage must exceed the POR (about 6 V for roughly 400 µs) and the internal UVLO (about 8 V) before
normal operation (driving the GATE) may begin. Connections to VCC should be designed to minimize RSENSE
voltage sensing errors and to maximize the effect of C1 and D1; place C1 at RSENSE rather than at the device pin
to eliminate transient sensing errors. GATE, PROG, and TIMER are held low when either UVLO or POR are
active. PG and FLT are open drain when either UVLO or POR are active.
SENSE: Monitors the voltage at the drain of M1, and the downstream side of RSENSE providing the constant
power limit engine with feedback of both M1 current (ID) and voltage (VDS). Voltage is determined by the
difference between SENSE and OUT, while the current analog is the voltage difference between VCC and
SENSE. The constant power engine uses VDS to compute the allowed IDand is clamped to 50 mV, acting like a
traditional current limit at low VDS. The current limit is set by the following equation:
(1)
Design the connections to SENSE to minimize RSENSE voltage sensing errors. Don't drive SENSE to a large
voltage difference from VCC because it is internally clamped to VCC. The current limit function can be disabled
by connecting SENSE to VCC.
GATE: Provides the high side (above VCC) gate drive for external N-channel FET. It is controlled by the internal
gate drive amplifier, which provides a pull-up of 22 µA from an internal charge pump and both strong (125 mA)
and weak (2 mA) pull-downs to ground. The strong pull down is triggered by an overvoltage on the OV pin or
large overcurrent to the load. The strong pull-down current is a non-linear function of the gate amplifier overdrive;
it provides small drive for small overloads, but large overdrive for fast reaction to an output short. There is a
separate pull-down of 2 mA to shut the MOSFET off when UVEN or UVLO cause this to happen. If an output
short causes the VCC to fall below the UVLO, the turnoff speed will be limited by the 2mA turnoff current. An
internal clamp protects the gate of the FET (to OUT).
OUT: This input pin is used by the constant power engine and the PG comparator to measure VDS of M1 as
V(SENSE-OUT). Internal protection circuits leak a small current from this pin when it is low. If the load circuit can
drive OUT below ground, connect a clamp (or freewheel) diode from OUT (cathode) to GND (anode). The diode
should clamp the output above -1 V during the transient.
UVEN: The positive threshold of UVEN must be exceeded before the GATE driver is enabled. If the UVEN pin
drops below the UVEN negative threshold while the GATE driver is enabled, the GATE driver will be pulled to
GND by the 2-mA pull down. UVEN can be used as a logic control input, an analog input voltage monitor as
illustrated by R1, R2 and R3 in the Typical Application Circuit, or it can be tied to VCC to always enable the
TPS2492/3. The hysteresis associated with the internal comparator makes this a stable method of detecting a
low input condition and shutting the downstream circuits off. A TPS2492 that has latched off can be reset by
cycling UVEN below its negative threshold and back high.
Copyright © 2010–2013, Texas Instruments Incorporated Submit Documentation Feedback 7
Product Folder Links: TPS2492 TPS2493
l TEXAS INSTRUMENTS
J(MAX) S(MAX)
LIM
JC(MAX)
T T
PRQ
-
<
LIM
PROG
LIM
P
V
10 I
=
´
TPS2492
TPS2493
SLUSA65C –JULY 2010REVISED JANUARY 2013
www.ti.com
VREF: Provides a 4.0-V reference voltage for use in conjunction with R4/R5 of the Typical Application Circuit to
set the voltage on the PROG pin. The reference voltage is available once the internal POR and UVLO thresholds
have been met. It is not designed as a supply voltage for other circuitry, therefore ensure that no more than 1 mA
is drawn. Bypass capacitance is not required, but if a special application requires one, less than 1000 pF can be
placed on this pin. This limit maintains VREG regulator stability.
PROG: The voltage applied to this pin (0.4 V minimum) programs the power limit used by the constant power
engine. Normally, a resistor divider R4/R5 is connected from VREF to PROG to set the power limit according to
the following equation:
(2)
where PLIM is the desired power limit of M1 and ILIM is the current limit set point (see SENSE). PLIM is determined
by the desired thermal stress on M1:
(3)
where TJ(MAX) is the maximum desired transient junction temperature of M1 and TS(MAX) is the maximum case
temperature prior to a start or restart. VPROG is used in conjunction with VDS to compute the (scaled) current,
ID_ALLOWED, by the constant power engine. ID_ALLOWED is compared by the gate amplifier to the actual ID, and used
to generate a gate drive. If ID< ID_ALLOWED, the amplifier turns the gate of M1 full on because there is no overload
condition; otherwise GATE is regulated to maintain the ID= ID_ALLOWED relationship.
A capacitor may be tied from PROG to ground to alter the natural constant power inrush current shape. If
properly designed, the effect is to cause the leading step of current in Figure 13 to look like a ramp. It is not
recommended that this mechanism be used to achieve a long and low ramp inrush current because the power
limiting accuracy is lower at VPROG < 0.4 V. PROG is internally pulled to ground whenever UVEN, POR, or UVLO
are not satisfied or the TPS2492 is latched off. This feature serves to discharge any capacitance connected to
the pin. Do not apply voltages greater than 4 V to PROG. If the constant power limit is not used, PROG should
be tied to VREF through a 47-kΩresistor.
TIMER: An integrating capacitor, CT, connected to the TIMER pin sets the fault-time for both versions and the
restart interval for the TPS2493. The timer charges at 27 µA whenever the TPS2492/3 is in power limit or current
limit and discharges at 2.7 µA otherwise. The charge-to-discharge current ratio is constant with temperature even
though there is a positive temperature coefficient to both. If VTIMER reaches 4 V, the TPS2492/3 pulls GATE to
ground (with the strong pull down), and discharges CT. The TPS2492 latches off when the fault timer expires.
The TPS2493 holds GATE at ground when the timer expires before it attempts to restart (re-enable GATE) after
a timing sequence consisting of discharging TIMER down to 1 V followed by 15 more charge and discharge
cycles. Design for the TPS2393 TIMER period must assume a 3-V rise in VTIMER rather than a 4-V rise to
accommodate a restart.
The TPS2492 can be reset by either cycling the UVEN pin or the UVLO (e.g. power cycling). TIMER discharges
when UVEN is low or the internal UVLO or POR are active. The TIMER pin should be tied to ground if this
feature is not used.
8Submit Documentation Feedback Copyright © 2010–2013, Texas Instruments Incorporated
Product Folder Links: TPS2492 TPS2493
l TEXAS INSTRUMENTS
( )
( )
IMON VCC SENSE
VCC SENSE
V Gain V Offset
Linearity(%) 100
Gain V Offset
-
-
é ù
- ´ +
ë û
= ´
é ù
´ +
ë û
TPS2492
TPS2493
www.ti.com
SLUSA65C –JULY 2010REVISED JANUARY 2013
PG: The power good output is an active low, open-drain output intended to interface to downstream DC-to-DC
converters or monitoring circuits. PG goes low after VDS of M1 has fallen to about 1.25 V and a 9-ms deglitch
time period has elapsed. PG is open drain whenever UVEN is low, VDS of M1 is above 2.7 V, or UVLO is active.
PG can also be viewed as having an output voltage monitor function. The 9-ms deglitch circuit operates to filter
short events that could cause PG to go inactive (open drain) such as a momentary overload or input voltage
step. VPG can be greater than VVCC because it’s ESD protection is only with respect to ground. PG may be left
open or tied to GND if not used.
GND: This pin is connected to system ground.
IMON: This current monitor output has a voltage equal to 48 times the voltage across RSENSE (VVCC-SENSE). IMON
is clamped at 2.7 V to prevent damage to downstream A/D circuits. IMON is a voltage output and does not
require a pull up or pull down. IMON will have a small amount of superimposed ripple at 2.5 kHz that is an
artifact of the monitoring circuit. The error due to the ripple does not significantly effect accuracy for signals on
the order of 1 V, but better accuracy may be achieved for small signals with an external R-C filter. The IMON pull
up source is stronger than the pull down. A resistor pull down can be used to improve transient response in
designs with large filter capacitors. Leave IMON open if not used.
A curve of Linearity (%) versus VVCC-SENSE is provided in the Typical Characteristics, providing an indication of
error versus signal level. This curve is constructed by first performing a first order curve fit to VIMON versus VVCC-
SENSE, yielding Gain and Offset terms for the linear fit. The Linearity (%) plot is calculated as:
(4)
FLT: This active low, open drain output asserts (goes low) when the fault timer expires after a prolonged over
current or an OV is detected. FLT is open drain whenever UVEN, POR, or UVLO are not satisfied. FLT is latched
in the TPS2492, clearing when the latch is reset. FLT clears automatically in the TPS2493 when a power-up retry
occurs. VFLT can be greater than VVCC because it's ESD protection is only with respect to ground. FLT may be
left open or tied to GND when not used.
OV: The over-voltage monitoring pin is programed with a resistor divider such as R1 - R3 in the Typical
Application Circuit. This function forces GATE and FLT low while the OV condition exists. While VOV exceeds its
threshold, the strong GATE pull down (125 mA) is applied for up to 100 µs, followed by the 2 mA pull down. The
GATE pull down and FLT are released as soon as the OV condition is cleared. Tie OV to GND if not used.
Copyright © 2010–2013, Texas Instruments Incorporated Submit Documentation Feedback 9
Product Folder Links: TPS2492 TPS2493
l TEXAS INSTRUMENTS T,.:Izs° c n = 25%: /§/ / \\ \\ Vcc
2
2.1
2.2
2.3
2.4
2.5
2.6
9 19 29 39 49 59 69 79
TJ = −405C
TJ = 255C
TJ = 1255C
− Gate Pullup Current (EN = OV) − mA
IGate
VCC − Supply Voltage − V
VCC - Supply Voltage - V
0
200
400
900
ICC - Supply Current - mA
9 79
800
593919
300
600
100
700
500
694929
TJ= 125°C
TJ= 25°C TJ= -40°C
45
46
47
48
49
50
51
52
53
54
55
9 19 29 39 49 59 69 79
TJ = −405C
TJ = 255C
TJ = 1255C
VCC − Supply Voltage − V
− Current Limit Trip − mV
V(VCC − Sense)
TPS2492
TPS2493
SLUSA65C –JULY 2010REVISED JANUARY 2013
www.ti.com
TYPICAL CHARACTERISTICS
SUPPLY CURRENT CURRENT LIMIT TRIP
vs vs
SUPPLY VOLTAGE SUPPLY VOLTAGE
Figure 1. Figure 2.
GATE PULL UP CURRENT GATE PULL DOWN CURRENT(UVEN = 0 V)
vs vs
SUPPLY VOLTAGE SUPPLY VOLTAGE
Figure 3. Figure 4.
10 Submit Documentation Feedback Copyright © 2010–2013, Texas Instruments Incorporated
Product Folder Links: TPS2492 TPS2493
l TEXAS INSTRUMENTS \ \\ /\ \ \ \ \'\‘ \ \{ /\\\ cc Vcc
VCC - Supply Voltage - V
13.2
13.6
13.9
VGATE - Output Voltage - V
9 7919
13.4
13.8
39 59
13.3
13.5
13.7
694929
TJ= 125°C
TJ= 25°C
TJ= -40°C
18
20
22
24
26
28
30
32
9 19 29 39 49 59 69 79
− Timer Pullup Current −
TJ = −405C
TJ = 255C
TJ = 1255C
ITimer Aµ
VCC − Supply Voltage − V
TPS2492
TPS2493
www.ti.com
SLUSA65C –JULY 2010REVISED JANUARY 2013
TYPICAL CHARACTERISTICS (continued)
GATE PULL DOWN CURRENT CURRENT LIMIT RESPONSE TIME
vs vs
SUPPLY VOLTAGE SUPPLY VOLTAGE
(UVEN = 4 V, V(VCC – SENSE) = 200 mV) (UVEN = 4 V, V(VCC – SENSE) = 200 mV)
Figure 5. Figure 6.
GATE OUTPUT VOLTAGE TIMER PULL UP CURRENT
vs vs
SUPPLY VOLTAGE SUPPLY VOLTAGE
Figure 7. Figure 8.
Copyright © 2010–2013, Texas Instruments Incorporated Submit Documentation Feedback 11
Product Folder Links: TPS2492 TPS2493
l TEXAS INSTRUMENTS 'TImer — Charge/Discharge Ralio 5.3a 5.75 5.7a 5.65 TJ =125“C 5.6a Vcc 125m / cc cc ccrstMSE
VCC - Supply Voltage - V
1.345
1.349
1.351
9 7919
1.347
1.350
39 59
1.346
1.348
694929
TJ= 125°C
TJ= 25°C
TJ= -40°C
VUVEN - UVEN Threshold Voltage (Rising) - V
VCC-VSENSE - Supply Voltage - mV
-0.2
0
0.3
0.8
Linearity - %
0 30 40
0.7
6010
0.1
0.5
-0.1
0.6
0.4
5020
0.2
TJ= 125°C
TJ= 25°C
TJ= -40°C
VCC - Supply Voltage - V
1.245
1.251
1.255
VUVEN - UVEN Threshold Voltage (Falling) - V
9 7919
1.248
1.254
39 59
1.246
1.249
1.252
694929
TJ= 125°C
TJ= 25°C
TJ= -40°C
1.253
1.250
1.247
9.60
9.65
9.70
9.75
9.80
9 19 29 39 49 59 69 79
TJ = −405C
TJ = 1255C
TJ = 255C
− Charge/Discharge Ratio
ITimer
VCC − Supply Voltage − V
TPS2492
TPS2493
SLUSA65C –JULY 2010REVISED JANUARY 2013
www.ti.com
TYPICAL CHARACTERISTICS (continued)
TIMER CHARGE/DISCHARGE RATIO UVEN AND OV THRESHOLD VOLTAGE (falling)
vs vs
SUPPLY VOLTAGE AND TEMPERATURE SUPPLY VOLTAGE
Figure 9. Figure 10.
UVEN AND OV THRESHOLD VOLTAGE (rising) LINEARITY
vs vs
SUPPLY VOLTAGE SUPPLY VOLTAGE
Figure 11. Figure 12.
12 Submit Documentation Feedback Copyright © 2010–2013, Texas Instruments Incorporated
Product Folder Links: TPS2492 TPS2493
l TEXAS INSTRUMENTS
TPS2492
TPS2493
www.ti.com
SLUSA65C –JULY 2010REVISED JANUARY 2013
APPLICATION INFORMATION
Basic Operation
The TPS2492/93 features include:
1. Adjustable under-voltage and over-voltage lockout;
2. Turn-on inrush limit;
3. High-side gate drive for an external N-channel FET;
4. FET protection (power limit and current limit);
5. Adjustable overload timeout;
6. Output current monitor;
7. Status output;
8. Charge-complete indicator for downstream converter sequencing; and
9. Optional automatic restart mode.
The TPS2492/93 features power-limiting FET protection that allows independent control of current limit (to set
maximum full-load current), power limit (to keep FET in its safe operating area), and overload time (to control
temperature rise). The power limiting feature controls the V and I across the FET to protect it, and does not
control load power. This protection is a specialized form of foldback output limiting. Given a constant power
dissipation, computation of peak junction temperature is straight forward. The TPS2393 provides a small
operating duty cycle into a short, reducing the average temperature rise of the FET to levels similar to normal
operation in many systems. This prevents overheating and failure with prolonged exposure to an output short.
The typical application circuit, and oscilloscope plots of Figure 13 and Figure 17 demonstrate many of the
functions described above.
Board Plug-In (Figure 13)
Only the bypass capacitor charge current and small bias currents are evident when a board is first plugged in as
seen in Figure 13. The TPS2492/93 is held inactive with GATE, PROG, and TIMER held low, and with PG and
FLT open drain, for less than 1 ms while internal voltages stabilize. Then GATE, PROG, TIMER, FLT and PG are
released and the part begins sourcing current to the GATE pin because UVEN is high and OV is low. The
external FET begins to turn on while the voltage across it, V(SENSE-OUT), and current through it, V(VCC-
SENSE)/RSENSE, are monitored. Current initially rises to the value which satisfies the power limit engine (PLIM/ VVCC)
since the output capacitor was discharged. The shape of the input current waveform shows the operation of the
FET power limit. In this case, the 5-A current limit is never reached as the output reaches full charge. This is
likely due to the limited gate slew rate.
Copyright © 2010–2013, Texas Instruments Incorporated Submit Documentation Feedback 13
Product Folder Links: TPS2492 TPS2493
l TEXAS INSTRUMENTS -. mm m gun. I." my...“ n... -mw... um um a. m— 1 -mm. m w— 1... mm -Iwm 1-D «.m— m mnnv- “nu
TPS2492
TPS2493
SLUSA65C –JULY 2010REVISED JANUARY 2013
www.ti.com
TIMER and PG Operation (Figure 13)
The TIMER pin charges CTas long as limiting action continues, and discharges at a 1/10 charge rate when
limiting stops. If the voltage on CTreaches 4 V before the output is charged, the external FET is turned off and
either a latch-off or restart cycle commences, depending on the part type. The open-drain PG output provides a
deglitched end-of-charge indication which is based on the voltage across the external FET. PG is useful for
preventing a downstream DC-to-DC converter from starting while COis still charging. PG goes active (low) about
9 ms after COis charged. This delay allows the external FET to fully turn on and any transients in the power
circuits to end before the converter starts up. The resistor pull-up shown on pin PG in the Typical Application
Circuit only demonstrates operation; the actual connection to the converter depends on the application. Timing
can appear to terminate early in some designs if operation transitions out of the power limit mode into a gate
charge-rate limited mode at low VDS values. This effect sometimes occurs because gate capacitances, CGD and
CGS, are nonlinear with applied voltage, getting larger at smaller voltage. This can be seen in Figure 13.
Figure 13. Basic Board Insertion
14 Submit Documentation Feedback Copyright © 2010–2013, Texas Instruments Incorporated
Product Folder Links: TPS2492 TPS2493
l TEXAS INSTRUMENTS -m “Hum-wu- m-m mu 5-]...- n—umum. m... -mm. m 5...... n. m... ‘ -a"- m u... ... m... ..m mu- m mum. mm
TPS2492
TPS2493
www.ti.com
SLUSA65C –JULY 2010REVISED JANUARY 2013
Action of the Constant Power Engine (Figure 14)
The calculated power dissipated in the external FET, VDS x ID, is computed under the same startup conditions as
Figure 13. The current of the external FET, labeled IIN, initially rises to the value that satisfies the constant power
engine; in this case it is 25 W / 48 V = 0.52 A. The 25-W value is programmed into the engine by setting the
PROG voltage using R4 and R5. VDS of the external FET, which is calculated as V(SENSE-OUT), falls as CO
charges, thus allowing the external FET drain current to increase. This is the result of the internal constant power
engine adjusting the current limit reference to the GATE amplifier as COcharges and VDS falls. The calculated
device power in Figure 14, labeled POWER, is seen to be reasonably constant within the limitations of circuit
tolerance and acquisition noise. A fixed current limit is implemented by clamping the constant power engine
output to 50 mV when VDS is low. This protection technique can be viewed as a specialized form of foldback
limiting; the benefit over linear foldback is that it yields the maximum output current from a device over the full
range of VDS while still protecting the device.
Figure 14. Computation of the External FET Stress During Startup
Copyright © 2010–2013, Texas Instruments Incorporated Submit Documentation Feedback 15
Product Folder Links: TPS2492 TPS2493
l TEXAS INSTRUMENTS -. u “a...“ wu- -mw~ an: un- .m... m w— .1 arm 1-D mu. \lln Im—mmlm mum: a. m— l u. n mu m unnu- mm
TPS2492
TPS2493
SLUSA65C –JULY 2010REVISED JANUARY 2013
www.ti.com
Response to a Hard Output Short (Figure 15,Figure 16, and Figure 17)
Figure 15 shows the short circuit response over the full time-out period. An output short is applied, causing the
voltage to fall, limiter action begin, and the fault timer to start. The external FET current is actively controlled by
the power limiting engine and gate amplifier circuit while the TIMER pin charges CTto the 4-V threshold. Once
this threshold is reached, the TPS2492/93 turns off the external FET. The TPS2492 latches off until either the
input voltage drops below the UVLO threshold or UVEN cycles through the false (low) state. The TPS2493 will
attempt a restart after going through a timing cycle. Figure 16 demonstrates the operation of FLT during a short
circuit. FLT remains false (open drain) until the TIMER has expired.
Figure 15. Current Limit Overview
16 Submit Documentation Feedback Copyright © 2010–2013, Texas Instruments Incorporated
Product Folder Links: TPS2492 TPS2493
l TEXAS INSTRUMENTS m .0 -..u.. m yu— my." Im—m'J-n a... ‘mw. m gun a... wro— ‘ -mm. m w— a“. n m. -mm. 1-D «.m— m mnnv- «n52
TPS2492
TPS2493
www.ti.com
SLUSA65C –JULY 2010REVISED JANUARY 2013
Figure 16. FLT Operation
Copyright © 2010–2013, Texas Instruments Incorporated Submit Documentation Feedback 17
Product Folder Links: TPS2492 TPS2493
l TEXAS INSTRUMENTS .ngu m wu- \.n 1...... t.»- mm. -mw. m wu- Fm ma. ‘ -mm. m w— u. m— -mm. 1-D mu. m unnu- uuu
TPS2492
TPS2493
SLUSA65C –JULY 2010REVISED JANUARY 2013
www.ti.com
The TPS2492/93 responds rapidly to a short circuit as seen in Figure 17. The falling OUT voltage is the result of
the external FET and COcurrents through the short circuit impedance. The internal GATE clamp causes the
GATE voltage to follow the output voltage down and subsequently limits the negative VGS. The IIN waveform
includes current into an input 47 µF capacitor. M1 drain current has a peak value in excess of the waveform, and
terminates when VGATE approaches VOUT. The rapidly rising fault current overdrives the GATE amplifier causing it
to overshoot and rapidly turn the external FET off by sinking current to ground. At a time beyond the extent of
Figure 17, but within the scope of Figure 15, the FET will be slowly turned back on as the GATE amplifier
recovers. The operating point will settle to the current or power limit, and finally the TIMER will expire and the
FET will turn off.
Limited input voltage overshoot appears in Figure 17 because a local 47-μF bypass capacitor and 1000 μF
distribution capacitor were used. The input voltage overshoots as the input current abruptly drops due to the
stored energy in the input wiring inductance. The exact waveforms seen in an application depend upon many
factors including parasitics of the voltage distribution, circuit layout, and the short itself.
Figure 17. Current Limit Onset
18 Submit Documentation Feedback Copyright © 2010–2013, Texas Instruments Incorporated
Product Folder Links: TPS2492 TPS2493
! TEXAS INSTRUMENTS h m k -m an Imu- m sum- m .101va In mu- In»! W“! l - mun. mu lugs-u 1-w- .ern In uno- m mum-
TPS2492
TPS2493
www.ti.com
SLUSA65C –JULY 2010REVISED JANUARY 2013
Automatic Restart (Figure 18)
The TPS2493 automatically initiates a restart after a fault has caused it to turn off the external FET. Internal
control circuits use CTto count 16 cycles before re-enabling the external FET. This sequence repeats if the fault
persists. TIMER has a 1:10 charge-to-discharge current ratio, and uses a 1-V lower threshold. The fault-retry
duty cycle specification in the Electrical Characteristics Table quantifies this behavior. This small duty cycle often
reduces the average short-circuit power dissipation to levels associated with normal operation and reduces the
need for additional measures such as oversized heatsinking. Figure 18 demonstrates that the initial timing cycle
starts with VTIMER at zero V, subsequent cycles start with VTIMER at 1 V, and a succesful restart occurs after a 16
cycle delay.
Figure 18. TPS2492/93 Restart Cycle Timing
Copyright © 2010–2013, Texas Instruments Incorporated Submit Documentation Feedback 19
Product Folder Links: TPS2492 TPS2493
l TEXAS INSTRUMENTS
1
2
3
4
5
6
7
UVEN
VREF
PROG
TIMER
OV
IMON
GND
14
13
12
11
10
9
8
VCC
SENSE
GATE
OUT
NC
FLT
PG
TPS2492
R1
R2
R3
R4
R5
CT
R6
C2
VIN
RSENSE
C1
RG D2
CO
VOUT
M1
IMON
CG
RCG
Optional
Startup
Method
Optional IMON Filter
D1
TPS2492
TPS2493
SLUSA65C –JULY 2010REVISED JANUARY 2013
www.ti.com
Application Design Example
The following example illustrates the design and component selection process for a TPS2492/93 application.
Figure 19 shows the application circuit for this design example. The requirements of this design are:
Nominal System Voltage: 12 V
Maximum Operating System Voltage: 13.5 V
Overvoltage Threshold: 14.5 V
Undervoltage Threshold: 9.5 V
Steady-state Load Current: 40 A
Load Capacitance: 1000 µF
Maximum Ambient Temperature: 50°C
Maximum Static Junction Temperature 125°C
Maximum Transient Junction Temperature: 150°C
Figure 19. TPS2492/93 Design Example Schematic
20 Submit Documentation Feedback Copyright © 2010–2013, Texas Instruments Incorporated
Product Folder Links: TPS2492 TPS2493
l TEXAS INSTRUMENTS SENSE
J(MAX) A(MAX)
DSON(MAX) J
22
JA LIMIT(NOM)
T T 125°C 50°C
R 3mΩ at T = 125°C
R I 10 (50A)
--
= = =
°
´´
C
W
q
2 2
LIMIT(MAX)
I 55 1 3 025= ´ = ´ W =
RSENSE SENSE
P R A m . W
LIMIT(MAX)
SENSE
55
I 55
R 1mΩ
= = =
SENSE( MAX )
VmV A
SENSE
SENSE
LIMIT
V50mV
R 1.042mΩ
1.2 I 1.2 40A
= = =
´ ´
TPS2492
TPS2493
www.ti.com
SLUSA65C –JULY 2010REVISED JANUARY 2013
1. Choose RSENSE
Calculate RSENSE using a multiplier factor of 1.2 (20%) for VSENSE and RSENSE tolerance along with some
additional margin.
(5)
Choose RSENSE =1m, resulting in a nominal 50 A current limit.
(6)
(7)
Multiple sense resistors in parallel should be considered.
2. Choose M1
Select the M1 VDS rating allowing for maximum input voltage and transients. Then select an operating RDSON,
package, and cooling to control the operating temperature. Most manufacturers list RDSON(MAX) at 25°C and
provide a typical characteristics curve from which values at other temperatures can be derived. The next
equation can be used to estimate desired RDSON(MAX) at the maximum operating junction temperature of TJ(MAX).
(usually 125°C). TA(MAX) is the maximum expected ambient temperature. Assume that a thermal resistance, RθJA
of 10 °C/W can be achieved by reinforcing the typical 40°C/W for a 12inch copper pad with copper on multiple
layers and some airflow.
(8)
Assume that we are able to find a suitable FET with an RDSON of 0.74 mΩat 25°C and 1.18 mΩat 125°C. These
devices are in a package such as a D2PAK with a large copper base and very low RθJC.
The junction-to-ambient thermal resistance, RθJA, depends upon the package style chosen and the details of
heat-sinking and cooling including the PCB layout. Actual “in-system” temperature measurements will be required
to validate thermal performance.
Copyright © 2010–2013, Texas Instruments Incorporated Submit Documentation Feedback 21
Product Folder Links: TPS2492 TPS2493
l TEXAS INSTRUMENTS FROG no
VOUT - Output Voltage - V
0
10
30
60
IOUT - Output Current - A
OUTPUT CURRENT
vs
OUTPUT VOLTAGE (V VCC = 12 V)
12 8 4 0
50
2610
20
40
REF
4 5
PROG
V
R R ( 1) 140.6kΩ
V
= ´ - =
LIM
PROG
LIM
P249
V 0.498V
10 I 10 50
= = =
´ ´
( )
2
J(MAX2) CA LIMIT(NOM) DSON A(MAX)
LIM
C
0.7 T R I R T
P 249
R
é ù
´ - ´ ´ -
ë û
= =
J
W
q
q
TPS2492
TPS2493
SLUSA65C –JULY 2010REVISED JANUARY 2013
www.ti.com
3. Choose the Power Limit PLIM and the PROG Resistors, R4and R5
M1 dissipates large amounts of power during power-up or output short circuit. Power limit, PLIM should be set to
prevent the M1 die temperature from exceeding a short term maximum temperature, TJ(MAX2). Short term TJ(MAX2)
may be set as high as 150°C (specified on FET datasheet) while still leaving ample margin for the typical
manufacturer's rating of 175°C. The R4 and R5 resistors set VPROG, programming the FET power dissipation.
Assume that RθJA is 10 °C/W, RθJC is 0.2 °C/W, and RθCA is 9.8 °C/W for the device we chose above. PLIM can
be estimated as follows:
(9)
Where RθCA is the M1 plus PCB case-to-ambient thermal resistance, RθJC is M1 junction-to-case thermal
resistance, RDSON is M1 channel resistance at the maximum operating temperature, and the factor of 0.7
accounts for the tolerance of the constant power engine. In this case we know that power limit is less than ILIMIT x
VIN and that power limit will control operation during a short circuit.
It is often advantageous to use a transient value of RθJC to get a usable solution, that is a VPROG within the
recommended range. If a current/power limited startup is used, transient RθJC should be based on the TIMER
period (see below). FET manufacturers typically provide transient thermal resistance in graphic format on their
datasheet. Additional information can be found in SLVA158.
The following equations calculate VPROG and R4 using an assumed R5= 20 k.
(10)
(11)
Choose R4= 140 k. The recommended minimum VPROG is 0.4 V. This is based on tolerance and accuracy of
the constant power engine making very low power-limited designs highly variable. Some suggestions to get
larger PLIM values are to start with a low static operating junction temperature, and to utilize the transient thermal
impedance (energy absorbing nature) of the package.
The output I vs. VOUT curve for this configuration is shown in Figure 20.
Figure 20. TPS2492/93 Power and Current Limit Curve
22 Submit Documentation Feedback Copyright © 2010–2013, Texas Instruments Incorporated
Product Folder Links: TPS2492 TPS2493
l TEXAS INSTRUMENTS
T
36
C 416 1 0 2 0 1 4 75
4.1V
= ´ ´ + + =
As ( . . ) . nF
mm
SOURCE(MAX)
T O-TOL T-TOL
TMR-TH(MAX)
I
C 1 C C
VON
t ( )= ´ ´ + +
22
VCC(MAX)
LIM
2 2
LIMIT(NOM) LIM
V
P1000 13 5
1000 249W 416
2 I 2 P 2 50 2 249W
´
´´
´
= + = + =
´ ´ ´ ´
O
O
ON
C
CF . V
F
t s
A
m
mm
( )
VCC(MAX)
LIM VCC(MAX) LIMIT(NOM)
LIMIT(NOM)
V
For P V I I
´
³ ´ = O
ON
C
: t Current Limit Only
( )
2
LIM(ACT) VCC(MAX)
LIM VCC(MAX) LIMIT(NOM) 2
LIMIT(NOM) LIM(ACT)
P V
For P V I 2 I 2 P
´ ´
< ´ = +
´ ´
O O
ON
C C
: t Power Limit
TPS2492
TPS2493
www.ti.com
SLUSA65C –JULY 2010REVISED JANUARY 2013
4. Choose the TIMER Capacitor, CTand Turn-On Time
The turn on time tON, represents the time it takes the circuit to charge up the output capacitance COand load. CT
programs the fault time and should be chosen so that the fault timer does not terminate prior to completion of
start up. The turn on time is a function of the type of control; current limit, power limit, or dV/dt control. The
following equations calculates tON for the power limit and current limit cases, and assume that only COdraws
current during startup.
(12)
(13)
(14)
The next equation computes CTfor a TPS2492 application. TPS2492/93 TIMER current source and capacitor
tolerances are accounted for.
(15)
(16)
Choose CT= 6.8 nF assuming a 20% output capacitor tolerance and a 10% timing capacitor tolerance.
Equation 16 is written around startup for a TPS2492, however during a restart (after a fault) of a TPS2493, CT
charges from 1 V to 4.1 V, requiring a VTMR-TH(MAX) value of 3.1V.
The maximum TIMER period may be calculated using the minimum TIMER charge current and maximum value
of CT. Use this period to determine the transient RθJC in step 3. While this is beyond the scope of this example, it
may lead to some iteration.
Copyright © 2010–2013, Texas Instruments Incorporated Submit Documentation Feedback 23
Product Folder Links: TPS2492 TPS2493
l TEXAS INSTRUMENTS
´
= -
GATE ON
G GD
VCC
I t
C C
V
´
=O VCC
ON
CHARGE
C V
t
I
( )
R1= R1+R2 R2 9 7407 0 4133 9 3275- = W - W = W. k . k . k
( )
R2= R2+R3 R3 1 4133 1 0 4133- = W - W = W. k k . k
( )
( )
( )
( )
UVEN_H
UV
V 1 2 3 1 25 9 7407 1
R2+R3 1 4133
V 9 5
´ + + ´ W + W
= = = W
R R R . V . k k
. k
. V
( )
( )
( )
OV OV_H
UV_H
R3 V -V 1 14 5 1 35
R1+R2 9 7407
1 35
V
´W ´ -
= = = W
k . V . V
. k
. V
( )
( )
R2+R3
R1+R2+R3
´
=UV
UVEN _ H
V
V
( )
R3
R1+R2+R3
´
=OV
OV _ H
V
V
TPS2492
TPS2493
SLUSA65C –JULY 2010REVISED JANUARY 2013
www.ti.com
5. Choose the Turn-On and Over-voltage Divider, R1- R3
Per our system design requirements above, both over-voltage shutdown and under-voltage shutdown are
desired. Equations for calculating the thresholds are:
(17)
(18)
Assume R3 is 1 kΩand use the following procedure to determine R1 and R2.
(19)
(20)
(21)
(22)
Selecting standard 1% values and scaling up by a factor of 10 to reduce power loss results in (R1 = 93.1 kΩ),
(R2 = 4.12 kΩ), and (R3 = 10 kΩ).
Alternative Inrush Designs
Gate Capacitor (dV/dt) Control
The TPS2492/93 can be used with applications that require constant turn-on currents. The current is controlled
by a single capacitor from the GATE terminal to ground with a series resistor. M1 appears to operate as a source
follower (following the gate voltage) in this implementation. Again assuming that the output capacitor charges
without additional loading, choose a time to charge, tON, based on the load capacitor, COinput voltage VI, and
desired charge current ICHARGE. When power limiting is used (VPROG < VREF) choose ICHARGE to be less than PLIM
/VVCC to prevent the fault timer from starting. The fault timer starts only if power or current limit is invoked.
(23)
Use the following equation to select the gate capacitance, CG. It has been assumed that the external added
(linear) capacitor is much larger than the FET capacitance. CGD is the gate capacitance of M1, and IGATE is the
TPS2492/93 nominal gate charge current. CGD is non-linear with applied VDG. An averaged estimate may be
made using the FET VGS vs QGcurve. Divide the charge accumulated during the plateau region by the plateau
VGS to get CGD. As shown in Figure 19, a series resistor of about 1 kshould be used in series with CGto avoid
slowing the turnoff.
(24)
If neither power nor current limit faults are invoked during turn on, CTcan be chosen for fast transient turnoff
response. Considerations are junction temperature rise (as above), anticipated system noise, and possible peak
overloads due to input voltage or load transients. Generally the period should be much less than the tON of step 4
above.
24 Submit Documentation Feedback Copyright © 2010–2013, Texas Instruments Incorporated
Product Folder Links: TPS2492 TPS2493
l TEXAS INSTRUMENTS
TPS2492
TPS2493
www.ti.com
SLUSA65C –JULY 2010REVISED JANUARY 2013
Additional Design Considerations
Calculation Tool SLVC033
The calculation tool for the TPS2490/91, SLVC033, may be used with the TPS2492/93. For accurate results, the
timer current constants need to be updated. This may be accomplished using the Excel Tools / Protection
command along with the password provided in the tool (spreadsheet).
Use of PG to Control Downstream Converters
Use the PG pin to control and sequence a downstream DC/DC converter. If this is not done a long time delay
may be needed to allow COto fully charge before the converter starts. This practice will avoid having the
converter attempt to operate at a low input voltage, drawing large currents. This mode of converter operation has
the potential to form a stable operating point with the hotswap output I-V characteristic, preventing the system
from starting.
IMON Filtering
The internal monitoring circuits leave a small amount of residual noise at about 2.5 kHz on the IMON output.
While this does not contribute significant error at output voltages on the order of 1 V, better accuracy at low
outputs will benefit from an R-C filter. Figure 19 demonstrates this filtering with elements R6 and C2. An example
solution is a 1 kΩresistor and a 1.5 nF capacitor. A buffer (e.g. unity-gain opamp) may be required if the output
is used by a circuit that draws significant current.
Output Clamp Diode
Inductive loads or wiring inductance on the output may drive the OUT pin below GND when the circuit is
unplugged or during current limit. The OUT pin can be protected by D2 (see Figure 19) between the TPS2492/93
OUT to GND pins. The OUT pin can withstand a short transient to -1 V.
Input Clamp TVS
Energy stored in the inductance of input wiring has the capability to drive the input voltage up if the (load) current
is abruptly decreased. An example is a hard short on OUT rapidly raising the input current above the current limit
threshold, which is then abruptly driven to zero when the current limit gains control after several microseconds.
Combinations of input capacitance and transient voltage suppressor diodes (TVS - a type of Zener Diode) can
aid in controlling the voltage overshoot. This is demonstrated by D1 and C1 of Figure 19. While a small bypass
capacitor is recommended, the TVS is better able to control the voltage without the drawback of large input
capacitance.
Gate Clamp Diode
The TPS2492/93 has a relatively well-regulated gate voltage of 12 V to 16 V, even at low supply voltages. A
small clamp Zener from gate to source of M1, such as a BZX84C7V5, is recommended if VGS of M1 is rated
below this.
Input Bypass Capacitance
The input bypass capacitor, C1 per Figure 19 should be used to provide a low impedance local source of current
and control the supply dv/dt on the VCC pin.
Copyright © 2010–2013, Texas Instruments Incorporated Submit Documentation Feedback 25
Product Folder Links: TPS2492 TPS2493
l TEXAS INSTRUMENTS
6
RETRY T
T =C 19 6 10´ ´.
TPS2492
TPS2493
SLUSA65C –JULY 2010REVISED JANUARY 2013
www.ti.com
Adding External GATE-OUT Capacitance
Avoid directly placing ceramic capacitors directly across M1 gate to source when bypassing for ESD or noise is
desired. Add some small resistance in series with the capacitor if absolutely required. If the resistance is not
present, the added phase shift may encourage high frequency oscillation of the combined input and output L-C
circuits during startup conditions.
High Gate Capacitance Applications
If OUT falls very rapidly during a fault, the FET VGS can be driven high by the CGD - CGS voltage divider of
(VSENSE - VOUT). Given enough capacitance and dv/dt, the internal 14-V GATE to OUT clamp may not have the
capability to fully control the voltage. An external gate clamp Zener diode may be required to protect the FET if
this is the case.
When gate capacitor dV/dT control is used, a 1-kresistor in series with CGis recommended, as shown in
Figure 19.
Output Short Circuit Measurements
Repeatable short-circuit testing results are difficult to obtain. The many details of source bypassing, input leads,
circuit layout and component selection, output shorting method, relative location of the short, and instrumentation
all contribute to varying results. The actual short itself exhibits a certain degree of randomness as it
microscopically bounces and arcs. Care in configuration and methods must be used to obtain realistic results. Do
not expect to see waveforms exactly like those in the data sheet since every setup differs.
Applications Using the Retry Feature (TPS2493)
Applications using the retry feature may want to estimate fault retry time. The TPS2493 will retry (enable M1 to
attempt turn on) once for every 16 timer charge/discharge cycles (15 cycles between 1 V and 4 V, 1 cycle
between 0 V and 4 V).
(25)
M1 Selection
Use of a power FET in the linear region places large, long term stresses on the distributed junction. FETs whose
safe operating area (SOA) curves display multiple slopes on the same line (e.g. a line whose time parameter is a
constant) in the region of high voltage and low current generally are susceptible to secondary breakdown and are
not strong candidates for this application. An example of a good choice is found in the Typical Application Circuit
where the line at 10 ms shows no breaks in slope. The best device for the application is not always the lowest
RDSON device.
Layout Considerations
Good layout practice places the power devices D1, RSENSE, M1, and COso power flows in a sequential, linear
fashion. A ground plane under the power and the TPS2492/93 is desirable. The TPS2492/93 should be placed
close to the sense resistor and FET using a Kelvin type connection to achieve accurate current sensing across
RSENSE. A low-impedance GND connection is required because the TPS2492/93 can momentarily sink upwards
of 100 mA from the gate of M1. The GATE amplifier has high bandwidth while active, so keep the GATE trace
length short. The PROG, TIMER, OV, and UVEN pins have high input impedances, therefore keep their input
leads short. Oversize power traces and power device connections to assure low voltage drop and good thermal
performance.
26 Submit Documentation Feedback Copyright © 2010–2013, Texas Instruments Incorporated
Product Folder Links: TPS2492 TPS2493
l TEXAS INSTRUMENTS
TPS2492
TPS2493
www.ti.com
SLUSA65C –JULY 2010REVISED JANUARY 2013
REVISION HISTORY
Changes from Original (July 2010) to Revision A Page
Changed marketing status .................................................................................................................................................... 1
Changes from Revision A (#IMPLIED) to Revision B Page
Changed temperature rating from 80°C to 125°C in the product Information section to match the rest of the
datasheet. ............................................................................................................................................................................. 2
Changes from Revision B (October 2011) to Revision C Page
Added design calculator hyperlink. ....................................................................................................................................... 1
Copyright © 2010–2013, Texas Instruments Incorporated Submit Documentation Feedback 27
Product Folder Links: TPS2492 TPS2493
I TEXAS INSTRUMENTS
PACKAGE OPTION ADDENDUM
www.ti.com 10-Dec-2020
Addendum-Page 1
PACKAGING INFORMATION
Orderable Device Status
(1)
Package Type Package
Drawing Pins Package
Qty Eco Plan
(2)
Lead finish/
Ball material
(6)
MSL Peak Temp
(3)
Op Temp (°C) Device Marking
(4/5)
Samples
TPS2492PW ACTIVE TSSOP PW 14 90 RoHS & Green NIPDAU Level-1-260C-UNLIM -40 to 125 TPS2492
TPS2492PWR ACTIVE TSSOP PW 14 2000 RoHS & Green NIPDAU Level-1-260C-UNLIM -40 to 125 TPS2492
TPS2493PW ACTIVE TSSOP PW 14 90 RoHS & Green NIPDAU Level-1-260C-UNLIM -40 to 125 TPS2493
TPS2493PWR ACTIVE TSSOP PW 14 2000 RoHS & Green NIPDAU Level-1-260C-UNLIM -40 to 125 TPS2493
(1) The marketing status values are defined as follows:
ACTIVE: Product device recommended for new designs.
LIFEBUY: TI has announced that the device will be discontinued, and a lifetime-buy period is in effect.
NRND: Not recommended for new designs. Device is in production to support existing customers, but TI does not recommend using this part in a new design.
PREVIEW: Device has been announced but is not in production. Samples may or may not be available.
OBSOLETE: TI has discontinued the production of the device.
(2) RoHS: TI defines "RoHS" to mean semiconductor products that are compliant with the current EU RoHS requirements for all 10 RoHS substances, including the requirement that RoHS substance
do not exceed 0.1% by weight in homogeneous materials. Where designed to be soldered at high temperatures, "RoHS" products are suitable for use in specified lead-free processes. TI may
reference these types of products as "Pb-Free".
RoHS Exempt: TI defines "RoHS Exempt" to mean products that contain lead but are compliant with EU RoHS pursuant to a specific EU RoHS exemption.
Green: TI defines "Green" to mean the content of Chlorine (Cl) and Bromine (Br) based flame retardants meet JS709B low halogen requirements of <=1000ppm threshold. Antimony trioxide based
flame retardants must also meet the <=1000ppm threshold requirement.
(3) MSL, Peak Temp. - The Moisture Sensitivity Level rating according to the JEDEC industry standard classifications, and peak solder temperature.
(4) There may be additional marking, which relates to the logo, the lot trace code information, or the environmental category on the device.
(5) Multiple Device Markings will be inside parentheses. Only one Device Marking contained in parentheses and separated by a "~" will appear on a device. If a line is indented then it is a continuation
of the previous line and the two combined represent the entire Device Marking for that device.
(6) Lead finish/Ball material - Orderable Devices may have multiple material finish options. Finish options are separated by a vertical ruled line. Lead finish/Ball material values may wrap to two
lines if the finish value exceeds the maximum column width.
Important Information and Disclaimer:The information provided on this page represents TI's knowledge and belief as of the date that it is provided. TI bases its knowledge and belief on information
provided by third parties, and makes no representation or warranty as to the accuracy of such information. Efforts are underway to better integrate information from third parties. TI has taken and
I TEXAS INSTRUMENTS
PACKAGE OPTION ADDENDUM
www.ti.com 10-Dec-2020
Addendum-Page 2
continues to take reasonable steps to provide representative and accurate information but may not have conducted destructive testing or chemical analysis on incoming materials and chemicals.
TI and TI suppliers consider certain information to be proprietary, and thus CAS numbers and other limited information may not be available for release.
In no event shall TI's liability arising out of such information exceed the total purchase price of the TI part(s) at issue in this document sold by TI to Customer on an annual basis.
I TEXAS INSTRUMENTS ‘3‘ V.'
PACKAGE MATERIALS INFORMATION
www.ti.com 3-Jun-2022
TAPE AND REEL INFORMATION
Reel Width (W1)
REEL DIMENSIONS
A0
B0
K0
W
Dimension designed to accommodate the component length
Dimension designed to accommodate the component thickness
Overall width of the carrier tape
Pitch between successive cavity centers
Dimension designed to accommodate the component width
TAPE DIMENSIONS
K0 P1
B0 W
A0
Cavity
QUADRANT ASSIGNMENTS FOR PIN 1 ORIENTATION IN TAPE
Pocket Quadrants
Sprocket Holes
Q1 Q1Q2 Q2
Q3 Q3Q4 Q4 User Direction of Feed
P1
Reel
Diameter
*All dimensions are nominal
Device Package
Type Package
Drawing Pins SPQ Reel
Diameter
(mm)
Reel
Width
W1 (mm)
A0
(mm) B0
(mm) K0
(mm) P1
(mm) W
(mm) Pin1
Quadrant
TPS2492PWR TSSOP PW 14 2000 330.0 12.4 6.9 5.6 1.6 8.0 12.0 Q1
TPS2493PWR TSSOP PW 14 2000 330.0 12.4 6.9 5.6 1.6 8.0 12.0 Q1
Pack Materials-Page 1
PACKAGE MATERIALS INFORMATION
www.ti.com 3-Jun-2022
TAPE AND REEL BOX DIMENSIONS
Width (mm)
W
L
H
*All dimensions are nominal
Device Package Type Package Drawing Pins SPQ Length (mm) Width (mm) Height (mm)
TPS2492PWR TSSOP PW 14 2000 356.0 356.0 35.0
TPS2493PWR TSSOP PW 14 2000 356.0 356.0 35.0
Pack Materials-Page 2
I TEXAS INSTRUMENTS __________________ ‘(I(I“""""""""
PACKAGE MATERIALS INFORMATION
www.ti.com 3-Jun-2022
TUBE
L - Tube length
T - Tube
height
W - Tube
width
B - Alignment groove width
*All dimensions are nominal
Device Package Name Package Type Pins SPQ L (mm) W (mm) T (µm) B (mm)
TPS2492PW PW TSSOP 14 90 530 10.2 3600 3.5
TPS2493PW PW TSSOP 14 90 530 10.2 3600 3.5
Pack Materials-Page 3
MECHANICAL DATA "7’7 : 3‘ AST‘C SMAH CJ’ N7 HHHHHHH . . ‘7,4’ 44*, A f;—‘ NO'ES' A AH Hnec' dimensmrs c'e m m'\\me(ers Dwmens'amnq cnd tu‘erc'vcmg per ASME w 5M 1994, Tm drawer ‘5 subje», ,o "hangs wnrau: Home, Budy \evvgih ‘ues m W" Le mom Hush, pyuws‘m Ur guts Ms M exceed 0,15 each m & Rudy wde does NM Wands \Mer end flair \Mefiead 'Wclsh shaH um exceed 0‘75 each S‘de E Fa‘s WM" JEDEC M07153 MUM "\u>h, main: bus, 01 guie buns shuH {if TEXAS INSTRUMENTS www.ci.com
PW (RiPDsoicM) LAND PATTERN DATA PLASTHC SMALL OUTLINE Example Board Layout (Male 0) —>| ‘,——12x0 65 HHHHHHHi 5,60 HHHHHHHHi l“ l l l Example Non So‘dermask Defined Pad 4 x 1,60 / H l <—0,07 y/="" ah="" around="" pad="" seamelry="" (see="" nale="" c)="" solder="" mask="" opening="" (see="" note="" e)="" stencil="" 0="" en'ln="" s="" (notepd)="" ‘3="" 14x0="" 30="" h="" '«,lzxo="" 65="" ~hhhhhh~="" 5,60="" hhhhhhh—="" example="" example="" 421128472/6="" 08/15="" notes:="" ah="" h‘lneor="" dimensions="" one="" in="" rnihll'rneters.="" tn‘ls="" dvowing="" is="" subject="" lp="" change="" wltnoul="" nallee.="" publl'cotlon="" hpcjssh="" is="" recommended="" lar="" allemale="" deslgns.="" laser="" cutllng="" apertures="" wch="" tropexoidm="" walls="" and="" also="" raund‘lna="" comers="" wlll="" we!="" better="" pasle="" release="" customers="" show="" contact="" their="" board="" assembly="" sl’te="" (ov="" stenci‘="" design="" recommendations.="" reler="" to="" ”50—7525="" lur="" other="" stencl‘="" recommendotluns="" customers="" shou‘d="" contact="" their="" board="" hoercot'lon="" shte="" (or="" solder="" musk="" tolerances="" between="" and="" around="" s'lgnol="" pods.="" *1?="" tums="" instruments="" www.ti.com="">
IMPORTANT NOTICE AND DISCLAIMER
TI PROVIDES TECHNICAL AND RELIABILITY DATA (INCLUDING DATA SHEETS), DESIGN RESOURCES (INCLUDING REFERENCE
DESIGNS), APPLICATION OR OTHER DESIGN ADVICE, WEB TOOLS, SAFETY INFORMATION, AND OTHER RESOURCES “AS IS”
AND WITH ALL FAULTS, AND DISCLAIMS ALL WARRANTIES, EXPRESS AND IMPLIED, INCLUDING WITHOUT LIMITATION ANY
IMPLIED WARRANTIES OF MERCHANTABILITY, FITNESS FOR A PARTICULAR PURPOSE OR NON-INFRINGEMENT OF THIRD
PARTY INTELLECTUAL PROPERTY RIGHTS.
These resources are intended for skilled developers designing with TI products. You are solely responsible for (1) selecting the appropriate
TI products for your application, (2) designing, validating and testing your application, and (3) ensuring your application meets applicable
standards, and any other safety, security, regulatory or other requirements.
These resources are subject to change without notice. TI grants you permission to use these resources only for development of an
application that uses the TI products described in the resource. Other reproduction and display of these resources is prohibited. No license
is granted to any other TI intellectual property right or to any third party intellectual property right. TI disclaims responsibility for, and you
will fully indemnify TI and its representatives against, any claims, damages, costs, losses, and liabilities arising out of your use of these
resources.
TI’s products are provided subject to TI’s Terms of Sale or other applicable terms available either on ti.com or provided in conjunction with
such TI products. TI’s provision of these resources does not expand or otherwise alter TI’s applicable warranties or warranty disclaimers for
TI products.
TI objects to and rejects any additional or different terms you may have proposed. IMPORTANT NOTICE
Mailing Address: Texas Instruments, Post Office Box 655303, Dallas, Texas 75265
Copyright © 2022, Texas Instruments Incorporated