Espansori GPIO
Gli espansori GPIO di NXP Semiconductors offrono più pin per i microcontroller degli utenti
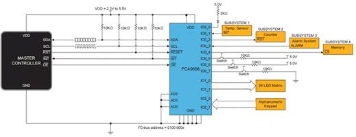
Gli espansori GPIO leader del settore di NXP Semiconductors offrono 4, 8, 16, 24 o 40 pin I/O per uso generale per la CPU tramite il bus I2C per aiutare i progettisti a ridurre lo spazio su scheda e la complessità e a semplificare i cicli di sviluppo software per abbattere il costo complessivo del sistema.
- Prestazioni robuste dagli inventori di I2C: le prestazioni solide e la conformità alle specifiche eliminano i problemi di comunicazione e le disconnessioni del sistema
- Il portafoglio più ampio: una linea completa di dispositivi standard del settore e con funzioni speciali semplifica l'approvvigionamento e riduce al minimo i costi di qualificazione con un unico fornitore
- Dispositivi differenziati: aiuta i sistemi degli utenti a distinguersi sul mercato
- La tensione di alimentazione bus I2C più bassa di appena 0,8 V elimina la traslazione di livello
- I contenitori più piccoli e sottili disponibili risparmiano spazio: LGA (Land Grid Array) a 24 pin 2 x 2 x 0,35 mm
- Il GPIO I/O Agile include caratteristiche per eliminare i componenti esterni quali resistori pull-up, uscite a drain aperto, controllo di pilotaggio di uscita e chiusure in ingresso per consentire lo sviluppo più veloce di software e prestazioni firmware più robuste
Nota applicativa: Caratteristiche elettriche dei dispositivi I/O Agile AN11496
Guida di selezione: Guida di selezione I2C 2016
GPIO Expanders
| Immagine | Codice produttore | Descrizione | Interfaccia | Temperatura di funzionamento | Quantità disponibile | Prezzo | Vedi i dettagli | |
|---|---|---|---|---|---|---|---|---|
![]() | ![]() | PCAL6524HEAZ | IC XPNDR 1MHZ I2C 32HUQFN | I2C | -40°C ~ 85°C | 39855 - Immediatamente | $1.51 | Vedi i dettagli |
![]() | ![]() | PCAL6416AHF,128 | IC XPND 400KHZ I2C SMBUS 24HWQFN | I²C, SMBus | -40°C ~ 85°C | 49756 - Immediatamente | $1.10 | Vedi i dettagli |
![]() | ![]() | PCAL6408ABSHP | IC XPND 400KHZ I2C SMBUS 16HVQFN | I²C, SMBus | -40°C ~ 85°C | 30800 - Immediatamente | $1.04 | Vedi i dettagli |
![]() | ![]() | PCA9570GMH | IC XPNDR 100KHZ I2C SMBUS 8XQFN | I²C, SMBus | -40°C ~ 85°C | 13401 - Immediatamente | $0.54 | Vedi i dettagli |
![]() | ![]() | PCA9555APW,118 | IC XPND 400KHZ I2C SMBUS 24TSSOP | I²C, SMBus | -40°C ~ 85°C | 9247 - Immediatamente | $1.35 | Vedi i dettagli |
![]() | ![]() | PCA9698BS,118 | IC XPNDR 1MHZ I2C 56HVQFN | I2C | -40°C ~ 85°C | 4060 - Immediatamente | $4.78 | Vedi i dettagli |








