Di norma, gli ordini destinati all'Svizzera sono consegnati entro 48 ore, a seconda della località.
Spedizione gratuita in Svizzera per ordini superiori a $60 USD. A tutti gli ordini inferiori a $60 USD verrà aggiunto un costo di spedizione di $22 USD.
UPS, FedEx o DHL nolo prepagato: DDP (dazi doganali pagati da DigiKey)
Conto di credito per istituzioni e imprese qualificate
Pagamento anticipato tramite bonifico bancario
![]()
![]()
![]()
![]()
![]()


Altri prodotti da Partner pienamente autorizzati
Tempo medio di spedizione 1-3 giorni; potrebbero essere applicate spese di spedizione supplementari. Consultare la pagina del prodotto, il carrello e la procedura di acquisto per i tempi di spedizione effettivi.
Incoterms: CPT (dazi doganali e imposte/IVA da versare alla consegna)
Per maggiori informazioni, visitare la pagina Assistenza
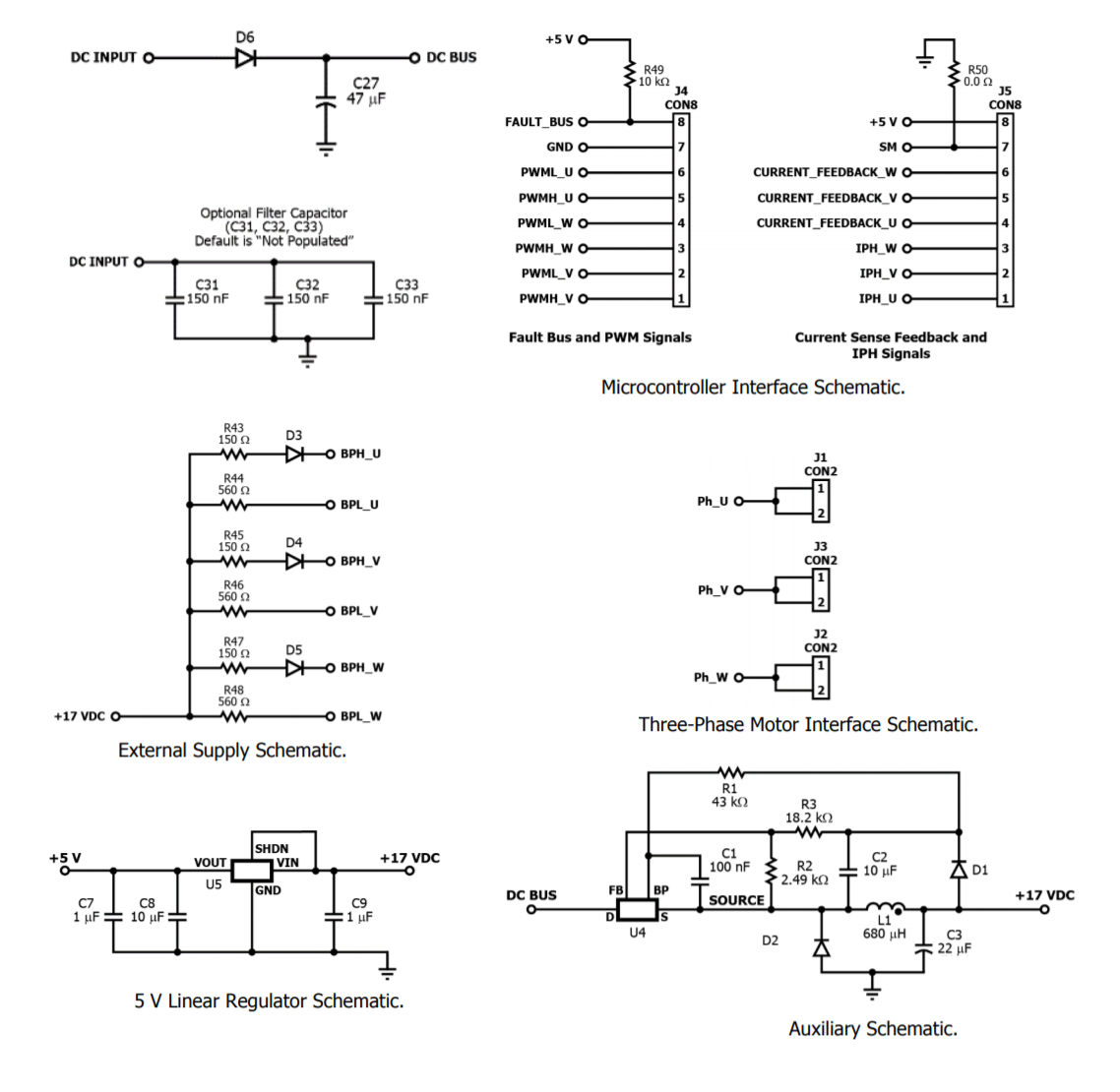
The RDK-853 evaluation board is a 300 W, 97% efficient, three-phase inverter for high-voltage brushless DC (BLDC) motor application using three BridgeSwitch BRD1265C devices. The design shows the device performance, internal level monitoring, system level monitoring, and fault protection facilitated by the high level of integration of the BridgeSwitch halfbridge motor driver IC. A high-voltage, low component count buck converter employing a LinkSwitch-TN2 LNK3204D device supplies the current sense amplifier and optionally provides external bias for the BridgeSwitch devices.
Features
Fully self-biased operation – simplifies auxiliary power supply but can also support external bias operation as needed
High-side and low-side cycle-by-cycle current limit
Two level device over-temperature protection
High-voltage bus monitor with four undervoltage threshold and one overvoltage threshold
System level temperature monitor
Single wire status update communication bus
Supports any microcontroller (MCU) for sensorless field oriented control (FOC) through the signal interface
Instantaneous phase current output signal for each BridgeSwitch
Fault reporting for each device through the FAULT BUS pin on the interface
+5V supply ready through the interface
| Manufacturer | Power Integrations |
|---|---|
| Category | Motor Control |
| Eval Board Part Number | 596-RDK-853-ND |
| Eval Board Supplier | Power Integrations |
| Eval Board |
Normally In Stock
|
| Voltage In |
270 ~ 365 VDC
|
| Number of Motors and Type |
1, 3-Ph BLDC Motor
1, 3-Ph BLDC, Sensorless |
| Power / Current Out |
920 mA rms
|
| Features |
1-Wire Interface
Current Limit (Adj. or Fixed) Current Sensing Fault Indication MCU Controlled Over Voltage Protection PWM Interface Sensorless Control (FOC) Thermal Protection Under Voltage Protection, Brown-Out |
| Component Count + Extras |
94 + 5
|
| Application / Target Market |
Automotive: Electric Vehicles
HVAC Motor Control Pumps |
| Design Author |
Power Integrations
|
| Main I.C. Base Part |
BRD1265C
LNK3204D |
| Date Created By Author | 2020-07 |
| Date Added To Library | 2021-06 |
Co-navigazione
L'uso della funzione di co-navigazione implica il consenso alla visualizzazione remota del proprio browser da parte di un tecnico dell'assistenza DigiKey. Quando si apre la finestra Co-navigazione, fornire al tecnico l'ID della sessione indicato nella barra degli strumenti.
DigiKey rispetta il diritto alla privacy. Per ulteriori informazioni, consultare la nostra Informativa sulla privacy e Informativa sui cookie.
Sì, abilita la co-navigazioneOttieni risposte veloci e precise dai tecnici e dagli esperti di DigiKey sul nostro TechForum.
Visita la pagina Assistenza del nostro sito Web per tutte le informazioni su ordini, spedizioni, consegne e molto altro.
Gli utenti registrati possono tener traccia degli ordini dal menu a discesa del proprio account, oppure facendo clic qui. *L'aggiornamento di stato di un ordine potrebbe richiedere anche 12 ore una volta effettuata l'ordinazione iniziale.
Gli utenti possono iniziare la procedura di restituzione dalla pagina Resi.
Gli utenti registrati possono creare preventivi da myLists.
Visitate la pagina di registrazione e inserite le informazioni richieste. Riceverete una mail di conferma al completamento della registrazione.
Di norma, gli ordini destinati all'Svizzera sono consegnati entro 48 ore, a seconda della località.
Spedizione gratuita in Svizzera per ordini superiori a $60 USD. A tutti gli ordini inferiori a $60 USD verrà aggiunto un costo di spedizione di $22 USD.
UPS, FedEx o DHL nolo prepagato: DDP (dazi doganali pagati da DigiKey)
Conto di credito per istituzioni e imprese qualificate
Pagamento anticipato tramite bonifico bancario
![]()
![]()
![]()
![]()
![]()


Altri prodotti da Partner pienamente autorizzati
Tempo medio di spedizione 1-3 giorni; potrebbero essere applicate spese di spedizione supplementari. Consultare la pagina del prodotto, il carrello e la procedura di acquisto per i tempi di spedizione effettivi.
Incoterms: CPT (dazi doganali e imposte/IVA da versare alla consegna)
Per maggiori informazioni, visitare la pagina Assistenza
Grazie!
Tieni d'occhio la posta in arrivo, che conterrà notizie e aggiornamenti da DigiKey!
Immettere un indirizzo e-mail