Di norma, gli ordini destinati all'Svizzera sono consegnati entro 48 ore, a seconda della località.
Spedizione gratuita in Svizzera per ordini superiori a $60 USD. A tutti gli ordini inferiori a $60 USD verrà aggiunto un costo di spedizione di $22 USD.
UPS, FedEx o DHL nolo prepagato: DDP (dazi doganali pagati da DigiKey)
Conto di credito per istituzioni e imprese qualificate
Pagamento anticipato tramite bonifico bancario
![]()
![]()
![]()
![]()
![]()


Altri prodotti da Partner pienamente autorizzati
Tempo medio di spedizione 1-3 giorni; potrebbero essere applicate spese di spedizione supplementari. Consultare la pagina del prodotto, il carrello e la procedura di acquisto per i tempi di spedizione effettivi.
Incoterms: CPT (dazi doganali e imposte/IVA da versare alla consegna)
Per maggiori informazioni, visitare la pagina Assistenza
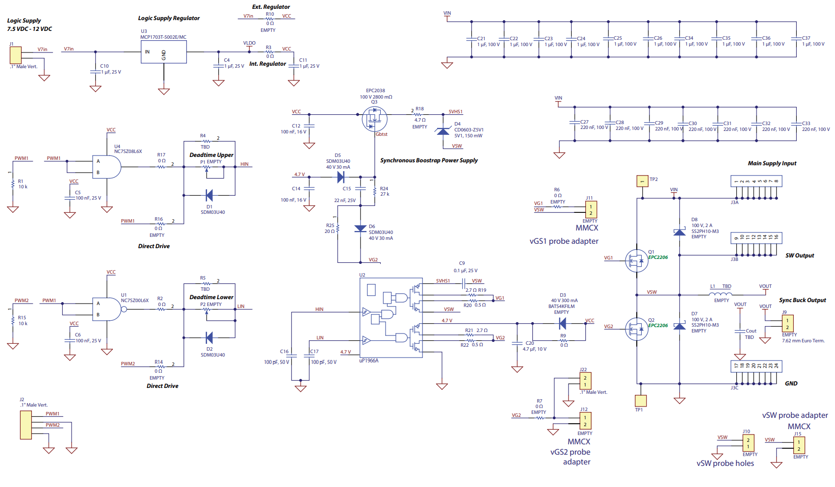
The EPC90122 evaluation board is a 80 V maximum device voltage, 40 A maximum output current, half bridge with onboard gate drives, featuring the EPC2206 enhancement mode (eGaN®) field effect transistor (FET). The purpose of this evaluation board is to simplify the evaluation process of the EPC2206 eGaN FET by including all the critical components on a single board that can be easily connected into the majority of existing converter topologies.
The EPC90120 development board measures 2” x 2” and contains one EPC2152 Integrated ePower™ Stage in a half bridge configuration.
The EVALMASTERGAN1 is an advanced power system-in-package integrating a gate driver and two enhancement mode GaN transistors in half‑bridge configuration. The integrated power GaNs have RDS(ON) of 150 mΩ and 650 V drain‑source breakdown voltage, while the high side of the embedded gate driver can be easily supplied by the integrated bootstrap diode.
Co-navigazione
L'uso della funzione di co-navigazione implica il consenso alla visualizzazione remota del proprio browser da parte di un tecnico dell'assistenza DigiKey. Quando si apre la finestra Co-navigazione, fornire al tecnico l'ID della sessione indicato nella barra degli strumenti.
DigiKey rispetta il diritto alla privacy. Per ulteriori informazioni, consultare la nostra Informativa sulla privacy e Informativa sui cookie.
Sì, abilita la co-navigazioneOttieni risposte veloci e precise dai tecnici e dagli esperti di DigiKey sul nostro TechForum.
Visita la pagina Assistenza del nostro sito Web per tutte le informazioni su ordini, spedizioni, consegne e molto altro.
Gli utenti registrati possono tener traccia degli ordini dal menu a discesa del proprio account, oppure facendo clic qui. *L'aggiornamento di stato di un ordine potrebbe richiedere anche 12 ore una volta effettuata l'ordinazione iniziale.
Gli utenti possono iniziare la procedura di restituzione dalla pagina Resi.
Gli utenti registrati possono creare preventivi da myLists.
Visitate la pagina di registrazione e inserite le informazioni richieste. Riceverete una mail di conferma al completamento della registrazione.
Di norma, gli ordini destinati all'Svizzera sono consegnati entro 48 ore, a seconda della località.
Spedizione gratuita in Svizzera per ordini superiori a $60 USD. A tutti gli ordini inferiori a $60 USD verrà aggiunto un costo di spedizione di $22 USD.
UPS, FedEx o DHL nolo prepagato: DDP (dazi doganali pagati da DigiKey)
Conto di credito per istituzioni e imprese qualificate
Pagamento anticipato tramite bonifico bancario
![]()
![]()
![]()
![]()
![]()


Altri prodotti da Partner pienamente autorizzati
Tempo medio di spedizione 1-3 giorni; potrebbero essere applicate spese di spedizione supplementari. Consultare la pagina del prodotto, il carrello e la procedura di acquisto per i tempi di spedizione effettivi.
Incoterms: CPT (dazi doganali e imposte/IVA da versare alla consegna)
Per maggiori informazioni, visitare la pagina Assistenza
Grazie!
Tieni d'occhio la posta in arrivo, che conterrà notizie e aggiornamenti da DigiKey!
Immettere un indirizzo e-mail